


人教版 (2019)选择性必修3 资源、环境与国家安全第二节 中国的能源安全课后复习题
展开第二节 中国的能源安全
必备知识基础练
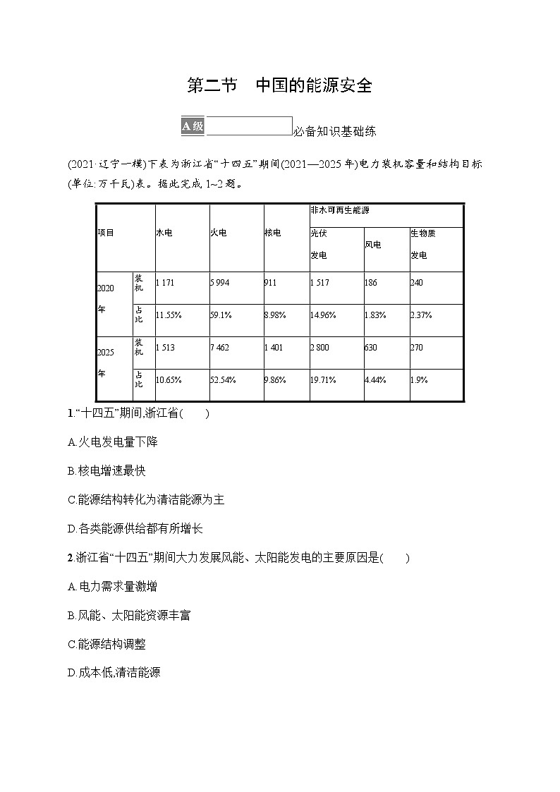
(2021·辽宁一模)下表为浙江省“十四五”期间(2021—2025年)电力装机容量和结构目标(单位:万千瓦)表。据此完成1~2题。
项目 | 水电 | 火电 | 核电 | 非水可再生能源 | |||
光伏 发电 | 风电 | 生物质 发电 | |||||
2020 年 | 1 171 | 5 994 | 911 | 1 517 | 186 | 240 | |
11.55% | 59.1% | 8.98% | 14.96% | 1.83% | 2.37% | ||
2025 年 | 1 513 | 7 462 | 1 401 | 2 800 | 630 | 270 | |
10.65% | 52.54% | 9.86% | 19.71% | 4.44% | 1.9% |
1.“十四五”期间,浙江省( )
A.火电发电量下降
B.核电增速最快
C.能源结构转化为清洁能源为主
D.各类能源供给都有所增长
2.浙江省“十四五”期间大力发展风能、太阳能发电的主要原因是( )
A.电力需求量激增
B.风能、太阳能资源丰富
C.能源结构调整
D.成本低,清洁能源
(2021·全国高三专题练习)300多块钱一吨的“臭煤”,现在能卖到每吨1万多块。奇迹就发生在山西某化工集团。“臭煤”即高硫煤,该集团采用国内具有自主知识产权的煤基合成油技术将其变废为宝,意味着山西煤炭进入了高效清洁转化利用的新时代。读煤变油工艺流程示意图,完成3~4题。
3.目前,我国在山西启动“煤变油”工程,其布局理由是( )
A.山西石油资源短缺
B.山西煤炭资源丰富
C.山西科技力量强大
D.山西输油管道密集
4.从图中信息看,山西“煤变油”工程实施的主要制约因素是( )
A.工艺流程复杂
B.环境污染严重
C.水资源短缺
D.消费市场狭小
5.(2021·山东枣庄二模)阅读图文材料,完成下列各题。
材料一 我国海岸线漫长,海上风能资源丰富,5米至25米水深线以内近海区域、海平面以上50米高度范围内,风电可装机容量约2亿千瓦时。台湾海峡是我国海上风能资源最丰富的区域,风能资源由该区域向南、北两侧大致呈递减趋势。
材料二 下表为陆上风电与海上风电要素比较表。
比较要素 | 陆上风电 | 海上风电 |
风能质量 | 近地面风速小, 切变大 | 海面风速大, 切变小 |
单个叶片长度 | 50米 | 80米 |
年发电时数 | 2 200小时左右 | 3 000小 时以上 |
建设成本 | 低 | 高 |
维护运营成本 | 低 | 高 |
建造技术 | 成熟 | 不成熟 |
使用寿命 | 20年 | 25年 |
材料三 海上风电项目在硬件方面主要包括风电机组、风塔及桩基、海底电缆等。海上风电产业链由上游(原材料和零部件)、中游(风机整机组装、运输、风塔建设、海缆铺设)、下游(风电运营和维护)三部分组成。随着风电机组大型化、产业链国产化,叠加产业成熟度和规模效应,我国海上风电有望在“十四五”期间迎来快速发展。下图示意海上风电场建设项目构成。
(1)分析台湾海峡风力资源丰富的原因。
(2)与陆上风电相比,我国建设海上风电既有优势也有不足。请选择其中一个角度加以说明。
(3)简述“十四五”期间海上风电发展对我国经济社会发展的积极影响。
能力素养提升练
(2021·四川4月诊断性考试)一直以来,我国紧跟世界前沿,研发多用途先进核能系统,成果颇丰。2020年10月12日,在北京开幕的第十六届中国国际核工业展览会场上,我国成功研发的小型核反应堆“玲龙一号”正式亮相。据此完成6~7题。
6.相比核电站百万千瓦的核电机组,规模更小的“玲龙一号”的特点是( )
A.产能较大
B.灵活性差
C.用途广泛
D.安全性差
7.大力研发多用途先进核能系统的最主要目的是( )
A.提供大量廉价能源
B.优化能源消费结构
C.解决环境污染问题
D.保障能源供应安全
(2021·贵州贵阳二模)同比变化率=(某年产量-上年产量)/上年产量×100%,下图为我国2010—2018年石油产量同比变化率及石油自给率统计图。据此完成8~9题。
8.推断图中我国石油产量近年来变化的原因是( )
A.我国石油资源枯竭,开采难度增加
B.海外石油进口稳定可靠,价格持续降低
C.我国石油勘探技术提高,油田数量增加
D.延长我国油田开采年限,保障石油安全
9.2016—2018年,我国石油产量同比变化率为负值而自给率无明显变化,主要原因是( )
A.汽车逐渐增多,石油使用量增加
B.石油发电量所占比率大幅度降低
C.新能源占比提高,燃油效率提升
D.煤炭资源价格下降,使用量增加
(2021·山东郯城第二中学检测)至2020年,中国已增建多座核电站。目前浙江三门核电站、辽宁红沿河核电站,广东阳江核电站和山东乳山红石顶核电站等工程正全面展开。读图,完成10~11题。
10.我国在图中区域建核电站的主要原因或目的是( )
A.经济发达,科技领先,建站优势明显
B.缓解能源供应紧张的状况
C.人口稠密,交通便利,建站优势明显
D.解决矿产资源贫乏的问题
11.能源安全是我国目前一个紧迫而重大的问题。下列措施能保证我国能源安全的有( )
①参与国际能源开发,实现能源进口多元化 ②加大能源战略储备,减少对进口能源的依赖 ③全面禁止采挖煤炭,使用新能源替代煤炭资源 ④倡导绿色消费,提高能源使用效率
A.②③④ B.①③④
C.①②④ D.①②③
全球能源互联网是清洁能源在全球范围大规模开发、配置、利用的基础平台,其实质就是“特高压电网+智能电网+清洁能源”。它可实现“两个替代”,即清洁能源替代化石能源、电力替代煤炭和石油消费。读图,完成12~13题。
12.有关图中地区发电量的描述,正确的有 ( )
A.冬至北京日落时,甲地发电量多于乙地
B.夏至北京日落时,乙地发电量为一天中最多的时刻
C.丙地夏季,是一年中发电量最多的季节
D.丁地夏季,是一年中发电量最多的季节
13.有关全球能源互联网的说法,正确的是 ( )
A.会导致能源利用率降低,使全球能源安全水平下降
B.可以改变能源消费的空间格局,影响世界经济的发展
C.可以打破以油气为基础的传统能源体系,提升新能源影响力
D.可以彻底改变资源紧张、环境污染、气候变化等日益突出的问题
14.(2021·福建联考)阅读材料,完成下列各题。
材料一 下图为世界能源消费构成比例变化(含预测)图。
材料二 日本能源安全状况。
能源安全状况 | 1973年 | 2000年 |
能源进口依赖度/% | 89.4 | 81.0 |
石油消费比重/% | 77.4 | 53.0 |
进口中东石油占 进口石油比重/% | 79 | 82 |
材料三 中东的动荡局势和美国对中东石油的垄断使得日本开始重视从其他地区进口石油。日本如果能够争取铺设通往俄罗斯的石油管道,那么俄罗斯每天能向日本出口100万桶石油,日本对中东石油的依赖度就可以降到65%。
(1)从材料一中可看出2030年后天然气的消费比重将超过石油,其最主要原因是什么?
(2)材料中,日本是针对什么能源安全问题而做出的努力?
(3)读材料,从地理角度思考我国可以从日本能源安全状况的变化中得到哪些启示。
参考答案
第二节 中国的能源安全
1~2.1.D 2.C 第1题,据表可知,“十四五”期间,火电装机容量由2020年的5 994万千瓦上升到2025年的7 462万千瓦,故火电发电量上升,A错误;增速最快的应是风电,B错误;2025年火电比重依然超过50%,说明能源结构并没有转化为清洁能源为主,C错误;各类能源装机容量均上升,说明各类能源供给都有所增长,D正确。故选D。第2题,浙江省大力发展风能、太阳能发电主要是为了能源结构调整,使用清洁能源环保且安全,C正确。
3~4.3.B 4.C 第3题,根据材料可知,“煤变油”工程的原料是煤炭,我国山西煤炭资源丰富,是我国能源大省,因此在山西启动该工程,可以充分利用其资源优势,B正确;“煤变油”后,其主要的消费市场在东部经济发达地区,石油资源短缺对山西影响较小,A错误;山西在技术方面与东部地区相比,没有优势,C错误;输油管道的多少不是影响在山西布局“煤变油”工程的原因,D错误。故选B。第4题,1吨煤需要加2.5吨水,表明“煤变油”工程耗水量大,而山西降水少,水资源短缺,所以主要的制约因素为水资源短缺,C正确;限制因素指区域内缺乏的因素,工艺流程复杂、环境污染严重不是制约因素,A、B错误;消费市场在东部地区,市场广阔,D错误。故选C。
5.解析 第(1)题,台湾海峡风力资源丰富的原因可从海陆位置、下垫面、大气环流、季风影响、峡谷地形造成狭管效应等方面分析。台湾海峡地处亚欧大陆与太平洋之间,海陆之间热力差异大,冬、夏季风现象明显,中低纬度大陆东部,夏秋季节多台风,故一年四季风力较强;台湾海峡地区有独特的狭管效应,且该地区冬季盛行东北季风,主风向与台湾海峡走向一致,因此风力在该地区明显增大;海面上摩擦力小,也利于风速提高。第(2)题,依据材料二、三分析,我国建设海上风电的优势:接近东部经济发达地区,其对电力需求量大;邻近电力消费市场,便于供电,损耗小;海面风速大,切变小,风向稳定,风能质量高,有利于风电机更有效、更充分利用风能及减少风电机上的疲劳载荷,最终提高风电机的使用寿命及产生更多的电能,发电效率高;从年发电时数对比可知,海上风电年发电时间更长;海上风电项目可以减少对陆地土地资源的占用,非常适合大型风电场的建设,不必担心电磁波、噪声等对居民的影响。不足之处:海上气候环境恶劣,天气、海浪、潮汐等因素复杂多变,海底地质条件复杂,施工技术难度大,过程复杂,成本较高;海上风力发电机组面临着强风、波浪、海水腐蚀等多种考验,对设备损害大,对风电机组的支撑结构和叶片要求很高,所以运营和维护成本高;可能对海洋生态环境产生负面影响,会对鸟类迁徙路线和水下鱼类的活动产生影响。第(3)题,随着风电机组大型化、产业链国产化,叠加产业成熟度和规模效应,我国海上风电有望在“十四五”期间迎来快速发展。风能发电量的大幅提高,有利于改善我国能源消费结构,减少化石能源的消耗,尤其是煤炭的消耗,有利于减少温室气体的排放,减轻环境污染;风电机组大型化、产业链国产化有利于带动相关产业发展,增加就业机会;海上风电的快速发展,可为我国东部沿海经济发达地区补充能源,缓解电力供应紧张的局面。
答案 (1)受冬夏季风、海陆风和热带气旋影响,多大风;海面摩擦力小,风速快;海峡狭管效应强,增强风力。
(2)优势:靠近能源消费市场,电力需求大,消纳能力强;输电距离短,损耗小;风向稳定,对风机传动系统损耗小,机组寿命长;单机发电容量大,年发电时间长,发电效率高;充分利用海洋空间,不占用陆地土地资源。
不足:海上风浪大,海底地质条件复杂,施工技术难度大,建设成本高;强风(台风)、风暴潮、高盐度海水等对设备损害大,运营和维护成本高;可能对海洋生态环境产生负面影响。
(3)改善能源消费结构,减少碳排放(减少化石能源的消耗、减轻环境污染、实现碳达峰);带动相关产业发展,增加就业机会;为我国东部沿海经济发达地区提供有效的能源补充,缓解电力供应紧张的局面。
6~7.6.C 7.D 第6题,小型核反应堆产能较小,灵活性强,用途广泛,安全性强。第7题,大力研发多用途先进核能系统对技术要求高,成本相对较高;可以优化能源消费结构,但这是客观影响,不是主观目的;可以缓解环境污染问题,但不能解决环境污染问题;“多用途”即多方面都能利用,从而达到保障能源供应安全的目的。
8~9.8.D 9.C 第8题,分析材料可知,我国石油产量近年来波动下降,随着勘探技术的提高,探明的石油储量在增加,但不会导致石油产量下降,A、C错误;我国海外石油进口不稳定,进口渠道多元化,石油价格也不会持续降低,B错误;因石油进口不稳定,为保障石油供给安全,延长我国油田开采年限,故降低石油开采量,D正确。故选D。第9题,石油自给率=(我国石油产量/石油总使用量)×100%,我国石油产量同比变化率为负值,自给率无明显变化说明我国石油总体使用量也在降低,A错误;我国发电以火力发电为主,其中石油发电在我国所占比率一直非常低,B错误;新能源发展,燃油效率提升,能够减少石油的消耗,提高对石油的利用率,C正确;煤炭资源对环境污染比较严重,使用量逐渐减少,D错误。故选C。
10~11.10.B 11.C 第10题,东部沿海地区经济发达,能源需求量大,但是常规能源短缺,因此核电站建设目的是缓解当地能源供应紧张的状况,B正确;图中区域不是我国经济发达、科技领先的地区,A错误;核电站不适合建在人口稠密的地区,C错误;核电站能缓解能源不足,但不能解决矿产资源贫乏的问题,D错误。故选B。第11题,能源安全是我国目前一个紧迫而重大的问题,为保障我国能源安全,措施主要从开源、节流方面分析:参与国际能源开发,实现能源进口多元化;加大能源战略储备,提高能源供给安全性;倡导绿色消费,提高能源使用效率,都是可行的措施,①②④正确;而全面禁止采挖煤炭,不符合我国的国情,③错误。故选C。
12~13.12.A 13.C 第12题,甲、乙两地属于太阳能发电区域,冬至北京日落时,乙地大致也为日落时,甲地接近正午时刻,因此甲地发电量多于乙地,A正确;乙地和北京经度接近,夏至日太阳直射北半球,夏至北京日落时,乙地已经日落,因此发电量并非一天中最多的时刻,B错误;丙地冬季气温低、黑夜时间长甚至出现极夜现象,对电力需求大,且风力强劲,是一年中发电量最多的季节,C错误;丁地夏季,温差较小,风力较小,并非一年中发电量最多的季节,D错误。故选A。第13题,全球能源互联网能进行能源的优化配置,使全球能源安全水平上升,A错误;能源的消费格局主要与区域经济的发展有关,B错误;全球能源互联网是清洁能源在全球范围大规模开发、配置、利用的基础平台,因此通过全球能源互联网,可以打破以油气为基础的传统能源体系,提升新能源影响力,C正确;全球能源互联网可以增加清洁能源在全球范围大规模开发利用,能够缓解资源紧张、环境污染、气候变化等日益突出的问题,但不能彻底改变,D错误。故选C。
14.解析 第(1)题,从材料一中可以看出,2030年之后,天然气消费比重超过石油而居首位。其最主要的原因是相比石油,天然气对环境的污染较轻。第(2)题,从材料二中可以看出,日本能源进口依赖度较高,2000年与1973年相比石油消费比重下降;石油主要从中东进口,说明日本能源短缺,主要依赖进口,并且进口渠道单一。材料三说明了日本为拓宽进口渠道,争取铺设通往俄罗斯的石油管道,从俄罗斯进口石油,会减少对中东石油的依赖度。第(3)题,我国石油进口依赖度也不断升高,参照日本的经验,我国应该对外拓宽石油进口渠道,使能源来源多元化,大力发展新能源和可再生资源,对内节约能源,提高能源利用率。
答案 (1)石油对环境污染较严重,而天然气对环境污染较轻。
(2)石油进口渠道单一。
(3)能源来源多元化;大力发展新能源和可再生资源;节约能源,提高能源利用率。
人教版 (2019)选择性必修3 资源、环境与国家安全第二节 中国的能源安全同步测试题: 这是一份人教版 (2019)选择性必修3 资源、环境与国家安全第二节 中国的能源安全同步测试题,共9页。
地理选择性必修3 资源、环境与国家安全第二节 中国的能源安全练习: 这是一份地理选择性必修3 资源、环境与国家安全第二节 中国的能源安全练习,共10页。
高中地理人教版 (2019)选择性必修3 资源、环境与国家安全第二章 资源安全与国家安全第二节 中国的能源安全精品课堂检测: 这是一份高中地理人教版 (2019)选择性必修3 资源、环境与国家安全第二章 资源安全与国家安全第二节 中国的能源安全精品课堂检测,共11页。