2021学年第一节 认识有机化合物第2课时教案设计
展开eq \a\vs4\al([新教材内容有哪些]) eq \a\vs4\al([新课程标准是什么])
新知探究(一) 烷烃的性质[学考层级]
[自学新教材]
阅读教材,回答下列问题:
1.烷烃的物理性质
2.烷烃的化学性质
(1)稳定性
在通常情况下,烷烃比较稳定,与强酸、强碱或酸性高锰酸钾等强氧化剂不发生反应。
(2)燃烧反应
烷烃可以在空气中完全燃烧,发生氧化反应,生成二氧化碳和水,并放出大量的热。如:CH4燃烧的化学方程式为CH4+2O2eq \(――→,\s\up7(点燃))CO2+2H2O,现象为安静地燃烧,火焰呈淡蓝色。C3H8燃烧的反应为C3H8+5O2eq \(――→,\s\up7(点燃))3CO2+4H2O。
(3)高温分解
烷烃在较高温度下会发生分解反应,可获得一系列重要的化工基本原料和燃料。
如:CH4eq \(――→,\s\up7(高温))C+2H2
(4)取代反应(以甲烷为例)
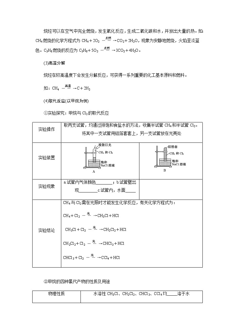
①实验探究:甲烷与Cl2的取代反应
②甲烷的四种氯代产物的性质及用途
③取代反应概念
有机物分子里的某些原子或原子团被其他 所替代的反应。
3.有机物的通性
(1)大多数有机物的熔点比较 ,且 溶于水, 溶于汽油、乙醇、苯等有机溶剂。
(2)大多数有机物容易 ,受热会发生 。
(3)有机物的化学反应比较复杂,常伴有副反应发生,很多反应需要在加热、光照或使用催化剂的条件下进行。
[落实新知能]
1.烷烃熔沸点变化规律:随碳原子数递增,熔沸点逐渐升高;碳原子数相同的烷烃,随支链增加,熔沸点降低。
2.烷烃完全燃烧的通式可表示为
CnH2n+2+eq \f(3n+1,2)O2eq \(――→,\s\up7(点燃))nCO2+(n+1)H2O。
3.烷烃的取代反应
[演练新学考]
1.下列有关烷烃的叙述中,正确的是( )
①在烷烃分子中,所有的化学键都是单键
②烷烃中除甲烷外,很多都能使酸性KMnO4溶液的紫色褪去
③分子通式为CnH2n+2的烃不一定是烷烃
④所有的烷烃在光照条件下都能与氯气发生取代反应
⑤光照条件下,乙烷通入溴水中,可使溴水褪色
⑥所有的烷烃都可以在空气中燃烧
A.①②③⑥ B.①④⑥
C.②③④ D.①②③④
2.关于烷烃性质的叙述中,不正确的是( )
A.烷烃同系物的熔沸点随分子内碳原子数的增多逐渐升高,常温下的状态由气态递变到液态,再递变到固态
B.烷烃同系物的密度随分子内碳原子数的增多而逐渐增大,从比水轻递变到比水重
C.烷烃跟卤素单质在光照下能发生取代反应
D.烷烃同系物都不能使溴水、酸性KMnO4溶液褪色
3.下列关于甲烷的叙述正确的是( )
A.甲烷分子的立体构型是正四面体,所以CH2Cl2有两种不同构型
B.甲烷可以与氯气发生取代反应,因此,可以使氯水褪色
C.甲烷能够燃烧,在一定条件下会发生爆炸,因此,是矿井安全的重要威胁之一
D.甲烷能使酸性KMnO4溶液褪色
4.有机物分子里的某些原子或原子团被其他原子或原子团所替代的反应叫取代反应。下列化学反应中不属于取代反应的是( )
A.CH2Cl2+Br2eq \(――→,\s\up7(光照))CHBrCl2+HBr
B.CH3OH+HCleq \(――→,\s\up7(光照))CH3Cl+H2O
C.CH3CH2OHeq \(――→,\s\up7(浓硫酸),\s\d5(170 ℃))CH2CH2↑+H2O
5.在光照条件下,CH4与Cl2能发生取代反应。使1 ml CH4与Cl2反应,待反应完全后测得四种有机取代产物
的物质的量之比n(CH3Cl)∶n(CH2Cl2)∶n(CHCl3)∶n(CCl4)=1∶2∶3∶4,则消耗的Cl2的物质的量为( )
A.1.0 ml B.2.0 ml
C.3.0 ml D.4.0 ml
新知探究(二) 烃的燃烧规律[选考层级]
[难度增一点]
[典例1] 等质量的下列烃完全燃烧,消耗氧气量最多的是( )
A.CH4 B.C2H6
C.C3H6 D.C6H6
[典例2] 在常温、常压下,取下列四种气态烃各1 ml,分别在足量的氧气中燃烧,消耗氧气最多的是( )
A.CH4 B.C3H8
C.C4H10 D.C2H6
[知能深一点]
1.气态烃完全燃烧体积变化的规律
CxHy+(x+eq \f(y,4))O2eq \(――→,\s\up7(点燃))xCO2+eq \f(y,2)H2O ΔV=V后-V前
1 x+eq \f(y,4) x eq \f(y,2)
(1)若反应后水为气态,ΔV=eq \f(y,4)-1。
当y>4,ΔV>0,气体总体积变大;
当y=4,ΔV=0,气体总体积不变,CH4、C2H4、C3H4符合;
当y<4,ΔV<0,气体总体积变小,只有C2H2符合。
(2)若反应后水为液态,ΔV=-(1+eq \f(y,4)),反应后气体体积始终减小,且减小量只与氢原子数有关。
2.等量的不同烃(CxHy)完全燃烧时的耗氧量与产物的量的关系
[说明] eq \f(y,x)越大,则烃中含氢元素的质量分数会越大,质量一定的烃,氢元素的质量就越多,碳元素的质量就越小,而等质量的氢元素和碳元素相比显然氢元素耗氧量多,所以等质量的烃,氢元素质量分数越大,耗氧量就越多,生成的水就越多。同理可以得出最简式相同的不同烃(或它们的混合物),质量一定时,耗氧量为定值,与各烃的含量无关。
[选考难一点]
1.120 ℃时,1体积某烃和4体积O2混合,完全燃烧后,恢复到原来的温度和压强,测得反应前后气体的体积不变。该烃分子中所含的碳原子数不可能是( )
A.1 B.2
C.3 D.4
2.a mL三种气态烃组成的混合物与足量氧气混合,点燃爆炸后,恢复到原来的状态(常温、常压),体积共缩小2a mL。则三种烃可能是( )
A.CH4、C2H4、C3H4 B.C2H6、C3H6、C4H6
C.CH4、C2H6、C3H8 D.C2H4、C2H2、CH4
3.有CH4、C2H6、C2H4、C3H8、C2H2五种气态烃。
(1)若取相同质量的上述各烃完全燃烧,消耗氧气最多的是______,生成CO2体积(相同状况)最大的是______。
(2)若取相同体积(相同状况)的上述各烃完全燃烧,消耗O2最多的是________,生成H2O最少的是________。
4.(1)请写出链状烷烃CnH2n+2(n≥1)在足量的氧气中充分燃烧的化学方程式:________________________________________________________________________。
有①甲烷、②乙烷、③丙烷、④丁烷4种烷烃
试回答下列各题(填序号):
(2)相同状况下,等体积的上述气态烃充分燃烧,消耗O2的量最多的是________。
(3)等质量的上述气态烃,在充分燃烧时,消耗O2的量最多的是________。
(4)10 mL某气态烃,在50 mL O2中充分燃烧,得到液态水,以及体积为35 mL的混合气体(所有气体体积均在同温、同压下测定)。该气态烃是________。
新知探究(三) 烃的氯代物同分异构体数目的判断[选考层级]
[难度增一点]
[典例1] 分子式为C5H11Cl的同分异构体共有( )
A.6种 B.7种
C.8种 D.9种
[典例2] 分子式为C3H6Cl2的有机物共有(不考虑立体异构)( )
A.2种 B.3种
C.4种 D.5种
[知能深一点]
1.烃的一氯代物同分异构体数目的判断——“等效氢法”
若烃有n种不同的等效氢,其一元取代物就有n种。
等效氢原子的确定原则:
(1)同一碳原子上的氢为等效氢。
2.烃的二氯代物同分异构体数目的判断——“定一移一法”
(1)先写出烃的同分异构体。
(2)然后再利用“定一移一”法,即先固定一个氯原子的位置,再移动另一个氯原子,以确定同分异构体的数目,同时要仔细考虑是否出现重复或遗漏的情况。
[选考难一点]
1.下列烷烃在光照下与氯气反应,生成的一氯代烃种类最多的是( )
2.分子式为C4H8Cl2的有机物有(不含立体异构)( )
A.7种 B.8种
C.9种 D.10种
3.下列烷烃在光照下与氯气反应,生成3种二氯代烃的是( )
4.分子式为C4H8BrCl的有机物共有(不含立体异构)( )
A.8种 B.10种
C.12种 D.14种
eq \a\vs4\al([课时跟踪训练])
A级—学业水平考试达标练
1.大多数有机化合物不具有的性质是( )
A.熔、沸点高 B.易燃烧
C.热稳定性差 D.反应慢且副反应多
2.下列叙述错误的是( )
A.通常情况下,甲烷跟强酸、强碱、强氧化剂不反应
B.甲烷是正四面体结构
C.甲烷跟氯气反应无论生成CH3Cl、CH2Cl2、CHCl3,还是CCl4,都属于取代反应
D.甲烷的四种取代产物常温下均为液体
3.下列烷烃的沸点如表所示:
根据以上数据推断丙烷的沸点可能是( )
A.约-40 ℃ B.低于-162 ℃
C.低于-89 ℃ D.高于+36 ℃
4.液化石油气中含有丙烷,且丙烷中C原子成键特点与CH4中碳原子相似,性质相似。下列有关丙烷的叙述中不正确的是( )
A.分子中碳原子不在一条直线上
B.光照下能够发生取代反应
C.丙烷与甲烷不是同系物
D.丙烷不能使酸性KMnO4溶液褪色
5.取一支硬质大试管,通过排饱和NaCl溶液的方法先后收集半试管甲烷和半试管氯气(如图),下列对于试管内发生的反应及现象的说法正确的是( )
A.反应过程中试管内黄绿色逐渐消失,试管壁上有油珠产生
B.甲烷和Cl2反应后的产物有4种
C.盛放饱和NaCl溶液的水槽底部不会有晶体析出
D.CH4和Cl2完全反应后液面上升,液体充满试管
6.有机物分子里的原子(或原子团)被其他原子(或原子团)所替代的反应叫做取代反应,下列反应中属于取代反应的是( )
A.AgNO3+HCl===AgCl↓+HNO3
B.CH4+2O2eq \(――→,\s\up7(点燃))CO2+2H2O
C.CH2Br2+Cl2eq \(――→,\s\up7(光))CHClBr2+HCl
D.CH3CH2OHeq \(――→,\s\up7(浓硫酸),\s\d5(170 ℃))CH2CH2↑+H2O
7.在标准状况下,22.4 L CH4与氯气在光照下发生取代反应,待反应完全后,测得四种有机取代产物的物质的量相等,则消耗的氯气为( )
A.0.5 ml B.2 ml
C.2.5 ml D.4 ml
8.分子式为C4H10的烃的一氯代物的同分异构体有( )
A.3种 B.4种
C.5种 D.6种
9.下列有关甲烷的取代反应的叙述正确的是( )
A.甲烷与氯气以物质的量之比1∶1混合时发生取代反应只生成CH3Cl
B.甲烷与氯气的取代反应产物中CH3Cl最多
C.甲烷与氯气的取代反应产物为混合物
D.1 ml甲烷生成CCl4,最多消耗2 ml氯气
10.将装有甲烷和氯气混合气体的三只集气瓶,用玻璃片把瓶口盖好后,分别作如下处理,各有怎样的现象发生?
(1)置于黑暗处_____________________________________________________________。
(2)将点燃的镁条靠近集气瓶外壁___________________________________________。
(3)放在光亮的教室里________________________________________________。
(4)甲烷和氯气发生的一系列反应都是______反应(填反应类型),生成的产物中常用做有机溶剂的是______,可用做灭火剂的是_________。
11.如图所示,U形管的左端被水和胶塞封闭有甲烷和氯气(体积比为1∶4)的混合气体(假定氯气在水中的溶解度可忽略),将该装置放置在有光亮的地方,让混合气体缓慢地反应一段时间。
(1)假设甲烷与氯气充分反应,且只产生一种有机物,请写出发生反应的化学方程式:_____________________________________________。
(2)若题目中甲烷与氯气的体积之比为1∶1,则得到的产物为_____(填标号)。
A.CH3Cl HCl
B.CCl4 HCl
C.CH3Cl CH2Cl2
D.CH3Cl CH2Cl2 CHCl3 CCl4 HCl
(3)经过几个小时的反应后,U形管右端的水柱变化是____(填标号)
A.升高 B.降低
C.不变 D.无法确定
(4)若水中含有Na2SiO3,则在U形管左端会观察到_____________________________。(已知硅酸是一种白色的难溶于水的弱酸)
(5)右端玻璃管的作用是_______________________________________________。
12.燃烧法是测定有机化合物分子式的一种重要方法。以下是通过燃烧法推断物质组成的过程,请回答下列问题:
(1)某物质A在氧气中完全燃烧只生成二氧化碳和水。则说明________(填字母)。
A.A一定是烃
B.A一定含有C、H两种元素,肯定不含氧元素
C.A一定含有C、H两种元素,可能含有氧元素
D.A一定含有C、H、O三种元素
(2)甲烷在空气中完全燃烧的化学方程式为________________________________________________________________________
________________________________________________________________________。
若2.24 L(标准状况下)甲烷完全燃烧后,将生成的气体通过足量碱石灰,那么碱石灰增重的质量是________g。
B级—选考等级考试增分练
1.下列化学式只表示一种物质的是( )
A.C3H7Cl B.C3H8
C.C2H4Cl2 D.C
2.硅与碳属于同族元素,有一类由Si和H形成的有机硅化合物称“硅烷”,硅烷的组成、结构与相应的烷烃相似。下列叙述中不正确的是( )
A.链状硅烷的通式为SinH2n+2(n≥1)
B.乙硅烷(SiH3SiH3)的二氯代物有两种同分异构体
C.甲硅烷(SiH4)沸点比甲烷(CH4)低
D.甲硅烷热稳定性小于甲烷
3.一定量的甲烷在O2不足的情况下燃烧,得到CO、CO2和H2O的总质量为14.4 g,若其中水的质量为7.2 g,则CO的质量是( )
A.2.8 g B.4.4 g
C.5.6 g D.在2.8 g~5.6 g之间
4.由两种气态烃组成的混合烃的总物质的量与该混合烃充分燃烧后所得气体产物(二氧化碳和水蒸气)的物质的量的变化关系如图所示,以下对混合烃组成的判断中正确的是( )
A.一定有乙烯 B.一定没有甲烷
C.一定有丙烷 D.一定没有乙烷
5.利用甲烷与氯气发生取代反应制取副产品盐酸的设想在工业上已成为现实。某化学兴趣小组通过在实验室中模拟上述过程,其设计的模拟装置如下:
根据设计要求回答:
(1)B装置有三种功能:①控制气流速度;②均匀混合气体;③____________。
(2)设V(Cl2)/V(CH4)=x,若理论上欲获得最多的氯化氢,则x值应________。
(3)D装置的石棉中均匀混有KI粉末,其作用是_________________________。
(4)E装置的作用是____________(填字母)。
A.收集气体 B.吸收氯气
C.防止倒吸 D.吸收氯化氢
(5)在C装置中,经过一段时间的强光照射,发现硬质玻璃管内壁有黑色小颗粒产生,写出置换出黑色小颗粒的化学方程式:__________________________________________。
(6)E装置除生成盐酸外,还含有有机物,从E中分离出有机物的最佳方法为________。该装置还有缺陷,原因是没有进行尾气处理,其尾气主要成分为________(填字母)。
a.CH4 b.CH3Cl c.CH2Cl2
d.CHCl3 e.CCl4
6.(1)完全燃烧0.1 ml某烃,燃烧产物依次通过浓硫酸、浓碱液,实验结束后,称得浓硫酸增重9 g,浓碱液增重17.6 g。该烃的化学式为____________,并写出其所有可能的结构简式:________________________________________________________________________。
(2)某链状烷烃的相对分子质量为128,该烷烃的化学式为__________________。
(3)在常温常压下有CH4、C2H6、C3H8和C4H10四种气态烃。
①取等物质的量的四种气态烃,分别在足量的氧气中燃烧,消耗氧气最多的是________________(填分子式)。
②取等质量的四种气态烃,分别在足量的氧气中燃烧,消耗氧气最多的是____________________(填分子式)。
1.了解烷烃的物理性质递变规律和有机化合物的通性。
2.以甲烷为代表学习烷烃的化学性质。
相似性
递变性(随碳原子数增加)
熔、沸点
较低
逐渐
密度
比水小
逐渐
状态
气态→液态→固态,
常温常压下碳原子数n≤4的烷烃为气态
溶解性
溶于水
实验操作
取两支试管,均通过排饱和食盐水的方法,收集半试管CH4和半试管Cl2。将其中一支试管用铝箔套套上,另一支试管放在光亮处
实验装置
实验现象
a.试管内气体颜色 ;b.试管壁出现 c.试管内,水面
实验结论
CH4与Cl2需在光照时才能发生化学反应,有关化学方程式为:
CH4+Cl2eq \(――→,\s\up7(光))CH3Cl+HCl
CH3Cl+Cl2eq \(――→,\s\up7(光))CH2Cl2+HCl
CH2Cl2+Cl2eq \(――→,\s\up7(光))CHCl3+HCl
CHCl3+Cl2eq \(――→,\s\up7(光))CCl4+HCl
物理性质
水溶性CH3Cl、CH2Cl2、CHCl3、CCl4均 溶于水
状态常温下除 是气态,其余三种均为 态
用途
和 是工业上重要的有机溶剂
反应条件
①和Cl2等卤素单质反应,跟氯水、溴水等不反应②在光照条件下进行
反应特点
多个连锁反应是同时进行的,得到多种烃的取代产物的混合物
等量关系
反应掉卤素单质的物质的量=生成卤化氢的物质的量=卤代产物中卤原子的物质的量
等质量
等物质的量
耗氧量
eq \f(y,x)越大,耗氧量越多
x+eq \f(y,4)越大,耗氧量越多
产物量
eq \f(y,x)越大,生成的CO2越少而水越多
x值越大,生成的CO2越多;y越大,生成的水越多
物质
甲烷
乙烷
丁烷
戊烷
沸点
-162 ℃
-89 ℃
-1 ℃
+36 ℃
高中人教版 (2019)第一节 认识有机化合物教学设计: 这是一份高中人教版 (2019)第一节 认识有机化合物教学设计,共6页。
人教版 (2019)必修 第二册第一节 认识有机化合物教案: 这是一份人教版 (2019)必修 第二册第一节 认识有机化合物教案,共7页。
高中化学人教版 (2019)必修 第二册第七章 有机化合物第一节 认识有机化合物教学设计: 这是一份高中化学人教版 (2019)必修 第二册第七章 有机化合物第一节 认识有机化合物教学设计,共3页。

