


2022年高三化学寒假素质提升测试:09物质性质的研究 Word版含答案
展开
这是一份2022年高三化学寒假素质提升测试:09物质性质的研究 Word版含答案,共12页。试卷主要包含了下列操作不能实现实验目的的是,下列有关物质存放方法错误的是,下述实验能达到预期目的的是,下列有关实验操作说法正确的是等内容,欢迎下载使用。
2.实验室制取下列气体的实验正确的是( )
3.下表中的实验操作能达到实验目的或能得出相应结论的是( )
4.实验是化学研究的基础,关于下列各实验装置图的叙述中,正确的是( )
A.装置①常用于分离沸点不同的液体混合物
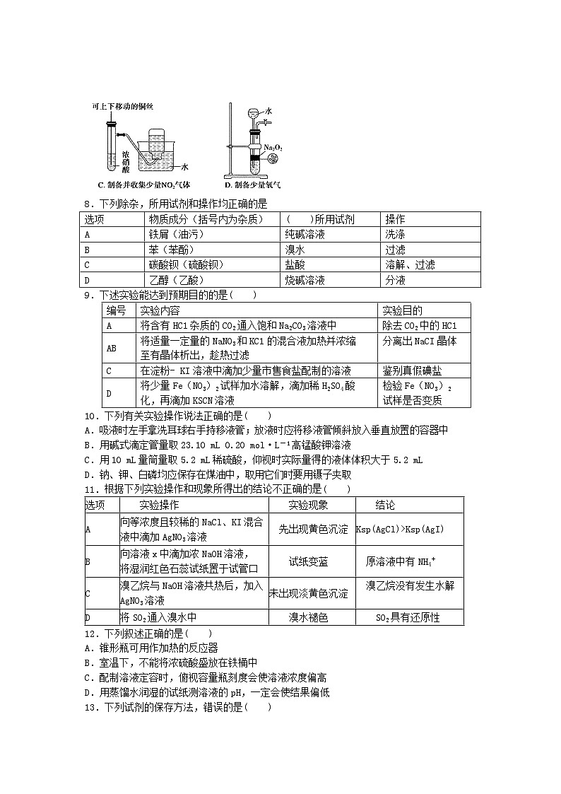
B.装置②用于吸收氨气,能够防止倒吸
C.以NH4Cl为原料,装置③可制备少量NH3
D.装置④从a口进气可收集Cl2、NO等气体
5.利用下图装置处理气体,保持瓶口向上,以下方法正确的是( )
A. 瓶内是干燥的,由b处进气,收集H2
B. 瓶内充满水,由a处进气,收集O2
C. 瓶内充满水,由a处进气,用来测量NH3的体积
D. 瓶内装入浓硫酸,由 b处进气,用来干燥H2S气体
6.下列有关物质存放方法错误的是( )
A.金属钠存放于煤油中
B.漂白粉长期放置在烧杯中
C.铝片长期放置在不密封的纸盒里
D.FeSO4溶液存放在加有少量铁粉的试剂瓶中
7.某课外实验小组设计的下列实验合理的是( )
8.下列除杂,所用试剂和操作均正确的是
9.下述实验能达到预期目的的是( )
10.下列有关实验操作说法正确的是( )
A.吸液时左手拿洗耳球右手持移液管;放液时应将移液管倾斜放入垂直放置的容器中
B.用碱式滴定管量取23.10 mL 0.20 ml·L-1高锰酸钾溶液
C.用10 mL量筒量取5.2 mL稀硫酸,仰视时实际量得的液体体积大于5.2 mL
D.钠、钾、白磷均应保存在煤油中,取用它们时要用镊子夹取
11.根据下列实验操作和现象所得出的结论不正确的是( )
12.下列叙述正确的是( )
A.锥形瓶可用作加热的反应器
B.室温下,不能将浓硫酸盛放在铁桶中
C.配制溶液定容时,俯视容量瓶刻度会使溶液浓度偏高
D.用蒸馏水润湿的试纸测溶液的pH,一定会使结果偏低
13.下列试剂的保存方法,错误的是( )
A.把浓硝酸放在棕色瓶中,并置于冷暗处保存
B.把AgNO3放在棕色瓶中保存
C.把NaOH溶液放在带橡皮塞的玻璃瓶中
D.把氢氟酸放在玻璃瓶中,把Na保存在煤油中
14.下述实验方案能达到实验目的的是( )
15.下列仪器中, 不能作反应容器的是( )
16. Cl2和H2O2是高中阶段最常见的两种氧化剂,经查阅资料Cl2氧化能力强于H2O2,能将H2O2氧化。为了验证该结论,学生设计了如下图所示的实验装置进行实验(夹持装置略去)。圆底烧瓶A中的反应方程式为2KMnO4+16HCl(浓)=2KCl+2MnCl2+5Cl2↑+8H2O,请回答下列问题。
(1)试管B中饱和食盐水的作用 ;
(2)试管C中加入5mL 30% 双氧水,发生反应的化学方程式____________________;
(3)试管D中充满10% NaOH溶液,NaOH溶液的作用是 ;
(4)将浓盐酸注入圆底烧瓶A,当装置中的空气基本排尽后关闭止水夹,反应一段时间后试管D中的现象为 ,试管D中的气体检验方法为________________ _ 。
17.某化学活动小组设计如下图所示(部分夹持装置已略去)实验装置,以探究潮湿的Cl2与Na2CO3反应得到的固体物质。
(1)装置A中发生反应的化学方程式是 。
(2)试剂Y是 ;作用是 。
(3)已知:通入一定量的氯气后,测得D中有一种常温下为黄红色的气体,其为含氯的氧化物。可以确定的是C中含有氯元素的盐只有一种,且含有NaHCO3,现对C中反应后固体的成分进行猜想和探究。
提出合理假设。
假设1:存在两种成分:NaHCO3和物质W;
假设2:存在三种成分:NaHCO3 、Na2CO3和物质W。
则上述假设中物质W为 (填化学式)。
设计方案,进行实验。请填写相应的实验步骤以及预期现象和结论。
限选实验试剂:稀H2SO4、稀HNO3、BaCl2溶液、Ba(OH)2溶液、AgNO3溶液。
(4)若假设l成立,已知C中有0.1ml Cl2参加反应,推知C中反应的化学方程式为 。
18.工业上常用铁质容器盛装冷浓硫酸。为研究铁质材料与热浓硫酸的反应,某学习小组进行了以下探究活动:
(1)将已去除表面氧化物的铁钉(碳素钢)放入冷浓硫酸中,10分钟后移入硫酸铜溶液中,片刻后取出观察,铁钉表面无明显变化,其原因是 。
(2)另称取铁钉6.0g放入15.0mL浓硫酸中,加热,充分反应后得到溶液X并收集到气体Y。
①甲同学认为X中除Fe3+外还可能含有Fe2+,若要确认其中的Fe2+,应选用 (选填序号)。
a.KSCN溶液和氯水 b.NaOH溶液
c.浓氨水 d.酸性KMnO4溶液
②乙同学取336mL(标准状况)气体Y通入足量溴水中,发生反应:SO2+Br2+2H2O=2HBr+H2SO4
然后加入足量BaCl2溶液,经适当操作后得干燥固体2.33g。由此推知气体Y中SO2的体积分数为 。
分析上述实验中SO2体积分数的结果,丙同学认为气体Y中还可能含有H2和Q气体。为此设计了下列探究实验装置(图中夹持仪器省略)。
(3)装置B中试剂的作用是 。
(4)认为气体Y中还含有Q的理由是 (用化学方程式表示)。
(5)为确认Q的存在,需在装置中添加M于 (选填序号)。
a.A之前 b.A-B间 c.B-C间 d.C-D间
(6)如果气体Y中含有H2,预计实验现象应是 。
19.乙醛能与银氨溶液反应析出银。如果条件控制适当,析出的银会均匀地分布在试管壁上,形成光亮的银镜,这个反应又叫银镜反应。银镜的光亮程度与反应条件有关。某课外活动小组同学在课外活动中对乙醛的银镜反应进行了探究。
Ⅰ.探究银镜反应的最佳实验条件的部分实验数据如下表:
请回答下列问题:
(1)若只进行实验1和实验3,其探究目的是 。
(2)推理当银氨溶液的量为1mL,乙醛的量为3滴,水浴温度为40℃,反应混合液pH为11时,出现银镜的时间范围是 。
(3)进一步实验还可探索 对出现银镜快慢的影响。
Ⅱ.探究对废液的回收处理:银氨溶液放久后会变成氮化银而引起爆炸,直接排放会污染环境,且造成银资源的浪费。通过查找资料,已知从银氨溶液中提取银的一种实验流程如下:
(4)操作④的方法是把Ag2S和铁粉放到烧杯中加浓盐酸搅拌煮沸,使Ag2S变成银粉,反应的化学方程式为 。过滤需要用到的玻璃仪器有 (填编号)。
(5)操作④应在 (填实验室设备名称)中进行。
(6)要洗去试管壁上的银镜,采用的试剂是 (填名称)。
20.以冶铝的废弃物铝灰为原料制取超细α-氧化铝,既降低环境污染又可提高铝资源的利用率。已知铝灰的主要成分为Al2O3(含少量杂质SiO2、FeO、Fe2O3),其制备实验流程如下:
(1)图中“沉铁”化学方程式为 。
(2)图中“过滤”后滤液中金属阳离子除了含有的Al3+,还含有 (填化学式)。
(3)加30%的H2O2溶液发生的离子反应方程式为 。
参考答案
1.B
试题分析:A.Na2S2O3的浓度不同,其它的都相同,因此可以比较浓度对化学反应速率的影响,正确;B. 配制银氨溶液时应该把稀氨水滴加到AgNO3溶液中至开始产生的沉淀恰好完全溶解为止,错误;C.通过左边的装置可以比较Al、Fe的活动性,通过右边的装置可以比较Fe、Cu的活动性,从而可以得到Al、Fe、Cu活动性的强弱。正确;D.在实验室就是通过加热氯化铵与氢氧化钙的混合物来制取氨气,并用向下排空气法来收集氨气的,正确。
考点:考查实验操作与实验目的的关系的知识。
2.C
A项,实验室用MnO2和浓HCl反应制Cl2,需加热,错误;B项,实验室制O2不能用电解水的方法,错误;D项,纯碱易溶于水,不能控制反应的进行,错误。
3.D
试题分析:A、氯化钠和碘化钾的量太小,沉淀转化现象不明显,错误;B、验证蔗糖的水解产物,应先加碱中和硫酸使溶液呈碱性后再加新制Cu(OH)2悬浊液,加热,错误;C、制取的硝基苯中含有苯、酸的杂质,所以需要经过水洗、碱洗、水洗、干燥后再蒸馏,得纯硝基苯,错误;D、稀硫酸的浓度不同,说明反应物的浓度不同,增大反应物浓度,可以增大单位体积的活化分子数,反应速率加快,反应物浓度不同,反应速率不同,正确,答案选D。
考点:考查对实验方案的评价
4.A
试题分析:A、装置①为蒸馏装置,常用于分离沸点不同的液体混合物,正确;B、装置②中氨气极易溶于水,与水直接接触,不能防止倒吸,错误;C、NH4Cl在试管底部受热分解生成的氨气和氯化氢在试管口又反应生成氯化铵,不可用装置③可制备NH3,错误;D、NO密度和空气接近且与空气中的氧气反应,不能用排空气法收集,错误。
考点:考查化学实验基本操作、实验方案的评价。
5.B
试题分析:A. 瓶内是干燥的,由b处进气,出口在上,是向上排空气,不能收集H2;B.瓶内充满水,由a处进气,收集O2,正确;C.瓶内充满水,NH3溶于水,不能用来测量NH3的体积;D.浓硫酸与H2S发生氧化还原反应,瓶内装入浓硫酸,不能用来干燥H2S气体。
考点:气体的性质与实验原理。
6.B
试题分析:A、金属钠保存在煤油中,正确;B、漂白粉放置在空气中能和CO2反应生成CaCO3,错误;C、铝的表面生成一层致密的氧化铝薄膜,阻止内部的铝被氧化,正确;D、硫酸亚铁容易被氧化生成三价铁,加入铁粉防止亚铁离子被氧化,正确。
考点:考查物质的储存
7.B
A项中不能在容量瓶中稀释浓硫酸;C项中NO2气体不能用排水法收集;D项中Na2O2为粉末状固体,且与水反应剧烈,不适合用简易启普发生器制取。
8.A
试题分析:A选项铁屑表面的油污可用碱性溶液洗涤,正确;B选项苯中有苯酚,加溴水生成的三溴苯酚会溶解在苯中,引入新的杂质,应该用氢氧化钠溶液,B错误;C选项碳酸钡中混有硫酸钡,加盐酸会与碳酸钡反应,错误;D选项乙醇中混有乙酸,若加烧碱会与乙酸反应,但生成物仍与乙醇互溶在水中,分液无法分离,错误,答案选A。
考点:考查物质的分离与提纯
9.B
试题分析:A、碳酸钠溶液也吸收CO2生成碳酸氢钠,应该用饱和碳酸氢钠溶液,A不正确;B、硝酸钠和氯化钾的溶解度受温度影响不同,可以通过结晶法分离,B正确;C、食盐中添加的是碘酸钾,在中性或碱性条件下与碘化钾不反应,不能鉴别,C不正确;D、在酸性条件下硝酸根能把亚铁离子氧化生成铁离子,因此先加入稀硫酸后一定产生铁离子,不能检验是否变质,D不正确,答案选B。
考点:考查实验方案设计与评价
10.C
试题分析:放液时应将移液管垂直放入垂直放置的容器中,A项错误;高锰酸钾溶液应盛装在酸式滴定管中,B项错误;量筒的小刻度在下,仰视读数会导致读数偏小,实际体积偏大,C项正确;白磷应保存在水中,D项错误。
考点:考查实验基本操作、仪器使用和药品保存等内容。
11.C
试题分析:A、向等浓度且较稀的NaCl、KI混合液中滴加AgNO3溶液,先出现黄色沉淀,说明Ksp(AgCl)>Ksp(AgI),正确;B、向溶液x中滴加浓NaOH溶液,将湿润红色石蕊试纸置于试管口,试纸变蓝,原溶液中有NH4+ ,正确;C、溴乙烷与NaOH溶液共热后,加入AgNO3溶液未出现淡黄色沉淀,原因是未加稀硝酸中和过量的氢氧化钠溶液,错误;D、将SO2通入溴水中,溴水褪色,说明SO2具有还原性,正确。
考点:考查实验方案的分析、评价。
12.A
试题分析:A项锥形瓶用作加热的反应器,正确;B项常温下铁遇浓硫酸发生钝化作用,能用铁桶盛放浓硫酸,错误;C项容量瓶只有刻度线,没有刻度,叙述错误;D项若溶液为中性或酸性溶液则所测得的pH不变或偏高,错误。
考点:考查化学实验基本操作。
13.D
试题分析:A、浓硝酸分解见光、受热易分解,所以把浓硝酸放在棕色瓶中,并置于冷暗处保存,正确;B、AgNO3见光易分解,所以把AgNO3放在棕色瓶中保存,正确;C、氢氧化钠与玻璃塞中的二氧化硅反应生成粘性较大的硅酸钠,所以把NaOH溶液放在带橡皮塞的玻璃瓶中,正确D、HF溶液与玻璃瓶中的二氧化硅反应,所以氢氟酸放在塑料瓶中,错误,答案选D。
考点:考查试剂的存放方法
14.D
试题分析:A、金属在中性条件下应发生吸氧腐蚀,不能验证铁钉发生了析氢腐蚀,错误;B、铁作阳极,发生氧化反应,失电子成为亚铁离子进入溶液,与K3[Fe(CN)6]溶液反应生成蓝色沉淀,Fe电极被腐蚀,错误;C、乙醇也能使酸性高锰酸钾溶液褪色,所以验证乙烯前应先除去乙醇,错误;D、氯气和甲烷在光亮处发生取代反应,使试管内的压强减小,试管内的液面上升,证明甲烷与氯气发生了化学反应,正确,答案选D。
考点:考查金属的腐蚀与防护,乙烯的制取及验证,甲烷的取代反应
15.C
试题分析:试管、锥形瓶和烧杯均可作反应容器,容量瓶用于配制一定物质的量浓度的溶液,不能作反应容器,选C。
考点:考查常见化学实验仪器的构造和使用。
16.(1)除去Cl2中混有的HCl; (2)Cl2+H2O2=2HCl+O2; (3)吸收多余的Cl2;
(4)试管D中液面下降,长颈漏斗中液面上升;该气体能使带火星的木条复燃,证明是氧气;
试题分析:(1)该实该验采用高锰酸钾固体和浓盐酸的方法制取氯气,产生的氯气中容易混有氯化氢气体,要除去氯化氢气体,所选的除杂试剂只能吸收氯化氢而不能吸收氯气,故可以使用饱和食盐水将其除去;
(2)Cl2氧化能力强于H2O2,试管C中氯气氧化过氧化氢生成氧气,自身被还原成氯化氢,反应为:Cl2+H2O2=2HCl+O2;
(3)氯气是一种有剧烈刺激性气味、有毒的气体,须进行尾气处理,试管D中充满10% NaOH溶液,氯气跟NaOH溶液反应Cl2+2NaOH=NaCl+NaClO+H2O,吸收多余的Cl2;
(4)Cl2+H2O2=2HCl+O2,当关闭止水夹,反应一段时间后试管D中因氧气不断增多,气体压强增大,所以试管D中液面下降,长颈漏斗中液面上升,氧气使带火星的木条复燃,可用此法验证氧气。
考点:考查氯气的实验实制法、卤素性质比较。
17.(16分)
(1)4HCl(浓)+MnO2 =加热= MnCl2+ 2H2O + Cl2↑(2分)
(2)饱和食盐水(2分) 除去氯气中的HCl气体(1分)
(3)① NaCl (2分)② 步骤2:向A试管中滴加 BaCl2溶液(2分)若无明显现象,证明固体中不含 Na2CO3。(1分) 若出现白色沉淀,证明固体中含有Na2CO3(2分)步骤3:向B试管中滴加足量的稀硝酸,再加入硝酸银溶液(2分)
(4)2Na2CO3 + 2Cl2 + H2O = 2NaCl + 2NaHCO3 + Cl2O(2分)
试题分析:(1)装置A是发生装置,目的是制取氯气:4HCl(浓)+MnO2 =加热= MnCl2+ 2H2O + Cl2↑;(2)在制备过程中,盐酸会挥发,影响反应结果,根据HCl极易溶于水的特点,选用饱和食盐水进行
去除,同时降低了氯气的溶解度;(3)根据元素守恒,W物质可能是NaCl,先验证是否含有Na2CO3,
因为NaHCO3 与氯化钡不反应,则若有白色沉淀则说明是BaCO3,则说明含NaHCO3,反之不含,步骤3 目
的是检测氯盐中氯离子,加入足量稀硝酸目的是排除CO32-的干扰;(4)若假设一成立,则反应为
Cl2+Na2CO3→NaHCO3+NaCl+X,D中为黄红色气体,且是含氯的氧化物,又根据氧化还原反应中电子的守
恒可推知C中反应生成的含氯氧化物为Cl2O;则反应的化学方程式为:2Cl2+H2O+2Na2CO3═
2NaHCO3+2NaCl+Cl2O.
考点:考查实验设计、离子检验和氧化还原反应中电子转移相关计算
18.(1)铁钉遇冷浓硫酸发生了钝化
(2)①d ②66.7%
(3)检验SO2是否除尽
(4)C +2H2SO4 (浓)CO2↑+ 2SO2↑+ 2H2O
(5)c (6)D中固体由黑变红和E中固体变蓝
试题分析:(1)因为在常温下,铁与冷浓硫酸发生钝化反应,铁的表面覆盖一层致密的氧化膜,所以将钝化的铁钉放入硫酸铜溶液中,无现象;
(2)①a、因为含有铁离子,若选择KSCN溶液和氯水,则铁离子的存在对亚铁离子的检验带来干扰,所以不能选择KSCN溶液和氯水来检验,错误;b、氢氧化钠与亚铁离子、铁离子均反应生成沉淀,且氢氧化铁为红褐色沉淀,所以不能判断氢氧化亚铁沉淀的存在,不能检验亚铁离子,错误;c、氨水与铁离子、亚铁离子的反应现象与氢氧化钠的相同,也不能检验亚铁离子,错误;d、亚铁离子检验还原性,可使酸性高锰酸钾溶液褪色,所以用酸性高锰酸钾溶液可检验亚铁离子,答案选d;
②2.33g固体为硫酸钡,其物质的量是2.33g/233g/ml=0.01ml,根据S元素守恒,则Y气体中二氧化硫的物质的量也是0.01ml,标准状况下的体积是0.01ml×22.4L/ml=0.224L=224ml,所以Y气体中二氧化硫的体积分数是224mL/336mL×100%=66.7%;
(3)因为确定Y气体中含有二氧化硫,所以装置A的作用是除去二氧化硫,B的主要是检验二氧化硫是否除尽;
(4)铁与热浓硫酸反应生成二氧化硫气体,与稀硫酸反应生成氢气,而还含有Q气体,说明Fe不纯。可能含有C杂质,而C与浓硫酸反应生成二氧化碳、二氧化硫、水,则Q为二氧化碳气体,化学方程式是C +2H2SO4 (浓) CO2↑+ 2SO2↑+ 2H2O;
(5)二氧化硫被除去后,若含有二氧化碳,则能使澄清石灰水变浑浊,而碱石灰能吸收二氧化碳,所以N装置应添加在B与C之间,答案选c;
(6)若Y中含有氢气,则氢气与氧化铜反应生成水和Cu,水可以用无水硫酸铜固体来检验,则看到的现象是D中固体由黑变红和E中固体变蓝。
考点:考查对Fe、C与浓硫酸反应的评价,实验的设计,化学方程式的书写,现象的判断
19.(14分,每空2分)
(1)比较乙醛用量不同时生成银镜的时间(速率或质量均可)
(2)6.5~9min
(3)银氨溶液的用量不同或pH不同(合理答案均可)
(4)Ag2S+Fe+2HCl2Ag+FeCl2+H2S↑ bef
(5)通风橱 (6)稀硝酸
试题分析:(1)若只进行实验1和实验3,实验1和实验3的不同点是乙醛的量不同,所以探究目的是比较乙醛用量不同时生成银镜的时间(速率或质量均可);
(2)水浴温度为40℃,其他条件与实验2、4相同,则出现银镜的时间在45℃~30℃温度之间,即出现银镜的时间范围是6.5~9min;
(3)轨迹表中的实验数据,银氨溶液和溶液的pH均相同,所以进一步实验还可探索银氨溶液的用量不同或pH不同对出现银镜快慢的影响;
(4)Ag2S和铁粉放到烧杯中加浓盐酸搅拌煮沸,使Ag2S变成银粉,同时有氯化亚铁和硫化氢生成,化学方程式是Ag2S+Fe+2HCl2Ag+FeCl2+H2S↑;过滤需要的玻璃仪器有烧杯、漏斗、玻璃棒,所以选择b、e、f;
(5)操作④中有氯化氢生成,硫化氢是有毒气体,所以该步应在通风厨中进行;
(6)Ag的化学性质不活泼,所以洗去试管壁上的银镜,只能选择稀硝酸。稀硝酸与银常温下反应生成硝酸银、NO、水。
考点:考查对探究实验方案的评价分析,化学方程式的书写,仪器的选择
20.(1)2K4[Fe(CN)6]+ Fe 2(SO4)3 = 2KFe[Fe(CN)6]↓+3K2SO4(2分)
(2)Fe2+ Fe3+(2分)
(3)2Fe2++H2O2+2H+ = 2Fe3++2H2O(2分)
试题分析:(1)由K4[Fe(CN)6]生成KFe[Fe(CN)6];(2)铁的氧化物和氧化铝溶于酸,二氧化硅不溶形成滤渣;(3)溶液中的亚铁离子不易除去,需把其氧化为铁离子再沉淀除去;考点:考查工业流程中的化学原理有关问题。
A. 目的:浓度对化学反应速率的影响
B. 目的:配制银氨溶液
C. 目的:比较Al、Fe、Cu活动性
D. 目的:实验室制取氨气
选项
实验内容
实验目的或实验结论
A
向盛有2 mL 0.1 ml/L AgNO3溶液的试管中滴加5滴0.1 ml/L NaCl溶液,有白色沉淀生成,再向其中滴加5滴0.1 ml/L KI溶液
说明一种沉淀能转化为溶解度更小的沉淀
B
向1 mL 20% 的蔗糖溶液中加入3~5滴稀硫酸,水浴加热5 min,冷却后再加入新制Cu(OH)2悬浊液,加热
证明蔗糖能发生水解反应
C
水浴加热浓硝酸、浓硫酸和苯的混合物后,直接蒸馏分液后得到的粗产品
制备纯硝基苯
D
室温下,分别向2支试管中加入相同体积、相同浓度的Na2S2O3溶液,再分别加入等体积不同浓度的稀硫酸
研究浓度对反应速率的影响
选项
物质成分(括号内为杂质)
( )所用试剂
操作
A
铁屑(油污)
纯碱溶液
洗涤
B
苯(苯酚)
溴水
过滤
C
碳酸钡(硫酸钡)
盐酸
溶解、过滤
D
乙醇(乙酸)
烧碱溶液
分液
编号
实验内容
实验目的
A
将含有HC1杂质的CO2通入饱和Na2CO3溶液中
除去CO2中的HC1
AB
将适量一定量的NaNO3和KC1的混合液加热并浓缩
至有晶体析出,趁热过滤
分离出NaCI晶体
C
在淀粉- KI溶液中滴加少量市售食盐配制的溶液
鉴别真假碘盐
D
将少量Fe(NO3)2试样加水溶解,滴加稀H2SO4酸
化,再滴加KSCN溶液
检验Fe(NO3)2
试样是否变质
选项
实验操作
实验现象
结论
A
向等浓度且较稀的NaCl、KI混合
液中滴加AgNO3溶液
先出现黄色沉淀
Ksp(AgCl)>Ksp(AgI)
B
向溶液x中滴加浓NaOH溶液,
将湿润红色石蕊试纸置于试管口
试纸变蓝
原溶液中有NH4+
C
溴乙烷与NaOH溶液共热后,加入
AgNO3溶液
未出现淡黄色沉淀
溴乙烷没有发生水解
D
将SO2通入溴水中
溴水褪色
SO2具有还原性
选项
A
B
C
D
实验
方案
食盐水
片刻后在Fe电极附近
滴入K3[Fe(CN)6]溶液
酸性KMnO4溶液
置于光亮处
实验
目的
验证铁钉发生了
析氢腐蚀
验证Fe电极被保护
验证乙烯的产生
验证甲烷与氯气发生了化学反应
相关试卷
这是一份2022年高三化学寒假素质提升测试:08物质的制备与合成 Word版含答案,共9页。试卷主要包含了下列说法正确的是,如图各装置不能达到实验目的的是,已知等内容,欢迎下载使用。
这是一份2022年高三化学寒假素质提升测试:07物质的检验与鉴别 Word版含答案,共12页。试卷主要包含了下列说法正确的是,下列实验可实现鉴别目的的是,下列除杂方法不正确的是,下列实验方案设计中,不可行的是,下列说法不正确的是等内容,欢迎下载使用。
这是一份2022年高三化学寒假素质提升测试:06物质的分离与提纯 Word版含答案,共10页。试卷主要包含了只用水就能鉴别的一组物质是,现有四组混合物分离实验等内容,欢迎下载使用。