


2022年高三化学寒假素质提升测试:05物质的定量分析 Word版含答案
展开
这是一份2022年高三化学寒假素质提升测试:05物质的定量分析 Word版含答案,共9页。
a.硫酸铜晶体中含有不挥发性杂质
b.在加热过程发现有黑色物质生成
c.加热时有晶体飞溅出来
d.加热失水后露置在空气中冷却
2.测定Cu(NO3)2∙nH2O的结晶水含量,下列方案中不可行的是( )
A.称量样品→加热→冷却→称量CuO
B.称量样品→加热→冷却→称量Cu(NO3)2
C.称量样品→加热→用已知质量的无水氯化钙吸收水蒸气并称量
D.称量样品→加NaOH→过滤→加热→冷却→称量CuO
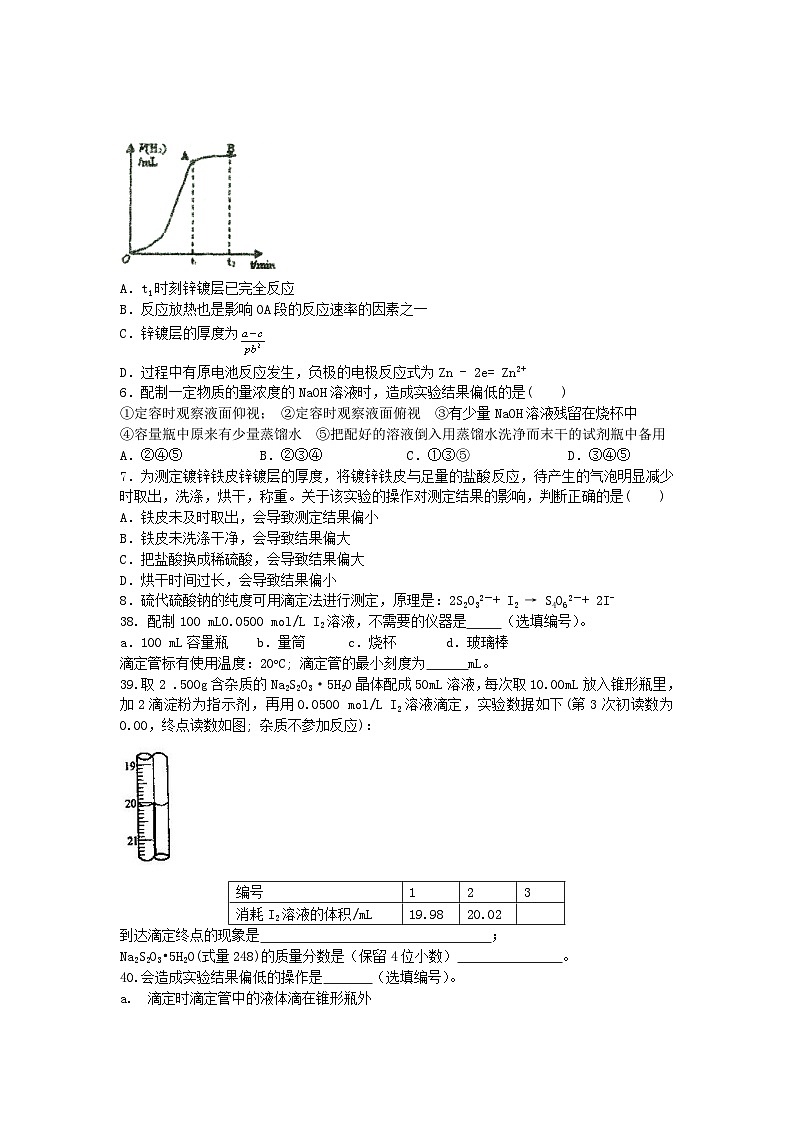
3.某学生用质量为a g,边长为b cm的正方形镀锌铁片与过量盐酸反应测定锌镀层的厚度,并将实验结果绘成曲线图。反应完毕铁片的质量为cg(已知锌的密度为ρ g/cm3)。下列叙述错误的是( )
A. t1时刻锌镀层已完全反应
B. 锌镀层的厚度为
C. 反应放热也是影响OA段反应速率的因素之一
D. 烘干时间过长,会导致测定结果偏小
4.下面是关于中和滴定的实验叙述,在横线标明的操作中,有错误的是( )
a.取25.00 mL未知浓度的HCl溶液放入锥形瓶中;b.此瓶需事先用蒸馏水洗净,并将该瓶用待测液润洗过;c.加入几滴酚酞作指示剂;d.取一支酸式滴定管,经蒸馏水洗净;e.直接往其中注入标准NaOH溶液,进行滴定;f.一旦发现溶液由无色变成粉红色,即停止滴定,记下数据。
A.d、e、f B.b、d、e、f
C.b、d、e D.b、c、e、f
5.某学生用质量为a g、边长为b cm的正方形均匀镀锌铁片与适置盐酸反应测定镀层厚度,并将实验过程绘图示意,反应至t2时刻时,铁片质量为c g(已知锌的密为g/cm3)。下列叙述错误的是( )
A.t1时刻锌镀层已完全反应
B.反应放热也是影响OA段的反应速率的因素之一
C.锌镀层的厚度为
D.过程中有原电池反应发生,负极的电极反应式为Zn - 2e= Zn2+
6.配制一定物质的量浓度的NaOH溶液时,造成实验结果偏低的是( )
①定容时观察液面仰视; ②定容时观察液面俯视 ③有少量NaOH溶液残留在烧杯中
④容量瓶中原来有少量蒸馏水 ⑤把配好的溶液倒入用蒸馏水洗净而末干的试剂瓶中备用
A.②④⑤ B.②③④ C.①③⑤ D.③④⑤
7.为测定镀锌铁皮锌镀层的厚度,将镀锌铁皮与足量的盐酸反应,待产生的气泡明显减少时取出,洗涤,烘干,称重。关于该实验的操作对测定结果的影响,判断正确的是( )
A.铁皮未及时取出,会导致测定结果偏小
B.铁皮未洗涤干净,会导致结果偏大
C.把盐酸换成稀硫酸,会导致结果偏大
D.烘干时间过长,会导致结果偏小
8.硫代硫酸钠的纯度可用滴定法进行测定,原理是:2S2O32-+ I2 → S4O62-+ 2I-
38. 配制100 mL0.0500 ml/L I2溶液,不需要的仪器是 (选填编号)。
a.100 mL容量瓶 b.量筒 c.烧杯 d.玻璃棒
滴定管标有使用温度:20C; 滴定管的最小刻度为 mL。
39.取2 .500g含杂质的Na2S2O3·5H2O晶体配成50mL溶液,每次取10.00mL放入锥形瓶里,加2滴淀粉为指示剂,再用0.0500 ml/L I2溶液滴定,实验数据如下(第3次初读数为 0.00,终点读数如图; 杂质不参加反应):
到达滴定终点的现象是 ;
Na2S2O3•5H2O(式量248)的质量分数是(保留4位小数) 。
40.会造成实验结果偏低的操作是 (选填编号)。
a. 滴定时滴定管中的液体滴在锥形瓶外
b. 锥形瓶用蒸馏水洗净后,立即装入待测溶液
c. 未用标准液润洗滴定管
d. 振荡时溶液溅出锥形瓶外
9.化学兴趣小组对某品牌牙膏中摩擦剂成分及其含量进行以下探究:
查得资料:该牙膏摩擦剂由碳酸钙、氢氧化铝组成;牙膏中其他成分遇到盐酸时无气体产生。
Ⅰ.摩擦剂中氢氧化铝的定性检验取适量牙膏样品,加水充分搅拌、过滤。
(1)往滤渣中加入过量NaOH溶液,过滤。氢氧化铝与NaOH溶液反应的离子方程式是________________________________。
(2)往(1)所得滤液中先通入过量二氧化碳,再加入过量稀盐酸。加入过量稀盐酸时观察到的现象是______________________________________________________。
Ⅱ.牙膏样品中碳酸钙的定量测定
利用如图所示装置(图中夹持仪器略去)进行实验,充分反应后,测定C中生成的BaCO3沉淀质量,以确定碳酸钙的质量分数。
依据实验过程回答下列问题:
(3)实验过程中需持续缓缓通入空气。其作用除了可搅拌B、C中的反应物外,还有 __。
(4)下列各项措施中,不能提高测定准确度的是________(填标号)。
a.在加入盐酸之前,应排净装置内的CO2气体
b.滴加盐酸不宜过快
c.在A~B之间增添盛有浓硫酸的洗气装置
d.在B~C之间增添盛有饱和碳酸氢钠溶液的洗气装置
(5)有人认为不必测定C中生成的BaCO3质量,只要测定装置C在吸收CO2前后的质量差,就可以确定碳酸钙的质量分数。实验证明按此方法测定的结果明显偏高,原因是__________________________________。
10.黄铜矿是工业炼铜的主要原料,其主要成分为CuFeS2,现有一种天然黄铜矿(含SiO2),为了测定该黄铜矿的纯度,某同学设计了如下实验:
现称取研细的黄铜矿样品1.84 g,在空气存在下进行煅烧,生成Cu、Fe3O4和SO2气体,实验后取d中溶液的置于锥形瓶中,用0.05 ml/L标准碘溶液进行滴定,消耗标准溶液20 mL。请回答下列问题:
(1)将样品研细后再反应,其目的是 。
(2)装置a和c的作用分别是_ ___和__ __(填标号,可以多选)。
a.除去SO2气体
b.除去空气中的水蒸气
c.有利于气体混合
d.有利于观察空气流速
e.除去反应后多余的氧气
(3)上述反应结束后,仍需通一段时间的空气,其目的是 。
(4)通过计算可知,该黄铜矿的纯度为 。
(5)若用下图装置替代上述实验装置d,同样可以达到实验目的的是 (填序号)。
(6)若将原装置d中的试液改为Ba(OH)2,测得的黄铜矿纯度会产生误差,假设实验操作均正确,可能的原因主要有_______________________________________。
11.(14分) 为研究铜与浓硫酸的反应,某化学兴趣小组进行如下实验。
实验I反应产物的定性探究
按下图装置(固定装置已略去)进行实验
(1)A中反应的化学方程式为:
(2)F烧杯中的溶液通常是 。
(3)实验过程中,能证明浓硫酸中硫元素的氧化性强于氢元素的现象是
(4)实验结束后,证明A装置试管中反应所得产物是否含有铜离子的操作方法是 。
(5)为说明浓硫酸中的水是否影响B装置现象的判断,还须进行一次实验。实验方案为
实验Ⅱ 反应产物的定量探究
(6)在铜与浓硫酸反应的过程中,发现有黑色物质出现,经查阅文献获得下列资料。
资料1:
资料2:X射线晶体分析表明,铜与浓硫酸反应生成的黑色物质为Cu2S、CuS、Cu7S4中的一种或几种。
仅由上述资料可得出的正确结论是 。
a.铜与浓硫酸反应时所涉及的反应可能不止一个
b.硫酸浓度选择适当,可避免最后产物中出现黑色物质
c.该反应发生的条件之一是硫酸浓度≥15 ml·L-1
d.硫酸浓度越大,黑色物质越快出现、越难消失
(7)为测出硫酸铜的产率,将该反应所得溶液中和后配制成250.00 mL溶液,取该溶液25.00 mL加入足量KI溶液振荡,以淀粉溶液为指示剂,用b ml·L-1Na2S2O3溶液滴定生成的I2,3次实验平均消耗该Na2S2O3溶液V mL。若反应消耗铜的质量为ag,则硫酸铜的产率为 。 (已知:2Cu2++4I-=2CuI+I2,2S2O32-+I2=S4O62-+2I-)
参考答案
1.45.b、c
试题分析:a中硫酸铜晶体中含有不挥发性杂质,导致水减少,X值偏小,错误;b中在加热过程发现有黑色物质生成,说明硫酸铜受热分解生成了氧化铜,导致水增多,X偏大,正确;c中加热时有晶体飞溅出来,导致质量减少,水增多,X值偏大,正确;d中加热失水后露置在空气中冷却,又会吸水,导致质量增加,水减少,X正偏小,选bc。
考点:考查误差分析。
2.BC
试题分析:A、D项通过称量稳定的CuO,可以通过称得的质量求出Cu(NO3)2∙nH2O的物质的量n Cu(NO3)2,然后再根据n Cu(NO3)2×(MCu(NO3)2+18n)=m样 可以求出结晶水系数n,AD正确;B项错在Cu(NO3)2 受热易分解,所以称量Cu(NO3)2 的质量不准确;C错在水蒸气有可能吸收不完全;所以选BC。
考点:本题考查的是结晶水合物中结晶水的计算。
3.B
试题分析:A、在盐酸中,Zn与Fe构成原电池。Zn的活泼性比Fe的强,Zn失去电子被氧化,锌是负极。随着Zn的消耗,原电池作用减弱,反应速率减慢。因此当反应速率显著减小时,说明Zn与盐酸反应完成,A正确;B、镀锌铁片是ag,铁是cg,则锌的质量为(a-c)g,锌的密度为ρ g/cm3,则锌的体积为(a-c)g÷ρg/cm3=(a-c)/ρcm3。边长为bcm的正方形镀锌铁片,锌片面积为2b2cm2,所以锌镀层的厚度=(a-c)/ρcm3÷2b2cm2=(a-c)/2ρb2cm,B错误;C、反应OA段速率加快,这说明反应放热使OA段的反应速率加快,C正确;D、烘干时间过长,导致部分铁被氧化,因此c偏大,则测定结果偏小,D正确,答案选B。
考点:考查测定测定锌镀层的厚度有关分析与判断
4.B
试题分析:a.将待测溶液放入锥形瓶中;正确。b.锥形瓶不能润洗。错误。c.用已知浓度的碱来滴定未知浓度的酸,加入几滴酚酞作指示剂;正确。d.已知浓度的碱有关用碱式滴定管盛装;错误。;e.滴定管用水洗涤后应该用标准溶液润洗,然后再进行滴定;错误。f.当发现溶液由无色变成粉红色,半分钟内颜色不褪色,即停止滴定。错误。因此错误的说法是b.d.e、f 。选项是B。
考点:考查酸碱中和滴定的操作方法、正误判断的知识。
5.C
试题分析:A、若存在锌时,形成铁锌原电池,反应速率更快,如果镀锌层完全反应,则反应为Fe与盐酸的置换反应,反应速率比原电池反应速率慢,根据图像可知t1时刻,反应速率减慢,所以t1时刻锌镀层已完全反应,正确;B、活泼金属与酸反应放热,温度升高,反应速率加快,所以反应放热也是影响OA段的反应速率的因素之一,正确;C、铁片两面都要镀锌,设锌镀层的厚度为x,可得:2×b2•x•ρ=(a—c),解得x=(a-c)/(2 b2ρ),错误;D、Zn、Fe与盐酸形成原电池,Zn在负极上失去电子,电极方程式为:Zn - 2e= Zn2+,正确。
考点:本题考查原电池原理、化学反应速率的影响因素、图像的分析。
6.C
试题分析:①定容时观察液面仰视;溶液的体积偏大,则溶液的浓度就偏低。正确。②定容时观察液面俯视,溶液的体积偏小,则溶液的浓度就偏高。错误。③有少量NaOH溶液残留在烧杯中,使溶质的质量偏少,溶液的浓度就偏低。正确。④容量瓶中原来有少量蒸馏水,对溶液的浓度无任何影响。错误。⑤把配好的溶液倒入用蒸馏水洗净而末干的试剂瓶中备用,水对配制好的溶液起到了稀释作用,是溶液的浓度偏低。正确。因此造成实验结果偏低的是①③⑤。选项的C。
考点:考查物质的量浓度的溶液的配制的误差分析的知识。
7.D
试题分析:.铁皮未及时取出,会有部分铁溶解,会导致测定结果偏大,故A错误;铁皮未洗涤干净,会造成铁的质量增大,会导致测定结果偏小,故B错误;把盐酸换成稀硫酸,结果没影响,故C错误;烘干时间过长,部分铁氧化,会造成铁的质量增大,会导致测定结果偏小,故D正确。
考点:本题考查基本实验操作。
8.38.b(1分);0.1(1分).
39.溶液由无色变为蓝色,且半分钟内不褪去(1分,不答全不给分);0.9920或99.20%(1分).
40.d(1分)
试题分析:38. 配制100 mL0.0500 ml/L I2溶液,I2需要称量,不需要的仪器是量筒。滴定管的最小刻度为0.1mL。
39.指示剂为淀粉,遇I2变蓝,故到达滴定终点的现象是溶液由无色变为蓝色,且半分钟内不褪去。
取2 .500g含杂质的Na2S2O3·5H2O晶体配成50mL溶液,每次取10.00mL放入锥形瓶里,样品为0.500g;第3次多数为20.10mL,数值与前两次相差较大,舍去。
由2S2O32-+ I2 → S4O62-+ 2I-
n(Na2S2O3·5H2O)=2n(I2)=2×0.0500 ml/L××10-3L=0.002ml
故ω(Na2S2O3·5H2O)= ×100%=99.2%。
40.a.滴定时滴定管中的液体滴在锥形瓶外,滴定读数偏大,实验结果高;b.锥形瓶用蒸馏水洗净后,立即装入待测溶液,Na2S2O3的计量不变,实验无误差;c.未用标准液润洗滴定管,因滴定管内壁附有水,加入的标准液被稀释,故滴定需要的体积偏大,实验结果高;d.振荡时溶液溅出锥形瓶外,Na2S2O3被损失,滴定需要的标准液体积偏小,实验结果低。
考点:滴定实验原理应用与计算。
9.每空2分,共10分
(1)Al(OH)3+OH-===[Al(OH)4]-
(2)有气体产生、白色沉淀溶解
(3)把生成的CO2全部排入C中,使之完全被Ba(OH)2溶液吸收
(4) c、d
(5) B中的水蒸气、HCl气体等进入装置C中(或其他合理答案)
试题分析:(1)氢氧化铝与氢氧化钠溶液反应生成四羟基合铝酸钠和水,氢氧化铝是难溶电解质,不能拆开,所以离子方程式是Al(OH)3+OH-===[Al(OH)4]-;
(2)四羟基合铝酸钠与二氧化碳反应生成白色氢氧化铝沉淀和碳酸氢根离子,再加入稀盐酸,则白色沉淀溶解,同时有气体产生;
(3)空气通过氢氧化钠溶液后除去其中的二氧化碳,持续通入的目的是将B中生成的二氧化碳气体全部排入C中,使之完全被Ba(OH)2溶液吸收,减小误差;
(4)a.在加入盐酸之前,应排净装置内的CO2气体,可以提高测定准确度,错误;b.滴加盐酸不宜过快,使样品中的碳酸钙与稀盐酸充分反应,尽可能产生二氧化碳气体,可以提高测定准确度,错误;c.在A~B之间增添盛有浓硫酸的洗气装置,后面的实验中仍有溶液存在,所以该不操作无意义,不能提高测定准确度,正确;d.在B~C之间增添盛有饱和碳酸氢钠溶液的洗气装置,则盐酸挥发的HCl与碳酸氢钠反应液产生二氧化碳气体,使进入C中的二氧化碳增多,误差增大,错误,答案选cd;
(5)因为B装置中剩余的不仅是反应后的溶液,还有挥发的HCl气体,空气中的氮气、水蒸气等气体,使B装置的质量增加,结果偏高。
考点:考查对探究实验的分析与评价,误差的分析
10.(14分)
(1)增大接触面积,使原料充分反应、加快反应速率
(2)b、d e
(3)使反应生成的SO2全部进入d装置中,使结果精确
(4)50%
(5)②
(6)空气中的CO2与Ba(OH)2反应生成BaCO3沉淀;BaSO3被氧化成BaSO4
试题分析:(1)将样品研细的目的是增大接触面积,使原料充分反应、加快反应速率。
(2)浓硫酸能除去空气中的水蒸气,且洗气瓶有利于观察空气流速,所以装置a的作用选b、d;灼热铜网的目的是除去反应后多余的氧气,则装置c的作用选e;
(3)反应结束后,仍需通入一段时间的空气,目的是使反应生成的SO2全部进入d装置中,使结果精确;
(4)根据n=c•V可知n(I2)=0.05 ml/L×0.02 L=0.001 ml,碘滴定过程中发生的反应为I2+SO2+2H2O=4H++2I—+SO42—,再根据硫原子守恒可知CuFeS2~2SO2得关系式为:CuFeS2~2I2
则其纯度为[(0.001÷2)×10]ml×184 g/ml÷1.84 g×100%=50%;
(5)SO2不能与BaCl2反应,①错误;SO2与Ba(NO3)2 溶液反应,生成白色的硫酸钡沉淀,过滤、干燥、称取沉淀的质量,可以测定样品的纯度,②正确;SO2不能与NaHSO3 溶液反应,③错误;选②。
(6)空气中的CO2与Ba(OH)2反应生成BaCO3 沉淀或者BaSO3 被氧化成BaSO4 ,这些因素都可能导致误差。
考点:考查影响化学反应速率的因素,测定样品的纯度,实验基本操作与计算等知识。
11.(14分)(1) Cu +2H2SO4(浓)===CuSO4 + SO2+ 2H2O (2分)
(2)NaOH溶液(或KMnO4溶液等) (2分)
(3)D装置中黑色固体颜色无变化,E中溶液褪色 (2分)
(4)将A装置中试管内冷却的混合物沿杯壁(或玻璃棒)缓缓倒入盛有水的烧杯中,并不断搅拌 (2分)
(5)使用上述装置,不放入铜丝进行实验,观察无水硫酸铜是否变蓝 (2分)
(6)abd
(7)(64bV/a)% (2分)
试题分析:⑴铜与浓硫酸的反应Cu +2H2SO4(浓) △CuSO4 + SO2↑+ 2H2O,故答案为:Cu +2H2SO4(浓) △CuSO4 + SO2↑+ 2H2O;⑵F为尾气吸收装置,通常用NaOH溶液或KMnO4溶液,答案:NaOH溶液(或KMnO4溶液等);⑶如果有H2产生,则D中固体变红,E溶液不褪色,所以如产生SO2,则D装置中黑色固体颜色无变化,E中溶液褪色,证明浓硫酸中硫元素的氧化性强于氢元素。答案:D装置中黑色固体颜色无变化,E中溶液褪色;⑷含有Cu2+ 的稀溶液的颜色为蓝色,所需的操作是将含浓硫酸的混合溶液稀释。答案:将A装置中试管内冷却的混合物沿杯壁(或玻璃棒)缓缓倒入盛有水的烧杯中,并不断搅拌。⑸控制反应条件,使反应不产生SO2,进行对比实验。答案:使用上述装置,不放入铜丝进行实验,观察无水硫酸铜是否变蓝。⑹a正确,反应中有黑色的固体产生,生成物不止一种,反应不止一个;b从资料1的表中看出浓硫酸浓度在16ml/L以下时,加热后黑色的固体可能消失,b正确;c反应只要是浓硫酸,资料中没有强调硫酸浓度≥15 ml·L-1,c不正确;d从表中看出.硫酸浓度越大,黑色固体出现的温度越低,黑色物质越快出现、消失所需温度越高,甚至不消失,d正确,选a b d.。
⑺ 根据方程式2Cu2++4I-=2CuI+I2,2S2O32-+I2=S4O62-+2I-,
得关系式Cu2+ ― S2O32―
c×25 bv
n(Cu2+ )=
则硫酸铜的产率为:实际产量÷理论产量×100%=
考点:元素化合物知识、基本实验实验、化学反应原理、氧化还原反应、化学计算等综合性较强。中等难度。
编号
1
2
3
消耗I2溶液的体积/mL
19.98
20.02
相关试卷
这是一份2022年高三化学寒假素质提升测试:09物质性质的研究 Word版含答案,共12页。试卷主要包含了下列操作不能实现实验目的的是,下列有关物质存放方法错误的是,下述实验能达到预期目的的是,下列有关实验操作说法正确的是等内容,欢迎下载使用。
这是一份2022年高三化学寒假素质提升测试:08物质的制备与合成 Word版含答案,共9页。试卷主要包含了下列说法正确的是,如图各装置不能达到实验目的的是,已知等内容,欢迎下载使用。
这是一份2022年高三化学寒假素质提升测试:07物质的检验与鉴别 Word版含答案,共12页。试卷主要包含了下列说法正确的是,下列实验可实现鉴别目的的是,下列除杂方法不正确的是,下列实验方案设计中,不可行的是,下列说法不正确的是等内容,欢迎下载使用。