


(全国版)高考物理一轮复习讲义第9章 实验十一 练习使用多用电表(含解析)
展开实验十一 练习使用多用电表
目标要求 1.了解多用电表的构造和工作原理.2.会用多用电表测量电压、电流.3.测量定值电阻和二极管的正负极.4.会用多用电表进行简单的电路故障分析.
实验技能储备
1.认识多用电表
(1)多用电表可以用来测量电流、电压、电阻等,并且每一种测量项目都有几个量程.
图1
(2)外形如图1所示:上半部分为表盘,表盘上有电流、电压、电阻等多种量程的刻度;下半部分为选择开关,它的四周刻有各种测量项目和量程.
多用电表面板上还有:欧姆表的欧姆调零旋钮(使电表指针指在右端零欧姆处)、指针定位螺丝(使电表指针指在左端的“0”位置)、表笔的正、负插孔(红表笔插入“+”插孔,黑表笔插入“-”插孔).
2.用多用电表测量小灯泡的电压和电流
按如图2甲所示的电路图连好电路,将多用电表选择开关置于直流电压挡,测小灯泡两端的电压.
图2
按如图乙所示的电路图连好电路,将选择开关置于直流电流挡,测量通过小灯泡的电流.
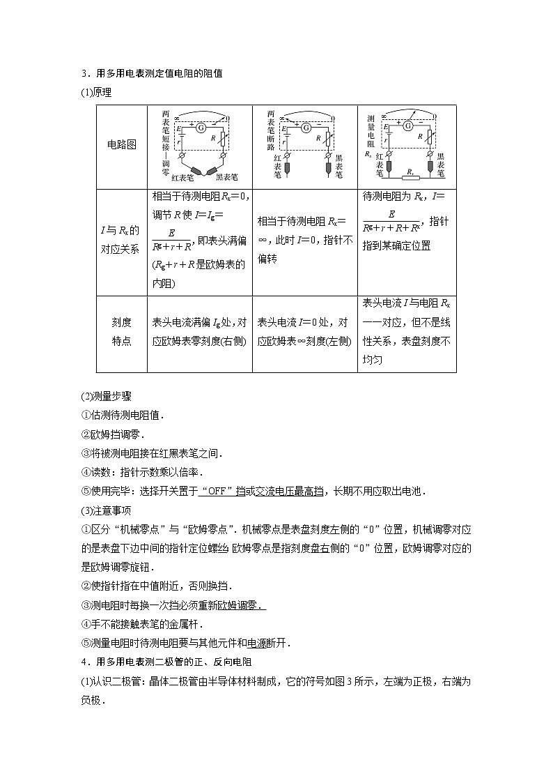
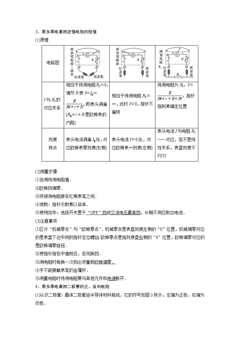
3.用多用电表测定值电阻的阻值
(1)原理
电路图 | |||
I与Rx的对应关系 | 相当于待测电阻Rx=0,调节R使I=Ig=,即表头满偏(Rg+r+R是欧姆表的内阻) | 相当于待测电阻Rx=∞,此时I=0,指针不偏转 | 待测电阻为Rx,I=,指针指到某确定位置 |
刻度 特点 | 表头电流满偏Ig处,对应欧姆表零刻度(右侧) | 表头电流I=0处,对应欧姆表∞刻度(左侧) | 表头电流I与电阻Rx一一对应,但不是线性关系,表盘刻度不均匀 |
(2)测量步骤
①估测待测电阻值.
②欧姆挡调零.
③将被测电阻接在红黑表笔之间.
④读数:指针示数乘以倍率.
⑤使用完毕:选择开关置于“OFF”挡或交流电压最高挡,长期不用应取出电池.
(3)注意事项
①区分“机械零点”与“欧姆零点”.机械零点是表盘刻度左侧的“0”位置,机械调零对应的是表盘下边中间的指针定位螺丝;欧姆零点是指刻度盘右侧的“0”位置,欧姆调零对应的是欧姆调零旋钮.
②使指针指在中值附近,否则换挡.
③测电阻时每换一次挡必须重新欧姆调零.
④手不能接触表笔的金属杆.
⑤测量电阻时待测电阻要与其他元件和电源断开.
4.用多用电表测二极管的正、反向电阻
(1)认识二极管:晶体二极管由半导体材料制成,它的符号如图3所示,左端为正极,右端为负极.
图3
特点:当给二极管加正向电压时电阻很小,当给二极管加反向电压时电阻很大.
(2)用多用电表测二极管的正、反向电阻
①测二极管正向电阻:将多用电表的选择开关选至低倍率的欧姆挡,欧姆调零之后将黑表笔接触二极管的正极,红表笔接触二极管的负极(如图4甲).
②测二极管反向电阻:将多用电表的选择开关选至高倍率的欧姆挡,欧姆调零之后将黑表笔接触二极管的负极,红表笔接触二极管的正极(如图乙).
图4
使用二极管前,常常需要辨明它的正负极,若标识模糊,可用欧姆表测量两个方向的电阻判断二极管的正负极.
考点一 教材原型实验
欧姆表的原理和使用
例1 图5(a)为多用电表的示意图,其中S、K、T为三个可调节的部件,现用此电表测量一阻值约1 000 Ω的定值电阻.
图5
(1)测量的某些操作步骤如下:
①调节可调部件________,使电表指针停在________(选填“电流0刻度”“欧姆0刻度”)位置.
②调节可调部件K,使它的尖端指向________(选填“×1 k”“×100”“×10”“×1”)位置.
③将红、黑表笔分别插入“+”“-”插孔,笔尖相互接触,调节可调部件________,使电表指针指向________(选填“电流0刻度”“欧姆0刻度”)位置.
④将红、黑表笔笔尖分别接触待测电阻的两端,当指针稳定后,读出表头的示数,如图(b)所示,再乘以可调部件K所指的倍率,得出该电阻的阻值Rx=________.
⑤测量完毕,应调节可调部件K,使它的尖端指向“OFF”或交流电压“×500”位置.
(2)欧姆挡进行调零后,用“×10”挡测量另一个阻值未知的电阻,发现指针偏转角度很小,则下列说法和做法中正确的是________.
A.这个电阻的阻值较小
B.这个电阻的阻值较大
C.为测量更准确些,电表应当换用欧姆“×1”挡,并且重新调零后进行测量
D.为测量更准确些,电表应当换用欧姆“×100”挡,并且重新调零后进行测量
答案 (1)①S 电流0刻度 ②×100 ③T 欧姆0刻度 ④1 100 Ω (2)BD
多用电表的原理和使用
例2 (2017·全国卷Ⅲ·23)图6(a)为某同学组装完成的简易多用电表的电路图.图中E是电池;R1、R2、R3、R4和R5是固定电阻,R6是可变电阻;表头的满偏电流为250 μA,内阻为480 Ω.虚线方框内为换挡开关,A端和B端分别与两表笔相连.该多用电表有5个挡位,5个挡位为:直流电压1 V挡和5 V挡,直流电流1 mA挡和2.5 mA 挡,欧姆×100 Ω挡.
图6
(1)图(a)中的A端与________(填“红”或“黑”)色表笔相连接.
(2)关于R6的使用,下列说法正确的是________(填正确答案标号).
A.在使用多用电表之前,调整R6使电表指针指在表盘左端电流“0”位置
B.使用欧姆挡时,先将两表笔短接,调整R6使电表指针指在表盘右端电阻“0”位置
C.使用电流挡时,调整R6使电表指针尽可能指在表盘右端电流最大位置
(3)根据题给条件可得R1+R2=________Ω,R4=________Ω.
(4)某次测量时该多用电表指针位置如图(b)所示.若此时B端是与“1”相连的,则多用电表读数为__________;若此时B端是与“3”相连的,则读数为________;若此时B端是与“5”相连的,则读数为____________.(结果均保留3位有效数字)
答案 (1)黑 (2)B (3)160 880 (4)1.47 mA
1.10 kΩ 2.94 V
解析 (1)当B端与“3”连接时,内部电源与外部电路形成闭合回路,电流从A端流出,故A端与黑色表笔相连接.
(2)在使用多用电表之前,调整表头指针定位螺丝使电表指针指在表盘左端电流“0”位置,选项A错误;使用欧姆挡时,先将两表笔短接,调整R6使电表指针指在表盘右端电阻“0”位置,选项B正确;使用电流挡时,电阻R6不在闭合电路中,调节无效,选项C错误.
(3)根据题给条件可知,当B端与“2”连接时,表头与R1、R2组成的串联电路并联,此时为量程1 mA的电流挡,由并联电路两支路电流与电阻成反比知,==,解得R1+R2=160 Ω.
当B端与“4”连接时,表头与R1、R2组成的串联电路并联后再与R4串联,此时为量程1 V的电压挡,表头与R1、R2组成的串联电路并联后的总电阻为120 Ω,两端电压为0.12 V,由串联电路中电压与电阻成正比知:R4两端电压为0.88 V,则R4电阻为880 Ω.
(4)若此时B端是与“1”连接的,多用电表作为直流电流表使用,量程为2.5 mA,读数为1.47 mA.
若此时B端是与“3”连接的,多用电表作为欧姆表使用,读数为11×100 Ω=1.10 kΩ.
若此时B端是与“5”连接的,多用电表作为直流电压表使用,量程为5 V,读数为2.94 V.
使用多用电表测量二极管
例3 (2020·浙江名校协作体模拟)钱华同学的爸爸是个电气工程师,钱华经常看到爸爸用多用电表进行一些测量.在高中物理课堂上学习了多用电表的用法之后,爸爸给他出了一道题目,让他通过测量找到发光二极管的负极.
(1)钱华同学做了如下两步具体的操作:第一,将多用电表选择开关旋转到电阻挡的“×1”挡,经过________之后,他把红表笔接在二极管的短管脚上,把黑表笔接在二极管的长管脚上,发现二极管发出了耀眼的白光;然后他将两表笔的位置互换以后,发现二极管不发光.这说明二极管的负极是________(选填“长管脚”或“短管脚”)所连接的一极.
(2)钱华同学的好奇心一下子就被激发起来了,他琢磨了一下,然后又依次用电阻挡的“×1挡”、“×10挡”、“×100挡”、“×1 k挡”分别进行了二极管导通状态的准确的测量,他发现二极管发光的亮度越来越________(选填“大”或“小”),请帮助他分析一下具体的原因:_____________________________________________________________
答案 (1)欧姆调零 短管脚 (2)小 原因见解析
解析 (1)在测量电阻时,选择挡位后首先要进行欧姆调零;二极管发光时处于正向导通状态,因为黑表笔所接的长管脚为二极管的正极,故短管脚为负极.
(2)从×1挡、×10挡、×100挡到×1 k挡,多用电表的内阻越来越大,根据闭合电路欧姆定律I=可知,通过二极管的电流越来越小,根据P=I2R可知二极管的亮度越来越小.
1.如图7是一个多用电表欧姆挡内部电路示意图.电流表满偏电流为0.5 mA,内阻为10 Ω;电池电动势为1.5 V,内阻为1 Ω;滑动变阻器阻值为0~5 000 Ω.
图7
(1)该欧姆表的刻度值是按电池电动势为1.5 V标定的,当电池的电动势下降到1.45 V、内阻增大到4 Ω时仍可调零,调零后R0的阻值将变________(选填“大”或“小”);若测得某电阻阻值为300 Ω,则这个电阻的真实值是________ Ω.
(2)该欧姆表换了一个电动势为1.5 V、内阻为10 Ω的电池,调零后测量某电阻的阻值,其测量结果________(选填“偏大”“偏小”或“准确”).
答案 (1)小 290 (2)准确
解析 (1)电池的电动势减小、内阻增大时,要使表头的示数仍为原来的大小,则R0的阻值应该变小;因为该欧姆表的刻度值是按电池电动势为E=1.5 V设置的,所以测得某电阻阻值为300 Ω时,电流表中的电流I=,其中RΩ=,当电池电动势下降到E′=1.45 V时,此时欧姆表内阻RΩ′=,由闭合电路欧姆定律得I=,解得真实值R′=290 Ω.
(2)若电池的内阻变大,欧姆调零后的中值电阻不变,故测量的结果仍是准确的.
考点二 拓展创新实验
欧姆表检测电路故障
断开电路,用多用电表的欧姆挡测量待测部分的电阻,若检测部分示数正常,说明两点间电路正常;若检测部分电阻很小(几乎为零),说明该部分短路;若检测部分指针几乎不动,说明该部分有断路.
例4 (1)某同学按如图8所示的电路图连接元件后,闭合开关S,发现A、B灯都不亮.该同学用多用电表的欧姆挡检查电路的故障.检查前,应将开关S________.(选填“闭合”或“断开”)
图8
(2)若(1)中同学检查结果如表所示,由此可以确定________.
测试点 | b、f | b、e | b、d | d、e |
多用电表示数 | 无穷大 | 无穷大 | 500 Ω | 无穷大 |
A.灯A断路
B.灯B断路
C.灯A、B都断路
D.d、e间导线断路
答案 (1)断开 (2)D
解析 (1)用欧姆挡检查电路需将电路断开.
(2)b、f之间电阻无穷大说明b、f间有断路,b、e之间电阻无穷大说明b、e间有断路,d、e之间电阻无穷大说明d、e间有断路,b、d间电阻有一定的数值,说明b、d间没有断路,所以断路在d、e之间.
组装欧姆表
例5 (2019·全国卷Ⅲ·23)某同学欲将内阻为98.5 Ω、量程为100 μA的电流表改装成欧姆表并进行刻度和校准,要求改装后欧姆表的15 kΩ刻度正好对应电流表表盘的50 μA刻度.可选用的器材还有:定值电阻R0(阻值14 kΩ),滑动变阻器R1(最大阻值1 500 Ω),滑动变阻器R2(最大阻值500 Ω),电阻箱(0~99 999.9 Ω),干电池(E=1.5 V,r=1.5 Ω),红、黑表笔和导线若干.
图9
(1)欧姆表设计
将图9中的实物连线组成欧姆表.欧姆表改装好后,滑动变阻器R接入电路的电阻应为________ Ω;滑动变阻器选________(填“R1”或“R2”).
(2)刻度欧姆表表盘
通过计算,对整个表盘进行电阻刻度,如图10所示.表盘上a、b处的电流刻度分别为25和75,则a、b处的电阻刻度分别为________、________.
图10
(3)校准
红、黑表笔短接,调节滑动变阻器,使欧姆表指针指向________ kΩ处;将红、黑表笔与电阻箱连接,记录多组电阻箱接入电路的电阻值及欧姆表上对应的测量值,完成校准数据测量.若校准某刻度时,电阻箱旋钮位置如图11所示,则电阻箱接入的阻值为________ Ω.
图11
答案 (1)如图所示 900 R1
(2)45 5 (3)0 35 000.0
解析 (1)由题知当两表笔间接入15 kΩ的电阻时,电流表示数为50 μA,由闭合电路欧姆定律有=,代入数据解得R=900 Ω,所以滑动变阻器选择R1.
(2)欧姆表的内阻Rg′=Rg+r+R0+R=15 kΩ,当电流为25 μA时,有=,可得Rx′=45 kΩ;当电流为75 μA时,有=,可得Rx″=5 kΩ.
(3)红、黑表笔短接,调节滑动变阻器,使欧姆表指针指向0 kΩ处.题图中电阻箱读数为35 000.0 Ω.
2.(2019·安徽皖江名校联盟摸底大联考)某实验小组在练习使用多用电表时,他们正确连接好电路如图12甲所示.闭合开关S后,发现无论如何调节电阻箱R0,灯泡都不亮,电流表无读数,他们判断电路可能出现故障.经小组讨论后,他们尝试用多用电表的欧姆挡来检测电路.已知保护电阻R=15 Ω,电流表量程为0~50 mA.操作步骤如下:
图12
①将多用电表挡位调到欧姆×1挡,再将红、黑表笔短接,进行欧姆调零;
②断开图甲电路开关S,将多用电表两表笔分别接在a、c上,多用电表的指针不偏转;
③将多用电表两表笔分别接在b、c上,多用电表的示数如图乙所示;
④将多用电表两表笔分别接在c、e上,调节R0=20 Ω时,多用电表示数如图丙所示,电流表的示数如图丁所示.
回答下列问题:
(1)图丙中的多用电表读数为________ Ω;图丁中的电流表读数为________ mA.
(2)操作步骤④中,多用电表红表笔应接________(选填“c”或“e”)点.
(3)电路的故障可能是________.
A.灯泡短路 B.灯泡断路
C.保护电阻R短路 D.保护电阻R断路
(4)根据以上实验得出的数据,同学们还计算出多用电表内部电源的电动势E′=______ V(结果保留三位有效数字).
答案 (1)24 38.0 (2)e (3)B (4)1.48
解析 (1)欧姆表的读数为24×1 Ω=24 Ω,电流表的最小分度是1 mA,需估读到0.1 mA,所以图丁中的电流表读数为38.0 mA.(2)根据电流必须从电流表正接线柱流入,电流从欧姆表的红表笔流入,黑表笔流出,电路中电流表在e端为负极,即电流经过电流表的方向为d→e,则操作步骤④中,多用电表黑表笔应接c点,红表笔应接e点.(3)将多用电表两表笔分别接在a、c上,多用电表的指针不偏转,说明ac间有断路.将多用电表两表笔分别接在b、c上,多用电表的示数不为零,所以电路的故障是灯泡断路.(4)由操作步骤③中多用电表指针正好指在中间刻度,根据欧姆表的中值电阻等于其内阻,则知欧姆表的内阻为R欧=15 Ω.操作步骤④中,根据闭合电路欧姆定律得:I=,又R0+RmA=24 Ω,故E′=I(R0+RmA+R欧)=38.0×10-3×(24+15) V≈1.48 V.
第8章 实验十一 练习使用多用电表—2024高考物理科学复习解决方案(讲义): 这是一份第8章 实验十一 练习使用多用电表—2024高考物理科学复习解决方案(讲义),共23页。试卷主要包含了测小灯泡的电压和电流,用多用电表测电阻的步骤,探索黑箱内的电学元件,多用电表对电路故障的检测等内容,欢迎下载使用。
(新高考)高考物理一轮复习讲义 第8章 实验十一 练习使用多用电表(含解析): 这是一份(新高考)高考物理一轮复习讲义 第8章 实验十一 练习使用多用电表(含解析),共12页。试卷主要包含了电流表与电压表的改装,欧姆表原理,多用电表,二极管的单向导电性等内容,欢迎下载使用。
(全国版)高考物理一轮复习讲义第9章 专题强化17 电学实验综合(含解析): 这是一份(全国版)高考物理一轮复习讲义第9章 专题强化17 电学实验综合(含解析),共13页。试卷主要包含了5 V和3等内容,欢迎下载使用。