所属成套资源:(全国版)高考物理一轮复习讲义 (含解析)
(全国版)高考物理一轮复习讲义第9章 专题强化16 电学实验基础(含解析)
展开
这是一份(全国版)高考物理一轮复习讲义第9章 专题强化16 电学实验基础(含解析),共14页。试卷主要包含了读数,7 23等内容,欢迎下载使用。
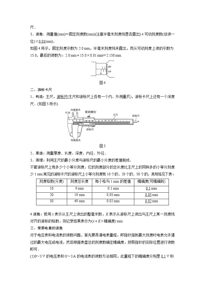
专题强化十六 电学实验基础目标要求 1.会分析电学实验的误差,学会通过改进电路减少系统误差.2.掌握常用仪器的读数.3.理解电表改装的原理.4.会连接实验器材.题型一 电学实验误差分析1.系统误差(1)伏安法测电阻误差来源:通过电阻的电流不准确,电阻两端的电压不准确.(2)测电源电动势和内阻误差来源:路端电压测量不准确、干路电流测量不准确.(3)减小系统误差①题目中给出的电阻阻值大约值,选用合适的实验器材,采用误差小的实验方案(如电流表的内、外接法).②消除系统误差题目给定的条件充分(电阻阻值已知),合理设计电路可消除系统误差.2.偶然误差(1)电压表、电流表、多用电表、毫米刻度尺、游标卡尺、螺旋测微器等读数误差;(2)描点、计算等对数据处理造成的误差.(3)通过多次测量取平均值或图象法可以减小偶然误差.例1 在伏安法测电阻的实验中,待测电阻Rx的阻值约为200 Ω,电压表V的内阻约为2 kΩ,电流表A的内阻约为10 Ω,测量电路中电流表的连接方式如图1甲或乙所示,结果由公式Rx=计算得出,式中U与I分别为电压表和电流表的示数.若将图甲和图乙中电路测得的电阻值分别记为Rx1和Rx2,则 (选填“Rx1”或“Rx2”)更接近待测电阻的真实值,且测量值Rx1 (选填“大于”“等于”或“小于”)真实值,测量值Rx2 (选填“大于”“等于”或“小于”)真实值.图1答案 Rx1 大于 小于解析 ==10,==20,故<,应该采用电流表内接法,即题图甲接法.由“大内偏大,小外偏小”的结论可知,电流表内接时测量值Rx1大于真实值,外接时测量值Rx2小于真实值.例2 某同学用伏安法测一个阻值约为10 Ω的电阻,所选器材为电压表V(量程为3 V,内阻约为1 kΩ)、电流表A(量程为300 mA,内阻为1 Ω),该同学应选用电流表的 (填“内接法”或“外接法”).答案 内接法解析 在用伏安法测电阻时,若无法确定电流表和电压表的内阻对测量结果的影响,一般小电阻用电流表外接法,大电阻用电流表内接法,以减小系统误差,但对于已知电表内阻的情况,可以在计算过程中直接排除电表内阻的影响.本题中选用内接法时,所得电压与电流的比值为待测电阻与电流表的内阻之和,通过计算可以得到待测电阻的真实值,不存在系统误差,即R=-RA.1.用内阻为3 000 Ω的电压表和内阻为10 Ω的电流表测电阻,在图2甲、乙两种情况下,电压表的示数都是60 V,电流表的示数都是0.2 A,则R1的测量值为 Ω,真实值是 Ω,R2的测量值为 Ω,真实值是 Ω.图2答案 300 290 300 333.3解析 题图甲:电阻R1的测量值R1测==300 Ω,真实值R1真=R1测-RA=290 Ω;题图乙:电阻R2的测量值R2测==300 Ω,真实值R2真=≈333.3 Ω.题型二 常用仪器的读数一、螺旋测微器1.构造:如图3所示,B为固定刻度,E为可动刻度.图32.原理:测微螺杆F与固定刻度B之间的精密螺纹的螺距为0.5 mm,即旋钮D每旋转一周,F前进或后退0.5 mm,而可动刻度E上的刻度为50等份,每转动一小格,F前进或后退0.01 mm,即螺旋测微器的精确度为0.01 mm.读数时估读到毫米的千分位上,因此,螺旋测微器又叫千分尺.3.读数:测量值(mm)=固定刻度数(mm)(注意半毫米刻度线是否露出)+可动刻度数(估读一位)×0.01(mm).如图4所示,固定刻度示数为2.0 mm,半毫米刻度线未露出,而从可动刻度上读的示数为15.0,最后的读数为:2.0 mm+15.0×0.01 mm=2.150 mm.图4二、游标卡尺1.构造:主尺,游标尺(主尺和游标尺上各有一个内、外测量爪),游标卡尺上还有一个深度尺.(如图5所示)图52.用途:测量厚度、长度、深度、内径、外径.3.原理:利用主尺的最小分度与游标尺的最小分度的差值制成.不管游标尺上有多少个小等分刻度,它的刻度部分的总长度比主尺上的同样多的小等分刻度少1 mm.常见的游标卡尺的游标尺上小等分刻度有10个的、20个的、50个的,其规格见下表:刻度格数(分度)刻度总长度每小格与1 mm的差值精确度(可精确到)109 mm0.1 mm0.1 mm2019 mm0.05 mm0.05 mm5049 mm0.02 mm0.02 mm 4.读数:若用x表示从主尺上读出的整毫米数,K表示从游标尺上读出与主尺上某一刻度线对齐的游标的格数,则记录结果表示为(x+K×精确度) mm.三、常用电表的读数对于电压表和电流表的读数问题,首先要弄清电表量程,即指针指到最大刻度时电表允许通过的最大电压或电流,然后根据表盘总的刻度数确定精确度,按照指针的实际位置进行读数即可.(1)0~3 V的电压表和0~3 A的电流表的读数方法相同,此量程下的精确度分别是0.1 V和0.1 A,看清楚指针的实际位置,读到小数点后面两位.(2)对于0~15 V量程的电压表,精确度是0.5 V,在读数时只要求读到小数点后面一位,这时要求“格估读”,即读到0.1 V.(3)对于0~0.6 A量程的电流表,精确度是0.02 A,在读数时只要求读到小数点后面两位,这时要求“半格估读”,即读到最小刻度的一半0.01 A.注意事项游标卡尺的读数应注意以下几点(1)精确度.所用的游标卡尺可准确到0.1 mm,还是0.05 mm或0.02 mm.游标卡尺不需要估读,后面不能随意加零或去零;例如(图6)图6正确读数:11 mm+4×0.1 mm=11.4 mm易错读成:11.40 mm例如(图7)图7正确读数:10 mm+12×0.05 mm=10.60 mm易错读成:10.6 mm(2)主尺上的单位应为厘米主尺上标识的1、2、3等数字通常是指厘米,读数时应将毫米和厘米分清,游标卡尺主尺上的最小刻度是1 mm.例如(图8)图8正确读数:50 mm+4×0.05 mm=50.20 mm.易错读成:5 mm+4×0.05 mm=5.20 mm(3)区分零刻度与标尺最前端例如(图9)图9正确读数:14 mm+10×0.05 mm=14.50 mm.易错读成:13 mm+10×0.05 mm=13.50 mm 游标卡尺、螺旋测微器的读数 例3 (1)如图10甲所示的三把游标卡尺,它们的游标尺从上至下分别为9 mm长10等分、19 mm长20等分、49 mm长50等分,它们的读数依次为 mm, mm, mm.图10(2)使用螺旋测微器测量金属丝的直径,示数如图乙所示,则金属丝的直径是 mm.答案 (1)17.7 23.85 3.18 (2)2.150解析 (1)题图甲最上面游标卡尺:主尺读数为17 mm,游标尺读数为7×0.1 mm=0.7 mm,最后结果是17 mm+0.7 mm=17.7 mm.题图甲中间游标卡尺:主尺读数为23 mm,游标尺读数为17×0.05 mm=0.85 mm,最后结果是23 mm+0.85 mm=23.85 mm.题图甲最下面游标卡尺:主尺读数为3 mm,游标尺读数为9×0.02 mm=0.18 mm,最后结果是3 mm+0.18 mm=3.18 mm.(2)固定刻度示数为2.0 mm,可动刻度示数为15.0×0.01 mm=0.150 mm,最后的读数为2.0 mm+0.150 mm=2.150 mm. 电压表、电流表和电阻箱的读数 例4 (1)如图11甲所示的电表使用0.6 A量程时,对应刻度盘上每一小格代表 A,图中表针示数为 A;当使用3 A量程时,对应刻度盘中每一小格代表 A,图中表针示数为 A.图11(2)如图乙所示的电表使用较小量程时,每小格表示 V,图中表针的示数为 V.若使用的是较大量程,则这时表盘刻度每小格表示 V,图中表针示数为 V.(3)旋钮式电阻箱如图12所示,电流从接线柱A流入,从B流出,则接入电路的电阻为 Ω.现欲将接入电路的电阻改为2 087 Ω,最简单的操作方法是 .若用两个这样的电阻箱,则可得到的电阻值范围为 .图12答案 (1)0.02 0.44 0.1 2.20(2)0.1 1.70 0.5 8.5 (3)1 987 将“×1 k”挡旋钮调到2,再将“×100”挡旋钮调到0 0~19 998 Ω解析 (1)使用0.6 A量程时,刻度盘上的每一小格为0.02 A,表针示数为0.44 A;当使用3 A量程时,每一小格为0.1 A,表针示数为2.20 A.(2)电压表使用3 V量程时,每小格表示0.1 V,表针示数为1.70 V;使用15 V量程时,每小格表示0.5 V,表针示数为8.5 V.(3)电阻为1 987 Ω.最简单的操作方法是先将“×1 k”挡旋钮调到2,再将“×100”挡旋钮调到0.每个电阻箱的最大阻值是9 999 Ω,用这样的两个电阻箱串联可得到的最大电阻是2×9 999 Ω=19 998 Ω,故用两个这样的电阻箱,可得到的电阻范围为0~19 998 Ω.题型三 电表改装电表的两种改装的比较 改装成大量程电压表改装成大量程电流表内部电路改装原理串联分压并联分流改装后的量程U=Ig(Rg+R)I=Ig校准电路改装成的电压表改装成的电流表 例5 (2018·全国卷Ⅱ·22)某同学组装一个多用电表.可选用的器材有:微安表头(量程100 μA,内阻900 Ω);电阻箱R1(阻值范围0~999.9 Ω);电阻箱R2(阻值范围0~99 999.9 Ω);导线若干.要求利用所给器材先组装一个量程为1 mA的直流电流表,在此基础上再将它改装成量程为3 V的直流电压表.组装好的多用电表有电流1 mA和电压3 V两挡.图13回答下列问题:(1)在图13虚线框内画出电路图并标出R1和R2,其中*为公共接线柱,a和b分别是电流挡和电压挡的接线柱.(2)电阻箱的阻值应取R1= Ω,R2= Ω.(保留到个位)答案 (1)见解析图 (2)100 2 910解析 (1)如图所示.(2)接a时改装成量程为1 mA的电流表,有IgRg=(I-Ig)R1解得R1=100 Ω接b时改装成量程为3 V的电压表,有U=IgRg+IR2解得R2=2 910 Ω.2.(2020·海南高三上学期期末)如图14所示,有一个双量程电流表,其中小量程为0~1 A.已知表头G的满偏电流Ig=500 mA,定值电阻R1=20 Ω,R2=180 Ω,则表头G的内阻Rg的值为( )图14A.100 Ω B.200 ΩC.250 Ω D.500 Ω答案 B解析 当与表头G并联的电阻越大时,量程越小,即当接线柱接公共端与最右边的接线柱时,量程最小.由欧姆定律可知:(R1+R2)(I-Ig)=IgRg,代入数据解得:Rg=200 Ω,B正确.题型四 测量电路与控制电路的选择1.电压表和电流表的内、外接法 内接法外接法电路图误差原因电流表分压U测=Ux+UA电压表分流I测=Ix+IV电阻测量值R测==Rx+RA>Rx测量值大于真实值R测==<Rx测量值小于真实值适用条件RA≪Rx或Rx>RARVRV≫Rx或Rx<RARV适用于测量大阻值电阻小阻值电阻 2.滑动变阻器两种连接方式的对比 限流接法分压接法对比说明电路图串、并联关系不同负载R上电压调节范围(不计电源内阻)≤U≤E0≤U≤E分压电路调节范围大闭合S前触头位置b端a端都是为了保护电路元件 3.滑动变阻器两种接法的选择滑动变阻器的最大阻值和用电器的阻值差不多且不要求电压从零开始变化,通常情况下,由于限流式结构简单、耗能少,优先使用限流式.滑动变阻器必须接成分压电路的几种情况:①要求电压表能从零开始读数,例如测量电阻的伏安特性曲线,要求电压(电流)测量范围尽可能大;②当待测电阻Rx≫R(滑动变阻器的最大阻值)时(限流式接法滑动变阻器几乎不起作用);③若采用限流式接法,电路中的最小电流仍超过电路中电表、电阻允许的最大电流. 电流表的内、外接法的选择 例6 (2020·全国卷Ⅰ·22)某同学用伏安法测量一阻值为几十欧姆的电阻Rx,所用电压表的内阻为1 kΩ,电流表内阻为0.5 Ω.该同学采用两种测量方案,一种是将电压表跨接在图15(a)所示电路的O、P两点之间,另一种是跨接在O、Q两点之间.测量得到如图(b)所示的两条U-I图线,其中U与I分别为电压表和电流表的示数.图15回答下列问题:(1)图(b)中标记为Ⅱ的图线是采用电压表跨接在 (填“O、P”或“O、Q”)两点的方案测量得到的.(2)根据所用实验器材和图(b)可判断,由图线 (填“Ⅰ”或“Ⅱ”)得到的结果更接近待测电阻的真实值,结果为 Ω(保留1位小数).(3)考虑到实验中电表内阻的影响,需对(2)中得到的结果进行修正,修正后待测电阻的阻值为 Ω(保留1位小数).答案 (1)O、P (2)Ⅰ 50.5 (3)50.0解析 (1)若通过Rx的电流相等,由题图(b)知图线Ⅰ对应的电压值较大,由R=可知图线Ⅰ所测电阻较大,图线Ⅱ所测电阻较小,则图线Ⅱ是采用电压表跨接在O、P两点的方案测量得到的.(2)由题图(b)可得图线Ⅰ测得电阻阻值RⅠ= Ω≈50.5 Ω,图线Ⅱ测得电阻阻值 RⅡ= Ω≈46.6 Ω,待测电阻阻值约为50 Ω,==20,==100,因<,电流表采用内接法更接近待测电阻的真实值,电压表跨接在O、Q两点,故图线Ⅰ得到的结果更接近待测电阻的真实值,测量结果为50.5 Ω.(3)电压表跨接在O、Q之间,测得的阻值为电阻与电流表内阻之和,则R=RⅠ-RA=(50.5-0.5) Ω=50.0 Ω. 滑动变阻器两种接法的选择 例7 为测量“12 V 5 W”的小灯泡在不同电压下的功率,给定了以下器材:电源(12 V,内阻不计);电流表(量程0~0.6 A、0~3 A,内阻约为0.2 Ω);电压表(量程0~3 V、0~15 V,内阻约为15 kΩ);滑动变阻器(0~20 Ω,允许最大电流1 A);开关一个,导线若干.实验要求加在小灯泡两端的电压可从零开始调节.(1)如图所示的四个电路图中你认为最合适的是 (填选项下的字母).(2)在本实验中,电流表的量程可选 .答案 (1)A (2)0~0.6 A题型五 实验器材的选取与实物图的连接1.电学实验仪器的选择选择电学实验器材主要是选择电表、滑动变阻器、电源等,一般要考虑几方面因素:(1)安全因素:通过电源、电阻和电表的电流不能超过其允许的最大电流.(2)误差因素:选用电表量程应考虑尽可能减小测量值的相对误差,电压表、电流表在使用时,其指针应偏转到满偏刻度的以上;使用欧姆表时应选用指针尽可能在中间刻度附近的倍率挡位.(3)便于操作:选用滑动变阻器时应考虑对外供电电压的变化范围既能满足实验要求,又便于调节.在调节滑动变阻器时,应使其大部分电阻线都被用到.2.实物图连接的注意事项(1)画线连接各元件,一般先从电源正极开始,按照电路原理图依次到开关,再到滑动变阻器,按顺序以单线连接方式将主电路中串联的元件依次串联起来,再将要并联的元件并联到电路中去.(2)连线时要将导线接在接线柱上,两条导线不能交叉.(3)要注意电表的量程和正、负接线柱,要使电流从电表的正接线柱流入,从负接线柱流出.(4)滑动变阻器的接法:限流法,导线分别连接到上、下接线柱上(两个接线柱);分压法,导线分别连接到上边一个接线柱和下边两个接线柱上(一上两下三个接线柱).3.仪器选择的技巧(1)巧用电阻或电表阻值的信息①电阻的阻值信息(一般在括号里面给出):等于: 一般可以用于电表改装或精确计算约为: 用于估算②电表的阻值信息等于:a.用于改装大量程电表(电表无法改装成小量程)b.电流表可做电压表或电压表可做电流表使用c.除了测量电压(电流)外,电表的阻值可用于准确计算待测电阻、支路的电流或电压约为:用于估算(2)电流表、电压表量程的选择①U-I(I-U) 图象中坐标值或表格中数值范围;②根据待测电阻的额定值(P、U、I)综合计算,确定电流表或电压表量程.(3)滑动变阻器的选择①分压法选小电阻,不超过滑动变阻器额定电流的情况下阻值越小越好;②限流法中选最大阻值为待测电阻2~3倍的滑动变阻器;③给定额定电流,一般实际流过电流不能超过额定电流由此可知:若题干提供的滑动变阻器唯一,可由滑动变阻器的总阻值确定分压法或限流法;若题目通过其他线索确定了分压接法或限流接法,应先确定接法,再确定滑动变阻器(一般有待选滑动变阻器).例8 (2018·天津卷·9(3))某同学用伏安法测定待测电阻Rx的阻值(约为10 kΩ),除了Rx、开关S、导线外,还有下列器材供选用:A.电压表(量程0~1 V,内阻约10 kΩ)B.电压表(量程0~10 V,内阻约100 kΩ)C.电流表(量程0~1 mA,内阻约30 Ω)D.电流表(量程0~0.6 A,内阻约0.05 Ω)E.电源(电动势1.5 V,额定电流0.5 A,内阻不计)F.电源(电动势 12 V,额定电流2 A,内阻不计)G.滑动变阻器R0(阻值范围0~10 Ω,额定电流2 A)(1)为使测量尽量准确,电压表选用 ,电流表选用 ,电源选用 .(均填器材的字母代号) (2)在虚线框内画出测量Rx阻值的实验电路图. (3)该同学选择器材、连接电路和操作均正确,从实验原理上看,待测电阻测量值会 其真实值(填“大于”“小于”或“等于”),原因是 .答案 (1)B C F (2)见解析图 (3)大于 电压表的读数大于待测电阻两端的实际电压(其他表述正确也可)解析 (1)若电源选用E,则通过Rx的最大电流为0.15 mA,电流表选用C还达不到半偏,故电源应选用F.电压表内阻应尽可能与被测电阻阻值相差大一些且接近电源电压,故电压表选用B.由此可知电路中的电流约为1 mA,故电流表选用C.(2)因为待测电阻阻值较大,所以电流表应采用内接法.因为滑动变阻器的阻值很小,若采用限流接法接入电路起不到多大的限流作用,所以滑动变阻器应采用分压接法,实验电路图如图所示.(3)因为电流表采用内接法,电压表测出的电压为Rx与电流表串联后两端电压,U测>U实,而R=,所以R测>R实.例9 (2018·全国卷Ⅲ·23)一课外实验小组用如图16所示的电路测量某待测电阻Rx的阻值,图中R0为标准定值电阻(R0=20.0 Ω);可视为理想电压表;S1为单刀开关,S2为单刀双掷开关;E为电源;R为滑动变阻器.采用如下步骤完成实验:(1)按照实验原理线路图(a),将图(b)中实物连线;图16(2)将滑动变阻器滑动端置于适当的位置,闭合S1;(3)将开关S2掷于1端,改变滑动变阻器滑动端的位置,记下此时电压表的示数U1;然后将S2掷于2端,记下此时电压表的示数U2;(4)待测电阻阻值的表达式Rx= (用R0、U1、U2表示);(5)重复步骤(3),得到如下数据: 12345U1/V0.250.300.360.400.44U2/V0.861.031.221.361.493.443.433.393.403.39 (6)利用上述5次测量所得的平均值,求得Rx= Ω.(保留1位小数)答案 (1)实物连线如图 (4)(-1)R0 (6)48.2解析 开关S2掷于1端,由欧姆定律可得通过Rx的电流I=,将开关S2掷于2端,R0和Rx两端电压为U2,Rx两端电压为U=U2-U1,由欧姆定律可得待测电阻阻值Rx==R0=(-1)R0.5次测量所得的平均值为×(3.44+3.43+3.39+3.40+3.39)=3.41,代入得Rx=(3.41-1)×20.0 Ω=48.2 Ω.
相关试卷
这是一份新高考物理一轮复习重难点练习难点16 电学实验基础(含解析),共30页。试卷主要包含了常用仪器的读数,电表改装,测量电路与控制电路的选择,实验器材的选取与实物图的连接等内容,欢迎下载使用。
这是一份(新高考)高考物理一轮复习讲义 第8章 专题强化十 电学实验基础(含解析),共16页。试卷主要包含了螺旋测微器的使用,游标卡尺,常用电表的读数等内容,欢迎下载使用。
这是一份2024高考物理大一轮复习讲义 第十章 专题强化十五 电学实验基础,共19页。试卷主要包含了读数,20 mm,7 23,9×0,021 2等内容,欢迎下载使用。

