初中化学第三节 钢铁的锈蚀与防护导学案
展开
这是一份初中化学第三节 钢铁的锈蚀与防护导学案,文件包含第九单元第三节钢铁的锈蚀与防护学案学生版2020-2021学年九年级化学鲁教版下册doc、第九单元第三节钢铁的锈蚀与防护学案教师版2020-2021学年九年级化学鲁教版下册doc等2份学案配套教学资源,其中学案共16页, 欢迎下载使用。
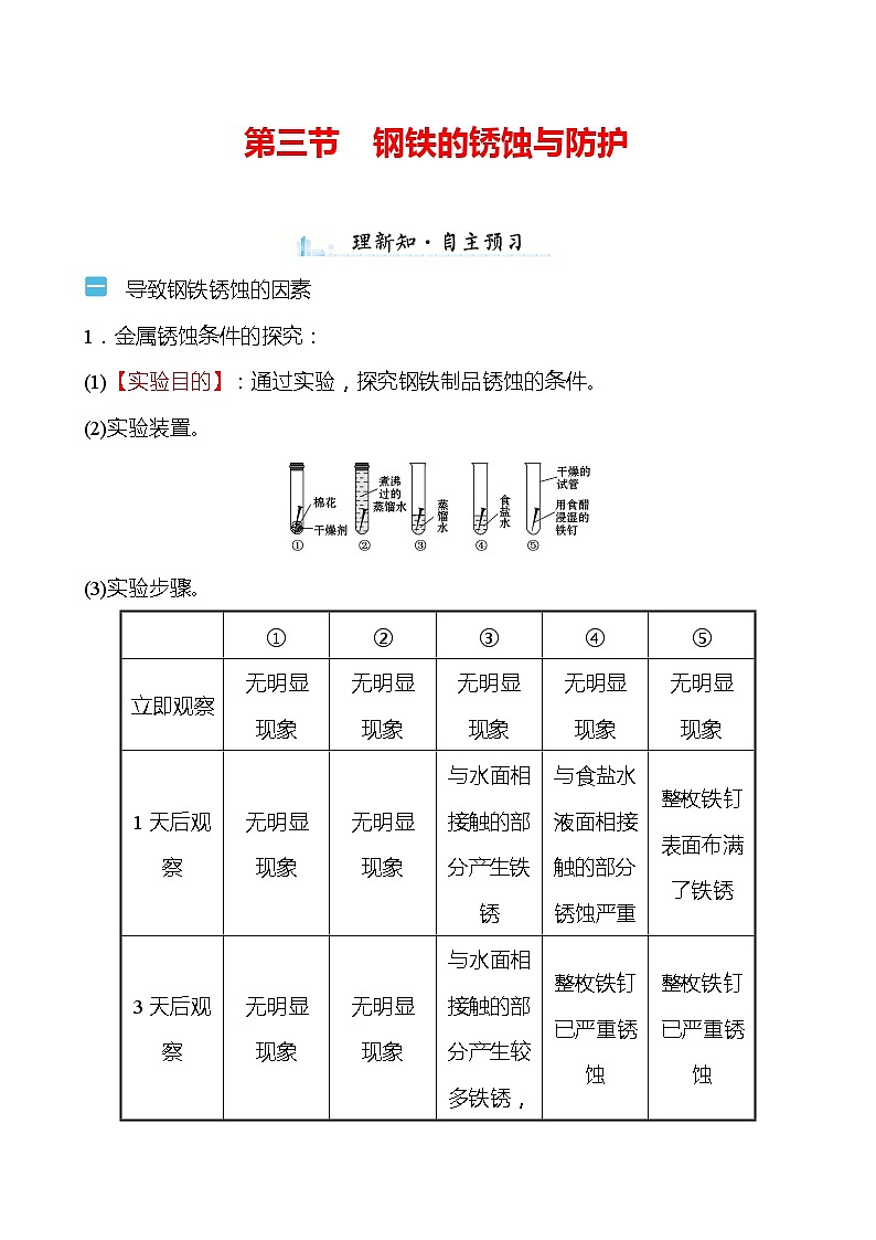
导致钢铁锈蚀的因素
1.金属锈蚀条件的探究:
(1)【实验目的】:通过实验,探究钢铁制品锈蚀的条件。
(2)实验装置。
(3)实验步骤。
(4)通过试管①、②可知,铁钉在__ __时,不易生锈;对比试管③可知,钢铁锈蚀与__ __有关;试管④和试管⑤说明了__ __都会影响钢铁的锈蚀。
(5)实验结论:铁在空气中锈蚀,是铁跟__ __、__ __等物质相互作用,发生一系列复杂的化学反应,是铁转化为铁的化合物的过程,同时钢铁的成分、环境的温度、湿度和酸碱性也是影响钢铁锈蚀的因素。
2.铁锈的成分及其特点:
铁锈(主要成分为__ __)__ __,会把空气和水分保留在钢铁制品的表面,进一步加速钢铁的锈蚀。因此,当铁制品表面生锈时,应及时__ __并做防锈处理。
,【生活链接】
相同的铁栏杆,为什么安装在南方沿海地区比安装在北方更容易生锈?
减缓钢铁锈蚀的方法
1.在金属表面覆盖保护层(涂刷__ __或__ __,覆盖搪瓷或塑料等)。
2.镀上一层不易锈蚀的金属或用“烤蓝”等方法形成致密保护层。
3.改变金属的组成和结构(制成合金)。
废旧金属的回收利用
1.废旧金属的危害:
既造成了环境污染又浪费了有限的金属资源。
2.回收利用废旧金属的意义:
既可以保护环境,又能节约资源和能源。
【生活链接】
为延长食品保质期,可在有些食品袋中放入铁粉双吸剂。你知道它的作用吗?
【特别提醒】
设置探究实验,验证铁的锈蚀条件至少设置以下几个实验:
①铁在干燥的空气中。
②铁全部在水中。
③铁既与空气接触,又同时与水接触。
其中①②铁不生锈,③铁生锈。
通过①③对比确定铁的锈蚀条件为水,通过②③对比确定铁的锈蚀条件为氧气。
知识点 铁制品的锈蚀与防护
【典例】(2020·怀化中考)港珠澳大桥的桥、岛、隧道以及“雪龙2号”的船身等主要由金属材料制成。下列金属防护措施不正确的是( )
A.在金属制品表面镀保护层
B.改变金属结构制成合金使用
C.在金属制品表面涂油漆
D.用稀盐酸定期清洗金属制品
【归纳总结】防止铁生锈常采用的方法:
(1)干:保持铁制品表面洁净和干燥。
(2)膜:在铁制品表面覆盖保护膜,如在车、船的表面喷涂油漆,在机械表面涂油,在杯子表面烧涂搪瓷等。
(3)镀:在铁制品表面镀一层其他金属,如在钢铁表面镀锌、镀铬等。
(4)烤:用化学方法使铁制品表面形成致密的氧化膜,如锯条上的烤蓝。
(5)改:改善金属的本质,添加合金元素,如在铁制品中加入镍制成不锈钢,可以增强耐腐蚀性能。
【变式训练】
下列有关金属材料的说法错误的是( )
A.在潮湿的空气中铁易生锈
B.金属的回收利用是保护金属资源的有效途径之一
C.铝和金都有很好的抗腐蚀性,是因为二者的化学性质都很稳定
D.高炉炼铁的原理是在高温条件下,用一氧化碳把铁从铁矿石里还原出来
1.下列说法正确的是( )
A.铁是地壳中含量最多的金属元素
B.铁制品在潮湿的空气中容易生锈
C.多数合金的熔点高于它的成分金属
D.铝制品在空气中耐腐蚀是因为铝不活泼
2.为了减缓铁制品的锈蚀,下列做法不当的是( )
A.在铁制品的表面喷涂油漆
B.洗净铁制品表面的油膜
C.将使用后的菜刀用布擦干
D.在铁制品表面镀上一层锌
3.关于金属材料的锈蚀说法不一,下列说法中,没有科学道理的是( )
A.金属经常接触水和空气锈蚀加快
B.改变金属的内部结构能抵御金属锈蚀
C.金属表面刷油漆可以抵御金属锈蚀
D.不断擦去铝表面的锈能抵御铝的继续锈蚀
4.下列与金属材料有关的说法中,正确的是( )
A.黄铜片比铜片硬度小
B.钢的性能优良,是很纯的铁
C.沙漠地区的铁制品锈蚀较快
D.为防止钢铁制品生锈,可在其表面刷漆
5.学习金属单元后,小强知道了铁是当今世界用量最多的金属,而每年全世界被腐蚀损耗的钢铁材料约占全年钢铁产量的十分之一。于是小强对金属铁的相关知识展开了探究性学习。
(1)如图,小强将一根长20 cm的光亮的铁棒放在自来水中,观察A、B、C三处的变化。几天后,他发现__ __(填序号)处最先出现铁锈,小强结合书本知识知道,铁生锈实际是铁和__ __、__ __等物质发生反应的过程。
(2)小强来到已停产的企业厂房,看到许多机械设备上已锈迹斑斑,他马上想到可以用稀盐酸将铁锈(主要成分Fe2O3)除去,该反应的化学方程式为__ __。
去锈后为防止机械设备进一步锈蚀,小强想到的一种防护方法是__ __。
1.新中国成立以来,中国航运经济取得迅猛发展,现在已成为航运大国,正向航运强国迈进。为保证船舶的使用寿命,船舶要进行防锈处理,下列防锈措施不可行的是( )
A.刷防锈漆
B.用抗锈蚀性能优异的合金制造船舶的零部件
C.给某些部位涂油
D.船体表面镀一层黄金
2.(2020·日照中考)如图是探究铁钉锈蚀条件的4个实验,一段时间后观察现象。下列说法不正确的是( )
A.①中甲、乙、丙三处比较,生锈最明显的地方是甲
B.①②对比说明铁生锈需要空气,①③对比说明铁生锈需要水
C.③中附着在棉花上的氯化钙的作用是作干燥剂
D.四个实验中,生锈最快的是④中的铁钉
3.(2021·邵阳中考)2021年5月29日,“天舟二号”的成功发射彰显了中国航天的力量,在航天科技中会用到大量金属材料。下列有关金属材料的说法错误的是( )
A.黄铜的硬度比纯铜的大
B.生铁的含碳量比钢的高
C.生锈的铁制品没有回收价值
D.铝合金被广泛用于火箭、飞机、轮船等制造业
4.(2021·深圳中考)下列说法错误的是( )
A.铁钉是由铁合金制成的
B.根据甲图,铁钉生锈过程中O2体积不变
C.根据甲图,铁钉在潮湿环境更容易生锈
D.根据乙图,铁钉生锈过程中温度升高
5.近年来,我国高铁飞速发展,已成为世界上唯一高铁成网运行的国家。请回答下列问题。
(1)高铁电路多用铜质导线,这是利用了铜的延展性和__ __性。
(2)高铁刹车片由合金锻钢制作,时速300公里以上的列车紧急制动时,轮毂盘面和刹车片的温度瞬间达到700 ℃以上,合金锻钢应该具备耐磨和__ __等特性。
(3)建造高铁需要消耗大量的铝、铁等金属。工业炼铁的原理是氧化铁(Fe2O3)和一氧化碳在高温条件下反应,其化学方程式为__ __。
(4)车身表面烤漆不仅美观,还能起到防锈的作用,其防锈的原理是__ __。
(5)目前世界上已有50%以上的铁得到了回收利用。回收利用废旧金属的社会意义是__ __(写出一条即可)。
(2021·河北模拟)U形玻璃管是常见的化学仪器(如图所示),在实验中有广泛的应用。
(1)借助U形玻璃管探究钢铁锈蚀的条件,如图甲所示。一段时间后观察到潮湿的钢丝棉有明显锈迹,浸没在刚冷却的凉开水中的钢丝棉没有锈迹,此现象说明__ __。
(2)借助U形玻璃管粗略测定空气里氧气的含量,如图乙所示。得出空气中氧气约占空气总体积的五分之一的实验现象是__ __,产生此现象的原因是__ __。
①
②
③
④
⑤
立即观察
无明显
现象
无明显
现象
无明显
现象
无明显
现象
无明显
现象
1天后观察
无明显
现象
无明显
现象
与水面相接触的部分产生铁锈
与食盐水液面相接触的部分锈蚀严重
整枚铁钉表面布满了铁锈
3天后观察
无明显
现象
无明显
现象
与水面相接触的部分产生较多铁锈,其余部分也出现锈斑
整枚铁钉已严重锈蚀
整枚铁钉已严重锈蚀
1周后观察
无明显
现象
无明显
现象
整枚铁钉严重锈蚀
整枚铁钉变成一堆暗红色的铁锈粉末,沉在试管底
整枚铁钉表面覆盖了一层很厚的铁锈
相关学案
这是一份鲁教版九年级下册第二节 金属的化学性质导学案,文件包含第九单元第二节金属的化学性质学案教师版2020-2021学年九年级化学鲁教版下册doc、第九单元第二节金属的化学性质学案学生版2020-2021学年九年级化学鲁教版下册doc等2份学案配套教学资源,其中学案共31页, 欢迎下载使用。
这是一份初中化学鲁教版九年级下册第三节 钢铁的锈蚀与防护导学案,共8页。学案主要包含了导致钢铁锈蚀的因素,减缓钢铁锈蚀的方法,废旧金属的回收利用等内容,欢迎下载使用。
这是一份鲁教版九年级下册第三节 钢铁的锈蚀与防护学案,共4页。学案主要包含了学习目标,学习重难点,学习过程,学能展示,回顾反思等内容,欢迎下载使用。

