人教版 (新课标)选修4 化学反应原理第三节 电解池课时作业
展开夯基达标
1.下列说法正确的是( )
①电解是把电能转变成化学能
②电解是把化学能转变成电能
③电解质溶液导电是化学变化,金属导电是物理变化
④不能自发进行的氧化还原反应,通过电解可以实现
⑤任何溶液被电解时,必将导致氧化还原反应的发生
A.①②③④B.②③⑤C.③④D.①③④⑤
2.关于电解NaCl水溶液,下列叙述正确的是( )
A.电解时在阳极得到氯气,在阴极得到金属钠
B.若在阳极附近的溶液中滴入KI溶液,溶液呈棕黄色
C.若在阴极附近的溶液中滴入酚酞试液,溶液呈无色
D.电解一段时间后,将全部电解液转移到烧杯中,充分搅拌后溶液呈中性
3.如下图所示右边的金属片发生氧化反应的是( )
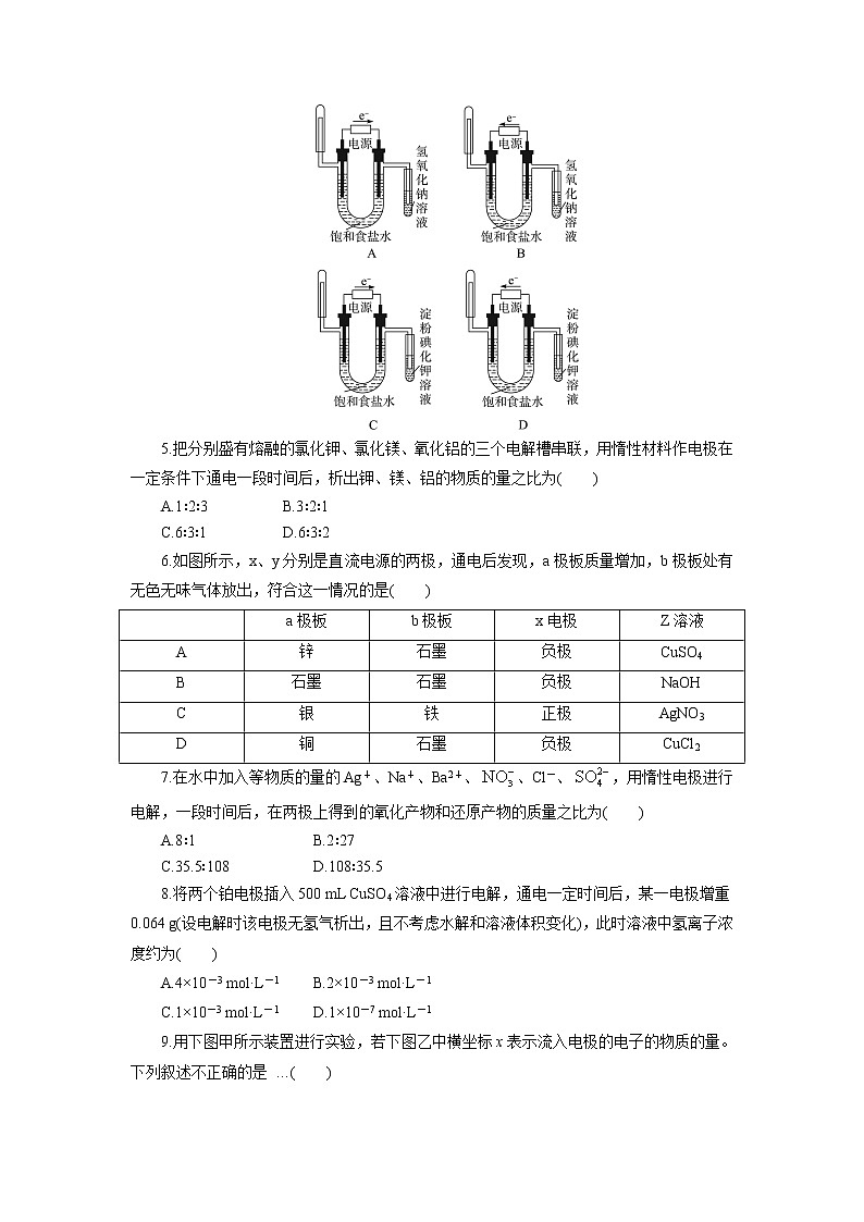
4.下图中能验证氯化钠溶液(含酚酞)电解产物的装置是( )
5.把分别盛有熔融的氯化钾、氯化镁、氧化铝的三个电解槽串联,用惰性材料作电极在一定条件下通电一段时间后,析出钾、镁、铝的物质的量之比为( )
A.1∶2∶3B.3∶2∶1
C.6∶3∶1D.6∶3∶2
6.如图所示,x、y分别是直流电源的两极,通电后发现,a极板质量增加,b极板处有无色无味气体放出,符合这一情况的是( )
7.在水中加入等物质的量的Ag+、Na+、Ba2+、、Cl-、,用惰性电极进行电解,一段时间后,在两极上得到的氧化产物和还原产物的质量之比为( )
A.8∶1B.2∶27
C.35.5∶108D.108∶35.5
8.将两个铂电极插入500 mL CuSO4溶液中进行电解,通电一定时间后,某一电极增重0.064 g(设电解时该电极无氢气析出,且不考虑水解和溶液体积变化),此时溶液中氢离子浓度约为( )
A.4×10-3 ml·L-1B.2×10-3 ml·L-1
C.1×10-3 ml·L-1D.1×10-7 ml·L-1
9.用下图甲所示装置进行实验,若下图乙中横坐标x表示流入电极的电子的物质的量。下列叙述不正确的是 …( )
A.E表示反应生成Cu的物质的量
B.E表示反应消耗H2O的物质的量
C.F表示反应生成H2SO4的物质的量
D.F表示反应生成O2的物质的量
10.如下图所示,当线路接通时,发现M(用石蕊试液浸润过的滤纸)a端显蓝色,b端显红色。且知甲中电极材料是锌、银;乙中电极材料是铂、铜,且乙中两极不发生变化。回答:
(1)甲、乙分别是什么装置?
(2)写出A、B、C、D电极名称以及电极材料。
能力提升
11.某溶液中含有溶质NaCl和H2SO4,它们的物质的量之比为3∶1。用石墨作电极电解该溶液时,根据电极产物,可明显分为三个阶段。下列叙述不正确的是( )
A.阴极只析出H2
B.阳极先析出Cl2,后析出O2
C.电解最后阶段为电解水
D.溶液pH不断增大,最后为7
12.如图所示是根据下图甲的电解池进行电解时某个量(纵坐标x)随时间变化的函数图像(各电解池都用石墨作电极,不考虑电解过程中溶液浓度变化对电极反应的影响),这个量x表示( )
A.各电解池析出气体的体积
B.各电解池阳极质量的增加量
C.各电解池阴极质量的增加量
D.各电极上放电的离子总数
13.用惰性电极电解饱和食盐水,当电源提供0.2 ml电子时停止通电。若此溶液体积为2 L,则所得电解液的pH是( )
A.1B.8C.13D.14
14.某兴趣小组采用如下方法制作氢氧燃料电池。
(1)如下图中A所示:a、b均为多孔石墨棒,其中a与直流电源正极相连,b与直流电源负极相连,电解质溶液为NaOH溶液,则电极上发生的电极反应式分别为:
a极________;b极________。
电解反应方程式为_________________。
由于使用多孔石墨棒,此时生成的氢气及氧气中有一部分被石墨棒吸附。
(2)然后如下图中B所示,移走直流电源,在a、b电极间连接一个小灯泡,可以看到灯泡发光。此时的电流方向是____________,a极的电极反应式为__________________,b极的电极反应式为__________________,电池反应方程式为______________________。
拓展探究
15.如下图装置,A、B中的电极为多孔的惰性电极;C、D为夹在Na2SO4溶液浸湿的滤纸条上的铂夹;电源有a、b两极。若A、B中充满KOH溶液后倒立于KOH溶液的水槽中。切断K1,闭合K2、K3通直流电一段时间,回答下列问题:
(1)判断电源的正、负极:a为_________极,b为________极。
(2)在Na2SO4溶液浸湿的滤纸条中心的KMnO4液滴有什么现象?
____________________________________________________。
(3)写出电极反应式:A极____________,C极____________。
(4)若电解一段时间后,A、B中均有气体包围电极。此时切断K2、K3,闭合K1,则电流表的指针是否移动_____________(填“是”或“否”)。说明理由___________________。
参考答案
1解析:从能量角度看,电解是把电能转变成化学能的过程,故①对②错;电解质溶液的导电过程,必将伴随着氧化还原反应的发生,同时生成新的物质,故③⑤对;某些不能自发进行的氧化还原反应,通过电解供给电能也可以实现,故④对。所以D选项符合题意。
答案:D
2解析: 电解食盐水时发生的反应:
阳极:2Cl--2e-===Cl2↑ 阴极:2H++2e-===H2↑
总反应:
对照分析选项,A项错误;阳极附近的溶液中会溶有少量的Cl2,滴加KI溶液后发生反应:Cl2+2I-===I2+2Cl-,溶液呈棕黄色,B项正确;阴极附近产生大量的OH-,滴加酚酞后变红色,C项错误;电解后生成NaOH,溶液呈碱性,D项错误。
答案:B
3解析:金属发生氧化反应就是金属原子失去电子形成阳离子进入溶液。金属原子失去电子,可以是原电池中的活泼金属发生氧化反应而失去电子,也可以是在外加电源作用下失去电子发生氧化反应。A装置中Zn接的是电源的负极,锌表面发生还原反应;B、D中的Cu与Fe均是与比其活泼的金属相连接,右边电极表面发生还原反应;C装置中右边的Cu连接的是电源的正极,电源正极不断将铜片上的电子转移走,Cu2+进入溶液而铜电极不断溶解。
答案:C
4解析:电解饱和食盐水时,阴极生成H2,收集时试管口向下;阳极生成Cl2,通入淀粉碘化钾溶液时,溶液变蓝色。电子从直流电源负极流向电解池阴极,故正确的选项是D。
答案:D
5解析:本题是氧化还原与电解原理的应用问题。应用的原则就是串联电路导线上电流相等,其实就是它们转移的电子数相等。设转移3 ml电子,生成钾3 ml,生成镁3/2 ml,生成铝1 ml,则比值为6∶3∶2。
答案:D
6解析:由a极板质量增加,知溶液中阳离子在a极板析出,则a为阴极,x为负极;因B中a极板不析出金属,C中x为正极可否定;又由b极板有无色无味气体放出,否定D。
答案:A
7解析:Ag+与Cl-、Ba2+与均生成沉淀,相当于电解NaNO3溶液,实质是电解H2O,两极得到的产物为H2和O2。
答案:A
8解析:根据电解规律可知阴极反应:Cu2++2e-===Cu,增重0.064g,应是Cu的质量,根据总反应方程式:
2×64 g 4 ml
0.064 g n(H+)
n(H+)=0.002 ml,
答案:A
9解析:该电解池中阳极、阴极的电极反应式分别为:
阳极:4OH--4e-===2H2O+O2↑
阴极:2Cu2++4e-===2Cu
总反应式:
从乙中所给的图像看,每转移4 ml e-,E变化为2 ml,F变化为1 ml,因此E可表示生成Cu或消耗水或生成H2SO4的物质的量;F可表示生成O2的物质的量。
答案:C
10解析:甲中可发生自发的氧化还原反应,乙不能。因此甲为原电池,乙为电解池;a端显蓝色,说明H+反应使c(OH-)>c(H+),a为电解池阴极,则A为原电池负极,B为正极,C为阳极,D为阴极;乙中两极不发生变化,则阳极为铂,阴极为Cu。
答案:(1)甲:原电池 乙:电解池
(2)A 负极 Zn
B 正极 Ag
C 阳极 Pt
D 阴极 Cu
11解析:电解质溶液中,三个阶段分别为电解HCl、NaCl溶液和电解H2O。由于第二阶段是电解NaCl溶液,所以最后溶液pH>7。
答案:D
12解析:电解NaCl溶液时阴、阳极都产生气体;电解AgNO3溶液时阴极上产生单质银;电解CuSO4溶液时阴极上产生单质铜;所以随着电解的进行,阴极质量的增加量有如题图所示的变化。
答案:C
13解析:电解食盐水时供给0.2 ml电子,则消耗的H+为0.2 ml,同时产生OH- 0.2 ml,溶液体积为2 L,pH=13。
答案:C
14解析:B图中构成了氢氧燃料电池。b极消耗H2,为负极;a极消耗O2,为正极;电流方向为a→b。
答案:(1)4OH--4e-===2H2O+O2↑
4H++4e-===2H2↑
(2)a→b O2+2H2O+4e-===4OH-
2H2+4OH--4e-===4H2O
2H2+O2===2H2O
15解析:本题考查电解池的有关性质。①电解KOH溶液,实质上是电解水;根据4OH--4e-===2H2O+O2↑和4H++4e-===2H2↑可知,产生的氢气(阴极)的体积应是产生氧气(阳极)的体积的两倍。所以,从A、B中的气体体积可知:a为负极,b为正极。
答案:(1)负 正
(2)紫色向D方向移动
(3)4OH--4e-===2H2O+O2↑ 4H++4e-===2H2↑
(4)是 组成了氢氧燃料电池
第2课时 电解原理的应用
夯基达标
1.在电解水制取H2和O2时,为了增强溶液的导电性,常常需要加入一些电解质,最好选用下列物质中的 …( )
A.NaOHB.HClC.NaCl D.CuSO4
2.下列说法正确的是( )
A.电解CuCl2溶液时,阴极附近产生的气体使湿润的碘化钾淀粉试纸变蓝
B.原电池可以作电解池的电源
C.电解质溶液导电的过程就是其电离的过程
D.电解池中阴极发生氧化反应
3.下列有关叙述正确的是( )
A.原电池中电子流出极为正极
B.电解池中电子流出极为电源正极
C.原电池工作时负极发生氧化反应
D.电解池工作时阴极发生还原反应
4.下列描述中,不符合生产实际的是( )
A.电解熔融的氧化铝制取金属铝,用铁作阳极
B.电解法精炼粗铜,用纯铜作阴极
C.电解饱和食盐水制烧碱,用涂镍碳钢网作阴极
D.在镀件上电镀锌,用锌作阳极
5.某学生想制作一种家用环保型消毒液发生器,用石墨作电极电解饱和氯化钠溶液,通电时,为使Cl2被完全吸收,制得有较强杀菌能力的消毒液,设计了如右图所示的装置,则对电源电极名称和消毒液的主要成分判断正确的是 (〓〓)
A.a为正极,b为负极;NaClO和NaCl
B.a为负极,b为正极;NaClO和NaCl
C.a为阳极,b为阴极;HClO和NaCl
D.a为阴极,b为阳极;HClO和NaCl
6.下列关于电解法精炼粗铜的叙述中不正确的是( )
A.粗铜板作阳极
B.电解时,阳极发生氧化反应,而阴极发生的反应为:Cu2++2e-===Cu
C.粗铜中所含Ni、Fe、Au等金属杂质,电解后以单质形式沉积槽底,形成阳极泥
D.电解铜的纯度可达99.95%~99.98%
7.(2009山东聊城1月)下列说法不正确的是( )
A.电解池的阳极发生氧化反应,阴极发生还原反应
B.原电池与电解池连接后,电子从原电池负极流向电解池阳极
C.电镀时,电解池里的阳极材料发生氧化反应
D.电解饱和食盐水时,阴极得到NaOH和H2
8.电解CuCl2溶液时,如果阴极上有1.6 g铜析出,则阳极上产生气体的体积(标准状况)约为( )
L L L D.11.2 L
9.用含少量银和锌的粗铜作阳极,纯铜片作阴极,CuSO4溶液作电解液,电解一段时间后,阳极质量减少了x g,则( )
A.电解液质量增加x g
B.阴极质量增加x g
C.阴极质量增加a g,a>x
D.阴极质量增加b g,b
A.CuB.Cu和O2C.O2 D.H2
能力提升
11.某学生设计了一个“黑笔写红字”的趣味实验。滤纸先用氯化钠、无色酚酞的混合液浸湿,然后平铺在一块铂片上,接通电源后,用铅笔在滤纸上写字,会出现红色字迹。据此,下列叙述正确的是( )
A.铅笔端作阳极,发生还原反应
B.铂片端作阴极,发生氧化反应
C.铅笔端有少量的氯气产生
D.a点是负极,b点是正极
12.用石墨电极电解100 mL H2SO4与CuSO4的混合液,通电40 min后,两极均收集到2.24 L气体(标准状况),则原混合液中Cu2+的物质的量浓度为__________,通过电解槽的电流强度为__________(注:一个电子所带电量为1.6×10-19 C)。
13.工业上处理含的酸性工业废水常用以下方法:①往工业废水里加入适量的NaCl,搅拌均匀;②用Fe为电极进行电解,经过一段时间有Cr(OH)3和Fe(OH)3沉淀产生;③过滤回收沉淀,废水达到排放标准。
试回答:
(1)电解时的电极反应:阳极_________________________________________________,
阴极_________________________________________________________。
(2) 转变成Cr3+的离子反应方程式:____________________________________。
(3)电解过程中Cr(OH)3、Fe(OH)3沉淀是怎样产生的?
________________________________________________________________________。
(4)能否用Cu电极来代替Fe电极?____________(填“能”或“不能”),简述理由________
________________________________________________________________________。
14.(2009广东广州1月)下图是电解氯化钠溶液(含酚酞)的装置。有毒气体收集的装置省略没有画出,两电极均是惰性电极。
(1)a电极的名称为____________________。
(2)电解过程中观察到的现象____________________。
(3)检验N出口处气体的最简单的方法是____________________。
(4)电解的总反应离子方程式为____________________。
(5)若将b电极换成铁做电极,写出在电解过程中U形管底部出现的现象_____________。
拓展探究
15.铝和氢氧化钾都是重要的工业产品。
请回答:
(1)工业冶炼铝的化学方程式是____________________。
(2)铝与氢氧化钾溶液反应的离子方程是____________________。
(3)工业品氢氧化钾的溶液中含有某些含氧酸根杂质,可用离子交换膜法电解提纯。电解槽内装有阳离子交换膜(只允许阳离子通过),其工作原理如下图所示。
①该电解槽的阳极反应式是____________________。
②通电开始后,阴极附近溶液pH会增大,请简述原因____________________。
③除去杂质后的氢氧化钾溶液从液体出口___________________ (填写“A”或“B”)导出。
参考答案
1解析:加入电解质的目的是增强溶液的导电性,电解质电离出的离子不能参与电极反应。根据离子的放电顺序,应选NaOH。
答案:A
2解析:电解CuCl2溶液时,阴极析出铜,阳极放出氯气,A错误;原电池可以作电解池的电源,B正确;电解质溶液导电的过程就是其被电解的过程,C错误;电解池中阳极发生氧化反应,D错误。
答案:B
3解析:原电池中电子流出极为负极,电解池中电极分为阴、阳极,A、B都错误。
答案:CD
4解析:电解池中,铁作阳极,自然会溶解;工业上是用石墨作电极电解Al2O3制得纯铝,A为正确选项;精炼铜时,粗铜作阳极,纯铜作阴极,B说法正确;C、D均无误。
答案:A
5解析:本题从电极名称和电解后溶液的主要成分两方面进行设问。首先,a、b电极为电源上的电极,原电池的电极名称与电解池的电极名称不同,应为正极或负极,排除选项C和D。其次,如图所示的电解池中,要使Cl2能被溶液“完全吸收”,是让上边的电极产生Cl2,还是让下边的电极产生Cl2呢?显然为后者,因为只有让阳极产生的Cl2通过碱溶液,Cl2才能被完全吸收。第三,电解池中产生Cl2的阳极对应的电源电极名称是正极。
答案:B
6解析:电解精炼铜时,粗铜作阳极,纯铜作阴极,含铜离子的盐溶液作电解质溶液,阴极发生的反应为:Cu2++2e-===Cu;阳极粗铜中Fe、Ni均参与放电,以离子的形式进入溶液,而Ag、Au不参与放电以单质形式沉积槽底,形成阳极泥。
答案:C
7解析:电解池工作时,阳离子移向阴极,在阴极上得电子,发生还原反应,阴离子在阳极上发生氧化反应,A正确;原电池与电解池连接后,电子从原电池负极流向电解池阴极,B错误;电镀装置中电极上发生的反应与电解池相同,C正确;电解饱和食盐水时,阴极上首先析出H2,破坏了水的电离平衡,阴极附近OH-浓度增大,阴极得到NaOH和H2是正确的。
答案:B
8解析:电解CuCl2溶液时,阴极上析出铜,阳极上放出氯气,二者的物质的量相等。
答案:B
9解析:电极反应式为:阳极Zn-2e-===Zn2+,Cu-2e-===Cu2+,阴极Cu2++2e-===Cu,故阳极减少的质量大于阴极增加的质量,使溶液质量增加,但增加值小于x。
答案:D
10答案:A
11解析:本题实际是对以铂片、铅笔(石墨)为电极电解NaCl溶液的实验的讨论。在电解时铅笔作阴极连在电源的负极。铅笔这一极的电极反应式为2H++2e-===H2↑,这样在铅笔走过的地方就有较多的OH-产生,所以会出现红色字迹。综合分析知D正确。
答案:D
12解析:阳极生成的是O2,阳极上失电子物质的量为阴极上生成H2,,H+得电子0.2 ml,则根据电子守恒知,Cu2+得电子0.4 ml-0.2 ml=0.2 ml,溶液中Cu2+物质的量为0.1 ml,Cu2+的物质的量浓度为1 ml·L-1。由Q=It=nNAe得,通过电解槽的电流强度为
答案:1 ml·L-1 16 A
13解析:由于Cr(Ⅵ)的化合物毒性远高于Cr(Ⅲ)化合物,将Cr(Ⅵ)转化为Cr(Ⅲ),对废水进行处理是电化学知识在实际生活中的具体运用。在处理有关问题时,应注意思维的有序性:首先应考虑,溶液中阴阳离子在外电场作用下的定向迁移;然后再考虑阴阳两极按放电顺序可能发生的电极反应。阴极:2H++2e-===H2↑,阳极:Fe-2e-===Fe2+,产生的Fe2+在向阴极迁移的过程中与向阳极迁移的发生氧化还原反应:
使转化为Cr3+,同时Fe2+也转化为Fe3+。在以上电解的阴极反应及Fe2+与的氧化还原反应中都消耗了大量的H+,溶液的pH不断变大,有利于Fe3+、Cr3+水解生成相应的Fe(OH)3、Cr(OH)3沉淀。若将Fe电极改为Cu电极,由于产生的Cu2+不具有还原性,不能将转化为毒性较低的Cr3+,显然是不行的。
在实际解题过程中,有许多同学会根据的氧化性强于H+,简单地将阴极反应当作是得电子,这就会导致以后对试题中相关问题的处理含糊不清。这主要是没有将电解过程中的几个不同层次的问题有序地加以分析和处理所致。
答案:(1)Fe-2e-===Fe2+ 2H++2e-===H2↑
(2)
(3)在阴极反应及与Fe2+反应过程中,将消耗大量的H+,使溶液pH上升,促使Fe3+、Cr3+水解并最终转化为Fe(OH)3、Cr(OH)3沉淀
(4)不能 因为阳极产生的Cu2+不能使还原到低价
14解析:根据电子的流向,可以判断a极的名称,a极连接的是直流电源电子流出的一极,为负极,因此,a极是电解池的阴极;那么b极为阳极,产物为Cl2,检验Cl2的方法是用湿润的淀粉碘化钾试纸;当将b极改为铁电极时,铁失去电子变成阳离子进入溶液,与阴极放出H2后剩余的OH-结合,首先生成Fe(OH)2沉淀,然后沉淀转化为Fe(OH)3。
答案:(1)阴极
(2)两极均有气泡产生;a极区溶液变成红色;b极液面上气体为黄绿色;b极区溶液变为浅黄绿色
(3)用湿润的淀粉碘化钾试纸检验,使试纸变蓝说明生成的是Cl2
(4)
(5)底部有白色沉淀产生,很快变为灰绿色,最终变为红褐色
15解析:(1)金属铝的冶炼是电解熔融Al2O3;(2)铝与强碱溶液反应放出氢气生成偏铝酸盐;(3)结合题中给出的信息提示进行解题:①溶液中存在的阴离子为OH-和含氧酸根,应是OH-先放电;②溶液中存在阳离子为K+和H+,应是H+先放电;在阴极由于 H+放电,H+不断减少,水电离平衡正向移动,OH-浓度增大,pH增大;③K+可通过阳离子交换膜流向B口,B口的OH-不断增多,但无法通过阳离子交换膜,故氢氧化钾溶液从B口导出。
答案:(1)
(2)
(3)①4OH--4e-===2H2O+O2↑ ②H+放电,促进水的电离,使阴极附近的溶液中c(OH-)>c(H+) ③B
a极板
b极板
x电极
Z溶液
A
锌
石墨
负极
CuSO4
B
石墨
石墨
负极
NaOH
C
银
铁
正极
AgNO3
D
铜
石墨
负极
CuCl2
高中化学人教版 (新课标)选修4 化学反应原理第三节 化学平衡一课一练: 这是一份高中化学人教版 (新课标)选修4 化学反应原理第三节 化学平衡一课一练,共15页。试卷主要包含了在密闭容器中进行如下反应,4ml·L-1,Y2为1,已知反应,下列说法正确的是,已知等内容,欢迎下载使用。
人教版 (新课标)选修4 化学反应原理第一节 原电池同步练习题: 这是一份人教版 (新课标)选修4 化学反应原理第一节 原电池同步练习题,共5页。试卷主要包含了有关原电池的下列说法中正确的是,下列装置可以构成原电池的是,某化学兴趣小组同学设计如图装置,依据氧化还原反应等内容,欢迎下载使用。
高中化学人教版 (新课标)选修4 化学反应原理第一节 原电池习题: 这是一份高中化学人教版 (新课标)选修4 化学反应原理第一节 原电池习题,共7页。试卷主要包含了原电池的正极一定是,下列叙述正确的是等内容,欢迎下载使用。

