人教版九年级上册第六单元 碳和碳的氧化物综合与测试单元测试习题
展开新人教版九年级上册《第6章碳和碳的氧化物》 2019年单元测试卷
学校:___________姓名:___________班级:___________考号:___________
一、单选题(本大题共14小题,共42.0分)
实验室制取二氧化碳,不选用的仪器是( )
A. 长颈漏斗B. 酒精灯C. 集气瓶D. 导管
下列对应关系不正确的是( )
A. 煤气中毒----CO引起B. Al(OH)3----治疗胃酸过多
C. H2作燃料----可燃性D. 纯碱----属于碱
括号内是区别下列各组常见物质的方法,其中错误的是( )
A. 蒸馏水与食盐水 (过滤)B. 金刚石和玻璃(硬度)
C. O2和CO2 (澄清石灰水)D. 水和白酒 (气味)
下列关于碳及其化合物的说法,正确的是( )
A. CO和CO2都可将氧化铜还原成铜
B. 在室内放一盆澄清石灰水可防止CO中毒
C. 大量CO2的排放会导致温室效应
D. 铅笔字迹易变模糊是因为常温下石墨化学性质活泼
物质的组成、结构决定性质。下列有关说法错误的是( )
A. 氧气与氮气的化学性质不同的原因是分子构成不同
B. 氧气和液氧都具有助燃性的原因是它们都由氧分子构成
C. 蔗糖与葡萄糖灼烧都得到炭黑的原因是它们都含有碳元素
D. 金刚石与石墨物理性质差异大是由于碳原子的结构不同
下列物质与用途对应关系不正确的是( )
A. 干冰--作人工降雨剂B. 活性炭--用于吸附色素
C. 石墨--作铅笔芯D. 氧气--作燃料
除去下列物质中的少量杂质,所选用的试剂及操作方法均正确的是( )
A. AB. BC. CD. D
通过以下方法无法达到区分目的是( )
A. AB. BC. CD. D
下列关于碳的化学性质的叙述中,错误的是( )
A. 碳的化学性质很活泼
B. 碳与O2反应可生成CO2也可生成CO
C. 炽热的碳与CO2反应生成CO,这个反应需要吸热
D. 碳在空气中燃烧时放出热量,是一种重要的能量
对比是学习化学的重要方法,下列关于CO2与CO的叙述正确的是( )
A. CO2和CO的化学性质相同
B. CO2和CO都能溶于水
C. CO2可用于光合作用,CO可用于人工降雨
D. CO2会造成温室效应,CO易与血液中的血红蛋白结合引起中毒
下列事实中,利用物质化学性质的是( )
A. 汽油作燃料B. 干冰用于人工降雨
C. 铜作导线D. 石墨用于制铅笔芯
下列做法可以达到预期目的是( )
A. 用排水法收集干燥的O2
B. 用燃着的小木条验证某气体是CO2
C. 用托盘天平称取10.58 g食盐
D. 点燃蜡烛,通过生成物来验证其含有碳、氢元素
下列实验方法一定能达到实验目的是( )
A. AB. BC. CD. D
除去下列物质中的杂质,选用试剂或操作方法正确是( )
A. AB. BC. CD. D
二、填空题(本大题共4小题,共10.0分)
请从下列物质中,选择合适物质的序号填空①氧气②一氧化碳③二氧化碳④水、⑤肥皂水、⑥木炭等物质完成下列填空:
(1)能使带火星的木条复燃的是______;
(2)具有吸附作用的物质是______;
(3)有剧毒性的物质是______;
(4)能使紫色石蕊溶液变红的是______;
(5)可用于区别硬水和软水的是______.
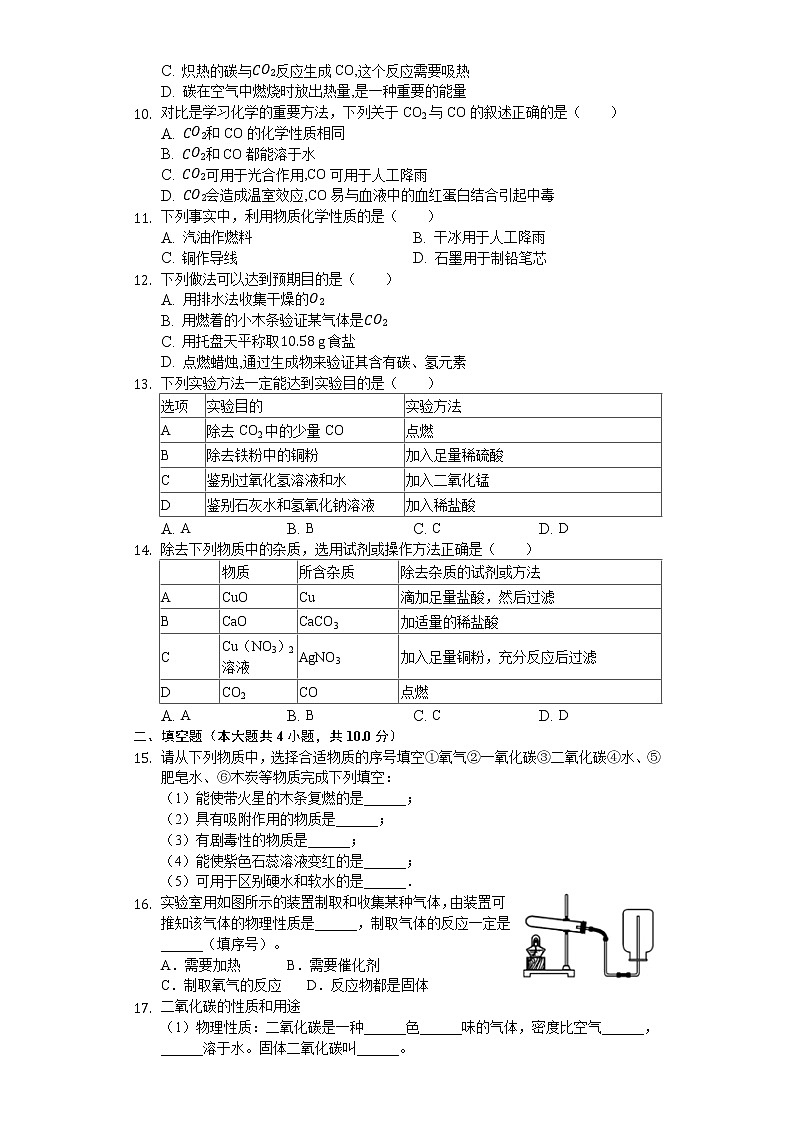
实验室用如图所示的装置制取和收集某种气体,由装置可推知该气体的物理性质是______,制取气体的反应一定是______(填序号)。
A.需要加热 B.需要催化剂
C.制取氧气的反应 D.反应物都是固体
二氧化碳的性质和用途
(1)物理性质:二氧化碳是一种______色______味的气体,密度比空气______,______溶于水。固体二氧化碳叫______。
化学性质:
(1)不能燃烧,也不______。
(2)与水能反应生成碳酸,反应的化学方程式为______,碳酸很不稳定,易分解,化学方程式为______。
(3)可使澄清石灰水______,化学方程式为______。此反应可用于实验室检验二氧化碳。
用途:
(1)促进植物______;
(2)可用于______;
(3)生产化肥及作气体肥料;
(4)用于______等。
A、B、C、D为初中化学常见的四种物质,它们之间有如图所示的转化和反应关系(“→”表示某一种物质经一步反应可转化为另一种物质,“-”表示相连两物质能发生化学反应,部分反应物、生成物及反应条件已略去)
(1)若A、B、C、D中均含有一种相同的元素,常温下,A为无色液体,C为黑色固体,则A为______,C与D发生的化学反应______(填“是”或“不是”)置换反应。
(2)若A、B、C、D为四种不同类别的化合物,C在生活中可用来除油污,且C的固体可作某些气体的干燥剂,则A为______,写出B→C这一反应的化学方程式______。
三、计算题(本大题共3小题,共13.0分)
实验室部分仪器或装置如图1所示,请回答下列问题:
(1)若要组装一套二氧化碳的发生和收集装置,可选择图中的 ______ (填仪器下方的字母),写出实验室制取二氧化碳的化学方程式 ______ .
(2)若用氯酸钾制取氧气,还要补充的实验仪器是 ______ ,写出用氯酸钾制取氧气的化学方程式 ______ ,用图2所示装置收集氧气,氧气应从 ______ (填“a”或“b”)端导入.
溶质质量分数为20%的盐酸146克与足量的大理石充分反应,生成二氧化碳的质量是多少?
某化学兴趣小组为了测定某石灰石样品中碳酸钙的质量分数,取用2.0g石灰石样品,把25.0g稀盐酸分五次加入样品中(样品中的杂质既不与盐酸反应,也不溶解于水),每次充分反应后都经过滤、干燥、称量,得实验数据如下:
计算:
(1)m=______g。
(2)石灰石中碳酸钙的质量分数为______。
(3)2.0g石灰石样品与足量稀盐酸反应,产生二氧化碳的质量是多少?(写出解题过程)
四、推断题(本大题共1小题,共10.0分)
甲、乙、丙、丁、戊是初中化学常见的物质,其中丁是大理石的主要成分,乙的固体俗称干冰,它们之间部分转化关系如右图所示。(“→“表示某种物质经一步反应可转化成另一种物质,“一”表示两种物质能发生化学反应)。
(1)乙的化学式为______。
(2)丁→丙反应的化学方程式为______。
(3)丙和戊反应的现象是______。
(4)关于甲以及甲→丙的反应,有如下说法,其中正确的是______。
A.甲可能是金属
B.甲可能具有可燃性
C.甲→丙的反应可能属于分解反应
D.甲→丙的反应可能属于化合反应
(5)若甲常温下是黑色固体,则甲→乙的化学方程式为______。
五、简答题(本大题共1小题,共5.0分)
化学小组在做实验时,不小心将固体食盐中混入了氢氧化钠,但不知是否又混入了氢氧化钙和碳酸钙中的一种或两种,请按要求回答问题:
(1)确定成分:
(2)除去杂质:
①将余下的固体药品放入大烧杯中并向其中加入足量的蒸馏水,使其完全溶解,再向烧杯中加入过量的______,目的是______,最后进行过滤.
②向实验①所得的滤液中加入过量的______.
③将实验②所得的溶液采用______的方法,便可以得到纯净的食盐固体.
六、探究题(本大题共1小题,共10.0分)
请根据如图提供的实验装置(部分铁架台、铁夹略)回答有关问题。
(1)实验室利用过氧化氢溶液和二氧化锰制氧气,发生反应的化学方程式为______,
如果改用高锰酸钾制氧气,发生反应的化学方程式为______,所使用制气发生装置为(填代号,下同)______,收集装置为______。
(2)实验室制取二氧化碳,发生反应的化学方程式为______,实验装置为______。
(3)实验室用一氧化碳还原四氧化三铁的化学方程式为______,使用的装置为______。
答案和解析
1.【答案】B
【解析】解:A、二氧化碳的制取要用稀盐酸,长颈漏斗的作用就是添加稀盐酸。故A可选用;
B、实验室制取二氧化碳是在常温下进行的,不需要加热,所以不选用酒精灯。故B不选用;
C、所制取的二氧化碳要用集气瓶来收集。故C可选用;
D、导管连接在反应器和收集瓶之间,可导出制取的气体。
故选:B。
反应条件是选择发生装置的依据之一,也是选择仪器的依据.根据二氧化碳的制取不需加热选择.
A、长颈漏斗用于添加稀盐酸;
B、制取二氧化碳的反应是常温,不需加热;
C、集气瓶用来收集制取的气体;
D、导管用来导出反应的气体.
本题考查实验仪器的选用.要求学生对常见实验装置熟悉了解.
2.【答案】D
【解析】解:A、煤气的主要成分是一氧化碳,一氧化碳有毒,所以煤气中毒主要有一氧化碳引起,正确;
B、氢氧化铝可与酸反应,所以可用来治疗胃酸过多,正确;
C、氢气具有可燃性,所以可作燃料,正确;
D、纯碱是碳酸钠,碳酸钠由钠元素和酸根组成;而碱是由金属元素和氢氧根组成,所以碳酸钠不是碱,是盐,故错误;
故选:D。
A、根据煤气的主要成分是一氧化碳,而一氧化碳有毒判断;
B、根据氢氧化铝的化学性质和用途判断;
C、根据氢气的性质和用途分析判断;
D、根据纯碱是碳酸钠及其组成分析判断.
本题考查了一些常见物质的用途,在平常的生活中要注意知识的积累,并根据题意逐一分析解答.
3.【答案】A
【解析】解:A、对两种液体进行过滤,由于氯化钠溶解在水中,在滤纸上不能剩下任何固体物质;因此,过滤不能区别水和食盐水;故A方法不正确;
B、取金刚石和玻璃相互刻划,出现划痕的硬度小,没有出现划痕的硬度大,现象不同,可以鉴别;故B方法正确;
C、取样品,加入澄清石灰水,振荡,溶液变浑浊的是二氧化碳,溶液没有明显现象的是氧气,现象不同,可以鉴别,故C方法正确;
D、闻气味,闻到有特殊香味的为白酒;闻到酸味的为白醋;故D方法正确;
故选:A。
蒸馏水为纯净的水,食盐水中却含有氯化钠;但氯化钠溶解在水中,形成溶液;
根据金刚石的硬度比玻璃的硬度大进行分析;
根据二氧化碳和氢氧化钙反应会生成碳酸钙沉淀进行分析;
根据白酒有芳香气味,白醋有酸味进行分析。
在解此类题时,首先分析被鉴别物质的性质,然后选择适当的试剂和方法,出现不同的现象即可鉴别。
4.【答案】C
【解析】解:A、一氧化碳具有还原性,可将氧化铜还原成铜;二氧化碳不具有还原性,不能将氧化铜还原成铜;故选项说法错误。
B、一氧化碳难溶于水,在室内放一盆澄清石灰水不能防止CO中毒,故选项说法错误。
C、大量CO2的排放会导致温室效应,故选项说法正确。
D、碳在常温下石墨的化学性质不活泼,铅笔字迹易变模糊是因为发生了物理作用的摩擦让碳分散导致字迹模糊,故选项说法错误。
故选:C。
A、根据一氧化碳具有还原性、二氧化碳不具有还原性进行分析判断。
B、根据一氧化碳难溶于水进行分析判断。
C、根据二氧化碳的性进行分析判断。
D、碳在常温下石墨的化学性质不活泼,根碳单质的性质与用途进行分析判断
本题难度不大,掌握一氧化碳与二氧化碳的物理性质、化学性质、碳单质的性质与用途等是正确解答本题的关键。
5.【答案】D
【解析】解:A、氧气与氮气化学性质不同,是因为它们分子的构成不同,不同种的分子性质不同,故选项说法正确。
B、由于氧气和液氧都是由氧分子构成的,同种物质的分子性质相同。所以,氧气和液氧都具有助燃性,故选项说法正确。
C、蔗糖与葡萄糖灼烧后都变成炭黑,说明它们都含有碳元素,故选项说法正确。
D、金刚石与石墨物理性质差异较大的原因碳原子的排列方式不同,故选项说法错误。
故选:D。
A、根据分子的基本性质,进行分析判断。
B、根据同种物质的分子性质相同进行分析判断。
C、根据质量守恒定律进行分析判断。
D、根据金刚石和石墨性质差异较大的原因,进行分析判断。
本题难度不大,物质的结构决定物质的性质,了解碱与酸具有相似化学性质的原因、分子的基本性质等是正确解答本题的关键。
6.【答案】D
【解析】解:A、干冰(固体的二氧化碳)升华时吸收大量的热,可用于人工降雨,故选项说法正确。
B、活性炭具有吸附性,能吸附异味和色素,故选项说法正确。
C、石墨质软,在纸张上刻画时容易留下痕迹,因此可作铅笔芯,故选项说法正确。
D、氧气具有助燃性,不具有可燃性,不能做燃料,故选项说法错误。
故选:D。
物质的性质决定物质的用途,根据常见化学物质的性质和用途进行分析判断即可.
本题难度不大,物质的性质决定物质的用途,掌握常见化学物质的性质和用途是正确解答此类题的关键.
7.【答案】D
【解析】解:A、FeSO4溶液和CuSO4均能与锌粉反应,不但能把杂质除去,也会把原物质除去,不符合除杂原则,故选项所采取的方法错误。
B、除去二氧化碳中的一氧化碳不能够通氧气点燃,这是因为当二氧化碳(不能燃烧、不能支持燃烧)大量存在时,少量的一氧化碳是不会燃烧的;且除去气体中的气体杂质不能使用气体,否则会引入新的气体杂质,故选项所采取的方法错误。
C、CaO固体能与水反应微溶的氢氧化钙,碳酸钙不溶于水,不但能把杂质除去,也会把原物质除去,不符合除杂原则,故选项所采取的方法错误。
D、Na2CO3能与过量稀盐酸反应生成氯化钠、水和二氧化碳,再蒸干除去水分和盐酸,能除去杂质且没有引入新的杂质,符合除杂原则,故选项所选用的试剂及操作方法均正确。
故选:D。
根据原物质和杂质的性质选择适当的除杂剂和分离方法,所谓除杂(提纯),是指除去杂质,同时被提纯物质不得改变.除杂质题至少要满足两个条件:①加入的试剂只能与杂质反应,不能与原物质反应;②反应后不能引入新的杂质.
物质的分离与除杂是中考的重点,也是难点,解决除杂问题时,抓住除杂质的必需条件(加入的试剂只与杂质反应,反应后不能引入新的杂质)是正确解题的关键.
8.【答案】B
【解析】解:A、空气和氧气,用带火星木条检验,复燃的是氧气,不变的是空气,正确但不符合题意,故选项错误;
B、水和双氧水都是无色液体,观察颜色不可行,错误符合题意,故选项正确;
C、活性炭和二氧化锰,能使红墨水褪色的是活性炭,不变的是二氧化锰,正确但不符合题意,故选项错误;
D、二氧化碳和氨气分别通入澄清石灰水中,变浑浊的是二氧化碳,不变的是氨气,正确但不符合题意,故选项错误;
故选:B。
A、空气和氧气,用带火星木条检验,复燃的是氧气,不变的是空气;B、水和双氧水都是无色液体,观察颜色不可行;C、活性炭和二氧化锰,能使红墨水褪色的是活性炭,不变的是二氧化锰;D、二氧化碳和氨气分别通入澄清石灰水中,变浑浊的是二氧化碳,不变的是氨气。
本考点属于物质的鉴别题,是通过对实验方法和过程的探究,在比较鉴别的基础上,得出了正确的实验结论。本考点是中考的重要内容之一,是通过实验现象,从而得出物质的组成。此考点主要出现在填空题和实验题中。
9.【答案】A
【解析】解:A、碳的化学性质不活泼,故选项说法错误。
B、碳与O2反应充分燃烧可生成CO2,不充分燃烧可生成CO,故选项说法正确。
C、炽热的碳与CO2反应生成CO,这个反应是吸热反应,故选项说法正确。
D、碳在空气中燃烧时放出热量,是一种重要的能量,故选项说法正确。
故选:A。
A、根据碳的化学性质进行分析判断.
B、根据碳的可燃性进行分析判断.
C、根据二氧化碳的化学性质进行分析判断.
D、根据碳的可燃性进行分析判断.
本题难度不大,考查碳的化学性质,熟练掌握碳的化学性质是正确解答本题的关键.
10.【答案】D
【解析】解:A、CO2和CO的分子构成不同,化学性质不同,故A说法错误;
B、二氧化碳能溶于水,1体积水溶解1体积二氧化碳,一氧化碳难溶于水,故B说法错误;
C、二氧化碳可用于光合作用也可用于人工降雨,一氧化碳不能用于人工降雨,故C说法错误;
D、CO2会造成温室效应,CO易与血液中的血红蛋白结合引起中毒,故D说法正确。
故选:D。
A、根据二氧化碳和一氧化碳的性质考虑;
B、根据它们的溶解性考虑;
C、根据二氧化碳、一氧化碳的用途考虑;
D、根据二氧化碳对环境的影响和一氧化碳的毒性分析。
解答本题关键是要熟记二氧化碳和一氧化碳的性质和用途,属于基础知识的考查,难度较小。
11.【答案】A
【解析】解:A、汽油作燃料,是因为汽油具有可燃性,需要通过化学变化表现出来,属于物质的化学性质;
B、干冰用于人工降雨,是因为干冰升华时吸热,不需要通过化学变化表现出来,属于物质的物理性质;
C、铜用作导线,是因为铜检验导电性,不需要通过化学变化表现出来,属于物质的物理性质;
D、石墨用于制铅笔芯,是因为石墨刻划时容易留下痕迹,不需要通过化学变化表现出来,属于物质的物理性质。
故选:A。
需要通过化学变化表现出来的性质,属于物质的化学性质,不需要通过化学变化表现出来的性质,属于物质的物理性质。
物理性质、化学性质是一对与物理变化、化学变化有密切关系的概念,联系物理变化、化学变化来理解物理性质和化学性质,则掌握起来并不困难。
12.【答案】D
【解析】解:A、氧气不易溶于水,可以用排水法收集,但是利用排水法收集的氧气中含有少量水蒸气,因此用排水法收集不到干燥的氧气,该选项不能达到实验目的;
B、能使燃着的小木条熄灭的气体很多,例如二氧化碳、氮气、稀有气体等,因此用燃着的小木条不能验证某气体一定是二氧化碳,该选项不能达到实验目的;
C、用托盘天平不能称取10.58g食盐,该选项不能达到实验目的;
D、在蜡烛火焰上方罩一个干冷的烧杯,烧杯内壁出现水珠,说明反应生成了水,进一步说明蜡烛中含有氢元素,把烧杯翻转过来,加入适量澄清石灰水,振荡,澄清石灰水变浑浊,说明生成了二氧化碳,进一步说明蜡烛中含有碳元素,该选项能够达到实验目的。
故选:D。
A、氧气不易溶于水,密度比空气大;
B、二氧化碳不能燃烧,不支持燃烧;
C、托盘天平只能够精确到0.1g;
D、蜡烛燃烧生成水和二氧化碳。
合理设计实验,科学地进行实验、分析实验,是得出正确实验结论的前提,因此要学会设计实验、进行实验、分析实验,为学好化学知识奠定基础。
13.【答案】C
【解析】解:A、除去二氧化碳中的一氧化碳不能够点燃,这是因为当二氧化碳(不能燃烧、不能支持燃烧)大量存在时,少量的一氧化碳是不会燃烧的;故选项实验方法不能达到实验目的.
B、铜粉与稀硫酸不反应,铁能与稀硫酸反应生成硫酸亚铁溶液和氢气,反而会把原物质除去,不符合除杂原则,故选项实验方法不能达到实验目的.
C、过氧化氢溶液在二氧化锰的催化作用下生成水和氧气,水不能,可以鉴别,故选项实验方法能达到实验目的.
D、石灰水和氢氧化钠溶液均能与稀盐酸发生中和反应,分别生成氯化钙和水、氯化钠和水,但均无明显变化,不能鉴别,故选项实验方法不能达到实验目的.
故选:C.
A、除杂质题至少要满足两个条件:①加入的试剂只能与杂质反应,不能与原物质反应;②反应后不能引入新的杂质.
B、除杂质题至少要满足两个条件:①加入的试剂只能与杂质反应,不能与原物质反应;②反应后不能引入新的杂质.
C、根据两种物质与同种试剂反应产生的不同现象来鉴别它们,若两种物质与同种物质反应的现象相同,则无法鉴别它们.
D、根据两种物质与同种试剂反应产生的不同现象来鉴别它们,若两种物质与同种物质反应的现象相同,则无法鉴别它们.
本题难度不是很大,化学实验方案的设计是考查学生能力的主要类型,同时也是实验教与学难点,在具体解题时要对其原理透彻理解,可根据物质的物理性质和化学性质结合实验目的进行分析判断.
14.【答案】C
【解析】解:A、CuO能与稀盐酸反应生成氯化铜和水,铜不与稀盐酸反应,反而会把原物质除去,不符合除杂原则,故选项所采取的方法错误。
B、CaO和CaCO3均能与稀盐酸反应,不但能把杂质除去,也会把原物质除去,不符合除杂原则,故选项所采取的方法错误。
C、足量铜粉能与AgNO3溶液反应生成硝酸铜溶液和银,充分反应后过滤,能除去杂质且没有引入新的杂质,符合除杂原则,故选项所采取的方法正确。
D、除去二氧化碳中的一氧化碳不能够点燃,这是因为当二氧化碳(不能燃烧、不能支持燃烧)大量存在时,少量的一氧化碳是不会燃烧的;故选项所采取的方法错误。
故选:C。
根据原物质和杂质的性质选择适当的除杂剂和分离方法,所谓除杂(提纯),是指除去杂质,同时被提纯物质不得改变。除杂质题至少要满足两个条件:①加入的试剂只能与杂质反应,不能与原物质反应;②反应后不能引入新的杂质。
物质的分离与除杂是中考的重点,也是难点,解决除杂问题时,抓住除杂质的必需条件(加入的试剂只与杂质反应,反应后不能引入新的杂质)是正确解题的关键。
15.【答案】① ⑥ ② ③ ⑤
【解析】解:(1)氧气有助燃性,所以能使带火星的木条复燃的是①;
(2)活性炭具有吸附性,所以具有吸附作用的物质是⑥;
(3)一氧化碳有毒,故选②;
(4)二氧化碳和水反应生成碳酸,碳酸能使紫色石蕊变红色,故选③;
(5)肥皂水在硬水中产生的泡沫少在软水中产生的泡沫多,所以可用于区别硬水和软水的是⑤.
故答案为:(1)①;
(2)⑥;
(3)②;
(4)③;
(5)⑤.
(1)根据氧气有助燃性,能使带火星的木条复燃进行分析;
(2)根据活性炭具有吸附性进行分析;
(3)根据一氧化碳有毒进行分析;
(4)根据二氧化碳和水反应生成碳酸,碳酸能使紫色石蕊变红色进行分析;
(5)根据肥皂水在硬水和软水中的不同现象进行分析.
本题难度不大,熟练掌握常见物质的性质、用途是正确解答此类题的关键所在.
16.【答案】密度比空气小,且不与空气成分发生反应 AD
【解析】解:用该装置来制取气体,说明反应物是固体加热制取气体,但不能说明一定使用了催化剂;用向下排空气法来收集,说明该气体的密度比空气小,不会是氧气;
故答案为:密度比空气小,且不与空气成分发生反应;AD。
根据制取气体的装置与收集气体的方法来分析。
掌握常见实验的注意事项以及制取和收集气体装置的选择依据是解题的关键。
17.【答案】无 无 大 能 干冰 支持燃烧 H2O+CO2=H2CO3 H2CO3=H2O+CO2↑ 变浑浊 Ca(OH)2+CO2=CaCO3↓+H2O 光合作用 制碳酸型饮料 灭火
【解析】解:物理性质:
(1)二氧化碳是一种无色无味的气体;密度比空气大,能溶于水;固体二氧化碳叫干冰;
化学性质:
(1)不能燃烧,也不支持燃烧;
(2)二氧化碳和水反应生成碳酸,化学方程式为:H2O+CO2=H2CO3;碳酸很不稳定,易分解生成水和二氧化碳,化学方程式为:H2CO3=H2O+CO2↑;
(3)二氧化碳可使澄清石灰水变浑浊生成碳酸钙和水,化学方程式为:Ca(OH)2+CO2=CaCO3↓+H2O;
用途:
(1)促进植物光合作用;
(2)可用于制碳酸型饮料;
(4)用于灭火等。
故答案为:
物理性质:
(1)无;无;大;能;干冰;
化学性质:
(1)支持燃烧;
(2)H2O+CO2=H2CO3;H2CO3=H2O+CO2↑;
(3)变浑浊;Ca(OH)2+CO2=CaCO3↓+H2O;
用途:
(1)光合作用;
(2)制碳酸型饮料;
(4)灭火。
物理性质:
(1)根据二氧化碳的物理性质进行分析解答;
化学性质:
(1)根据二氧化碳的化学性质进行分析解答;
(2)根据反应物、生成物和反应条件书写化学方程式;
(3)根据二氧化碳能使澄清石灰水变浑浊进行分析解答;根据反应物、生成物和反应条件书写化学方程式;
用途:根据二氧化碳的用途进行分析解答。
掌握二氧化碳的性质和用途是解答本题的关键,难度不大。
18.【答案】水 不是 二氧化碳 Na2CO3+Ca(OH)2=CaCO3↓+2NaOH
【解析】解:A、B、C、D为初中化学常见的四种物质,
(1)若A、B、C、D中均含有一种相同的元素,常温下,A为无色液体,C为黑色固体,A和B会相互转化,B会生成C,所以A是水,B是氧气,C是氧化铜,D是一氧化碳,经过验证,推导正确,所以A是水,一氧化碳和氧化铜反应生成铜和二氧化碳的反应不是置换反应;
(2)若A、B、C、D为四种不同类别的化合物,C在生活中可用来除油污,且C的固体可作某些气体的干燥剂,所以C是氢氧化钠,B可以是碳酸钠,A和碳酸钠会相互转化,所以A是二氧化碳,D可以是盐酸,经过验证,推导正确,所以A是二氧化碳,B→C的反应是氢氧化钙和碳酸钠反应生成碳酸钙沉淀和氢氧化钠,化学方程式为:Na2CO3+Ca(OH)2=CaCO3↓+2NaOH。
故答案为:(1)水,不是;
(2)二氧化碳,Na2CO3+Ca(OH)2=CaCO3↓+2NaOH。
根据A、B、C、D为初中化学常见的四种物质,若A、B、C、D中均含有一种相同的元素,常温下,A为无色液体,C为黑色固体,A和B会相互转化,B会生成C,所以A是水,B是氧气,C是氧化铜,D是一氧化碳;若A、B、C、D为四种不同类别的化合物,C在生活中可用来除油污,且C的固体可作某些气体的干燥剂,所以C是氢氧化钠,B可以是碳酸钠,A和碳酸钠会相互转化,所以A是二氧化碳,D可以是盐酸,然后将推出的物质进行验证即可。
在解此类题时,首先将题中有特征的物质推出,然后结合推出的物质和题中的转化关系推导剩余的物质,最后将推出的各种物质代入转化关系中进行验证即可。
19.【答案】ABCDF;CaCO3+2HCl=CaCl2+H2O+CO2↑;酒精灯;2KClO3.MnO2△2KCl+3O2↑;a
【解析】解:(1)二氧化碳制取的发生装置为固液混合不加热装置,收集方法只能用向上排空气法,所以可选择图中的ABCDF,碳酸钙和盐酸反应生成氯化钙、水和二氧化碳,化学方程式为:CaCO3+2HCl=CaCl2+H2O+CO2↑;
(2)实验室用氯酸钾制取氧气,需要酒精灯进行加热,所以还要补充的实验仪器是酒精灯,氯酸钾在二氧化锰的催化作用下加热生成氯化钾和氧气,化学方程式为:2KClO3.MnO2△2KCl+3O2↑,氧气不易溶于水,密度比水小,所以用图2所示装置收集氧气,氧气应从a端通入.
故答案为:(1)ABCDF,CaCO3+2HCl=CaCl2+H2O+CO2↑;
(2)酒精灯,2KClO3.MnO2△2KCl+3O2↑,a.
(1)根据实验室制取气体的发生装置选择的依据为反应物的状态和反应的条件,收集装置的选择依据气体本身的密度、溶解性等物理性质,碳酸钙和盐酸反应生成氯化钙、水和二氧化碳进行分析;
(2)根据实验室用氯酸钾制取氧气,需要酒精灯进行加热,氯酸钾在二氧化锰的催化作用下加热生成氯化钾和氧气,氧气不易溶于水,密度比水小进行分析.
气体的实验室制法主要从药品、反应原理、发生装置、收集装置、检验、验满及实验操作注意事项等方面进行比较、归纳,总结实验室制取气体的一般思路和方法.
20.【答案】解:设生成二氧化碳的质量为x。
CaCO3+2HCl=CaCl2+CO2↑+H2O
73 44
20%×146g x
7344=146g×20%x x=17.6g
答:生成二氧化碳的质量为17.6g。
【解析】根据稀盐酸与大理石反应的化学方程式,由稀盐酸中溶质的质量可求出生成二氧化碳的质量。
本题属于根据化学方程式的计算,难度不大,注意计算的数据要准确,格式要准确。
21.【答案】1.0 85%
【解析】解:(1)由实验1可知每加入5.0g稀盐酸可以消耗碳酸钙的质量为0.5g,故m的数值是1.5g-0.5g=1.0g;
(2)实验4、5中可以看出样品中的碳酸钙质量是2.0g-0.3g=1.7g,则×100%=85%;
(3)解:设生成二氧化碳质量为 x
CaCO3+2HCl=CaCl2+H2 O+CO2↑
100 44
1.7 g x
10044=1.7gx
x=0.748g
故答案为:(1)1.0;(2)85%;(3)答:产生二氧化碳的质量为 0.748g。
(1)依据实验1中每加入5.0g盐酸消耗碳酸钙的质量是0.5g可知m的数值;
(2)由实验4、5可知固体剩余的质量是杂质的质量,由杂质的质量可计算出石灰石中碳酸钙的质量,由碳酸钙的质量可计算出石灰石中碳酸钙的质量分数;
(2)由碳酸钙的质量可以根据化学方程式计算二氧化碳的质量;
此题是对化学方程式计算的综合考查题,利用图中数据分析出碳酸钙的质量是解题的关键。
22.【答案】CO2 CaCO3+2HCl=CaCl2+H2O+CO2↑ 放出大量的热 BCD CO+CuO−△Cu+CO2
【解析】解:根据丁为大理石的主要成分,故丁是碳酸钙;根据乙的固体俗称干冰,乙是二氧化碳,结合图框,则丙和戊可能分别为水和氧化钙,而甲可能为碳酸、甲烷、氧气、氧化铜等,代入检验。
(1)根据分析,乙是二氧化碳,故乙的化学式为CO2。
(2)丁→丙反应,即碳酸钙与稀盐酸的反应,故反应的化学方程式为CaCO3+2HCl=CaCl2+H2O+CO2↑。
(3)丙和戊反应,即氧化钙与水反应,故反应的现象是放出大量的热。
(4)关于甲以及甲→丙的反应,其中正确的是:甲可能具有可燃性,如甲烷;
甲→丙的反应可能属于分解反应,如碳酸分解;
甲→丙的反应可能属于化合反应,如氢气与氧气反应;碳与氧气反应。
故选BCD。
(5)若甲常温下是黑色固体,则甲→乙的化学方程式为:CO+CuO−△Cu+CO2。
故答案为:
(1)CO2.(2)CaCO3+2HCl=CaCl2+H2O+CO2↑。
(3)放出大量的热。(4)BCD.(5)CO+CuO−△Cu+CO2。
根据题干提供的信息进行分析解答,根据丁为大理石的主要成分,故丁是碳酸钙;根据乙的固体俗称干冰,乙是二氧化碳,结合图框,则丙和戊可能分别为水和氧化钙,而甲可能为碳酸、甲烷、氧气、氧化铜等,据此解答。
在解此类题时,首先将题中有特征的物质推出,然后结合推出的物质和题中的转化关系推导剩余的物质,最后将推出的各种物质代入转化关系中进行验证即可。
23.【答案】碳酸钠溶液 除净氢氧化钙 稀盐酸 蒸发溶剂
【解析】解:(1)检验是否含碳酸钙可可取固体于试管中加入少量稀盐酸,根据实验结论,固体中未混入碳酸钙,所以无明显现象;
碳酸钙不溶于水,氯化钠、氢氧化钠和碳酸钠溶液不反应,而氢氧化钙可与碳酸钠溶液反应生成碳酸钙白色沉淀,所以可先将固体溶解配制成溶液,滴加碳酸钠溶液,由实验结论可知混入了碳酸钙,所以现象为:出现浑浊现象;
(2)根据(1)可知:固体中含有氢氧化钙、氢氧化钠,要除去氢氧化钙,可向烧杯中加入过量的碳酸钠溶液,然后进行过滤,则滤液中有氯化钠、氢氧化钠、过量的碳酸钠,然后加入过量的稀盐酸将氢氧化钠、碳酸钠反应掉,再进行蒸发,溶剂减少时稀盐酸变为浓盐酸,最终挥发,即可可得到纯净的食盐固体;
故答案为:(1)确定成分:
(2)①碳酸钠溶液;除净氢氧化钙;②稀盐酸;③蒸发溶剂.
(1)根据碳酸钙可与盐酸反应生成二氧化碳设计实验检验是否混入了碳酸钙,并据碳酸钙不溶于水,氯化钠、氢氧化钠和碳酸钠溶液不反应,而氢氧化钙可与碳酸钠溶液反应生成碳酸钙白色沉淀设计实验检验是否混入了氢氧化钙;
(2)根据实验可知:固体中含有氢氧化钙、氢氧化钠,要除去氢氧化钙,可向烧杯中加入过量的碳酸钠溶液,然后进行过滤,滤液中有氯化钠、氢氧化钠、过量的碳酸钠,然后加入过量的稀盐酸将氢氧化钠、碳酸钠反应掉,再进行蒸发,溶剂减少时稀盐酸变为浓盐酸,最终挥发,可得到纯净的食盐固体.
本题考查了学生依据物质的性质设计实验,以及除杂的相关知识,了解碳酸盐可与酸反应生成气体,及除杂时要注意对引入的物质要进行处理分析解答,能很好考查学生分析解决问题的能力.
24.【答案】2H2O2−MnO22H2O+O2↑ 2KMnO4−△K2MnO4+MnO2+O2↑ G B或D CaCO3+2HCl=CaCl2+H2O+CO2↑ AB或EB 4CO+Fe3O4−高温3Fe+4CO2 F
【解析】解:(1)过氧化氢以二氧化锰为催化剂生成水和氧气;高锰酸钾加热生成锰酸钾、二氧化锰和氧气;其反应物的状态是固态,反应条件是加热,应选固-固加热型的发生装置;氧气密度比空气大,不易溶于水,可用排水法或向上排空气法收集。故答案为:2H2O2−MnO22H2O+O2↑;2KMnO4−△K2MnO4+MnO2+O2↑;G;B或D
(2)实验室通常用稀盐酸与大理石(或石灰石)反应制取二氧化碳,其反应物的状态是固态和液态,反应条件是常温,应选固-液不加热型的发生装置--A或E,二氧化碳的密度比空气大,能溶于水,只能用向上排空气法收集--B.大理石(或石灰石)的主要成分是碳酸钙,碳酸钙与盐酸反应生成氯化钙、水和二氧化碳;故答案为:CaCO3+2HCl=CaCl2+H2O+CO2↑;AB或EB;
(3)在高温的条件下,一氧化碳能将四氧化三铁还原为铁,同时生成二氧化碳;所用仪器是F;故填:4CO+Fe3O4−高温3Fe+4CO2;F。
(1)熟记常用的化学方程式,发生装置由反应物的状态和反应条件决定,收集装置由气体的密度和溶水性决定;
(2)熟记实验室中制取二氧化碳的反应原理,发生装置主要取决于反应物的状态和反应条件,收集装置主要取决于气体的密度和溶水性;
(3)根据化学反应的原理以及实验所用装置来分析。
本道题主要考查了气体发生装置和收集装置的选取,气体的收集装置主要由气体的密度和溶水性决定,另外还要考虑气体是否有毒、是否与空气反应、是否与水反应等等。
选项
物质(括号内为杂质)
试剂
操作方法
A
FeSO4溶液(CuSO4)
过量锌粉
过滤
B
CO2气体(CO)
过量氧气
点燃
C
CaO固体(CaCO3)
足量的水
过滤
D
NaCl固体(Na2CO3)
过量稀盐酸
蒸干
需区分物质
方法
A
空气和氧气
用带火星木条检验
B
水和双氧水
观察颜色
C
活性炭和二氧化锰
红墨水
D
二氧化碳和氨气
澄清石灰水
选项
实验目的
实验方法
A
除去CO2中的少量CO
点燃
B
除去铁粉中的铜粉
加入足量稀硫酸
C
鉴别过氧化氢溶液和水
加入二氧化锰
D
鉴别石灰水和氢氧化钠溶液
加入稀盐酸
物质
所含杂质
除去杂质的试剂或方法
A
CuO
Cu
滴加足量盐酸,然后过滤
B
CaO
CaCO3
加适量的稀盐酸
C
Cu(NO3)2溶液
AgNO3
加入足量铜粉,充分反应后过滤
D
CO2
CO
点燃
实验次数
1
2
3
4
5
稀盐酸的累计加入量
5.0g
10.0g
15.0g
20.0g
25.0g
剩余固体的质量
1.5g
m
0.5g
0.3g
0.3g
实验操作
实验现象
实验结论
没有混入碳酸钙
混入了氢氧化钙
实验操作
实验现象
实验结论
取少量固体于试管中,向其中加入少量稀盐酸
无明显现象
没有混入碳酸钙
取少量固体于试管中,向其中加入一定量的水,过滤并取少量上层清液于试管中,向其中加入少量碳酸钠溶液
出现浑浊现象
混入了氢氧化钙
初中人教版第六单元 碳和碳的氧化物综合与测试单元测试测试题: 这是一份初中人教版第六单元 碳和碳的氧化物综合与测试单元测试测试题,共20页。试卷主要包含了单选题,填空题,推断题,实验题,计算题等内容,欢迎下载使用。
人教版九年级上册第六单元 碳和碳的氧化物综合与测试单元测试课时练习: 这是一份人教版九年级上册第六单元 碳和碳的氧化物综合与测试单元测试课时练习,共15页。试卷主要包含了单选题,填空题,计算题,推断题,简答题,探究题等内容,欢迎下载使用。
化学第六单元 碳和碳的氧化物综合与测试单元测试精练: 这是一份化学第六单元 碳和碳的氧化物综合与测试单元测试精练,共12页。试卷主要包含了单选题,填空题,计算题,简答题等内容,欢迎下载使用。

