2020高考物理新创新大一轮复习新课改省份专用讲义:第九章第57课时 “六法突破电学实验的关键点”——电阻测量(实验增分课)
展开第57课时 “六法突破电学实验的关键点”——电阻测量(实验增分课)
(一)最直接的测量方法——多用电表测量法
多用电表测电阻的原理:闭合电路欧姆定律I==。
由上式可以发现:通过电流计的电流I与待测电阻Rx存在一一对应关系,即测出相应的电流就可算出相应的电阻。由于I与Rx的这种非线性关系,所以欧姆表的刻度不均匀且0刻度在右。
[例1] 多用电表的欧姆挡有三个倍率,分别是×1、×10、×100。用×10挡测量某电阻Rx时,操作步骤正确,发现表头指针偏转角度过大,为了较准确地进行测量,应换到________挡。如果换挡后立即用表笔连接待测电阻进行读数,那么缺少的步骤是__________________,若补上该步骤后测量,表盘的示数如图所示,则该电阻的阻值是________Ω。
[解析] 若多用电表欧姆挡指针偏转角度过大,应换用小倍率×1挡,使指针偏到中央刻度附近,且应先重新欧姆调零,表盘的读数为22 Ω。
[答案] ×1 重新欧姆调零 22
(二)最常用的测量方法——伏安法
1.伏安法测电阻的原理:R=。
2.两种控制电路和两种测量电路
| 分压电路 | 限流电路 |
内接法 | ||
外接法 |
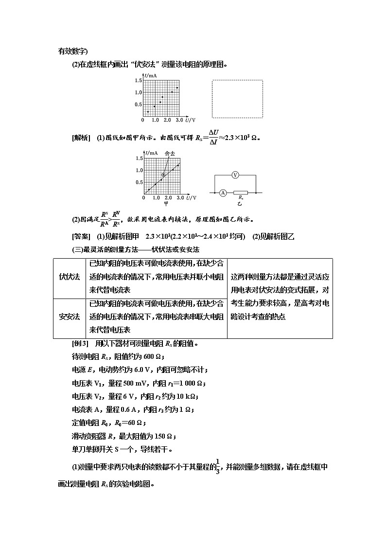
[例2] 在用伏安法测电阻的实验中,所用电压表的内阻约为20 kΩ,电流表的内阻约为10 Ω,选择能够尽量减小误差的电路图进行实验,读得的各组数据用实心圆点标于坐标图上,如图所示。
(1)请根据所标的数据点描出IU图线,该电阻的阻值Rx=________Ω。(结果保留两位有效数字)
(2)在虚线框内画出“伏安法”测量该电阻的原理图。
[解析] (1)图线如图甲所示。由图线可得Rx=≈2.3×103 Ω。
(2)因满足>,故采用电流表内接法,原理图如图乙所示。
[答案] (1)见解析图甲 2.3×103(2.2×103~2.4×103均可) (2)见解析图乙
(三)最灵活的测量方法——伏伏法或安安法
伏伏法 | 已知内阻的电压表可做电流表使用,在缺少合适的电流表的情况下,常用电压表并联小电阻来代替电流表 | 这两种测量方法都是通过灵活应用电表对伏安法的变式拓展,对考生能力要求较高,是高考对电路设计考查的热点 |
安安法 | 已知内阻的电流表可做电压表使用,在缺少合适的电压表的情况下,常用电流表串联大电阻来代替电压表 |
[例3] 用以下器材可测量电阻Rx的阻值。
待测电阻Rx,阻值约为600 Ω;
电源E,电动势约为6.0 V,内阻可忽略不计;
电压表V1,量程500 mV,内阻r1=1 000 Ω;
电压表V2,量程6 V,内阻r2约为10 kΩ;
电流表A,量程0.6 A,内阻r3约为1 Ω;
定值电阻R0,R0=60 Ω;
滑动变阻器R,最大阻值为150 Ω;
单刀单掷开关S一个,导线若干。
(1)测量中要求两只电表的读数都不小于其量程的,并能测量多组数据,请在虚线框中画出测量电阻Rx的实验电路图。
(2)若选择测量数据中的一组来计算Rx,则由已知量和测量物理量计算Rx的表达式为Rx=____________,式中各符号的意义是_____________________________________________
________________________________________________________________________。
[解析] (1)电路的最大电流约为I= A=0.01 A,电流表量程太大,可以把电压表V1并联一个定值电阻改装成电流表,改装后的电流表内阻可计算出来,所以改装电流表采用内接法,电压表选择V2即可,要求测量多组数据,滑动变阻器需要分压接法,电路如图所示。
(2)由电路图可得,流过被测电阻的电流为I=+=,Rx==,U1为电压表V1的读数,U2为电压表V2的读数,r1为电压表V1的内阻,R0为定值电阻的阻值。
[答案] (1)见解析图 (2) U1为电压表V1的读数,U2为电压表V2的读数,r1为电压表V1的内阻,R0为定值电阻的阻值
[例4] 用伏安法测定一个待测电阻Rx的阻值(阻值约为200 Ω),实验室提供如下器材:
电池组E:电动势3 V,内阻不计;
电流表A1:量程15 mA,内阻约为100 Ω;
电流表A2:量程300 μA,内阻为1 000 Ω;
滑动变阻器R1:阻值范围0~20 Ω,额定电流2 A;
电阻箱R2:阻值范围0~9 999 Ω,额定电流1 A;
开关S、导线若干。
实验要求尽可能准确地测量Rx的阻值,请回答下列问题:
(1)为了测量待测电阻两端的电压,可以将电流表________(填写器材代号)与电阻箱串联,并将电阻箱阻值调到________Ω,这样可以改装成一个量程为3 V的电压表。
(2)在虚线框中补充完整测量Rx阻值的电路图,并在图中标明器材代号。
(3)调节滑动变阻器R1,两表的示数如图所示,可读出电流表A1的示数是________mA,电流表A2的示数是________μA;测得待测电阻Rx的阻值是________Ω(结果保留三位有效数字)。
[解析] (1)电流表A2内阻已知,可将电流表A2和电阻箱串联起来改装成电压表,此电压表量程为3 V,电阻箱阻值R2= Ω-1 000 Ω=9 000 Ω。
(2)改装成的电压表内阻可求出,所以电流表A1采用外接法,因为滑动变阻器的最大阻值远小于待测电阻的阻值,所以滑动变阻器采用分压接法,完整电路图如图所示。
(3)由题图可知,电流表A1的示数为8.0 mA,电流表A2的示数是150 μA,待测电阻阻值为
Rx= Ω≈191 Ω。
[答案] (1)A2 9 000 (2)见解析图 (3)8.0 150 191
(四)最精确的测量方法——等效替代法
等效替代法可以很精确(测量原理上不存在误差)地将一个未知电阻的阻值测量出来,主要有以下两种设置方法。
1.电流等效替代
该方法的实验步骤如下:
(1)按如图电路图连接好电路,并将电阻箱R0的阻值调至最大,滑动变阻器的滑片P置于a端。
(2)闭合开关S1、S2,调节滑片P,使电流表指针指在适当的位置,记下此时电流表的示数I。
(3)断开开关S2,再闭合开关S3,保持滑动变阻器滑片P位置不变,调节电阻箱,使电流表的示数仍为I。
(4)此时电阻箱连入电路的阻值R0与未知电阻Rx的阻值等效,即Rx=R0。
2.电压等效替代
该方法的实验步骤如下:
(1)按如图电路图连好电路,并将电阻箱R0的阻值调至最大,滑动变阻器的滑片P置于a端。
(2)闭合开关S1、S2,调节滑片P,使电压表指针指在适当的位置,记下此时电压表的示数U。
(3)断开开关S2,再闭合开关S3,保持滑动变阻器滑片P位置不变,调节电阻箱,使电压表的示数仍为U。
(4)此时电阻箱连入电路的阻值R0与未知电阻Rx的阻值等效,即Rx=R0。
[例5] (2018·全国卷Ⅲ)一课外实验小组用如图所示的电路测量某待测电阻Rx的阻值,图中R0为标准定值电阻(R0=20.0 Ω);可视为理想电压表;S1为单刀开关,S2为单刀双掷开关;E为电源;R为滑动变阻器。采用如下步骤完成实验:
(1)按照实验原理线路图(a),将图(b)中实物连线。
(2)将滑动变阻器滑动端置于适当的位置,闭合S1。
(3)将开关S2掷于1端,改变滑动变阻器滑动端的位置,记下此时电压表的示数U1;然后将S2掷于2端,记下此时电压表的示数U2。
(4)待测电阻阻值的表达式Rx=________(用R0、U1、U2表示)。
(5)重复步骤(3),得到如下数据。
| 1 | 2 | 3 | 4 | 5 |
U1/V | 0.25 | 0.30 | 0.36 | 0.40 | 0.44 |
U2/V | 0.86 | 1.03 | 1.22 | 1.36 | 1.49 |
3.44 | 3.43 | 3.39 | 3.40 | 3.39 |
(6)利用上述5次测量所得的平均值,求得Rx=________Ω。(保留1位小数)
[解析] (1)实物连线如图所示。
(4)由于为理想电压表,故S2接1或接2时流过R0、Rx的电流相等。根据欧姆定律和串联电路的特点得=,解得Rx=R0。
(6)求出5次的平均值为3.41,代入Rx=R0,得Rx=48.2 Ω。
[答案] (1)见解析图 (4)R0 (6)48.2
[例6] 电流表A1的量程为200 μA、内电阻约为500 Ω,现要测其内电阻,除若干开关、导线之外还有器材如下:
电流表A2:与A1规格相同;
滑动变阻器R1:阻值0~20 Ω;
电阻箱R2:阻值0~9 999 Ω;
保护电阻R3:阻值约为3 kΩ;
电源:电动势E约为1.5 V、内电阻r约为2 Ω。
(1)如图所示,某同学想用替代法测量电流表内电阻,设计了部分测量电路,请你在此基础上将滑动变阻器接入电路中,使实验可以完成。
(2)电路补充完整后,请你完善以下测量电流表A1内电阻的实验步骤。
a.先将滑动变阻器R1的滑动端移到使电路安全的位置,再把电阻箱的阻值调到________(填“最大”或“最小”)。
b.闭合开关S1、S,调节滑动变阻器R1,使两电流表的指针在满偏附近,记录电流表A2的示数I。
c.断开S1,保持S闭合、R1不变,再闭合S2,调节电阻箱,使电流表A2的示数________,读出此时电阻箱的阻值R0,则电流表A1的内电阻r=________。
[解析] (1)滑动变阻器的最大阻值远小于待测电流表内电阻,因此必须采用分压接法,电路图如图所示。
(2)a.实验前电阻箱的阻值应该调节到最大,以保证电表安全。c.由替代法原理知,调节电阻箱后应使电流表A2示数再次为I,则此时电阻箱的阻值R0即为电流表A1的内电阻值。
[答案] (1)见解析图 (2)a.最大 c.再次为I(或仍为I) R0
(五)最专一的测量方法——半偏法测电表内阻
电表有着自己神奇的一面,那就是当它接入电路中时,可以显示对应测量量的读数,因此我们便可以利用它自身读数的变化(如半偏)巧妙地测量出它的内阻。半偏法测电表内阻有以下两种设置方法。
1.电流表半偏法
(1)实验步骤
①按如图所示连接实验电路。
②断开S2,闭合S1,调节R1,使电流表读数等于其满偏电流Im。
③保持R1不变,闭合S2,调节R2,使电流表读数等于Im,然后读出R2的值,若满足R1≫RA,则可认为RA=R2。
(2)误差分析
当闭合S2时,总电阻减小,总电流增大,大于原电流表的满偏电流,而此时电流表半偏,所以流经R2的电流比电流表所在支路的电流大,R2的电阻比电流表的电阻小,而我们把R2的读数当成电流表的内阻,故测得的电流表的内阻偏小。
2.电压表半偏法
(1)实验步骤
①按如图所示连接实验电路。
②将R2的值调为零,闭合S,调节R1的滑动触头,使电压表读数等于其满偏电压Um。
③保持R1的滑动触头不动,调节R2,使电压表读数等于Um,然后读出R2的值,若R1≪RV,则可认为RV=R2。
(2)误差分析
当R2的值由零逐渐增大时,R2与电压表两端的电压也将逐渐增大,因此电压表读数等于Um时,R2两端的电压将大于Um,则R2>RV,从而造成RV的测量值偏大。显然电压表半偏法适于测量内阻较大的电压表的电阻。
[例7] (2019·泰安高三检测)利用如图所示的电路测量一个满偏电流为300 μA、内阻rg约为几十到几百欧姆的电流表的内阻,可供选择的实验器材如下:
A.滑动变阻器(阻值范围0~30 kΩ)
B.滑动变阻器(阻值范围0~10 kΩ)
C.电源(电动势3 V,内阻不计)
D.电源(电动势6 V,内阻不计)
(1)为了使测量尽量精确,在上述可供选择的器材中,滑动变阻器R应选用________,电源E应选用________。(均选填器材前面的序号)
(2)实验时进行的主要步骤有:
A.断开S2,闭合S1
B.调节R的阻值,使电流表指针偏转到满刻度
C.闭合S2
D.调节电阻箱R′的阻值,使电流表指针偏转到满刻度的三分之一
E.记下此时R′的阻值为90 Ω
则待测电流表的内阻rg的测量值为________,该测量值________(选填“大于”“小于”或“等于”)电流表内阻的真实值。
[解析] (1)用半偏法测电流表的内阻时,与电流表串联的滑动变阻器的阻值要尽可能大,以减小测量误差;在电路电流不超过电流表量程的前提下,电源电动势应尽可能大些,以保证电流表满偏时滑动变阻器的阻值尽可能大,故滑动变阻器应选A,电源应选D。
(2)闭合S2后,电流表与R′并联,且并联R′后电路总电阻视为不变,则总电流不变,电流表指针偏转到满刻度的三分之一,则通过R′的电流为总电流的,故IR′∶Ig=2∶1,由并联关系可得=,则rg=180 Ω。实际操作中,闭合S2后,电路总电阻变小,电路总电流变大,通过R′的电流大于原来总电流的,则该实验测出的电流表内阻要小于电流表内阻的真实值。
[答案] (1)A D (2)180 Ω 小于
[例8] 电压表满偏时通过该表的电流是半偏时通过该表电流的两倍。某同学利用这一事实测量电压表的内阻(半偏法),实验室提供的器材如下:
待测电压表(量程3 V,内阻约为3 000 Ω),电阻箱R0(最大阻值为99 999.9 Ω),滑动变阻器R1(最大阻值100 Ω,额定电流2 A),电源E(电动势6 V,内阻不计),开关两个,导线若干。
(1)虚线框内为该同学设计的测量电压表内阻的电路图的一部分,将电路图补充完整。
(2)根据设计的电路,写出实验步骤:_____________________________________________
________________________________________________________________________
________________________________________________________________________。
(3)将这种方法测出的电压表内阻记为RV′,与电压表内阻的真实值RV相比,RV′________RV(填“>”“=”或“<”),主要理由是______________________________
________________________________________________________________________。
[解析] (1)因滑动变阻器阻值较小,所以滑动变阻器采用分压接法。实验电路如图所示。
(2)移动滑动变阻器的滑片,以保证通电后电压表所在支路分压最小;闭合开关S1、S2,调节R1,使电压表的指针满偏;保持滑动变阻器滑片的位置不变,断开S2,调节电阻箱R0,使电压表的指针半偏;读取电阻箱所示的电阻值,即为测得的电压表内阻。
(3)断开S2,调节电阻箱使电压表指针半偏,电压表所在支路总电阻增大,分得的电压也增大;此时R0两端的电压大于电压表的半偏电压,故RV′>RV(其他说法合理均可)。
[答案] 见解析
(六)最独特的测量方法——电桥法
在电阻的测量方法中,有一种很独特的测量方法——电桥法。其测量电路如图所示,实验中调节电阻箱R3,当的示数为0即A、B两点的电势相等时,R1和R3两端的电压相等,设为U1,同时R2和Rx两端的电压也相等,设为U2。根据欧姆定律有:=,=,由以上两式解得:R1×Rx=R2×R3。这就是电桥平衡的条件,由该平衡条件可求出被测电阻Rx的阻值。
[例9] (2017·全国卷Ⅱ)某同学利用如图(a)所示的电路测量一微安表(量程为100 μA,内阻大约为2 500 Ω)的内阻。可使用的器材有:两个滑动变阻器R1、R2(其中一个阻值为20 Ω,另一个阻值为2 000 Ω);电阻箱Rz(最大阻值为99 999.9 Ω);电源E(电动势约为1.5 V);单刀开关S1和S2。C、D分别为两个滑动变阻器的滑片。
(1)按原理图(a)将图(b)中的实物连线。
(2)完成下列填空:
①R1的阻值为________Ω(填“20”或“2 000”)。
②为了保护微安表,开始时将R1的滑片C滑到接近图(a)中滑动变阻器的________端(填“左”或“右”)对应的位置;将R2的滑片D置于中间位置附近。
③将电阻箱Rz的阻值置于2 500.0 Ω,接通S1。将R1的滑片置于适当位置,再反复调节R2的滑片D的位置。最终使得接通S2前后,微安表的示数保持不变,这说明S2接通前B与D所在位置的电势________(填“相等”或“不相等”)。
④将电阻箱Rz和微安表位置对调,其他条件保持不变,发现将Rz的阻值置于2 601.0 Ω时,在接通S2前后,微安表
的示数也保持不变。待测微安表的内阻为________Ω(结果保留到个位)。
(3)写出一条提高测量微安表内阻精度的建议:____________________________________
________________________________________________________________________。
[解析] (1)根据题中的原理图(a),将题图(b)中的实物连线如图所示。
(2)①R1起分压作用,应选用最大阻值较小的滑动变阻器,即R1的电阻为20 Ω。②为了保护微安表,闭合开关前,滑动变阻器R1的滑片C应移到左端,确保微安表两端电压为零。③反复调节D的位置,使闭合S2前后微安表的示数不变,说明闭合S2后B、D间没有电流通过,B、D两点电势相等。④将电阻箱Rz和微安表位置对调,其他条件保持不变,发现将Rz的阻值置于2 601.0 Ω时,在接通S2前后,微安表的示数也保持不变。说明=,解得RμA=2 550 Ω。
(3)要提高测量微安表内阻的精度,可调节R1上的分压,尽可能使微安表接近满量程。
[答案] (1)见解析图 (2)①20 ②左 ③相等
④2 550 (3)调节R1上的分压,尽可能使微安表接近满量程

