2020高考物理新创新大一轮复习新课改省份专用讲义:第九章第56课时 用多用电表测量电学中的物理量(实验增分课)
展开第56课时 用多用电表测量电学中的物理量(实验增分课)
一、实验目的
1.掌握多用电表的使用方法。
2.会使用多用电表测电压、电流及电阻。
3.会用多用电表探索黑箱中的电学元件。
二、实验原理
1.转动选择开关可以使用多用电表测量电流、电压、电阻等。
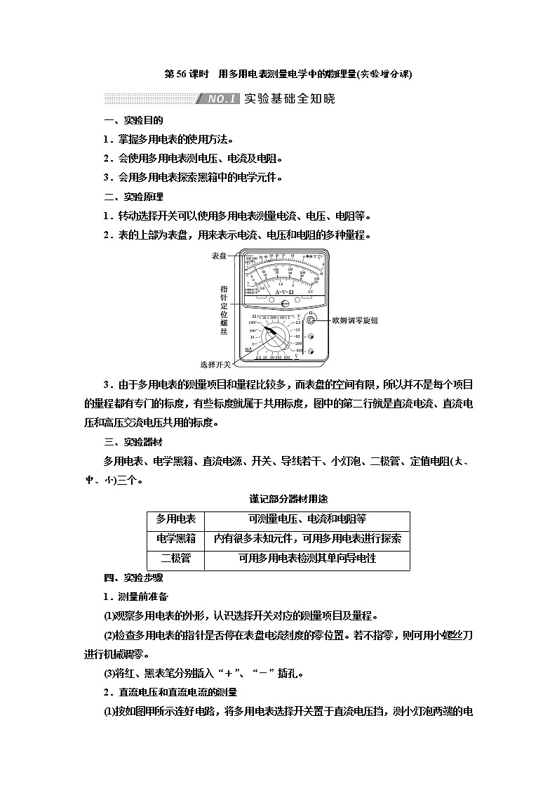
2.表的上部为表盘,用来表示电流、电压和电阻的多种量程。
3.由于多用电表的测量项目和量程比较多,而表盘的空间有限,所以并不是每个项目的量程都有专门的标度,有些标度就属于共用标度,图中的第二行就是直流电流、直流电压和高压交流电压共用的标度。
三、实验器材
多用电表、电学黑箱、直流电源、开关、导线若干、小灯泡、二极管、定值电阻(大、中、小)三个。
谨记部分器材用途
多用电表 | 可测量电压、电流和电阻等 |
电学黑箱 | 内有很多未知元件,可用多用电表进行探索 |
二极管 | 可用多用电表检测其单向导电性 |
四、实验步骤
1.测量前准备
(1)观察多用电表的外形,认识选择开关对应的测量项目及量程。
(2)检查多用电表的指针是否停在表盘电流刻度的零位置。若不指零,则可用小螺丝刀进行机械调零。
(3)将红、黑表笔分别插入“+”、“-”插孔。
2.直流电压和直流电流的测量
(1)按如图甲所示连好电路,将多用电表选择开关置于直流电压挡,测小灯泡两端的电压。
(2)按如图乙所示连好电路,将选择开关置于直流电流挡,测量通过小灯泡的电流。
3.用多用电表测电阻的步骤
(1)调整指针定位螺丝,使指针指向电流的零刻度。
(2)将选择开关置于欧姆“×1”挡,短接红、黑表笔,调节欧姆调零旋钮,使指针指在电阻刻度的零位置。
(3)将两表笔分别接触阻值为几十欧的定值电阻两端,读出指示的电阻值,然后断开表笔,再与标定值进行比较。
(4)选择开关改置欧姆“×100”挡,重新进行欧姆调零。
(5)再将两表笔分别接触阻值为几千欧的定值电阻两端,读出指示的电阻值,然后断开表笔,与标定值进行比较。
(6)测量完毕,将选择开关置于交流电压最高挡或“OFF”挡。
4.探索黑箱内的电学元件
电学元件 | 应用挡位 | 现象 |
电源 | 电压挡 | 两接线柱正、反接时均无示数说明无电源 |
电阻 | 欧姆挡 | 两接线柱正、反接时示数相同 |
二极管 | 欧姆挡 | 正接时示数很小,反接时示数很大 |
电容器 | 欧姆挡 | 指针先指向某一小阻值,后逐渐增大到“∞”,且指针摆动越来越慢 |
电感线圈 | 欧姆挡 | 示数由“∞”逐渐减小到某一较小阻值 |
五、数据处理
1.测电压和电流时,如果所读表盘的最小刻度为1、0.1、0.01等,读数时应读到最小刻度的下一位,若表盘的最小刻度
为0.2、0.02、0.5、0.05等,读数时只读到与最小刻度位数相同即可。
2.测电阻时,电阻值等于指针的示数与倍率的乘积。指针示数的读数方法与电压表、电流表一致。
六、误差分析
1.电池用旧后,电动势会减小,内阻会变大,致使电阻测量值偏大,要及时更换新电池。
2.欧姆表的表盘刻度不均匀,读数时易带来误差,要注意其左密右疏的特点。
3.由于欧姆表刻度的非线性,表头指针偏转过大或过小都会使误差增大,因此要选用恰当挡位,尽可能使指针指向表盘的中值刻度附近。
4.测电流、电压时,由于电表内阻的影响,测得的电流、电压值均小于真实值。
5.读数时的观测易造成偶然误差,要垂直表盘正对指针读数。
七、注意事项
1.使用前要机械调零。注意机械调零和欧姆调零的区别。
2.两表笔在使用时,电流总是“红进黑出”。
3.选择开关的功能区域,要分清是测电压、电流还是电阻,还要分清是交流还是直流。
4.电压、电流挡为量程范围挡,欧姆挡为倍率挡。
5.刻度线有三条:上为电阻专用,中间为直流电流、直流电压和高压交流电压共用,下为交流2.5 V专用。
6.测电阻时,换挡后要重新欧姆调零。
7.使用完毕,选择开关要置于“OFF”挡或交流电压最高挡,长期不用应取出电池。
考法一 多用电表读数
1.如图所示为用多用电表测电路中电流的实验,图中多用电表测定的是________(选填“甲电阻”“乙电阻”或“总电阻”)的电流,测得电流的大小是________。
解析:由题图中电路连接情况知,多用电表两表笔与乙电阻串联,故测定的是乙电阻的电流。由题图知选择的电流量程为100 mA,故指针指示读数为50 mA。
答案:乙电阻 50 mA
2.如图所示为一正在测量中的多用电表表盘。
(1)如果是用直流2.5 V挡测量电压,则读数为________V。
(2)如果是用直流5 mA挡测量电流,则读数为________mA。
(3)如果是用欧姆“×100”挡测量电阻,则读数为________Ω。
解析:(1)用多用电表测直流电压、电流时,需根据第二行刻度读数。用直流2.5 V挡时,最小刻度值为 V=0.05 V,故所测电压U=0.05×32.2 V=1.61 V。
(2)用直流5 mA挡时,最小刻度值为 mA=0.1 mA,故所测电流I=0.1×32.2 mA=3.22 mA。
(3)用多用电表测电阻时,需根据第一行刻度读数。由于选用欧姆“×100”挡,故所测电阻R=8.0×100 Ω=800.0 Ω。
答案:(1)1.61 (2)3.22 (3)800.0
[规律方法]
(1)用不同的挡位所测的量不同,读数方法不同,精确度的要求也不同。
(2)多用电表虽然只能粗略地测量电阻值,但可以为精确测量电阻时选择器材、设计电路等提供参考。
考法二 原理和操作步骤
3.用多用电表的电阻挡测量阻值约几十千欧的电阻Rx,以下给出的是可能的实验操作步骤,其中S为选择开关,P为欧姆调零旋钮。把你认为正确步骤前的字母按合理的顺序填写在下面的横线上。
a.将两表笔短接,调节P使指针对准刻度盘上电阻的0刻度,断开两表笔
b.将两表笔分别连接到被测电阻的两端,读出Rx的阻值后,断开两表笔
c.旋转S使其尖端对准欧姆×1 k挡
d.旋转S使其尖端对准欧姆×100挡
e.旋转S使其尖端对准交流500 V挡,并拔出两表笔
合理顺序为________。
根据如图所示指针位置,可知此被测电阻的阻值约为________Ω。
解析:使用欧姆表的步骤是选挡(根据被测电阻的大概阻值知,应选欧姆×1 k挡)、欧姆调零、测量读数、将选择开关旋到交流电压的最高挡或OFF挡,故正确步骤并按合理顺序排放为c、a、b、e。根据欧姆表读数的规则知读数为30×1 kΩ=30 kΩ=3×104 Ω。
答案:cabe 3×104
4.为确定某电子元件的电气特性,进行如下测量。
(1)用多用电表测量该元件的电阻,选用“×100”倍率的欧姆挡测量,发现多用电表指针偏转过大,因此需选择________(填“×10”或“×1 k”)倍率的欧姆挡,并____________,再进行测量,多用电表的示数如图甲所示,测量结果为________Ω。
(2)将待测元件(额定电压9 V)、蓄电池、滑动变阻器、电流表、多用电表、开关及若干导线连接成电路如图乙所示。增加连线,使电路能测量该元件完整的伏安特性。本实验中使用多用电表测电压,多用电表的选择开关应调到________(填“直流电压10 V”或“直流电压50 V”)挡。
解析:(1)用多用电表测量该元件的电阻,选用“×100”倍率的欧姆挡测量,多用电表指针偏转过大,说明电阻较小,因此需选择“×10”倍率的欧姆挡,并重新欧姆调零后,再进行测量,测量结果为7.0×10 Ω=70.0 Ω。
(2)要测量该元件完整的伏安特性,滑动变阻器必须采用分压接法,如图所示。
本实验中使用多用电表测电压,该元件的额定电压为9 V,故多用电表的选择开关应调到直流电压10 V挡。
答案:(1)×10 重新欧姆调零 70.0 (2)见解析图 直流电压10 V
[规律方法]
(1)使用欧姆表测电阻时,欧姆表调零是关键的步骤。
(2)使用多用电表,无论是测电阻、电压还是电流,都要让电流从红表笔流入电表,从黑表笔流出电表。
[例1] 为了测量某种材料制成的电阻丝Rx的电阻率,提供的器材有:
A.电流表G,内阻Rg=120 Ω,满偏电流Ig=6 mA
B.电压表V,量程为6 V
C.螺旋测微器,毫米刻度尺
D.电阻箱R0 (0~99.99 Ω)
E.滑动变阻器R(最大阻值为5 Ω)
F.电池组E(电动势为6 V,内阻约为0.05 Ω)
G.一个开关S和导线若干
(1)用多用电表粗测电阻丝的阻值,当用“×10”挡时发现指针偏转角度过大,应该换用________(选填“×1”或“×100”)挡,进行一系列正确操作后,指针静止时位置如图甲所示。
(2)把电流表G与电阻箱并联改装成量程为0.6 A的电流表使用,则电阻箱的阻值应调为R0=________Ω(结果保留三位有效数字)。
(3)为了用改装好的电流表测量电阻丝Rx的阻值,请根据提供的器材和实验需要,将图乙中电路图补画完整。
(4)测得电阻丝的长度为L,电阻丝的直径为d,电路闭合后,调节滑动变阻器的滑片到合适位置,电压表V的示数为U,电流表G的示数为I。请用已知量和测量量的字母符号写出计算电阻率的表达式ρ=____________。
[三步化“新”为“熟”]
1.本题的实验目的是测定电阻丝的电阻率,涉及到多用电表欧姆挡的使用、电流表的改装和电路设计。
2.根据多用电表内部电路原理,指针偏角越大,被测电阻越小,指针偏角过大,测量不精确,应换用较小的挡位。
3.应用电阻定律和电路的串并联关系,根据测量的物理量,可以得出电阻率的表达式。
[解析] (1)多用电表电阻刻度不均匀,指针指在电阻刻度中值电阻附近时读数较准,当用“×10”挡时发现指针偏转角度过大,说明倍率过大,应选择“×1”挡。
(2)将电流表G与电阻箱并联改装成量程为0.6 A的电流表,电流表G的内阻Rg=120 Ω,满偏电流Ig=6 mA,因此电阻箱的阻值应调为R0== Ω≈1.21 Ω。
(3)由题图甲可知,待测电阻阻值为15.0 Ω,因电流表内阻已知,故电流表应采用内接法,滑动变阻器最大阻值为5 Ω,远小于待测电阻阻值,为测多组实验数据,滑动变阻器应采用分压接法,电路图如图所示。
(4)由电阻定律可知,电阻Rx=ρ=ρ,则电阻率ρ=,由U=Rx+IRg得Rx=,电阻率ρ=。
[答案] (1)×1 (2)1.21 (3)见解析图 (4)
[例2] 在练习使用多用电表的实验中:
(1)用多用电表的欧姆挡测量阻值Rx约为数十千欧的电阻。以下是测量过程中的一些主要实验步骤:
A.将两表笔短接,调节欧姆调零旋钮,使指针对准刻度盘上电阻的零刻度,然后断开两表笔
B.旋转选择开关至交流电压最大量程处或“OFF”挡,并拔出两表笔
C.旋转选择开关至欧姆“×1 k”挡
D.将两表笔分别连接到被测电阻的两端,读出阻值Rx,断开两表笔
以上实验步骤的正确顺序是________(填写步骤前的字母)。
实验中,多用电表的指针位置如图甲所示,则此被测电阻的阻值约为________kΩ。
(2)为了较精确地测量另一定值电阻的阻值Ry,采用图乙所示的电路,电源电压U恒定,电阻箱接入电路的阻值可调且能直接读出。
①用多用电表测电路中的电流,则与a点相连的是多用电表的________(选填“红”或“黑”)表笔。
②闭合开关,多次改变电阻箱阻值R,记录相应的R和多用电表读数I,得到R的关系如图丙所示,则Ry=________Ω,电源电压U=________V。
[三步化“新”为“熟”]
1.本题实验目的是用多用电表测电阻,并根据所得数据求出电源电压。
2.根据欧姆定律I=,可以推出R=U·-Ry,因此可以画出R图像。
3.研究函数式和图像的关系,由图像纵轴截距的绝对值可得到Ry的值,由图像的斜率可得到电源电压的值。
[解析] (1)测阻值约为几十千欧的电阻Rx,应选择欧姆“×1 k”挡,然后进行欧姆调零,用欧姆表测待测电阻阻值,读出其示数,最后要把选择开关置于交流电压最大量程处或“OFF”挡,因此合理的实验步骤是C、A、D、B;由题图甲可知,被测电阻阻值为17.0×1 kΩ=17.0 kΩ。
(2)①电流从红表笔流入多用电表,a点接电源正极,故a点应接多用电表的红表笔。②由题图乙可知,电阻为串联关系,则有:I=,变形可得:R=U·-Ry,由题图丙可知,图像中纵轴截距的绝对值为Ry,故Ry=200 Ω;图像的斜率表示U,故U= V=8 V。
[答案] (1)CADB 17.0 (2)①红 ②200 8
[创新角度归纳]
实验情境 的创新 | 多用电表可以应用到日常生活中,对家用电器、电子元件进行测量或故障检测,被测元件可以是一般电阻,也可以是二极管、黑箱等 |
实验数据 的分析 | 换用不同挡位,所测的量不同,读数方法不同,精确度要求也不同。一般情况下,用多用电表测出的值只能作为参考 |
实验原理 的拓展 | 多用电表可以和很多电学实验配合使用,先粗略测出电阻值,作为设计电路、选择器材的参考 |

