

初中物理粤沪版九年级上册14.1 怎样认识电阻公开课教学设计
展开14.1 \l "目录" 怎样认识电阻
教学目标
1.知道什么是电阻,知道电阻的单位。
2.知道导体的电阻与材料、长度、横截面积有关。
3.了解滑动变阻器的基本结构和原理。
4.会使用滑动变阻器改变电路中的电流。
重、难点
教学重点:电阻的概念、导体的电阻跟哪些因素有关。
教学难点:滑动变阻器的结构和使用。
器材准备
三节干电池、开关一个、小灯泡一个,导线若干、电阻丝若干、滑动变阻器、演示电表、示教板(插件)、教学用软件。
教学过程
一.引入新课
本章我们继续探讨电路中的规律,请观察下面的实验现象。
演示:如图所示,电源为三节干电池串联组成的电池组,L为“3.8V”的小灯泡,先后将不同材料组成的导体接入电路M、N之间,引导学生观察小灯泡的亮度变化情况。
描述一下你所观察到的现象,思考出现这种现象的原因?
学生思考、讨论。
二.新课教学
探究点一 什么是导体的电阻
分析上面电路,当不同导体接入电路时,电路中的电流大小不一定相同,这说明导体在导电的同时,对电流还有一定的阻碍作用。
为了表示导体对电流阻碍作用的大小,物理学中引入了电阻的概念。
1.电阻的概念:
物理学中把导体对电流阻碍作用的大小叫电阻。
2.电阻的符号:R。
3.电阻的单位及其换算关系:
(1)电阻的单位:欧姆;符号:Ω;
(2)单位换算关系:1MΩ=1000kΩ 1 kΩ=1000Ω 。
练习:
(1)人的皮肤干燥时,双手之间的电阻约为几千欧至几万欧,
10kΩ= Ω;
(2)我们平常说的绝缘体,其电阻一般应在1MΩ以上,
1.5MΩ= Ω。
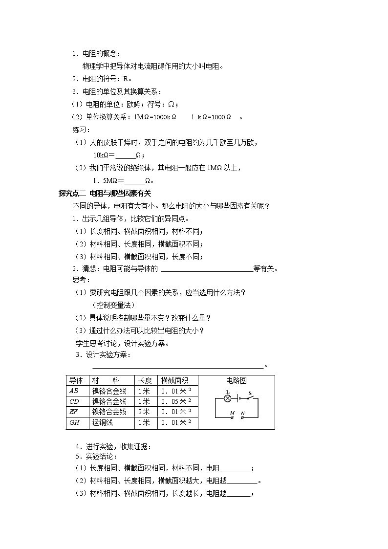
探究点二 电阻与哪些因素有关
不同的导体,电阻有大有小。那么电阻的大小与哪些因素有关呢?
1.出示几组导体,比较它们的异同点。
(1)长度相同、横截面积相同,材料不同;
(2)材料相同、长度相同,横截面积不同;
(3)材料相同、横截面积相同,长度不同;
2.猜想:电阻可能与导体的 等有关。
思考:
(1)要研究电阻跟几个因素的关系,应当选用什么方法?
(控制变量法)
(2)具体说明控制哪些量不变?改变什么量?
(3)通过什么办法可以比较出电阻的大小?
学生思考讨论,设计实验方案。
3.设计实验方案:
。
4.进行实验,收集证据:
5.实验结论:
(1)长度相同、横截面积相同,材料不同,电阻 ;
(2)材料相同、长度相同,横截面积越大,电阻越 。
(3)材料相同、横截面积相同,长度越长,电阻越 ;
由此可知:导体的电阻与导体的 、 、 有关。
阅读课本p74:几种导电材料的电阻、一些用电器正常工作时的电阻,
问:你有什么新发现?
补充:导体的电阻跟温度有关。
取废旧白炽灯的灯丝,接入上述电路的M、N两端,用酒精灯缓缓地给灯丝加热,让学生观察加热前后小灯泡亮度的变化,由此判断电阻的变化,进而得出结论:导体的电阻跟温度有关。
说明:对大多数导体来说,温度越高,电阻越大。
探究点三 电阻器
展示一些实物定值电阻和电位器,让学生观察。
1.保持阻值不变的电阻简称定值电阻。
电路中符号是: 。
练习:画一个由电阻、开关、电源组成电路的电路图。
2.可以调节变化的电阻器简称变阻器。电路中符号是: 。
讨论:你认为改变导体电阻的方法有哪些?
探究点四 认识滑动变阻器
1.观察滑动变阻器的实物图:
让学生对照实物和教材及有关文字,观察、阅读、思考。
2.滑动变阻器的结构:
(1)金属杆
金属杆的电阻很小,其两端接线柱间的电阻值几乎为零,可以忽略不计。
(2)电阻丝
圆筒上缠绕的是表面涂有绝缘层的电阻丝,其阻值较大,标牌上所标的“50Ω”即指电阻丝两端接线柱间的电阻值。
(3)滑片
滑片可以在金属杆上左右移动,滑片的上部与金属杆相接触,下端通过电阻丝的接触滑道(刮去绝缘层的部分)与电阻丝相接触。
(4)接线柱:
有四个接线柱,并知道其位置。
3.滑动变阻器的结构示意图:
4.滑动变阻器的原理:
通过改变连入电路的电阻丝的长度来改变接入电路中电阻的大小。
思考:滑动变阻器有四个接线柱,应如何接线才能改变阻值?
当把滑动变阻器的两个接线柱接入电路时,能指出或画出电流的路径,知道电阻丝的哪部分被连入电路;当滑片向左或向右移动时,能判断出连入电路的电阻变大还是变小。
画出不同的连接方法,让学生用彩色粉笔描出电流的路径,判断移动滑片时电阻的变化情况。
总结:
将“A与D”、“A与C”、“B与C”或“B与D”两个接线柱分别接入电路时,能起到变阻作用;简称:“一上一下”。
将“A与B”或“C与D”两个接线柱分别接入电路时,不能起到变阻的作用。
5.滑动变阻器在电路中的符号:
练习: 如图所示,要求用滑动变阻器调节小灯泡的亮度。 画出电路图,并按电路图连接实物电路。
6.活动:用滑动变阻器改变通过小灯泡的电流
目的是让学生练习使用滑动变阻器,学生通过动手操作,学会滑动变阻器的连接、调节及判断电阻的变化,激发学习兴趣。
学生活动时,教师要注意指导,培养学生形成良好的实验习惯。
强调:(1)连接电路时,要断开开关,滑动变阻器的滑片要调到阻值最大的位置;
(2)调节滑片前,先分析当向左或向右移动滑片时,电阻将如何变化,电流如何变化,然后通过实验检验自己的判断,使理论分析与实践操作相结合。
归纳:在开关闭合之前,滑片P应放在 处。滑动变阻器的作用是: 。
7.其他变阻器:
(1)电位器的介绍
(2)电阻箱
板书设计
一、电阻
1.定义:导体对电流的阻碍作用叫电阻。
(1)在物理学中,用电阻来表示导体对电流的阻碍作用的大小,导体的电阻越大,表示导体对电流的阻碍作用越大。电阻的产生是由导体本身的性质决定的。
(2)不同的导体,其电阻一般不同。
2.符号:国际上通常用字母R来表示导体的电阻。
3.单位:在国际单位制中,电阻的单位是欧姆,简称欧,符号是Ω。
4.电阻的大小 与哪些因素有关。
导体的电阻是导体本身的一种性质,它的大小决定于导体的长度、横截面积、材料,导体的电阻还跟温度有关。
二、滑动变阻器
1.结构
2.接法:“一上一下”
3.用滑动变阻器改变通过小灯泡的电流
教学反思
通过本节课的学习学生学到了一种研究物理的方法----控制变量法,深刻地体会了方法的实质,在探究的过程中锻炼了学生根据问题设计电路的能力和分析问题的能力,为学生深刻地理解知识的内涵创造了条件,为学生能力的发展搭建了舞台。从学生的反馈情况来看,本节课的学习目标基本达到,应该是一节比较成功的课。
从学生反馈的信息来分析:喜爱这堂课的人达到了88%,原因大多是:教师讲的少,自己动手机会多;课堂比较轻松;具有挑战性;但也有同学反映部分同学没有积极性,玩了一节课,什么也没学到;同组的同学太霸道,没有别人动手的机会;这些迹象表明在探究课中如何调动全组同学的积极性?组内成员间如何协调?教师如何有效监控各个组的动向?怎样在探究的过程中加强同学间的协作让每一个学生都得到相应的发展是教师必须关注的问题,也反映出在新的课堂模式下教师的驾驭课堂能力有待进一步提高。
关于多媒体技术在探究课中的应用,学生普遍反映:在猜想阶段,有关电阻性质的动画对他们正确的猜想起到了很大的作用;电脑动态画图在他们头脑中留下了深刻的影象。这说明多媒体技术在探究性课堂中为提出假设提供丰富的背景资料,有助于学生形成合理的猜想;在形成结论阶段,由于学生的归纳能力的局限,多媒体技术的动态、抽象功能对学生的知识的深度理解有很大的帮助;另外多媒体的大容量高速度在提高课堂效率上的作用也是无庸置疑的。
导体
材 料
长度
横截面积
电路图
AB
镍铬合金线
1米
0.01米2
CD
镍铬合金线
1米
0.05米2
EF
镍铬合金线
2米
0.01米2
GH
锰铜线
1米
0.01米2
粤沪版九年级上册14.1 怎样认识电阻教案: 这是一份粤沪版九年级上册<a href="/wl/tb_c42699_t8/?tag_id=27" target="_blank">14.1 怎样认识电阻教案</a>,共3页。教案主要包含了教学目标,教学重点,教学难点,教学准备,教学过程等内容,欢迎下载使用。
初中物理粤沪版九年级上册14.1 怎样认识电阻教学设计: 这是一份初中物理粤沪版九年级上册<a href="/wl/tb_c42699_t8/?tag_id=27" target="_blank">14.1 怎样认识电阻教学设计</a>,共5页。教案主要包含了教材说明,教学目标,教学重点,教学难点,教法学法,教学过程,学习目标,问题组一等内容,欢迎下载使用。
2021学年第十四章 探究欧姆定律14.1 怎样认识电阻教案及反思: 这是一份2021学年第十四章 探究欧姆定律14.1 怎样认识电阻教案及反思,共4页。教案主要包含了引入,探究电阻的影响因素,信息窗口, 课堂练习,作业等内容,欢迎下载使用。