化学必修二第一单元 化石燃料与有机化合物第二课时同步测试题
展开第二课时 元素周期律
1.元素原子的核电荷数、质子数、核外电子数之间有什么关系?
提示:原子中核电荷数=质子数=核外电子数。
2.Na、Al、S、Cl四种元素原子的最外层电子数是多少?它们的最高化合价是多少?S、Cl两元素的最低负价是多少?
提示:Na、Al、S、Cl四种元素的最外层电子数分别是1,3,6,7;它们的最高化合价分别是+1、+3、+6、+7;S、Cl两元素的最低负价分别是-2、-1。
3.写出Fe与CuSO4溶液反应的化学方程式,请说明Fe和Cu活泼性的强弱。
提示:Fe+CuSO4===FeSO4+Cu;Fe 比 Cu活泼。
4.将Cl2通入含NaBr的溶液中,能否发生反应?若能,写出反应的化学方程式,并说明Cl2、Br2活泼性的强弱。
提示:能;Cl2+2NaBr===2NaCl+Br2;Cl2比Br2活泼。
[新知探究]
探究1 画出钠的原子结构示意图,你能确定钠的原子序数和最外层电子数吗?
提示:,原子序数为11,最外层电子数为1。
探究2 3~10号元素原子的最外层电子数及11~18号元素原子的最外层电子数有何变化规律?
提示:3~10号元素及11~18号元素的原子最外层电子数均从1递增到8。
探究3 试比较Na、Mg、Al原子半径的大小。
提示:r(Na)>r(Mg)>r(Al)。
[必记结论]
1.原子序数
(1)概念:
按核电荷数由小到大的顺序给元素编号,这种编号叫做原子序数。
(2)数量关系:
原子序数=核电荷数=质子数=核外电子数。
2.1~18号元素原子结构的变化规律
(1)元素原子最外层电子数的变化规律:
结论:随着原子序数的递增,元素原子最外层电子数呈周期性变化。
(2)原子半径的变化规律:
元素 | 原子半径 | |
大小关系 | 变化规律 | |
3Li→9F | 由大到小 | 随核电荷数的递增,原子半径呈周期性变化 |
11Na→17Cl | 由大到小 | |
[成功体验]
1.比较下列微粒的最外层电子数的多少(用“>”、“<”或“=”填空)。
(1)Na________Al;(2)S________Cl;(3)O________Na+。
答案:(1)< (2)< (3)<
2.比较下列微粒半径的大小(用“>”、“<”或“=”填空)。
(1)r(H)________r(H+);(2)r(S)________r(Cl);
(3)r(Na)________r(Na+);(4)r(H)________r(Li)。
答案:(1)> (2)> (3)> (4)<
[新知探究]
探究1 原子序数为11~17号元素的最高正价分别是多少?它与原子的核外最外层电子数之间有何关系?非金属元素的最高正化合价和最低负化合价有何数量关系?
提示:11~17号元素的最高正价分别为+1、+2、+3、+4、+5、+6、+7; 元素的最高正价等于该元素原子的最外层电子数,最高正化合价+|最低负化合价|=8。
探究2 钠、镁、铝的金属性强弱是如何确定的?依据教材P5探究活动1及教材P6探究活动3的部分内容,填写下列空白。
①与水反应的剧烈程度:Na>Mg;
②与酸反应的剧烈程度:Mg>Al;
③最高价氧化物的水化物的碱性:
NaOH>Mg(OH)2>Al(OH)3;
结论:元素的金属性:Na>Mg>Al。
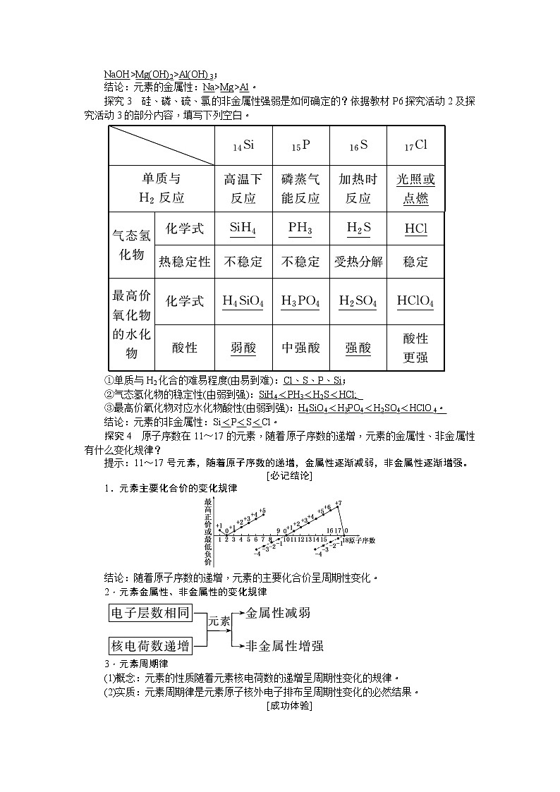
探究3 硅、磷、硫、氯的非金属性强弱是如何确定的?依据教材P6探究活动2及探究活动3的部分内容,填写下列空白。
①单质与H2化合的难易程度(由易到难):Cl、S、P、Si;
②气态氢化物的稳定性(由弱到强):SiH4<PH3<H2S<HCl;_
③最高价氧化物对应水化物酸性(由弱到强):H4SiO4<H3PO4<H2SO4<HClO4。
结论:元素的非金属性:Si<P<S<Cl。
探究4 原子序数在11~17的元素,随着原子序数的递增,元素的金属性、非金属性有什么变化规律?
提示:11~17号元素,随着原子序数的递增,金属性逐渐减弱,非金属性逐渐增强。
[必记结论]
1.元素主要化合价的变化规律
结论:随着原子序数的递增,元素的主要化合价呈周期性变化。
2.元素金属性、非金属性的变化规律
3.元素周期律
(1)概念:元素的性质随着元素核电荷数的递增呈周期性变化的规律。
(2)实质:元素周期律是元素原子核外电子排布呈周期性变化的必然结果。
[成功体验]
3.判断正误(正确的打“√”,错误的打“×”)。
(1)最外层电子数:Na<Al,则金属性Na<Al。( )
(2)NaOH是强碱,Ca(OH)2溶解度小,导电性弱,则金属性:Na>Ca。( )
(3)酸性:H2SO3<HCl,非金属性:S<Cl。( )
解析:(1)不能根据最外层电子数的多少判断金属性强弱,而应依据失去电子的难易;(2)Ca(OH)2也属于强碱,与其溶解度无关,金属活动性顺序表中,Ca排在Na之前,Ca更活泼;(3)应根据最高价氧化物的水化物的酸性强弱比较元素非金属性强弱。
答案:(1)× (2)× (3)×
4.原子序数在3~9之间的元素,随着核电荷数的递增而逐渐增大的是( )
A.电子层数 B.最外层电子数
C.原子半径 D.化合价
解析:选B 原子序数在3~9的元素,核外均为2个电子层,最外层电子数依次从1递增到7,原子半径逐渐减小,而化合价从1递增到5(氧无最高正价、氟无正价)。
———————————————[关键语句小结]————————————————
1.原子中,原子序数=核电荷数=质子数=核外电子数。
2.电子层数相同的元素,随着核电荷数的递增,金属性逐渐减弱,非金属性逐渐增强,即元素的性质,随着原子序数的递增,呈现周期性的变化。
3.可依据金属与水或酸反应置换出氢的难易程度、金属元素最高价氢氧化物的碱性强弱判断其金属性的强弱。
4.可依据非金属单质与H2化合的难易程度、氢化物稳定性或最高价含氧酸的酸性强弱来判断非金属性的强弱。
5.微粒半径大小的变化规律
(1)电子层数相同时,随原子序数递增,原子半径逐渐减小;
(2)最外层电子数相同时,随电子层数递增,原子半径逐渐增大;
(3)具有相同核外电子排布的离子,原子序数越大,离子半径越小。
1.决定因素
核电荷数、电子层数和核外电子数。
2.大小比较
(1)同种元素的微粒半径比较,核外电子数越多,微粒半径越大:
①阳离子半径小于相应原子半径;
如r(Na+)<r(Na)。
②阴离子半径大于相应原子半径;
如r(Cl-)>r(Cl)。
③不同价态的离子,价态越高,离子半径越小;
如r(Fe2+)>r(Fe3+)。
(2)不同元素微粒半径的比较:
①具有相同电子层数而原子序数不同的原子,原子序数越大,半径越小(稀有气体除外)。
如r(Na)>r(Mg)>r(Al)>r(S)>r(Cl)。
②最外层电子数相同而电子层数不同的原子,电子层数越多,原子半径越大;其同价态的离子半径也是如此。
如r(F)<r(Cl)<r(Br)<r(I),
r(F-)<r(Cl-)<r(Br-)<r(I-)。
③电子层结构相同的不同微粒,原子序数越大,半径越小。如r(S2-)>r(Cl-)>r(K+)>r(Ca2+)。
[例1] 下列微粒半径大小比较正确的是( )
A.Na+<Mg2+<Al3+<O2-
B.S2->Cl->Na+>Al3+
C.Na<Mg<Al<Si
D.Cs<Rb<K<Na
解析:选B A项,四种离子核外电子排布相同,核电荷数越大,半径越小,应为O2->Na+>Mg2+>Al3+;B项,S2-和Cl-,Na+和Al3+的核外电子排布相同,电子层数相同,微粒半径大小决定于核电荷数,S2-和Cl-比Na+和Al3+多一个电子层,微粒半径显然是前者大;C项,电子层数相同,核电荷数越大,半径越小,应为Na>Mg>Al>Si;D项,从Na→Cs电子层数越多,原子半径越大,应为Cs>Rb>K>Na。
(1)比较微粒半径大小的思维流程:
比较微粒半径大小时,首先要确定微粒间的电子层数、核电荷数、核外电子排布是否相同,然后再利用规律比较大小。
(2)所有元素中,原子半径最小的是H,其次是F。
(3)11~18号元素中,原子半径最小的是Cl,离子半径最小的是Al3+。
1.下列微粒半径的比较中,正确的是( )
A.r(Na+)>r(Na) B.r(Cl-)>r(Cl)
C.r(Ca2+)>r(Cl-) D.r(Mg)>r(Na)
解析:选B 同种元素价态越高半径越小,r(Na+)<r(Na),r(Cl-)>r(Cl);核外电子排布相同的粒子,核内质子数越多,半径越小,r(Ca2+)<r(Cl-);电子层数相同的原子,核内质子数越多,半径越小,r(Mg)<r(Na)。
比较元素金属性(或非金属性)的强弱,其实质是看原子失去(或得到)电子的能力,越易失去(或得到)电子,则元素的金属性(或非金属性)越强。
(1)从原子结构判断:
(2)从元素单质及其化合物的性质判断
[例2] 下列不能说明氯元素的非金属性比硫元素强的事实是( )
①HCl比H2S稳定
②HClO氧化性比H2SO4强
③HClO4酸性比H2SO4强
④Cl2能与H2S反应生成S
⑤Cl原子最外层有7个电子,S原子最外层有6个电子
⑥Cl2与Fe反应生成FeCl3,S与Fe反应生成FeS
A.②⑤ B.①②⑥
C.①②④ D.①③⑤
解析:选A 气态氢化物越稳定或最高价氧化物的水化物的酸性越强,元素的非金属性越强,①、③对;不能根据含氧酸的氧化性判断元素的非金属性,②错;Cl2与H2S发生置换反应:Cl2+H2S===S↓+2HCl,氧化性:Cl2>S,非金属性:Cl>S,④对;不能根据最外层电子数多少判断元素非金属性,⑤错;与同一变价金属反应时,金属被氧化的程度越大,则非金属单质的氧化性越强,其非金属性越强,⑥对。
(1)比较元素金属性、非金属性强弱不能根据最外层电子数的多少或电子层数的多少,而应根据得失电子的难易程度。
(2)不能通过物质的物理性质,如熔沸点、溶解性等方面比较元素金属性、非金属性强弱。
(1)盐酸的酸性强于碳酸,能否说明氯的非金属性强于碳?
提示:不能,原因是盐酸不是氯元素的最高价氧化物对应的水化物。
(2)如何通过实验证明碳的非金属性强于硅?
提示:向Na2SiO3溶液中通入CO2,溶液中出现白色浑浊,证明酸性:H2CO3>H2SiO3,即碳的非金属性强于硅。
[例3] 下列有关元素周期律的叙述中,正确的是( )
A.最高正价:N<F
B.金属性强弱:K<Na
C.氢化物稳定性:H2S<HCl
D.碱性强弱:NaOH<Mg(OH)2
解析:选C N元素最高正价为+5价,而F无正价,A错误;最外层电子数相同时,核电荷数越大,元素的金属性越强,故金属性Na<K,B错误;电子层数相同时,核电荷数增大,元素的金属性减弱,非金属性增强,则稳定性H2S<HCl,碱性NaOH>Mg(OH)2,故D错误,C正确。
元素化合价及与最外层电子数的关系
(1)元素化合价:
①H元素的化合价有+1、-1、0价。
②F元素只有负价无正价。
③O元素有正价但无最高正价。
④金属元素只有正价无负价。
⑤非金属元素既有正价又有负价(F除外)。
⑥稀有气体元素的化合价看作0。
(2)关系:
主族元素最高正化合价=最外层电子数(O、F除外),
最低负化合价=最外层电子数-8,
|最高正化合价|+|最低负化合价|=8。
2.下列各组元素是按最高正价由高到低、负价绝对值由低到高顺序排列的是( )
A.Na、Mg、Al B.F、O、N
C.N、O、F D.S、P、Si
解析:选D A项中最高正价由低到高,且无负价;B、C两项中F无正价;A、B、C三项均不符合题意;D项中各元素的最高价分别为+6、+5、+4,负价绝对值分别为2、3、4,故D项正确。
1.元素性质呈周期性变化的根本原因是( )
A.元素相对原子质量的递增,量变引起质变
B.元素的原子半径呈周期性变化
C.元素原子的核外电子排布呈周期性变化
D.元素的金属性和非金属性呈周期性变化
解析:选C 原子的结构决定元素的性质。元素性质呈周期性变化的根本原因是元素原子的核外电子排布呈周期性变化。
2.下列说法中正确的是( )
A.元素性质的周期性变化是指原子半径、元素的主要化合价及原子核外电子排布的周期性变化
B.元素性质的周期性变化决定于元素原子核外电子排布的周期性变化
C.从Li―→F,Na―→Cl,元素的最高化合价均呈现从+1价―→+7价的变化
D.电子层数相同的原子核外电子排布,其最外层电子数均从1个到8个呈现周期性变化
解析:选B 元素性质不包括核外电子排布,A错误;O无最高正价,F无正价,C错误;H、He的最外层电子数从1到2,D错误。
3.下列排列顺序不正确的是( )
A.原子半径:钠>硫>氯
B.最高价氧化物对应的水化物的酸性:H2SO4>H3PO4
C.最高正化合价:氯>硫>磷
D.热稳定性:硫化氢>氯化氢
解析:选D 钠、磷、硫、氯是具有相同电子层数的元素,随着原子序数的递增,原子半径逐渐减小,最外层电子数逐渐增多,最高正化合价逐渐增大,最高价氧化物对应的水化物的酸性逐渐增强,碱性逐渐减弱。因为非金属性Cl>S,所以气态氢化物的稳定性HCl>H2S。
4.下列元素的最高价氧化物对应水化物的酸性最弱的是( )
A.Si B.P C.S D.Cl
解析:选A 电子层数相同的元素,随着原子序数的递增,非金属性逐渐增强,最高价氧化物对应的水化物的酸性逐渐增强。因为原子序数Cl>S>P>Si,所以最高价氧化物对应水化物的酸性HClO4>H2SO4>H3PO4>H4SiO4。
5.用“>”或“<”回答下列问题:
(1)酸性:H2SO4____H2SiO3,H2SiO3____H3PO4;
(2)碱性:Ca(OH)2____Mg(OH)2____Al(OH)3;
(3)气态氢化物稳定性:H2S ______PH3,H2S______HCl;
(4)还原性:H2O________H2S,H2S________HCl。
从以上答案中可以归纳出:
①元素的非金属性越强,其最高价氧化物对应水化物的酸性越________;
②元素的金属性越强,其最高价氧化物对应水化物的碱性越________;
③元素的非金属性越强,其对应气态氢化物的稳定性越________;
④非金属性越强的元素形成的气态氢化物的还原性越____________。
解析: 根据元素周期律判断元素金属性、非金属性强弱,再由此判断其单质及其化合物的性质。
答案:(1)> < (2)> > (3)> < (4)< > ①强 ②强 ③强 ④弱
高中化学苏教版必修二专题3 有机化合物的获得与应用第一单元 化石燃料与有机化合物第二课时精练: 这是一份高中化学苏教版必修二专题3 有机化合物的获得与应用第一单元 化石燃料与有机化合物第二课时精练,共8页。
高中化学苏教版必修二第二单元 微粒之间的相互作用力习题: 这是一份高中化学苏教版必修二第二单元 微粒之间的相互作用力习题,共3页。
化学必修二第二单元 化学反应中的热量课时训练: 这是一份化学必修二第二单元 化学反应中的热量课时训练,共14页。

