初中物理人教版九年级全册第十七章 欧姆定律综合与测试学案设计
展开第十七章《欧姆定律》复习学案
核心素养
1.会用实验探究导体中的电流与电压和电阻的关系;
2.理解欧姆定律,了解简单串联电路和简单并联电路中电流、电压、电阻的关系,并能进行有关计算;
3.会通过实验测量导体的电阻。
一、温故知新
对照电路图,连接实物图,
讨论注意事项:开关应_________
电流表应_______________________
电压表应_______________________
滑动变阻器应____________________
二.探究导体中的电流与电压、电阻的关系
1.结合老师讲解完成下表:
2.例题1:探究某热敏电阻的特性,虚线框为一温控装置,热敏电阻R处于其中。已知电源电压为6 V。实验过程如下:
(1)实物图如图乙。此时闭合开关,电压表指针偏转 ,电流表指针偏转 。(均选填“明显”或“不明显”)
(2)请只改接一根导线完成实验。请打上“×”,再改到正确的位置。
(3)保持温控箱温度30℃不变,调整滑片不同位置,记录对应的U和I。 此时热敏电阻阻值 。(填变大、变小或不变),以上数据能得出的结论是 。
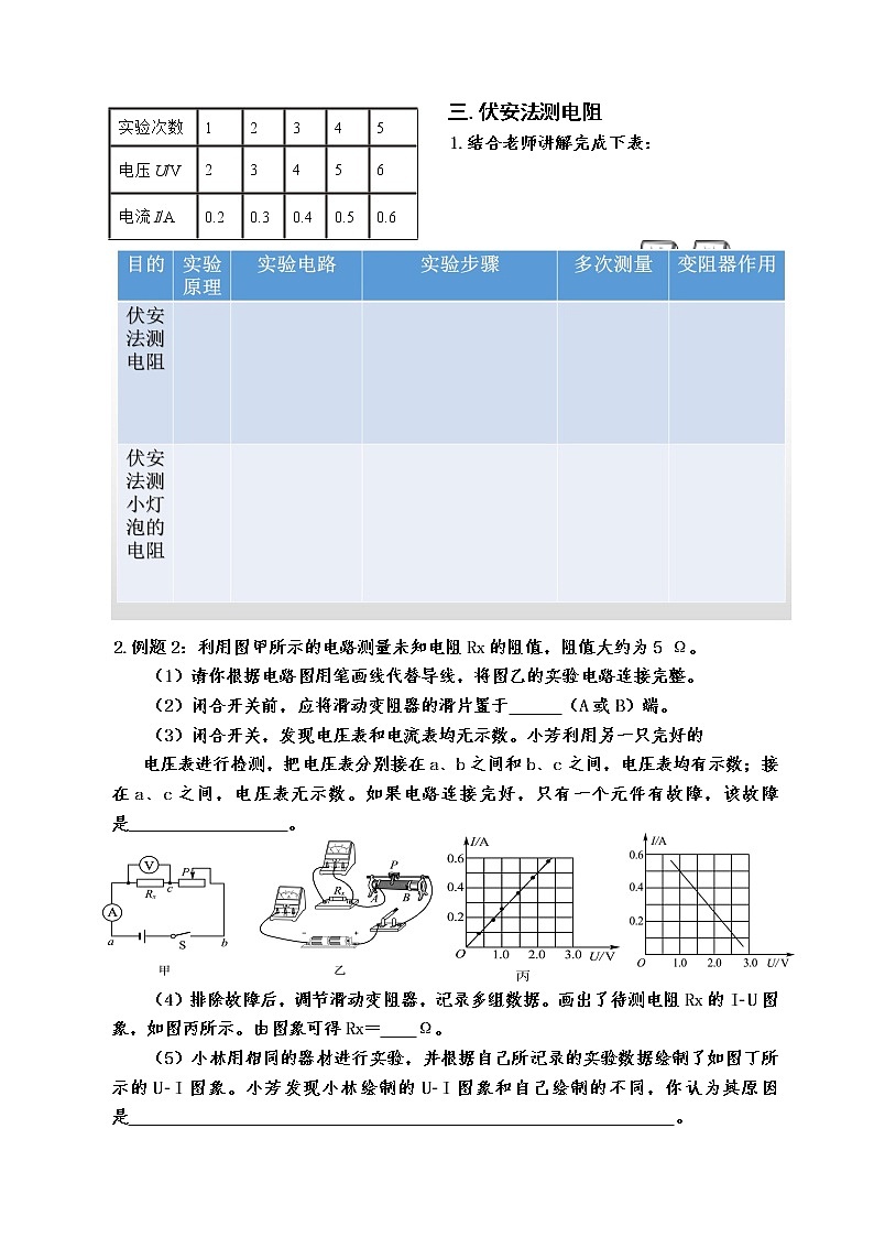
三.伏安法测电阻
1.结合老师讲解完成下表:
2.例题2:利用图甲所示的电路测量未知电阻Rx的阻值,阻值大约为5 Ω。
(1)请你根据电路图用笔画线代替导线,将图乙的实验电路连接完整。
(2)闭合开关前,应将滑动变阻器的滑片置于 (A或B)端。
(3)闭合开关,发现电压表和电流表均无示数。小芳利用另一只完好的
电压表进行检测,把电压表分别接在a、b之间和b、c之间,电压表均有示数;接在a、c之间,电压表无示数。如果电路连接完好,只有一个元件有故障,该故障是 。
(4)排除故障后,调节滑动变阻器,记录多组数据。画出了待测电阻Rx的IU图象,如图丙所示。由图象可得Rx= Ω。
(5)小林用相同的器材进行实验,并根据自己所记录的实验数据绘制了如图丁所示的UI图象。小芳发现小林绘制的UI图象和自己绘制的不同,你认为其原因是 。
四.基本计算
1.欧姆定律及变形公式
串联电路的相关公式
并联电路的相关公式
2.例3.如图所示,电源两端电压U为9V并保持不变,电阻R1阻值为10Ω。闭合开关S后,电流表A的示数I为1.2A。求:
(1)电流表A1的示数I1;(2)电阻R2的阻值。
3.例4.如图所示,R1 =20 Ω,电路接在电压为6 V电路中,当滑片P由最左端滑到最右端时,电压表示数由6 V变化为1.2 V,则电流表示数变化范围是多少?滑动变阻器R2最大阻值为多大?
五.总结提升
六.中考检测
图甲为测量电阻阻值的电路图。实验仪器如下:两节干电池、阻值约为5 Ω的待测电阻、电流表、电压表、滑动变阻器、开关、导线等。
(1)请根据电路图,将图乙中实物连接完整。
(2)如果要求当滑动变阻器的滑片自左向右滑动时,加在待测电阻两端的电压增大,在实物图中需将滑动变阻器的两个端点连在电路中,这两个端点是____________(从A、B、C、D中选填)
(3)实验过程中获得的数据如表:第三组的电流数据有误,应为0.36 A。出现这一错误最可能的原因是_______________________________________________________。
(4)根据串联电路电流和电压的特点,再加一把刻度尺,利用该电路可以探究“滑动变阻器接入电路部分的电阻阻值与接入电路部分的长度的关系”。这种观点是否可行?为什么?______________________________________________________。
(5)表格中第1组数据和第5组数据分别是滑片位于滑动变阻器的两个端点时获得的,则滑动变阻器的总阻值为 Ω。
能力提高
“探究电流与电阻关系”准备了以下实验器材:干电池,标有“15Ω 1A”字样的滑动变阻器,阻值分别为5Ω、10Ω、20Ω的定值电阻。
(1)图甲中有一条导线连接有误,请标注“×”并画出正确连线。
(2)排除故障后,将5Ω定值电阻连入电路,将滑片移动到 端,再闭合开关,调节滑片,电流表示数如图乙为 A,此时电压表示数为 V。
(3)断开开关,取下5Ω的定值电阻,分别换成10Ω、20Ω的定值电阻,闭合开关,将滑片向____(选填“a”或“b”)端移动,控制电压表示数为 V,分别读取相应的电流表示数,记录在表中。
(4)闭合开关,移动滑动变阻器的滑片,发现电流表无示数,电压表示数接近于电源电压,若电路只有一处故障,其故障是_____________。
(5)结论:当导体两端的电压一定时,通过导体的电流与导体的电阻成 。
实验次数
1
2
3
4
5
电压U/V
2
3
4
5
6
电流I/A
0.2
0.3
0.4
0.5
0.6
序号
1
2
3
4
5
电压U/V
0.6
1.2
1.8
2.4
3.0
电流I/A
0.12
0.22
1.8
0.50
0.60
初中物理人教版九年级全册第2节 欧姆定律学案设计: 这是一份初中物理人教版九年级全册<a href="/wl/tb_c98373_t4/?tag_id=42" target="_blank">第2节 欧姆定律学案设计</a>,共4页。
人教版九年级全册第2节 欧姆定律学案设计: 这是一份人教版九年级全册第2节 欧姆定律学案设计,共34页。学案主要包含了教学目标,课时建议,课堂延展等内容,欢迎下载使用。
初中物理人教版九年级全册第十七章 欧姆定律综合与测试导学案: 这是一份初中物理人教版九年级全册第十七章 欧姆定律综合与测试导学案,共11页。学案主要包含了复习目标,复习重点和难点,学具准备,前置准备,复习过程,精讲点拨,解题技巧,思路导航等内容,欢迎下载使用。

