还剩7页未读,
继续阅读
沪教版(2024新版)九年级上册化学第1章《开启化学之门》测试卷(含答案)
展开
这是一份沪教版(2024新版)九年级上册化学第1章《开启化学之门》测试卷(含答案),共10页。
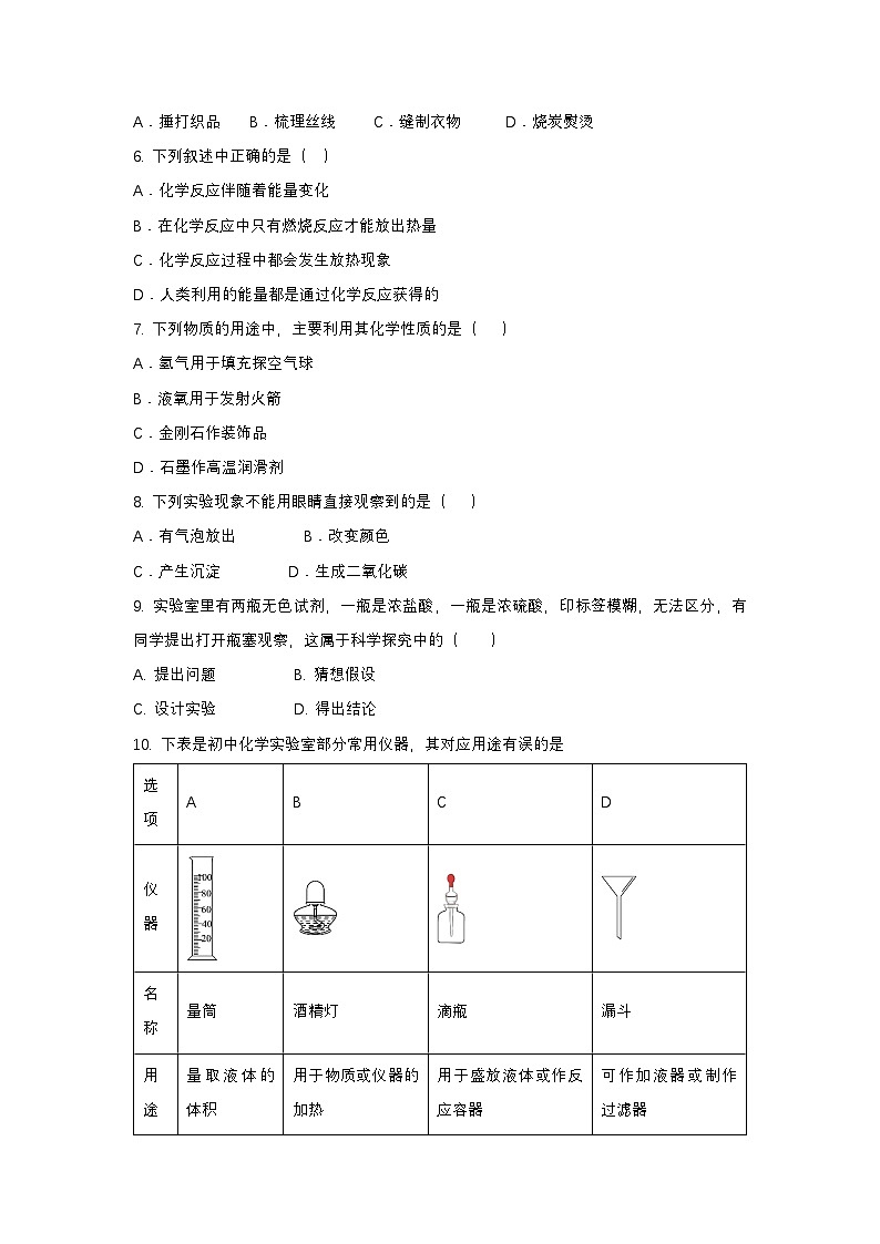
沪教版(2024新版)九年级上册化学第1章《开启化学之门》测试卷第Ⅰ卷 选择题(共40分)选择题(本题共20小题,每小题2分,共40分。)1.下列有关化学家和化学史的叙述中,不正确的是( )A.法国科学家拉瓦锡得出了空气是由氮气和氧气组成的混合物B.我国古代三大化学工艺为造纸、制火药、烧瓷器C.英国科学家汤姆生提出元素周期律,并发明元素周期表D.英国科学家道尔顿提出原子是不可分割的实心球体2. 我国下列古代发明或技术中,主要原理没有涉及化学变化的是( )A.钻木取火 B.活字印刷 C.矿石炼铁 D.火药爆炸3. 蜡烛燃烧的现象中,最能说明蜡烛燃烧是化学变化的本质的现象是( )A. 蜡烛燃烧时会发光、发热B. 蜡烛燃烧时有液体(烛泪)流下来C. 用一干冷烧杯罩在火焰上,烧杯内壁有水雾,迅速加入少量澄清石灰水,振荡,石灰水变浑浊D. 蜡烛越烧越短4.如图所示生产生活中发生的变化属于化学变化的是( ) A. B. 火柴梗被折断C. 干冰升华 D. 灯泡通电发光5.如图所示为我国唐代名画《捣练图》。画卷呈现的工序中一定发生了化学变化的是A.捶打织品 B.梳理丝线 C.缝制衣物 D.烧炭熨烫6. 下列叙述中正确的是( )A.化学反应伴随着能量变化B.在化学反应中只有燃烧反应才能放出热量C.化学反应过程中都会发生放热现象D.人类利用的能量都是通过化学反应获得的7. 下列物质的用途中,主要利用其化学性质的是( )A.氢气用于填充探空气球B.液氧用于发射火箭C.金刚石作装饰品 D.石墨作高温润滑剂8. 下列实验现象不能用眼睛直接观察到的是( )A.有气泡放出 B.改变颜色C.产生沉淀 D.生成二氧化碳9. 实验室里有两瓶无色试剂,一瓶是浓盐酸,一瓶是浓硫酸,印标签模糊,无法区分,有同学提出打开瓶塞观察,这属于科学探究中的( )A. 提出问题 B. 猜想假设 C. 设计实验 D. 得出结论10. 下表是初中化学实验室部分常用仪器,其对应用途有误的是A.A B.B C.C D.D11.下列有关药品的取用说法错误的是( )A.为了节约药品,实验室用剩的药品应放回原瓶 B.实验室的药品,不能用手直接接触,更不得尝味道C.取用固体药品,一般用药匙 D.液体药品通常盛放在细口瓶里,常用倾倒法取用12.要用托盘天平称量10.4g食盐(1g以下用游码),若药品和砝码放反了,则称出的实际质量为( ) A.10.4g B.10g C.9.2g D.9.6 g13. 下列关于金刚石、石墨的说法错误的是( )A.组成:都由碳元素组成 B.性质:二者性质差异较大C.结构:碳原子排列方式不同 D.变化:一定条件下,二者可相互转化14. 化学来源于生活,应用于生活,下列图片中所体现的内容不属于化学对人类贡献的是( )A.生产化肥用于粮食增产B.合成药物保障人体健康C.研制火箭的燃料促进航空航天事业的发展D.风力发电提供电能15.丁丁用试管作实验,实验不同,试管口的朝向也不同(如图)。丁丁正确的做法是( ) a.给试管中的液体加热时,试管如图 = 1 \* GB3 ①b.用胶头滴管向试管中滴加液体时,试管如图 = 3 \* GB3 ③c.给试管中的固体加热时,试管如图 = 4 \* GB3 ④d.向试管中加入块状固体时,试管先如图 = 2 \* GB3 ②再如图 = 3 \* GB3 ③最后如图 = 1 \* GB3 ①A.ab B.cd C.bd D.abcd16. 下列能说明镁条燃烧发生了化学变化的实验现象是( )A.发出白光 B.放出大量热C.产生白色固体 D.生成了氧化镁17.试管是实验中常用的一种仪器。如图中使用试管进行实验的操作不正确的是( )A. B. C. D.18.在化学实验中,实验操作要保证人身安全和仪器、试剂的安全,试剂安全是指操作应避免造成试剂的污染或变质。下列操作要求中不是从试剂安全角度考虑的是( )A.不能用未经清洗的非专用胶头滴管吸取另一种试剂B.不能用手接触药品,不得品尝任何药品的味道 C.从试剂瓶倒完试液后,应立即盖紧瓶塞 D.用药匙取用一种药品后,取另一种药品前必须擦拭干净19.对蜡烛及其燃烧的探究活动中,下列说法错误的是A.石蜡“质软”这一性质属于物理性质B.“石蜡熔化”属于物理变化C.“能使澄清的石灰水变浑浊”属于二氧化碳的化学性质D.“石蜡受热形成蒸气”属于化学变化20.兴趣小组进行铜绿受热分解的实验探究,下列操作错误的是( ) A.装置甲:查气密性 B.装置乙:加入铜绿C.装置丙:加热铜绿 D.装置丁:检验气体第Ⅱ卷 非选择题(共60分)21.(4分)化学是一门以实验为基础的科学,请按要求填空。(1)写出玻璃仪器名称:a___________,b__________,上述实验操作中,正确的是__________(填序号)。(2)C中玻璃棒的作用是___________。22.(9分)经过第1章的学习,我们认识了许多化学实验仪器,也知道了不少实验操作的要求。(1)如图1常见仪器中,可以直接在酒精灯火焰上加热的玻璃仪器是 (填仪器名称,下同);用酒精灯加热时需要垫上陶土网的仪器是 。某同学用100mL的量筒量取一定液体的体积,如图所示,回答问题:图2中所表示的液体的体积是 mL;该同学若要量取47mL的液体,在上面的基础上,应该用图1中的 (填仪器名称)再向量筒中加入该液体。如果该同学在量取47mL该液体时,若仰视读数,则量取的液体实际体积 (填“大于”或“小于”)47mL。做化学实验要养成良好的实验习惯。若某同学在实验结束后,将仪器按如图3放置,其中正确的是 (填字母序号)。(4)某山村学校因仪器不足,同学们用图4生活物品来代替化学实验仪器。用A来代替试管,你认为B可代替 ,C可代替 。医用注射器D可用来代替量筒,现有三种刻度的注射器:a.10mL b.50mL c.100mL。要量取48mL的水,应该选择医用注射器 (填字母代号)。23.(16分)(1)取一支蜡烛,用小刀切下一小块,把它放入水中,蜡烛会 ,由此可得,石蜡的密度比水 ,此外还可以知道石蜡的物理性质 、 。(2)点燃蜡烛,观察到蜡烛火焰分 层,分别为 、 、 ,把一根火柴梗放在蜡烛火焰中,1s后取出,可以看到 处的火柴梗最先碳化,结论:蜡烛火焰的 温度最高。(3)再将一只干燥的烧杯罩在蜡烛火焰的上方,烧杯内壁出现 ,片刻后取下烧杯,迅速向烧杯中倒入少量澄清石灰水,振荡后发现 。结论:蜡烛燃烧的产物是 和 。(4)熄灭蜡烛,发现蜡烛冒一缕白烟,用火柴去点蜡烛刚熄灭时产生的白烟,蜡烛 。由上述观察可得:蜡烛燃烧过程发生的变化类型为 。24.(13分)下图为加热碳酸氢铵的实验装置,试回答下列问题:(1)写出图中仪器的名称:a___________,b____________,c_________, d_________。(2)实验中观察到的现象:白色固体 ,同时看到试管壁上有 出现,澄清的石灰水 ,还能闻到一股 气味。(3)实验结论:碳酸氢铵加热反应生成了氨气、 、 三种物质。发生反应的文字表达式是 。 (4)碳酸氢铵是一种常见的化肥,俗称碳铵,通过本实验,请你谈谈如何合理的保存这种化肥?___________。25.(9分)如图是镁条在空气中燃烧实验的示意图,试回答下列问题:(1)夹持镁带的仪器是: 。(2)实验时伴随的现象是 、 、 ,其中能说明镁带燃烧是化学变化的实验现象是 。(3)实验完毕后,发现桌面被烫坏了,你能分析出现这种状况的原因可能是 。(4)写出这个反应的文字表达式 。26.(4分)微粒的性质再探究。【链接教材】教材采用下图 装置进行实验。 (1)仪器a的名称是 ;(2)实验1的现象说明 ;(3)实验2的现象是 ;(4)实验得出的主要结论是 。27.(5分)阅读材料,回答问题:材料1.臭氧是淡蓝色气体,大气中的臭氧层能有效阻挡紫外线,保护地球的生存环境,但目前南极出现了臭氧层空洞,并有继续扩大的趋势。材料2.复印机在工作时,会因高压放电产生一定浓度的臭氧。长期吸入大量臭氧会引起口干舌燥,咳嗽等不适症状,还可能诱发中毒性肺气肿。材料3.臭氧发生器是在高压电极的作用下将空气中的氧气转化为臭氧(化学式为O3)的装置。利用臭氧的强氧化性,可将其应用于游泳池、生活用水、污水的杀菌和消毒。请总结臭氧的有关知识:(1)物理性质: ;(2)化学性质: ;(3)用途: ;(4)从上述材料中可见臭氧对人类有利有弊。请再举出一种物质,并说出其利弊: 。 选项ABCD仪器名称量筒酒精灯滴瓶漏斗用途量取液体的体积用于物质或仪器的加热用于盛放液体或作反应容器可作加液器或制作过滤器
沪教版(2024新版)九年级上册化学第1章《开启化学之门》测试卷第Ⅰ卷 选择题(共40分)选择题(本题共20小题,每小题2分,共40分。)1.下列有关化学家和化学史的叙述中,不正确的是( )A.法国科学家拉瓦锡得出了空气是由氮气和氧气组成的混合物B.我国古代三大化学工艺为造纸、制火药、烧瓷器C.英国科学家汤姆生提出元素周期律,并发明元素周期表D.英国科学家道尔顿提出原子是不可分割的实心球体2. 我国下列古代发明或技术中,主要原理没有涉及化学变化的是( )A.钻木取火 B.活字印刷 C.矿石炼铁 D.火药爆炸3. 蜡烛燃烧的现象中,最能说明蜡烛燃烧是化学变化的本质的现象是( )A. 蜡烛燃烧时会发光、发热B. 蜡烛燃烧时有液体(烛泪)流下来C. 用一干冷烧杯罩在火焰上,烧杯内壁有水雾,迅速加入少量澄清石灰水,振荡,石灰水变浑浊D. 蜡烛越烧越短4.如图所示生产生活中发生的变化属于化学变化的是( ) A. B. 火柴梗被折断C. 干冰升华 D. 灯泡通电发光5.如图所示为我国唐代名画《捣练图》。画卷呈现的工序中一定发生了化学变化的是A.捶打织品 B.梳理丝线 C.缝制衣物 D.烧炭熨烫6. 下列叙述中正确的是( )A.化学反应伴随着能量变化B.在化学反应中只有燃烧反应才能放出热量C.化学反应过程中都会发生放热现象D.人类利用的能量都是通过化学反应获得的7. 下列物质的用途中,主要利用其化学性质的是( )A.氢气用于填充探空气球B.液氧用于发射火箭C.金刚石作装饰品 D.石墨作高温润滑剂8. 下列实验现象不能用眼睛直接观察到的是( )A.有气泡放出 B.改变颜色C.产生沉淀 D.生成二氧化碳9. 实验室里有两瓶无色试剂,一瓶是浓盐酸,一瓶是浓硫酸,印标签模糊,无法区分,有同学提出打开瓶塞观察,这属于科学探究中的( )A. 提出问题 B. 猜想假设 C. 设计实验 D. 得出结论10. 下表是初中化学实验室部分常用仪器,其对应用途有误的是A.A B.B C.C D.D11.下列有关药品的取用说法错误的是( )A.为了节约药品,实验室用剩的药品应放回原瓶 B.实验室的药品,不能用手直接接触,更不得尝味道C.取用固体药品,一般用药匙 D.液体药品通常盛放在细口瓶里,常用倾倒法取用12.要用托盘天平称量10.4g食盐(1g以下用游码),若药品和砝码放反了,则称出的实际质量为( ) A.10.4g B.10g C.9.2g D.9.6 g13. 下列关于金刚石、石墨的说法错误的是( )A.组成:都由碳元素组成 B.性质:二者性质差异较大C.结构:碳原子排列方式不同 D.变化:一定条件下,二者可相互转化14. 化学来源于生活,应用于生活,下列图片中所体现的内容不属于化学对人类贡献的是( )A.生产化肥用于粮食增产B.合成药物保障人体健康C.研制火箭的燃料促进航空航天事业的发展D.风力发电提供电能15.丁丁用试管作实验,实验不同,试管口的朝向也不同(如图)。丁丁正确的做法是( ) a.给试管中的液体加热时,试管如图 = 1 \* GB3 ①b.用胶头滴管向试管中滴加液体时,试管如图 = 3 \* GB3 ③c.给试管中的固体加热时,试管如图 = 4 \* GB3 ④d.向试管中加入块状固体时,试管先如图 = 2 \* GB3 ②再如图 = 3 \* GB3 ③最后如图 = 1 \* GB3 ①A.ab B.cd C.bd D.abcd16. 下列能说明镁条燃烧发生了化学变化的实验现象是( )A.发出白光 B.放出大量热C.产生白色固体 D.生成了氧化镁17.试管是实验中常用的一种仪器。如图中使用试管进行实验的操作不正确的是( )A. B. C. D.18.在化学实验中,实验操作要保证人身安全和仪器、试剂的安全,试剂安全是指操作应避免造成试剂的污染或变质。下列操作要求中不是从试剂安全角度考虑的是( )A.不能用未经清洗的非专用胶头滴管吸取另一种试剂B.不能用手接触药品,不得品尝任何药品的味道 C.从试剂瓶倒完试液后,应立即盖紧瓶塞 D.用药匙取用一种药品后,取另一种药品前必须擦拭干净19.对蜡烛及其燃烧的探究活动中,下列说法错误的是A.石蜡“质软”这一性质属于物理性质B.“石蜡熔化”属于物理变化C.“能使澄清的石灰水变浑浊”属于二氧化碳的化学性质D.“石蜡受热形成蒸气”属于化学变化20.兴趣小组进行铜绿受热分解的实验探究,下列操作错误的是( ) A.装置甲:查气密性 B.装置乙:加入铜绿C.装置丙:加热铜绿 D.装置丁:检验气体第Ⅱ卷 非选择题(共60分)21.(4分)化学是一门以实验为基础的科学,请按要求填空。(1)写出玻璃仪器名称:a___________,b__________,上述实验操作中,正确的是__________(填序号)。(2)C中玻璃棒的作用是___________。22.(9分)经过第1章的学习,我们认识了许多化学实验仪器,也知道了不少实验操作的要求。(1)如图1常见仪器中,可以直接在酒精灯火焰上加热的玻璃仪器是 (填仪器名称,下同);用酒精灯加热时需要垫上陶土网的仪器是 。某同学用100mL的量筒量取一定液体的体积,如图所示,回答问题:图2中所表示的液体的体积是 mL;该同学若要量取47mL的液体,在上面的基础上,应该用图1中的 (填仪器名称)再向量筒中加入该液体。如果该同学在量取47mL该液体时,若仰视读数,则量取的液体实际体积 (填“大于”或“小于”)47mL。做化学实验要养成良好的实验习惯。若某同学在实验结束后,将仪器按如图3放置,其中正确的是 (填字母序号)。(4)某山村学校因仪器不足,同学们用图4生活物品来代替化学实验仪器。用A来代替试管,你认为B可代替 ,C可代替 。医用注射器D可用来代替量筒,现有三种刻度的注射器:a.10mL b.50mL c.100mL。要量取48mL的水,应该选择医用注射器 (填字母代号)。23.(16分)(1)取一支蜡烛,用小刀切下一小块,把它放入水中,蜡烛会 ,由此可得,石蜡的密度比水 ,此外还可以知道石蜡的物理性质 、 。(2)点燃蜡烛,观察到蜡烛火焰分 层,分别为 、 、 ,把一根火柴梗放在蜡烛火焰中,1s后取出,可以看到 处的火柴梗最先碳化,结论:蜡烛火焰的 温度最高。(3)再将一只干燥的烧杯罩在蜡烛火焰的上方,烧杯内壁出现 ,片刻后取下烧杯,迅速向烧杯中倒入少量澄清石灰水,振荡后发现 。结论:蜡烛燃烧的产物是 和 。(4)熄灭蜡烛,发现蜡烛冒一缕白烟,用火柴去点蜡烛刚熄灭时产生的白烟,蜡烛 。由上述观察可得:蜡烛燃烧过程发生的变化类型为 。24.(13分)下图为加热碳酸氢铵的实验装置,试回答下列问题:(1)写出图中仪器的名称:a___________,b____________,c_________, d_________。(2)实验中观察到的现象:白色固体 ,同时看到试管壁上有 出现,澄清的石灰水 ,还能闻到一股 气味。(3)实验结论:碳酸氢铵加热反应生成了氨气、 、 三种物质。发生反应的文字表达式是 。 (4)碳酸氢铵是一种常见的化肥,俗称碳铵,通过本实验,请你谈谈如何合理的保存这种化肥?___________。25.(9分)如图是镁条在空气中燃烧实验的示意图,试回答下列问题:(1)夹持镁带的仪器是: 。(2)实验时伴随的现象是 、 、 ,其中能说明镁带燃烧是化学变化的实验现象是 。(3)实验完毕后,发现桌面被烫坏了,你能分析出现这种状况的原因可能是 。(4)写出这个反应的文字表达式 。26.(4分)微粒的性质再探究。【链接教材】教材采用下图 装置进行实验。 (1)仪器a的名称是 ;(2)实验1的现象说明 ;(3)实验2的现象是 ;(4)实验得出的主要结论是 。27.(5分)阅读材料,回答问题:材料1.臭氧是淡蓝色气体,大气中的臭氧层能有效阻挡紫外线,保护地球的生存环境,但目前南极出现了臭氧层空洞,并有继续扩大的趋势。材料2.复印机在工作时,会因高压放电产生一定浓度的臭氧。长期吸入大量臭氧会引起口干舌燥,咳嗽等不适症状,还可能诱发中毒性肺气肿。材料3.臭氧发生器是在高压电极的作用下将空气中的氧气转化为臭氧(化学式为O3)的装置。利用臭氧的强氧化性,可将其应用于游泳池、生活用水、污水的杀菌和消毒。请总结臭氧的有关知识:(1)物理性质: ;(2)化学性质: ;(3)用途: ;(4)从上述材料中可见臭氧对人类有利有弊。请再举出一种物质,并说出其利弊: 。 选项ABCD仪器名称量筒酒精灯滴瓶漏斗用途量取液体的体积用于物质或仪器的加热用于盛放液体或作反应容器可作加液器或制作过滤器
相关资料
更多

