所属成套资源:2023-2024学年八年级物理上学期期中模拟考试试题含答案(答题卡)
期中模拟卷01(深圳)2023-2024学年八年级物理上学期期中模拟考试试题含答案(答题卡)
展开
这是一份期中模拟卷01(深圳)2023-2024学年八年级物理上学期期中模拟考试试题含答案(答题卡),文件包含期中模拟卷01全解全析docx、期中模拟卷01考试版A4人教版A4版docx、期中模拟卷01答题卡A4版docx、期中模拟卷01考试版A3人教版A3版docx、期中模拟卷01参考答案docx、期中模拟卷01答题卡A3版docx等6份试卷配套教学资源,其中试卷共34页, 欢迎下载使用。
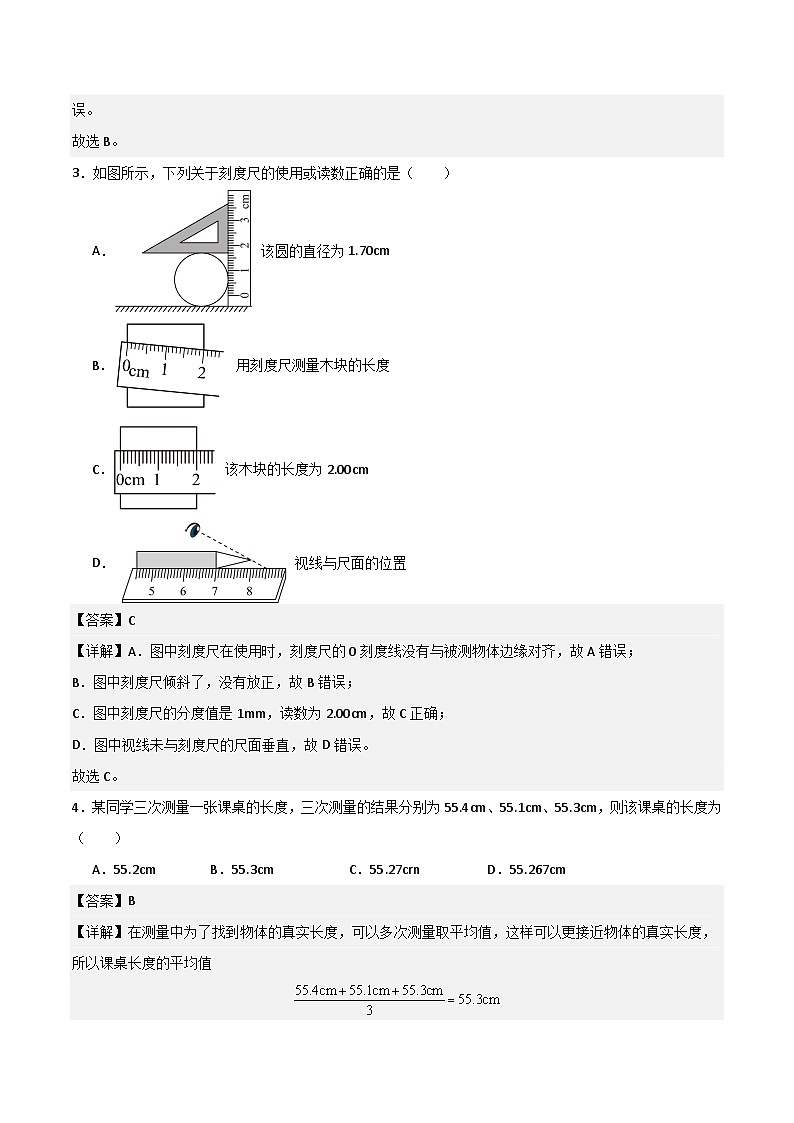
2023-2024学年上学期期中模拟考试八年级物理1.如图所示,10月的某天早上,八年一班的小森正在骑着自行车上学。以下有关估测正确的是( )A.当时的气温约为-20℃ B.自行车座椅的高度约为10dmC.小森正常骑车的行驶速度约为5km/h D.公路上的噪声强度大约是150dB【答案】B【详解】由图可知,小森身着夏装,说明气温比较高,应该在30℃左右,故A错误;B.课桌高度约80cm,自行车座椅高度略大于此数值,在100cm=10dm左右,故B正确;C.中学生骑自行车的速度在5m/s左右,合计5×3.6km/h=18km/h故C错误;D.公路上的噪声强度大约是90dB,火箭、导弹发射时的噪声强度大约为150dB,故D错误。故选B。2.关于误差,下列说法正确的是( )A.误差就是实验中产生的错误B.无论怎样做,都不能避免误差C.采用精密仪器,认真仔细测量,经多次测量取其平均值,就能消灭误差D.只要仪器精密,测量方法正确,就不会产生误差【答案】B【详解】A.误差是在测量过程中产生的测量值与真实值这间的差异,因此误差不是实验中产生的错误,故A错误;B.误差与测量的人、测量工具、测量环境有关,因此,任何测量中的误差是不可避免的,故B正确;CD.选用更精密的测量仪器、改进实验方法、熟练实验技能等都可以减小误差,但不能消除误差,故CD错误。故选B。3.如图所示,下列关于刻度尺的使用或读数正确的是( )A. 该圆的直径为1.70cmB. 用刻度尺测量木块的长度C. 该木块的长度为2.00cmD. 视线与尺面的位置【答案】C【详解】A.图中刻度尺在使用时,刻度尺的0刻度线没有与被测物体边缘对齐,故A错误;B.图中刻度尺倾斜了,没有放正,故B错误;C.图中刻度尺的分度值是1mm,读数为2.00cm,故C正确;D.图中视线未与刻度尺的尺面垂直,故D错误。故选C。4.某同学三次测量一张课桌的长度,三次测量的结果分别为55.4cm、55.1cm、55.3cm,则该课桌的长度为( )A.55.2cm B.55.3cm C.55.27crn D.55.267cm【答案】B【详解】在测量中为了找到物体的真实长度,可以多次测量取平均值,这样可以更接近物体的真实长度,所以课桌长度的平均值故选B。5.中华古诗词、俗语中蕴含着丰富的声学知识,下列有关理解正确的是( )A.“柴门闻犬吠,风雪夜归人”说明声音可传递信息B.“响鼓还要重锤敲”说明声音的音调与振幅有关C.“闻其声而知其人”是根据声音的响度来辨别的D.“谁家玉笛暗飞声”中的笛声由笛管的振动产生【答案】A【详解】A.“柴门闻犬吠,风雪夜归人”,听到狗的叫声,知道有人来,即说明声音可传递信息,故A正确;B.“响鼓还需重锤敲”说明声音的响度与振幅有关,故B错误;C.“闻其声而知其人”是根据声音的音色来辨别的,故C错误;D.“谁家玉笛暗飞声”中的笛声由空气柱的振动产生,故D错误。故选A。6.现代社会,宠物爱好者越来越多,但宠物伤人事故也常有发生。如图,是一款超声驱狗器。实验结果显示:对着狗按开关,狗好像听到巨大的噪声而躲开,而旁边的人什么也没听见。关于“人什么也没听见”的分析正确的是( )A.它发出的声音不是振动产生的B.它发出声波的频率不在人耳能够感受的频率范围内C.它发出声音的响度小D.它发出的声波可以在真空中传播【答案】B【详解】A.超声波属于声,声都是由物体振动产生的,故A错误;B.高于20000Hz是超声波,人能听到的声波频率是20Hz到20000Hz,狗能听到的声音频率是15Hz到50000Hz,人不能听到超声波,狗可以听到超声波,故B正确;C.狗好像听到巨大的噪声而躲开,说明声音很大,说明声音的响度大,故C错误;D.所有的声都不能在真空中传播,故D错误。故选B。7.每年高考和中考期间,社会各界都努力为考生创设良好的环境,防止噪声的危害是一项重要工作。下列关于考试期间控制噪声的说法和做法正确的是( )A.考场周围可以大声播放音乐,因为音乐不属于噪声B.考场附近禁止车辆行驶和鸣笛,是从声源处防止噪声的产生C.关闭门窗可以完全消除噪声,因为固体不能传声D.干扰的声音不可能完全杜绝,若在考场内听到80dB的噪声应属于较为理想的安静环境【答案】B【详解】A.从环保的角度讲,凡是影响人们正常生活、工作、学习的声音都可以称为噪声,考场周围大声播放音乐,影响考试,所以属于噪声,故A错误;B.禁止鸣笛是为了避免噪声的产生,所以是从声源处防止噪声的产生,故B正确;C.固体也能传声,所以关闭门窗不能完全消除噪声,只是在传播过程中减弱噪声,故C错误;D.理想的安静环境噪声在30dB~40dB之间,故D错误。故选B。8.水是大自然的精灵,瞬息万变中向我们展示了它神秘的特性,如图所示的四个场景中,因为水的凝固而形成的是( )A.屋檐下的冰凌 B.窗玻璃上的冰花C.旷野上的白雾 D.植物上的露珠【答案】A【详解】A.屋檐下的冰凌是雪先熔化为水,水又凝固成冰而形成的,先熔化后凝固,故A符合题意; B.窗玻璃上的冰花是水蒸气遇冷凝华形成的,故B不符合题意;C.旷野上的白雾是空气中的水蒸气遇冷液化形成的小水滴,悬浮在空气中出现的现象,故C不符合题意; D.植物上的露珠是空气中的水蒸气遇冷液化而成的小水珠,故D不符合题意。 故选A。9.某同学取出一支示数为39.6℃的体温计,没有将水银甩回玻璃泡而直接测量自己的体温。若他的实际体温是36.6℃,则测出来的体温是( )A.36.6℃ B.39.6℃ C.37℃ D.76.2℃【答案】B【详解】没有甩的体温计的读数是39.6℃,直接用来测量自己的体温,若自己的体温高于39.6℃,体温计中的水银会上升,测量是比较准确的;若自己的体温不高于39.6℃,体温计中的水银不会下降,依然显示的是39.6℃。所以体温是36.6℃的自己测量的结果是39.6℃。故选B。10.实验室有一只刻度均匀的不准确温度计,在测一标准大气压下冰水混合物的温度时,其读数为 20℃,在测标准大气压下沸水的温度时,其读数为 80℃。当实际温度为 60℃时,此温度计的对应读数是( )A.36℃ B.40℃ C.56℃ D.60℃【答案】C【详解】在一标准大气压下冰水混合物的温度是0℃,沸水的温度是100℃。所以这支温度计上的示数20℃所对应的实际温度是0℃,示数80℃对应的实际温度是100℃。由于20℃到80℃之间有60个格,那么该温度计1个格表示的温度是当实际温度为60C时,此温度计的对应的读数为故C符合题意,ABD不符合题意。故选C。11.一运动物体的“路程﹣时间”图像如图甲所示,请在乙图中画出其运动的“速度﹣时间”图像。【答案】【详解】由图可知,物体做的是匀速直线运动,物体的速度即物体做的是速度大小为5m/s的匀速直线运动,则v﹣t图像如图所示:12.室内温度为20℃,此时用浸有少量酒精的棉花裹在温度计的玻璃泡上,随着酒精的迅速蒸发,在图中画出能正确反映温度计示数随时间变化的大致图象。 【答案】 【详解】酒精蒸发吸热,具有致冷作用,能使它附着的温度计温度下降;随着酒精的迅速蒸发掉后,受空气温度的影响,温度计的示数又会上升,直到和周围温度示数相同时,不再上升,据此可得图象,如图所示: 三、实验题13.在图中,圆筒的直径d为 cm,该刻度尺的分度值为 cm,秒表的读数为 s。【答案】 1.00 0.1 32【详解】[1][2]刻度尺上1cm之间有10个小格,所以一个小格代表的长度是0.1cm,即此刻度尺的分度值为0.1cm;圆筒左侧与2cm刻度线对齐,估读为2.00cm,右侧与3cm刻度线对齐,估读为3.00cm,圆筒的直径d=3.00cm-2.00cm=1.00cm[3]在秒表的中间表盘上,1min中间有两个小格,所以一个小格代表0.5min,分针过半个格;在秒表的大表盘上,1s之间有10个小格,所以一个小格代表0.1s,指针在32s处,所以秒针指示的时间为32s,即秒表的读数为32s。14.如图,在八个相同的玻璃瓶中,灌入质量不同的冰,水面的高度不等。 (1)若用相同的力量分别敲击它们,就可以发出不同的音调,此时发出的声音的声源主要是 (选填“空气柱”或“瓶壁和水柱”)的振动,盛水越多,敲击时发出的声音的音调就越 ;(2)若用嘴依次用同样的力量吹瓶口,也可以发出不同的音调,此时发出的声音的声源主要是 (选填“空气柱”或“瓶壁和水柱”)的振动,盛水越多,瓶中的空气柱越短,振动的越快,发出的声音的音调就越 ;(3)由此联想到,往保温瓶里灌开水的过程中,听声音就能判断壶里水位的高低,因为随着水位的不断升高,音调逐渐 (选填“升高”、“降低”或“不变“)。【答案】 瓶壁和水柱 低 空气柱 高 升高【详解】(1)[1]当用相同的力敲击瓶子时,振动的物体是瓶壁和水柱。[2]瓶中盛水越多,瓶子和水的质量越大,越难振动,音调越低。(2)[3]当用嘴依次吹瓶口,振动的物体是空气柱。[4]瓶中盛水越多,空气柱越短,越容易振动,频率越快,音调越高。(3)[5]灌水时听见的声音是由壶内空气柱振动产生的;当向壶中倒水时,由于壶中的有一段空气柱,此时由于该段空气柱的振动而发出声音,且随着壶中的水越来越多,空气柱越来越短,其振动会变的越来越快,即音调会越来越高。15.小明利用如图甲所示的实验装置观察水的沸腾。 (1)实验过程中加热时要用酒精灯的 (选坎外焰或内焰),某时刻18.0℃温度计示数如图乙所示,此时温度计的示数为 ℃;(2)沸腾时水中气泡的情形为图丙中的 (填C或D);(3)沸腾时,继续加热,水的温度 (选填不断上升、不断下降、保持不变):根据水沸腾时的特点,家里做粥时,当水沸腾时可以选用 (填大火或小火)加热;(4)如图丁,试管和烧杯中均装有水,用此方法进行加热,试管中的水 (选填能或不能)沸腾;【拓展】某制药厂在制药时,为了从药液中提取抗菌素粉剂,采用加热的方法使水沸腾除去水分,但要求药液的温度不能超过80℃,你认为可以采取的办法是: 【答案】 外焰 68 C 保持不变 小火 不能 降低液面上方的气压【详解】(1)[1][2]因为外焰温度最高,用酒精灯外焰加热可以提高加热效率,所以加热时要用酒精灯的外焰进行加热,由图乙可知,温度计的分度值是1℃,且在之间,所以温度值为68℃。(2)[3]水沸腾前产生的气泡在上升过程中会因为温度降低,气泡里面的水蒸气液化进入水中,使气泡逐渐变小。水沸腾时不断有水汽化为水蒸气进入气泡,气泡在上升过程中逐渐变大,到水面破裂开来。所以沸腾时水中气泡的情形为图丙中的C。(3)[4]水沸腾时,继续吸收热量,且温度保持不变。[5]家里做粥时,可以选用先用大火把水烧开,然后调为小火维持水的沸腾就可了,开大火不但没有什么作用,还浪费资源。(4)[6]不能观察到试管中的水沸腾,因为当烧杯中的水沸腾后温度不再升高,试管中的水虽然能达到沸点,但是因没有温差,无法继续吸收热量而无法沸腾。[7]在一标准大气压下,水的沸点是100℃,且气压越低,水的沸点越低,所以可以通过降低气压而降低水的沸点,使水在低于80℃时沸腾汽化。16.小明在做“测量小车运动的平均速度”的实验中,设计了如图所示的实验装置;小车从带刻度(分度值为1cm)的斜面顶端由静止下滑,图中的小方框是小车到达A、B、C三处时电子表的显示(数字分别表示“小时:分:秒”)。 (1)该实验测小车平均速度的原理是 。实验中需要的测量工具是 和计时器;(2)实验中为了方便计时,应使斜面的坡度较 。(选填“大”或“小”)目的: ;(3)请根据图中信息回答: m/s。小车在下半段路程的平均速度 小车在全程的平均速度(选填“大于”、“等于”、“小于”);(4)实验前必须学会熟练使用电子表,如果让小车过了A点后才开始计时,则会使所测AC段的平均速度偏 ;(选填“大”或“小”)(5)为了测量小车在AC段运动过程中下半程的平均速度,某同学让小车从B点由静止释放,测出小车到达C点的时间,从而计算出小车运动过程中下半程的平均速度。他的做法正确吗? ,理由是 ;【答案】 刻度尺 小 便于测量时间 0.3 大于 大 不正确 测量时间不准确 【详解】(1)[1][2]根据平均速度的求值公式可知,分别用刻度尺测量物体运动的路程和计时器测量物体运动的时间,以为实验原理,设计测量物体平均速度的实验。(2)[3][4]实验中为了便于测量时间,斜面的坡度要较小,来延长小车在斜面上运动的时间。(3)[5]由图可知AC段的路程为AC段的时间为AC段的平均速度为[6]小车在斜面上做加速运动,下半段运动的时间小于上半段运动的时间,根据可知,下半段的平均速度大于上半段的平均速度。(4)[7]小车过了A点后才开始计时,导致测量的AC段时间偏小,根据可知,速度偏大。(5)[8][9]小车在斜面做加速运动,在B点时有速度,而让小车从B点由静止释放,导致测出小车在AC段的时间不准,所以这样的做法不正确。17.声音在海水中的传播速度是1500m/s,为了探测海底山脉分布,某科考探测船利用回声探测仪探测科考,探测船从某港口出发前往90km处的某海域科考探测,经过2.5h到达该海域,求:(1)探测船行驶的平均速度;(2)探测船在海面上向海底发出声波,经过5s后收到回波,则此处海水的深度是多少;(3)探测船行驶过程中消耗了100L柴油,则消耗柴油的质量是多少。(ρ柴油=0.85×103kg/m3)【答案】(1)36km/h;(2)3750m;(3)85kg。【详解】(1)探测船行驶的平均速度(2)发出信号遇到海底5s后接收到返回的波,声波从船所在的位置到障碍物的时间由可得,此处海水的深度答:(1)探测船行驶的平均速度为36km/h;(2)此处海水的深度是3750m;18.以下是广深城际C7034次列车时刻表。总里程105公里,求:站序站名里程到站时间出发时间停留时间1深圳 起点站08:12—2平湖5km08:2308:252分钟3樟木头10km08:3608:371分钟4常平23km08:4408:462分钟5东莞42km08:5608:571分钟6广州东105km09:30终点站—(1)C7034列车由深圳到达广州东站全程的平均速度是?(结果保留1位小数)(2)若这列火车向着山崖以30m/s的速度匀速直线行驶,在距离山崖一定距离的地方鸣笛,经过3秒后司机听到了回声,则司机鸣笛时距山崖多远?(设声音在空气中的传播速度为340m/s)(3)若这列火车长240m,以20m/s的速度通过一个长2000m的隧道,这列火车通过隧道用了多长时间?【答案】(1)80.8km/h;(2)555m;(3)112s【详解】解:(1)列车由深圳到达广州东站全程的路程s=105km,猎车行驶的总时间t=09∶30-08∶12=1h18min=1.3h列车由深圳到达广州东站全程的平均速度是(2)列车鸣笛后到司机听到回声,列车行驶的距离笛声传播的距离司机听到了回声,则司机鸣笛时离山崖的距离(3)列车通过隧道行驶的总路程列火车通过隧道的时间答:(1)列车由深圳到达广州东站全程的平均速度是80.8km/h;(2)司机鸣笛时距山崖555m;(3)这列火车通过隧道用了112s。19.阅读下面材料,回答问题:超声波是频率超过人类听觉上限的声波具有较强的穿透能力,能够穿透玻璃、铝、不锈钢或塑料等。目前,超声波指纹识别技术(SenseID)已越来越普遍地应用于手机解锁,与传统指纹识别不同,超声波指纹识别技术是通过发射超声波扫描紧贴屏幕的指纹,并根据接收到的反射超声波分析得出指纹的信息,进行比对解锁超声波扫描能够不受手指上可能存在的污物影响,例如汗水、护手霜等,从而提供种更稳定、精确的认证方法。动物听觉范围蝙蝠1000Hz~120000Hz狗15Hz~50000Hz大象1Hz~20000Hz(1)表格中给出了三种动物的听觉范围,其中不能听到次声波的动物是 ;(2)SenseID通过超声波获取指纹信息,以下各项应用中与此类似的是 ;A.超声波焊接器B.超声波清洗器C.渔船用声呐探测鱼群情况D.用超声波美白牙齿(3)SenseID系统置于手机内部,能透过屏幕进行指纹识别,是因为超声波具有 的特点;(4)SenseID系统利用了仿生学原明,它模仿的是 ;A.大象 B.蜘蛛 C.蝙蝠 D.人(5)某手机利用SenseID,从发出超声波至接收到指纹反射的超声波,用时为,已知超声波在手机材料中传播速度为,则SenseID系统到指纹的离为 mm;(6)放大手指局部,表面是凹凸不平的,下面是超声指纹识别系统,在A、B、C、D、E五个位置发射超声波,遇到手指表面部分超声波被反射,从发射到接收的时间分别为7.2μs、7.18μs、7.2μs、7.16μs、7.2μs(1μs=10-6s),根据时间,可绘出该区域手指表面大致形状可能是图中的 。 【答案】 蝙蝠 C 较强的穿透能力 C 3.6 乙【详解】(1)[1]人的听觉范围在之间,高于20000Hz为超声波,低于20Hz的是次声波;由图表看出大象和狗听到声波的最低频率低于20Hz,因此能到次声波,蝙蝠最低为1000Hz,因此其中不能听到次声波的动物是蝙蝠。(2)[2]声波既能传信息,也能传能量,超声波焊接器、超声波清洗器、用超声波美白牙齿属于超声波传能量,渔船用声呐探测鱼群情况属于声波传信息,而SenseID通过超声波获取指纹信息,属于声源传信息,因此ABD不符合题意,C符合题意。故选C。 (3)[3]SenseID系统置利用声源穿透屏幕到达手指,通过反射的时间长短确定距离大小工作的,表明超声波具有较强的穿透能力的特点。(4)[4]SenseID系统利用了超声波反射来确定距离的大小工作,而蝙蝠就是利用超声源反射测距的原理,因此SenseID系统工作原理与蝙蝠相同,它模仿的是蝙蝠,故ABD不符合题意,C符合题意。故选C。(5)[5] SenseID系统到指纹需要的时间为SenseID系统到指纹的距离为(6)[6]根据公式可知,声波的速度一定,距离与时间成正比,A、C、E时间相同,距离相同,B处时间略小,距离次之,D处的时间最短,距离最小,故甲丙丁不符合题意,乙符合题意。故选乙。
相关试卷
这是一份期中模拟卷01(广州)2023-2024学年九年级物理上学期期中模拟考试试题(含答案及答题卡),文件包含期中模拟卷01全解全析docx、期中模拟卷01考试版A4人教版A4版docx、期中模拟卷01答题卡A4版docx、期中模拟卷01考试版A3人教版A3版docx、期中模拟卷01答题卡A3版docx、期中模拟卷01参考答案docx等6份试卷配套教学资源,其中试卷共28页, 欢迎下载使用。
这是一份期中模拟卷01(重庆)-2023-2024学年九年级物理上学期期中模拟考试试题(含答案及答题卡),文件包含期中模拟卷01全解全析docx、期中模拟卷01参考答案docx、期中模拟卷01答题卡A3版docx、期中模拟卷01答题卡A4版docx、期中模拟卷01考试版A3docx、期中模拟卷01考试版A4docx等6份试卷配套教学资源,其中试卷共30页, 欢迎下载使用。
这是一份期中模拟卷02(深圳)2023-2024学年八年级物理上学期期中模拟考试试题含答案(答题卡),文件包含期中模拟卷02全解全析docx、期中模拟卷02考试版A4人教版A4版docx、期中模拟卷02答题卡A4版docx、期中模拟卷02考试版A3人教版A3版docx、期中模拟卷02参考答案docx、期中模拟卷02答题卡A3版docx等6份试卷配套教学资源,其中试卷共34页, 欢迎下载使用。

