还剩3页未读,
继续阅读
八年级物理下册第9章压强测评试卷(B)(附解析人教版)
展开
这是一份八年级物理下册第9章压强测评试卷(B)(附解析人教版),共6页。
第九章测评(B)
(时间:45分钟 满分:100分)
一、选择题(本大题共8小题,每小题4分,共32分)
1.在日常生活和生产中,有时需要增大压强,有时需要减小压强。下列四图中为了减小压强的是( )
2.如图所示,在平静的湖中,下列哪处水的压强最小(ρ水=1 g/cm3)( )
A.a B.b C.c D.d
3.在无风的天气,汽车在马路上快速驶过以后,马路两边的树叶会随风飘动,如图所示,汽车向左行驶,马路两边的树叶会沿着A、B、C哪一个方向飘动( )
A.向A方向飘动 B.向B方向飘动
C.向C方向飘动 D.条件不足,无法判断
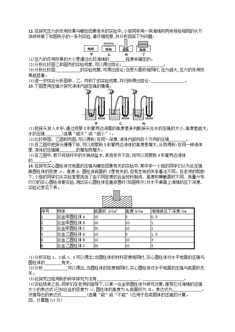
4.如图所示,桌面上是两个完全相同的圆柱形平底杯子,里面分别盛有质量相等的水和酒精,A、B两点到杯子底部的距离相等。已知水的密度ρ水=1.0×103 kg/m3,酒精的密度ρ酒精=0.8×103 kg/m3,则A、B两点的压强pA、pB的大小关系是( )
A.pA>pB B.pA”“
相关资料
更多

