


河北省衡水中学2017届高三下学期二调化学试卷(解析版)
展开
这是一份河北省衡水中学2017届高三下学期二调化学试卷(解析版),共13页。试卷主要包含了选择题,实验题,填空题,推断题等内容,欢迎下载使用。
河北省衡水中学2017届高三下学期二调化学试卷
一、选择题
1.有关实验装置的说法中正确的是
A. 图l装置可制取干燥纯净的NH3
B. 图2装置可以完成“喷泉”实验
C. 图3装置可测量Cu与浓硝酸反应产生气体的体积
D. 图4装置可用于实验室制备Fe(OH)3
2.设NA为阿伏加德罗常数,下列说法错误的是( )
A. 标准状况下22.4LCl2和H2合混气体原子数为2NA
B. lmolNa2O2和足量的水完全反应,转移的电子数为NA
C. 1mol金刚石中含共价键数目为4NA
D. 电解食盐水若产生2g氢气,则转移的电子数目为2NA
3.已知A、B、C、D、E是短周期原子序数依将增大的5种元素,A原子在元素周期表中原子半径最小,B与E同主族,且E的原子序数是B的两倍,C、D是金属,它们的氢氧化物的难排于水。下列说法不正确的是 ( )
A. 简单离子的半径:C>D>E>B
B. 工业上常用电解法制得C和D的单质
C. 稳定性: A2B>A2E
D. 单质D可用于冶炼某些难熔金属
4.下列有关说法错误的是( )
A. 油脂的种类很多,但它们水解后都一定有一产物相同
B. 淀粉、纤维素都属糖类,它们通式相同,但它们不互为同分异构体
C. 已知CH4+H2OCH3OH+H2,该反应的有机产物是无毒物质
D. C(CH3)4的二氯代物只有2种
5.
A. [18]- 轮烯分子中所有原子不可能处于同一平面
B. [18]- 轮烯的分子式为:C18H12
C. 1 mol[18]- 轮烯最多可与9 mol氢气发生加成反应生成环烷烃
D. [18]- 轮烯与乙烯互为同系物.
6.下图装置中X和Y均为石墨电极,电解液为500mL某蓝色溶液,电解一段时间,观察到X 电极表面有红色的固态物质生成,Y 电极有无色气体生成;溶液中原有溶质完全电解后,停止电解,取出X电极, 洗涤、干燥、称量,电极增重1.6g。下列有关说法中错误的是( )
A. X电极是阴极
B. Y电极产生气体的体积为0.224L
C. 电解后溶液的pH=1
D. 要使电解后溶液恢复到电解前的状态,需加入一定最的CuO 或CuCO3
7.己知某温度下,Ksp(AgCl)=1.56×10-10mol2/L2,Ksp(Ag2CrO4)=1×10-12mol3/L3,下列叙述正确的是( )
A. 饱和AgCl溶液与饱和Ag2CrO4溶液相比,前者的c(Ag+)大
B. 向氯化银的浊液中加入氯化钠溶液,氯化银的Ksp减小
C. 向0.001mol/L的K2CrO4溶液中加入等体积的0.002mol/L AgNO3溶液,则CrO42-时完全沉淀
D. 将0.00lmol/L的AgNO3溶液滴入0.001mol/L的KCl和0.001mol/L K2CrO4溶液,则先产生AgCl沉淀
二、实验题
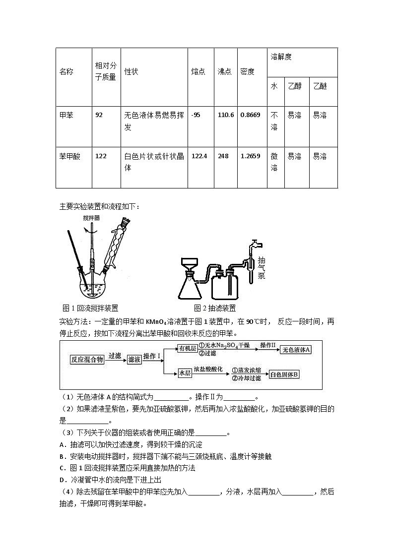
8.(14分)芳香族羧酸通常用芳香烃的氧化来制备。芳香烃的苯环比较稳定,难于氧化,而环上的支链不论长短,在强烈氧化时,最终都氧化成羧基。某同学用甲苯的氧化反应制备苯甲酸。
反应原理:
反应试剂、产物的物理常数:
名称
相对分 子质量
性状
熔点
沸点
密度
溶解度
水
乙醇
乙醚
甲苯
92
无色液体易燃易挥发
-95
110.6
0.8669
不溶
易溶
易溶
苯甲酸
122
白色片状或针状晶体
122.4
248
1.2659
微溶
易溶
易溶
主要实验装置和流程如下:
实验方法:一定量的甲苯和KMnO4溶液置于图1装置中,在90℃时, 反应一段时间,再停止反应,按如下流程分离出苯甲酸和回收未反应的甲苯。
(1)无色液体A的结构简式为 。操作Ⅱ为 。
(2)如果滤液呈紫色,要先加亚硫酸氢钾,然后再加入浓盐酸酸化,加亚硫酸氢钾的目的是 。
(3)下列关于仪器的组装或者使用正确的是 。
A.抽滤可以加快过滤速度,得到较干燥的沉淀
B.安装电动搅拌器时,搅拌器下端不能与三颈烧瓶底、温度计等接触
C.图1回流搅拌装置应采用直接加热的方法
D.冷凝管中水的流向是下进上出
(4)除去残留在苯甲酸中的甲苯应先加入 ,分液,水层再加入 ,然后抽滤,干燥即可得到苯甲酸。
(5)纯度测定:称取1.220g产品,配成100mL溶液,取其中25.00mL溶液,进行滴定 ,消耗KOH物质的量为2.4×10-3mol。产品中苯甲酸质量分数为 。
9.铜是一种重要的战略物资,以黄铜矿(主要成分是CuFeS2)为主要原料生产铜、铁红、单质硫时,原料的综合利用率较高,其主要流程如图所示(己知Na[CuCl2]的电离方程式为:Na[CuCl2]=Na++[CuCl2]-):
(1)流程中粉碎的目的是_____________,操作①、②、③、④的目的相同,在实验中这种操作的名称是____________。
(2)铁红的重要用途:__________________,固体B中含有两种产物,一种是单质C、另一种是原子个数比为1:l 的一种金属的低价态盐,写出堆浸时反应的化学方程式:________。
(3)反应V的离子方程式:___________________。
(4)此方法中得到的铜纯度不能满足某些生产的需要,需要利用电解法进行提纯。若用如图所示的装置进行电解精炼,则乙中溶液的溶质是_________,e电极上的电极反应式为_____。
若当电路中有2mol电子通过时,乙中某个电极质量减轻了63.92g,则粗铜的纯度为(假设杂质只有铁且精炼时铜与铁的放电比例与混合物比例相同,计算时用%表示保留一位小数)____________(已知相对原子质量:Fe 56 Cu 64 )。
三、填空题
10.(1)已知25 ℃时有关弱酸的电离平衡常数:
弱酸化学式
HSCN
CH3COOH
HCN
H2CO3
电离平衡常数
1.3×10-1
1.8×10-5
4.9×10-10
K1=4.3×10-7
K2=5.6×10-11
① 同温度下,等pH值的a. NaHCO3、b. NaCN、c.Na2CO3溶液的物质的量浓度由大到小的顺序为__________(填序号)。
② 25 ℃时,将20mL 0.1mol/LCH3COOH溶液和20mL0.1mol/LHSCN溶液分别与20ml0.1mol/L NaHCO3溶液混合,实验测得产生的气体体积(V)随时间(t)的变化如图所示:
反应初始阶段两种溶液产生CO2气体的速率存在明显差异的原因是:________反应结束后所得两溶液中,c(SCN-)________c(CH3COO-)(填“> ”、“< ”或“= ”)
③ 若保持温度不变,在醋酸溶液中加入一定量氨气,下列量会变小的是______(填序号)。
a.c(CH3COO-) b.c(H+) c.Kw d.醋酸电离平衡常数
(2)煤燃烧产生的烟气也含氮的氧化物,用CH4催化还原NOx可以消除氮氧化物的污染。己知:CH4(g)+2NO2(g)=N2(g)+CO2(g)+2H2O(g) △H=-867.0kJ mol-1
2NO2(g)N2O4(g) △H=-56.9kJ mol-1
H2O(g)=H2O(l) △H=-44.0kJ mol-1
写出CH4催化还原N2O4(g)生成N2(g)、CO2(g)和H2O(l)的热化学方程式_________
(3)甲烷燃料电池可以提升能量利用率。下图是利用甲烷燃料电池电解50mL 2mol/L的氯化铜溶液的装置示意图:请回答下列问题:
①甲烷燃料电池的负极反应式是____________
② 当A中消耗0.15mol氧气时.B 中____极增重_______g。
11.A、B、C、D、E、F均为周期表中前四周期的元素。请按要求回答下列问题。
(1)已知A和B为第三周期元素,其原子的第一至第四电离能如下表所示:
下列有关A、B的叙述不正确的是(____)a.离子半径A
相关试卷
这是一份衡水中学高三四调化学试卷及答案,共16页。
这是一份河北省衡水中学2018届高三上学期二调考试化学试题Word版含解析,共27页。
这是一份河北省衡水中学2017届高三下学期三调考试化学试卷(解析版),共14页。试卷主要包含了选择题,实验题,填空题等内容,欢迎下载使用。