人教版 (2019)必修 第二册第二节 乙烯与有机高分子材料精品课后测评
展开【重难点精讲】
一、乙烯
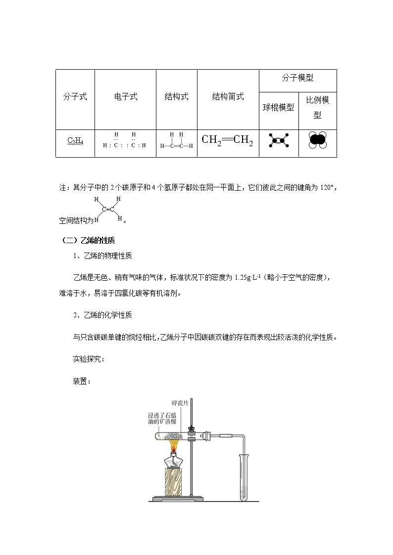
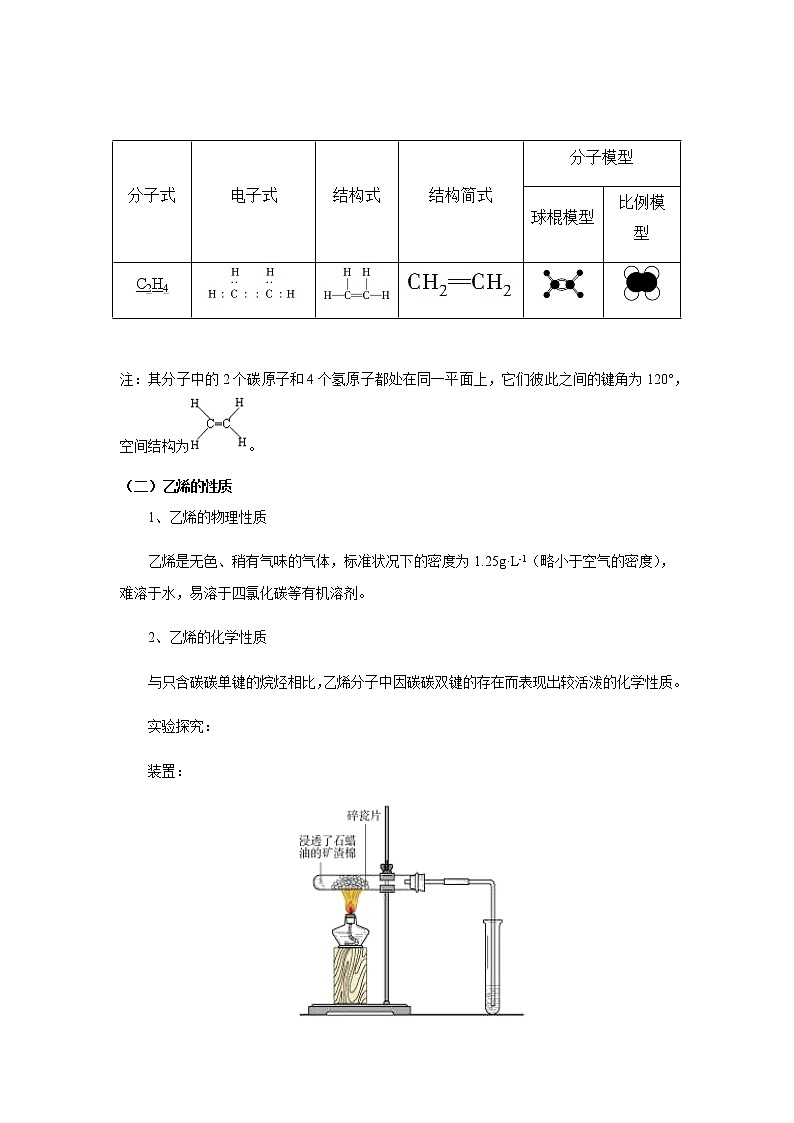
(一)乙烯的组成和结构
1、乙烯的组成
乙烯的分子式为C2H4。比较C2H4与C2H6(乙烷)可知,乙烯分子比碳原子数相同的乙烷分子少两个氢原子,我们可以这样理解:
即乙烯分子中碳碳之间为双键,乙烷分子中碳原子是“饱和”的,乙烯分子中碳原子是“不饱和”的。
乙烯的电子式为。
2、乙烯的结构
注:其分子中的2个碳原子和4个氢原子都处在同一平面上,它们彼此之间的键角为120°,空间结构为。
(二)乙烯的性质
1、乙烯的物理性质
乙烯是无色、稍有气味的气体,标准状况下的密度为1.25g·L-1(略小于空气的密度),难溶于水,易溶于四氯化碳等有机溶剂。
2、乙烯的化学性质
与只含碳碳单键的烷烃相比,乙烯分子中因碳碳双键的存在而表现出较活泼的化学性质。
实验探究:
装置:
实验步骤与现象:
注:a.碎瓷片起催化作用。b.高锰酸钾溶液中常加入少量的稀硫酸,以增强其氧化性。c.酸性高锰酸钾溶液和溴的四氯化碳溶液的量不宜太多,浓度也不宜太大,因为实验中乙烯量不大。d.酸性高锰酸钾、溴的四氯化碳溶液能检验乙烯等不饱和烃。
(1)氧化反应
①乙烯被酸性高锰酸钾溶液氧化
乙烯使酸性高锰酸钾溶液褪色的实质是乙烯被酸性高锰酸钾溶液氧化。
注:利用乙烯被酸性高锰酸钾氧化的反应可用于鉴别甲烷和乙烯,但不能除去甲烷中的乙烯,原因是发生反应的化学方程式为:5CH2=CH2+12KMnO4+18H2SO410CO2↑+6K2SO4+12MnSO4+28H2O,氧化后产物中有CO2,仍混在甲烷中,达不到除杂的目的。
②乙烯的燃烧
乙烯在空气中燃烧,火焰明亮并伴有黑烟,生成二氧化碳和水,同时放出大量的热。
C2H4 + 3O2 2CO2 +2H2O
注:a.产生黑烟是由于乙烯分子中含碳量比较高,燃烧时有一部分碳并没有完全被氧化,碳粒本身被烧成炽热的状态,所以乙烯的火焰很明亮,没有被氧化的碳呈游离态以黑烟的形式冒出。
b.乙烯属于易燃易爆的气体(爆炸极限为2.7%~36%),在点燃乙烯之前一定要先检验乙烯的纯度。
(2)加成反应
①定义
加成反应:有机物分子中的不饱和碳原子与其他原子或原子团直接结合生成新的化合物的反应叫加成反应。
注:加成反应和取代反应是最重要的两大有机反应类型,二者有本质的区别。取代反应的特点是有进有出,类似置换;加成反应的特点是有进无出,类似化合。取代反应是烷烃的特征反应,断裂的是C-H键;加成反应是不饱和烃的特征反应,是不饱和键中的不稳定键断裂。
②乙烯能发生加成反应
乙烯能使溴的CCl4溶液的红棕色很快褪去,也能使溴水的橙色很快褪去,生成无色的1,2—二溴乙烷。反应的方程式如下:
该反应的原理是乙烯分子中碳碳双键中的一个键易于断裂,断开之后每个碳原子就有一个未成对的电子,而Br2分子中Br-Br键断开后形成两个带一个未成对电子的溴原子,两个溴原子分别与两个碳原子结合形成共价键。此反应的过程可表示为:
乙烯还能跟氢气、卤化氢、水以及氯气等在适宜条件下起加成反应。
注:1.乙烯加成反应小结:
2.有关乙烯的注意事项:
a.乙烯分子中的单键可以转动,碳碳双键不能转动,所以碳碳双键上的原子始终在一个平面上。
b.当乙烯与Br2反应时,一般用溴水或溴的四氯化碳溶液(甲烷需要在光照条件下与溴蒸气反应)。
c.利用乙烯能使溴水褪色而甲烷(或烷烃)不能使溴水褪色,既可以区别乙烯和甲烷(或烷烃),也可以除去甲烷(或烷烃)中混有的少量乙烯以提纯甲烷(或烷烃)。
d.为制得纯净的氯乙烷,应用乙烯与HCl的加成反应而不宜用乙烷与Cl2的取代反应。因为乙烯与HCl的加成产物只有一种,而乙烷与Cl2的取代产物是多种氯代烷的混合物。
e.通常条件下,烯烃一般不和水反应(可用排水法收集乙烯),但在一定条件下烯烃可以和水反应生成醇(工业上采用水化法制乙醇的原理)。
f.乙烯(或烯烃)发生加成反应后,空间结构发生了变化。
g.乙烯之间的相互加成可以得到聚乙烯,反应方程式为。
(三)乙烯的用途
(1)重要的化工原料,用来制聚乙烯塑料、聚乙烯纤维、乙醇等有机溶剂。
(2)在农业生产中用作植物生长调节剂和果实催熟剂。
(3)乙烯的产量可以用来衡量一个国家的石油化工发展水平。
(四)乙烯的实验室制法
1、药品:乙醇、浓硫酸
2、反应原理:CH3CH2OHCH2=CH2↑+H2O
3、装置:液—液加热,如图:
4、收集方法:排水集气法
注意:(1)浓硫酸的作用:催化剂和脱水剂。
(2)温度计的位置:插入反应液中但不能触及烧瓶底部,目的在于控制反应液的温度在170℃,避免发生副反应.
(3)加入碎瓷片是为了防止液体暴沸。
(4)点燃乙烯前要验纯。
(5)反应液变黑是因浓硫酸使乙醇脱水碳化,碳把硫酸还原为SO2 ,故乙烯中混有SO2 。
C + 2H2SO4(浓)== CO2↑+ 2SO2↑+ 2H2O
二、烃
1.烃的概念
仅含碳和氢两种元素的有机化合物称为碳氢化合物,也称为烃。
2.烃的分类
依据:烃分子中碳原子间成键方式的不同及碳骨架的不同
3.常见烃分子结构及性质比较
注意:对烃分类时要抓住烃中碳原子的价键特点和碳骨架的形状,结合各类烃的有关概念即能正确分类。
4、芳香族化合物与苯
(1)芳香族化合物:分子中含有苯环的有机物。
(2)苯的组成与结构
其中,苯环中的碳碳之间的键是一种介于碳碳单键和碳碳双键之间的独特的键,苯分子中6个碳原子和6个氢原子都在同一平面内。
(3)苯的用途:苯是一种重要的有机化工原料和有机溶剂,广泛用于生产医药、农药、香料、染料、洗涤剂和合成高分子材料等。
三、有机高分子材料
1.有机高分子材料的分类
根据来源不同可将有机高分子材料分为天然有机高分子材料和合成有机高分子材料。
(1)天然有机高分子材料:如棉花、羊毛、天然橡胶等。
(2)合成有机高分子材料:如塑料、合成纤维、合成橡胶、黏合剂、涂料等。
2.三大合成高分子材料——塑料、橡胶和纤维
(1)塑料
①成分
②主要性能
塑料具有强度在、密度小、耐腐蚀,易加工等优良的性能。
③常用塑料用途
(2)橡胶
①天然橡胶主要成分是聚异戊二烯,结构简式。
②橡胶的结构
注:硫化橡胶:工业上用硫与橡胶作用进行硫化,使线型的高分子链之间通过硫原子形成化学键,产生交联,形成网状结构,从而提高强度、韧性和化学稳定性。
③常见合成橡胶有丁苯橡胶,顺丁橡胶,氯丁橡胶,还有氟橡胶、硅橡胶等特种橡胶。其中氟橡胶、硅橡胶又称为特种橡胶,氟橡胶耐热和耐酸、碱腐蚀;硅橡胶耐高温和严寒。
④主要用途:制造汽车、飞机轮胎和各种密封材料所必需的原料。特种橡胶在航空、航天和国防等尖端技术领域中发挥着重要作用。
(3)纤维
①分类:纤维可以分为天然纤维和化学纤维
A.天然纤维:棉花、羊毛 、 蚕丝和麻等
B.化学纤维:又可分为再生纤维和合成纤维,再生纤维是将农林产品中的纤维素、蛋白质等加工处理制成的,如黏胶纤维、大豆蛋白纤维;合成纤维是以石油、天然气和煤等为原料制成有机小分子单体,再经聚合反应制成,如“六大纶”:聚丙烯纤维(丙纶)、聚氯乙烯纤维(氯纶)、聚丙烯腈纤维(腈纶)、聚对苯二甲酸乙二酯纤维(涤纶)、聚酰胺纤维(锦纶、芳纶)等。
②合成纤维性能:强度高、弹性好、耐磨、耐化学腐蚀、不易虫蛀等。
③主要用途:制衣料、绳索、渔网、工业用滤布,飞机、船舶的结构材料等,广泛应用于工农业领域。
注意:(1)有机高分子材料中,塑料都是合成的,橡胶与纤维都既有天然的也有人工合成的。
(2)以煤、石油和天然气为原料制成的三大合成材料,可用于生产和生活的各个领域。
(3)高分子材料均为混合物,其聚合度无定值;通过聚合反应可利用小分子物质合成有机高分子材料。
四.合成有机高分子材料的反应
(一)加聚反应
1. 概念:不饱和单体间通过加成反应相互结合生成高分子化合物的反应。
2. 特征:①没有小分子的副产物生成;②所生成的高分子的式量是单体的整数倍;③高分子与单体具有相同的元素质量组成;④通过共价键结合,具有特定的结构,因此化学组成并不复杂。
3. 单体的结构条件:含有双键、三键或环状结构的低分子在一定条件下可发生加聚反应, 单体中常含有“C=C”“C≡C”“”等结构。
4. 加聚产物结构简式的书写:将链节写在方括号内,聚合度n在方括号的右下角。由于加聚产物的端基不确定,通常用“-”表示。
①含一个碳碳双键的单体聚合物的写法:断开双键,键分两端,添上括号,n在后面。
②含“C=C—C=C”的单体聚合物的写法:双变单,单变双,括住两头,n在后面。
③含有一个碳碳双键的两个单体聚合物的写法:双键打开,彼此相连,括住两头,n在后面。
(二)缩聚反应
1. 概念:单体分子间脱去小分子而相互结合生成高分子化合物的反应。
2. 特征:①反应中总是伴有小分子(如H2O、HCl、NH3)副产物的生成;②单体和聚合物的组成不同;③单体不一定含有不饱和键,但必须含有两个或两个以上的反应基团(如:-OH、-COOH、-NH2、-X等)。
3. 缩聚产物结构简式及缩聚反应方程式的书写:
①缩合聚合物(简称缩聚物)结构简式的书写要在括号外侧写出链节余下的端基原子或原子团。如:
②单体的物质的量与缩聚物的结构式中的小角标要一致。
③小分子的物质的量的确定:一般由一种单体进行缩聚时生成小分子的物质的量为(n-1);由两种单体进行缩聚时生成小分子的物质的量为(2n-1)。
五、由聚合物推单体的方法
1.加聚物
【规律方法】(1)①由加聚高聚物推单体是聚合反应的逆过程,方法是:高聚物链节半键还原→双键重现→正推验证。
②在上述过程中,若半键还原无法形成完整双键,可考虑再断裂单键构成完整双键(不是一种单体)或断裂双键构成完整双键(二烯烃)。
例如:①凡链节的主链只有两个碳原子(无其他原子)的高聚物,其合成单体必为一种,将两个半键闭合即可。
如: ,其单体是。
②凡链节主链有四个碳原子(无其他原子),且链节无双键的高聚物,其单体必为两种,在正中央划线断开,然后两个半键闭合即可。
如:的单体为和两种。
③凡链节主键中只有碳原子,并存在结构的高聚物,其规律是:“凡双键,四个碳;无双键,两个碳”划线断开,然后将半键闭合即单双键互换。
如:的单体是:
,的单体是:
和。
(2)缩聚物
【规律方法】由缩聚高聚物的类型找单体
①凡链节为结构的高聚物,其合成单体必为一种。在亚氨基上加氢,在羰基碳上加羟基,即得高聚物单体。如:的单体为:。
②凡链节中间(不在端上)含有肽键的高聚物,从肽键中间断开,两侧为不对称性结构的,其单体必为两种:在亚氨基上加氢,羰基碳上加羟基即得高聚物单体。
如:的单体为:和。
③凡链节中间(不在端上)含有(酯基)结构的高聚物,其合成单体必为两种,从中间断开,羰基端加羟基,氧原子上加氢原子即得高聚物单体。
如:单体为:和。
④高聚物其链节中的来自于甲醛,故合成单体为和。
【技巧点拨】1.对于缩聚物结构简式的写法可有两种,例如聚己二酸己二酯可写为:(在方括号外侧写出链节余下的端基原子或原子团),或者是写为。
2.由一种单体进行缩聚反应时,生成小分子物质的量应为n;由两种单体进行缩聚反应时,生成小分子物质的量应为2n。
例如:
【特别提醒】找单体时,一定要先判断是加聚产物还是缩聚产物,然后运用逆向思维反推单体,找准分离处,聚合时的结合点必为分离处,同时进行单体判断时,不要被书写方式迷惑,要注意单键可以旋转。
随堂练习:
一、选择题(共10题,每题5分,共50分)
1.既可以用来鉴别乙烷与乙烯,又可以用来除去乙烷中的乙烯以得到纯净乙烷的方法是
A.通过足量的NaOH溶液
B.通过足量的溴水
C.在Ni催化、加热条件下通入H2
D.过足量的酸性KMnO4溶液
解析:乙烷是饱和烃,不与溴水及酸性KMnO4溶液反应,不能使它们褪色。乙烯通过溴水与Br2发生加成反应生成液态的1,2二溴乙烷CH2Br—CH2Br,留在溴水中,B项中的方法可行。而乙烯通过酸性KMnO4溶液,会被氧化成CO2逸出,这样乙烷中的乙烯虽被除去,却混入了CO2,D项中的方法不可行;C项中的方法也不可取,因为通入H2的量不好控制,而且该反应条件要求高;由于乙烷、乙烯均不能与NaOH溶液反应,故A项中的方法不可取。
答案:B
2.下列关于烃的说法正确的是
A.烃是指仅含有碳和氢两种元素的有机物
B.烃是指分子里含碳元素的化合物
C.烃是指发生燃烧反应后生成二氧化碳和水的有机物
D.烃是指含有碳和氢两种元素的化合物
解析:烃是指仅含有碳和氢两种元素的化合物,A正确,B、D错误;C项,烃仅含有碳和氢两种元素,燃烧能生成CO2与H2O,烃的含氧衍生物燃烧也能生成CO2与H2O,如乙醇CH3CH2OH、乙酸CH3COOH等,错误。
答案:A
3.与乙烯所含碳、氢元素的百分含量相同,但与乙烯既不互为同系物又不互为同分异构体的是
A.环丙烷 B.乙烷 C.甲烷 D.CH3CH==CH2
解析:A项的分子式为C3H6,与乙烯(C2H4)所含碳、氢元素的百分含量相同,但与乙烯既不互为同系物又不互为同分异构体。乙烷和甲烷与乙烯所含碳、氢元素的百分含量不相同。丙烯(CH3CH==== (CH2与乙烯所含碳、氢元素的百分含量相同,但与乙烯互为同系物。
答案:A
4.由乙烯推测丙烯的结构或性质,正确的是( )
A.分子中3个碳原子在同一直线上
B.分子中所有原子都在同一平面上
C.分子中共价键的夹角均为120°
D.分子中共价键数为8,其中有一个碳碳双键
解析:丙烯CH2===CH—CH3结构中可看作是CH2===CH2结构中一个氢原子被一个—CH3所替代,显然3个碳原子不在同一条直线上。由于—CH3中4个原子不在同一平面上,所以CH2==CH—CH3分子中所有原子不可能都在同一平面上。丙烯分子中可以看作一个—CH3取代了CH2==CH2中的一个氢原子,又可以看作一个CH2==CH—取代了甲烷中的一个氢原子,共价键的夹角既有120°,又有部分接近109°28′,C错误。
答案:D
5.如下图是某种有机物分子的球棍模型图。图中的“棍”代表单键或双键,不同大小的“球”代表三种不同的短周期元素的原子。对该有机物的叙述不正确的是( )
A.该有机物可能的分子式为C2HCl3
B.该有机物的分子中一定有
C.该有机物分子中的所有原子在同一平面上
D.该有机物可以由乙烯和氯化氢加成反应得到
解析:由该分子的球棍模型可看出,碳碳之间成双键,结合CH2===CH2分子结构特点可推断A、B、C正确。
答案:D
6.下列关于有机高分子化合物的说法不正确的是
A.有机高分子化合物称为聚合物,是因为它们大部分是由小分子通过聚合反应制得的
B.有机高分子化合物的相对分子质量很大,但其结构是若干链节的重复
C.对于一种高分子材料,n是一个整数值,因而它的相对分子质量是确定的
D.高分子材料可分为天然高分子材料和合成高分子材料两大类
解析:有机高分子化合物分为天然高分子化合物和合成高分子化合物两大类,合成高分子化合物可由小分子通过聚合反应制备。对于高分子化合物来说,它们的结构均是由若干个链节组成的,但聚合度n不是确定值,通常其相对分子质量是一个大致范围。故选项C错误。
答案:C
7.能证明乙烯分子里含有一个碳碳双键的事实是
A.乙烯分子里碳氢个数比为1:2
B.乙烯完全燃烧生成的CO2和水的物质的量相等
C.乙烯容易与溴的四氯化碳溶液发生加成反应,且1 ml乙烯完全加成需要消耗1 ml溴
D.乙烯能使酸性高锰酸钾溶液褪色
解析:碳氢原子个数比为1:2,是对乙烯的组成分析,而不是证明碳碳双键存在的事实;B与A的实质是一样的,根据生成的CO2和水的物质的量相等,也只能推断出碳、氢原子个数比为1:2,A、B错误;加成反应是不饱和烃的特征性质,1 ml乙烯完全加成需要消耗1 ml溴,说明乙烯分子中含有一个碳碳双键,C正确;能够使酸性高锰酸钾溶液褪色是不饱和烃的特征,并不能说明一定含有碳碳双键,也不能定量地说明乙烯分子的结构中只含有一个碳碳双键,D错误。
答案:C
8.烷烃是单烯烃R和H2发生加成反应后的产物,则R可能的结构有
A.4种 B.5种 C.6种 D.7种
解析:烷烃是单烯烃R和H2发生加成反应后的产物,原烯烃分子结构中碳碳双键可能存在的位置有①、②、③、④、⑤5个位置,故R的可能结构有5种。
答案:B
9.某课外活动小组设计了以下四种方案除去乙烷中混有的少量乙烯,并得到纯净干燥的乙烷,合理的是
A.①②④ B.①②③,C.②③④ D.①②③④
解析:①和②C2H4与Br2发生加成反应生成液态1,2二溴乙烷而除去C2H4,①NaOH溶液除去挥发出来的Br2蒸气,浓硫酸除去水蒸气,②碱石灰除去挥发出来的Br2蒸气和水蒸气。①和②均正确;③和④酸性KMnO4溶液将C2H4氧化为CO2,NaOH溶液和碱石灰都能吸收CO2,碱石灰和浓硫酸都能吸收水蒸气,③和④也正确。
答案:D
10.相同状况下,1体积某气态烃只能与1体积Cl2发生加成反应,生成氯代烷,1 ml此氯代烷可与4 ml Cl2发生完全取代反应,则该烃的结构简式为
A.CH2===CH2
B.CH3CH===CH2
C.CH3CH3
D.CH2===CH—CH===CH2
解析:1体积烃只能与1体积Cl2发生加成反应,说明该烃分子中只含1个,生成的氯代烷1 ml可与4 ml Cl2发生完全取代反应,说明1分子该氯代烷中含有4个氢原子,结构简式为CH2Cl—CH2Cl,原气态烃结构简式为CH2===CH2。
答案:A
二、非选择题(共2题,每题25分,共50分)
11.现有A、B、C三种烃,其球棍模型如下图:
(1)等质量的以上物质完全燃烧时耗去O2的量最多的是________(填对应字母,下同)。
(2)同状况、同体积的以上三种物质完全燃烧时耗去O2的量最多的是________。
(3)等质量的以上三种物质燃烧时,生成二氧化碳最多的是________,生成水最多的是________。
(4)在120 ℃、1.01×105 Pa条件下时,有两种气态烃和足量的氧气混合点燃,相同条件下测得反应前后气体体积没有发生变化,这两种气体是________。
解析:据球棍模型可知A为CH4,B为C2H4,C为C2H6。(1)等质量的烃CxHy完全燃烧时,氢元素的质量分数越大,耗氧量越大,即碳氢原子个数比越小耗氧量越多。CH4、C2H4、C2H6中的eq \f(x,y)依次为eq \f(1,4)、eq \f(2,4)、eq \f(2,6),故CH4耗O2最多。(2)等物质的量的烃CxHy完全燃烧时,x+eq \f(y,4)的值越大,耗氧量越大,CH4、C2H4、C2H6的x+eq \f(y,4)依次为1+eq \f(4,4)=2、2+eq \f(4,4)=3、2+eq \f(6,4)=3.5,故C2H6耗O2最多。(3)等质量的三种物质,C2H4的含碳量最高,故C2H4燃烧生成的CO2最多;CH4的含氢量最高,故CH4生成的H2O最多。(4)温度大于或等于100℃条件下,当烃分子中含有4个氢原子时,该烃完全燃烧前后气体体积不变,故答案为CH4、C2H4。
答案:(1)A (2)C (3)B A (4)A、B
12.某烃A是有机化学工业的基本原料,其产量可以用来衡量一个国家的石油化工发展水平,A还是一种植物生长调节剂,A可发生如图所示的一系列化学反应。
据图回答下列问题:
(1)写出A、C、D的结构简式:
A________,C________,D________。
(2)写出①②两步反应的化学方程式,并注明反应类型:
①________________________________________________________________________
(反应类型________)。
②________________________________________________________________________
(反应类型________)。
解析:根据烃A的用途知A为乙烯,则B为CH3CH3,C为CH3CH2Cl,D为CH3CH2OH,其中化学反应①为CH2=== CH2+H2eq \(―――→,\s\up7(Ni),\s\d5(△))CH3CH3,化学反应②为CH2===CH2+HCleq \(―――→,\s\up7(催化剂))CH3CH2Cl。
答案:
(1)CH2==== CH2 CH3CH2Cl CH3CH2OH
2CH2====CH2+H2eq \(―――→,\s\up7(Ni),\s\d5(△))CH3CH3 加成反应
CH2====CH2+HCleq \(―――→,\s\up7(催化剂))CH3CH2Cl 加成反应
课后作业:
1.(2020·四川省三台中学高一月考)由乙烯推测丙烯的结构或性质,正确的是( )
A.分子中3个碳原子在同一直线上
B.分子中所有原子都在同一平面上
C.分子中共价键的夹角均为120°
D.分子中共价键数为8,其中有一个碳碳双键
【答案】D
【解析】A.丙烯CH2===CH—CH3结构中可看作是CH2===CH2结构中一个氢原子被一个—CH3所替代,显然3个碳原子不在同一条直线上,A错误;
B.由于—CH3中4个原子不在同一平面上,所以CH2==CH—CH3分子中所有原子不可能都在同一平面上,B错误;
C.丙烯分子中可以看作一个—CH3取代了CH2==CH2中的一个氢原子,又可以看作一个CH2==CH—取代了甲烷中的一个氢原子,共价键的夹角既有接近120°,又有部分接近109°28′,C错误;
D. 分子中有6个碳氢键、另外3个碳原子两两连接成链状,有2个碳碳键,其中有1个碳碳双键、另有1个碳碳单键,所以共价键数为8,D正确;
答案选D。
2.(2020·四川省三台中学高一月考)下列说法正确的是( )
A.烃的分子式为C3H6,符合通式CnH2n,故该分子属于烯烃
B.可用酸性高锰酸钾溶液来除去甲烷中混有的少量乙烯
C.正戊烷分子中所有的碳原子均在同一条直线上
D.丁烷的一氯代物有4种
【答案】D
【解析】A.烯烃是指含有碳碳双键的烃类,不含碳碳双键,不属于烯烃,为环烷烃,故A错误;
B.乙烯被酸性高锰酸钾氧化生成二氧化碳,会引入新的杂质,故B错误;
C.甲烷是正四面体结构,正戊烷中的碳原子均为饱和碳原子,所有碳原子不可能位于一条直线,故C错误;
D.丁烷有正丁烷和异丁烷两种结构,正丁烷结构中含有2种环境的氢,异丁烷的结构中含有2种环境的氢,所以一氯代物共有4种,故D正确;
故答案为D。
3.(2020·江苏省锡山高级中学高一月考)下列变化中,由加成反应引起的是
A.乙烯通入酸性高锰酸钾溶液中,高锰酸钾溶液褪色
B.甲烷与氯气混合后,光照黄绿色消失
C.在催化剂存在下,乙烯与水反应生成乙醇
D.丙烯通入溴水中,溴水褪色
【答案】CD
【解析】A.乙烯具有还原性,通入酸性高锰酸钾溶液中被氧化,高锰酸钾溶液褪色,故A错误;
B.甲烷与氯气混合光照后发生取代反应,消耗氯气,黄绿色消失,故B错误;
C.在催化剂存在下,乙烯与水发生加成反应生成乙醇,故C正确;
D.丙烯通入溴水中发生加成反应使溴水褪色,故D正确;
答案选CD。
4.(2020·四川省三台中学高一月考)某烃A是有机化学工业的基本原料,其产量可以用来衡量一个国家的石油化工发展水平,A还是一种植物生长调节剂,A可发生如图所示的一系列化学反应。
根据如图回答下列问题:
(1)写出B、D的结构简式:B___;D___。
(2)写出②⑤两步反应的化学方程式,并注明反应类型:
②__(反应类型__)。
⑤__(反应类型__)。
(3)戊烷的同分异构体中,在相同条件下沸点最低的是__(写结构简式),其系统命名为:___。
【答案】(1)CH3CH3 CH3CH2OH
(2)CH2=CH2+HClCH3CH2Cl 加成反应 CH3CH3+Cl2CH3CH2Cl+HCl 取代反应
(3) 2,2-二甲基丙烷
【解析】【分析】烃A是有机化学工业的基本原料,其产量可以用来衡量一个国家的石油化工发展水平,则A为CH2=CH2;A与HCl发生加成反应生成C则C为CH3CH2Cl,A与氢气发生加成反应生成CH3CH3,乙烷与氯气发生取代反应生成CH3CH2Cl;A与水发生加成反应生成D,则D为CH3CH2OH;A发生加聚反应生成E为聚乙烯。
【详解】(1)根据分析可知B为CH3CH3;D为CH3CH2OH;
(2)②为乙烯与HCl的加成反应,方程式为:CH2=CH2+HClCH3CH2Cl;
⑤为乙烷与氯气的取代反应,方程式为CH3CH3+Cl2CH3CH2Cl+HCl;
(3)碳原子数相同的烃类支链越多熔沸点越低,所以戊烷的同分异构体中,在相同条件下沸点最低的是,系统命名为2,2-二甲基丙烷。
5.(2020·嘉祥县第一中学高一月考)Ⅰ.如图是实验室制乙烯的发生装置和乙烯性质实验装置,反应原理为CH3CH2OHCH2=CH2↑+H2O,回答下列问题:
(1)图1中仪器①、②的名称分别为______、______。
(2)收集乙烯气体最好的方法是______。
(3)向溴的四氯化碳溶液中通入乙烯(如图2),溶液的颜色很快褪去,该反应属于_____(填反应类型),若将反应后无色液体中的反应产物分离出来,则宜采用的方法是_____。
II.为探究乙烯与溴的加成反应,甲同学设计并进行了如下实验:先取一定量的工业用乙烯气体(在储气瓶中),使气体通入溴水中,发现溶液褪色,即证明乙烯与溴水发生了加成反应。
乙同学发现在甲同学的实验中,褪色后的溶液里有少许淡黄色浑浊物质,推测在工业上制得的乙烯中还可能含有少量还原性的气体杂质,由此他提出必须先除去杂质,然后再使乙烯与溴水反应。
请回答下列问题:
(4)甲同学的实验中有关的化学方程式为______。
(5)甲同学设计的实验______(填“能”或“不能”)验证乙烯与溴发生加成反应,其理由是_____(填字母)。
A.使溴水褪色的反应,未必是加成反应
B.使溴水褪色的反应,就是加成反应
C.使溴水褪色的物质,未必是乙烯
D.使溴水褪色的物质就是乙烯
(6)乙同学推测此乙烯中必定含有的一种杂质气体是______,它与溴水反应的化学方程式是___。在验证过程中必须全部除去,除去该杂质的试剂可选用______。
(7)为了验证乙烯与溴水的反应是加成反应而不是取代反应,可采取方法有______。
【答案】(1)温度计 圆底烧瓶
(2)排水法
(3)加成反应 蒸馏
(4)
(5)不能 AC
(6)H2S CuSO4溶液(或NaOH溶液等)
(7)分别用pH计测量反应前后溴水的pH,若反应后pH明显减小,则是取代反应,否则是加成反应
【解析】【分析】Ⅰ.实验室制乙烯的反应原理为CH3CH2OHCH2=CH2↑+H2O,根据乙烯的物理性质和化学性质进行问题的解答。
II.探究乙烯与溴的反应类型:如果发生取代反应,生成氢溴酸,溶液的酸性增强,若果发生加成反应,生成卤代烃,酸性减弱;要注意制备的乙烯气体中,会含有杂质气体硫化氢等,硫化氢也能与溴水发生氧化还原反应,影响实验的结果,在检验乙烯气体之前,一定要除去硫化氢气体。
【详解】(1)图1中仪器①、②的名称分别为:温度计、圆底烧瓶,故答案为:温度计、圆底烧瓶;
(2)乙烯的密度和空气相差不大,不用排空气法收集,乙烯不溶于水,所以收集乙烯气体最好的方法是排水法,故答案为:排水法;
(3)乙烯和溴发生加成反应生成1,2-二溴乙烷,1,2-二溴乙烷溶于四氯化碳,但二者沸点不同,可用蒸馏方法分离,故答案为:加成反应;蒸馏;
(4)乙烯与溴发生加成反应生成1,2-二溴乙烷,方程式为:,故答案为:;
(5)溴水褪色,未必发生加成反应,也未必就是乙烯反应,也可能是乙烯中的杂质气体与溴反应而使溴水褪色,AC满足题意,故答案为:不能;AC;
(6)褪色后的溶液里有少许淡黄色浑浊物质,该淡黄色浑浊物为S,溴水有强氧化性,可以推断乙烯中含还原性气体H2S,发生的反应为:,可以用CuSO4溶液(或NaOH溶液等)除去H2S,故答案为:H2S;;CuSO4溶液(或NaOH溶液等);
(7)如果乙烯与溴发生取代反应,必定生成HBr,HBr溶于水酸性会明显增强,故可用pH计予以验证,方法为:分别用pH计测量反应前后溴水的pH,若反应后pH明显减小,则是取代反应,否则是加成反应,故答案为:分别用pH计测量反应前后溴水的pH,若反应后pH明显减小,则是取代反应,否则是加成反应。
【点睛】HBr的溶于水为氢溴酸溶液,氢溴酸是强酸,若为取代反应,将有HBr生成,溶液酸性会明显增强,pH会显著减小。
6.(2019·滨海县第四中学高二期中)属于人工合成高分子材料的有机化合物的是
A.足球烯B.尿素C.聚乙烯D.棉花
【答案】C
【解析】【分析】相对分子质量在10000以上的有机化合物为高分子化合物,有机合成材料是指人工利用有机高分子化合物制成的材料,主要包括塑料、合成纤维、合成橡胶等
A. 足球烯相对分子质量较小,不属于高分子化合物,故A错误;
B. 尿素相对分子质量较小,不属于高分子化合物,故B错误;
C. 聚乙烯相对分子质量较大,是由人工合成的高分子材料,故C正确;
D. 棉花的成分是纤维素,相对分子质量较大,是天然的高分子材料,故D错误;
答案选C。
7.(2020·安徽省高三)化学科学与技术在宇宙探索、改进生活、改善环境与促进发展方面均发挥着关键性的作用。下列叙述正确的是( )
A.汉代烧制出“明如镜、声如磬”的瓷器,其主要原料为石灰石
B.“神舟”和“天宫”系列飞船使用的碳纤维,属于传统无机非金属材料
C.医用口罩“熔喷层”使用的主要原料聚丙烯,属于有机高分子材料
D.“山东舰”上的拦阻索是一种特种钢缆,属于新型无机非金属材料
【答案】C
【解析】A.瓷器的主要原料为黏土,水泥的主要原料是石灰石和黏土,A项错误;
B. “神舟”和“天宫”系列飞船使用的碳纤维,属于新型无机非金属材料,不属于传统无机非金属材料,B项错误;
C. 有机高分子材料可以称为聚合物或高聚物,医用口罩“熔喷层”使用的主要原料聚丙烯,是经过丙烯加聚而成,属于有机高分子材料,C项正确;
D. “山东舰”上的拦阻索是一种特种钢缆,属于合金,不属于新型无机非金属材料,D项错误;
答案选C。
8.(2020·嘉祥县第一中学高一期中)下列说法不正确的是( )
A.合成高分子材料包括塑料、合成纤维、合成橡胶、黏合剂、涂料等
B.用木材等经过加工制成的黏胶纤维属于合成纤维
C.棉花、羊毛和天然橡胶是有机高分子材料
D.合成橡胶的原料是煤、石油、天然气和农副产品
【答案】B
【解析】A. 合成高分子材料包括塑料、合成纤维、合成橡胶、黏合剂、涂料等,故A正确;
B. 用木材等经过加工制成的黏胶纤维属于人造纤维,不是合成材料,故B错误;
C. 棉花(纤维)、羊毛(蛋白质)和天然橡胶是有机高分子材料,故C正确;
D. 合成橡胶的原料是煤、石油、天然气和农副产品,故D正确;
答案选B。
9.(2020·枣庄市第一中学高一期中)下列有关高分子材料的说法中正确的是
A.天然橡胶的结构中含有碳碳双键
B.装液溴或溴水的试剂瓶可用丁苯橡胶作瓶塞
C.具有线型结构的热固性塑料可制作电源插座
D.羊毛、蚕丝和油脂都是天然高分子
【答案】A
【解析】A. 天然橡胶(聚异戊二烯)结构中含有碳碳双键,A正确;
B. 装液溴或溴水的试剂瓶瓶塞不能用橡皮塞,B错误;
C. 高分子链相互交联具有体型结构热固性塑料可制作电源插座,C错误;
D. 羊毛、蚕丝是天然高分子,油脂不属于高分子,D错误;
答案选A。
10.(2020·嘉祥县第一中学高一月考)下列说法正确的是
A.PE(聚乙烯)材料因其无毒且易降解,广泛用于食品包装
B.“投泥泼水愈光明”中蕴含的化学反应是炭与灼热水蒸气反应得到两种可燃性气体
C.“一带一路”被誉为现代“丝绸之路”。丝绸来自合成纤维,主要含C、H、O、N元素
D.“以火烧之,紫青烟起,乃真硝石也”,古人鉴别硝石(KNO3)与朴硝(NaNO3)的方法利用了二者化学性质不同
【答案】B
【解析】A.聚乙烯材料无毒可用于食品包装,聚乙烯不易降解,引起的环境问题是“白色污染”,A项错误;
B.“投泥泼水愈光明”指高温下把水滴到炭火上,C与H2O(g)反应生成CO和H2,反应的化学方程式为C+H2O(g)CO+H2,CO和H2都是可燃性气体,B项正确;
C.丝绸的主要成分是蛋白质,主要含C、H、O、N元素,丝绸来自天然纤维中的蚕丝,C项错误;
D.鉴别硝石(KNO3)与朴硝(NaNO3)的方法是焰色反应,焰色呈紫色的为硝石,焰色反应属于物理性质,D项错误;
故答案选B。
分子式
电子式
结构式
结构简式
分子模型
球棍模型
比例模型
C2H4
实验步骤
实验现象
将气体通入酸性高锰酸钾溶液中
溶液褪色
将气体通入溴的四氯化碳溶液中
溶液褪色
用排水法收集气体验纯后,点燃
火焰明亮,伴有黑烟
结论一:石蜡油分解产生了能使高锰酸钾溶液、溴的四氯化碳溶液褪色的气态产物,由此可知产物中含有与烷烃性质(烷烃不能使酸性高锰酸钾溶液褪色)不同的烃。
结论二:研究表明,石蜡油分解的产物主要是乙烯和烷烃的混合物。
类别
链状烷烃
链状单烯烃
链状单炔烃
代表物
CH4
CH2 = CH2
CH三CH
通式
CnH2n+2(n≥1)
CnH2n(n≥2)
CnH2n-2(n≥2)
结构特点
含碳碳双键
含碳碳三键
化学性质
取代反应
光照卤代
—
—
加成反应
—
与H2、X2、HX、H2O等发生加成反应
氧化反应
燃烧火焰较明亮
燃烧火焰明亮,伴有黑烟
燃烧火焰明亮,伴有浓烈黑烟
与KMnO4溶液不反应
使KMnO4溶液褪色
使KMnO4溶液褪色
加聚反应
—
能发生
能发生
鉴别
KMnO4溶液和溴水均不褪色
KMnO4溶液和溴水均褪色
分子式
结构式
结构简式
空间形状
C6H6
平面正六边形
主要成分
合成树脂
添加剂
增塑剂提高塑性
防老剂防止塑料老化
着色剂使塑料着色
名称
用途
聚乙烯
制成薄膜、用于食品、药物的包装材料
聚氯乙烯
制成薄膜、管道、日常用品、绝缘材料
聚苯乙烯
制成泡沫塑料、日常用品、绝缘材料
聚四氟乙烯
制成化工、医药等行业使用的耐腐蚀、耐高温、耐低温制品
聚丙烯
制成薄膜、管道、日常用品、包装材料等
有机玻璃(聚甲基丙烯酸甲酯)
制成飞机和汽车的风挡、光学仪器、医疗器械、广告牌等
脲醛塑料(电玉)
制电器开关,插座及日常用品等
高中第二节 乙烯与有机高分子材料优秀综合训练题: 这是一份高中第二节 乙烯与有机高分子材料优秀综合训练题,共21页。试卷主要包含了乙烯,加成反应与集合反应,乙炔,烃及其分类,有机高分子材料等内容,欢迎下载使用。
高中人教版 (2019)第二节 乙烯与有机高分子材料精品一课一练: 这是一份高中人教版 (2019)第二节 乙烯与有机高分子材料精品一课一练,共21页。试卷主要包含了加成反应与聚合反应,乙炔,烃及其分类,有机高分子材料等内容,欢迎下载使用。
高中化学第七章 有机化合物第一节 认识有机化合物精练: 这是一份高中化学第七章 有机化合物第一节 认识有机化合物精练,文件包含高中化学新版必修二第07讲认识有机物教师满分版docx、高中化学新版必修二第07讲认识有机物学生满分版docx等2份试卷配套教学资源,其中试卷共42页, 欢迎下载使用。

