


所属成套资源:各地区2023届高三下学期高考化学模拟(一模、二模、三模)试卷
浙江省绍兴市2023届高三二模考试化学试题
展开
这是一份浙江省绍兴市2023届高三二模考试化学试题,共26页。试卷主要包含了单选题,结构与性质,元素或物质推断题,原理综合题,工业流程题,有机推断题等内容,欢迎下载使用。
一、单选题
1.下列物质属于盐且水溶液呈酸性是
A.B.C.D.
2.化学与生活密切相关。下列叙述正确的是
A.新冠病毒疫情期间,常用无水乙醇杀菌消毒
B.腈纶织物是通过丙烯腈缩聚而来
C.亚硝酸钠是一种防腐剂和护色剂
D.温室气体是形成酸雨的主要物质
3.下列化学用语表示正确的是
A.中子数为17的硫离子:B.的形成过程:
C.为位于周期表区D.的球棍模型为:
4.物质的性质决定用途,下列两者对应关系不正确的是
A.碳酸钠和碳酸氢钠的溶液均呈碱性,可用作食用碱或工业用碱
B.不锈钢中的合金元素主要是铬和镍,具有很强抗腐蚀能力,可用于医疗器材
C.硅的导电性介于导体与绝缘体之间,可用来生产光导纤维
D.次氯酸的强氧化性能使某些有机色素褪色,可用作棉麻的漂白剂
5.下列关于元素及其化合物的性质说法不正确的是
A.浓硫酸与蔗糖反应,观察到蔗糖变黑,体现了浓硫酸的脱水性
B.硝酸见光受热易分解,一般保存在棕色试剂瓶中,放置在阴凉处
C.燃油发动机产生的、与反应能生成和,因此可以直接排放
D.铝制餐具不宜用来蒸煮或长时间存放酸性或者碱性食物
6.关于反应,下列说法正确的是
A.消耗,转移电子
B.在此条件下,氧化性:
C.既是氧化剂又是还原剂
D.氧化产物和还原产物的物质的量比为21∶8
7.下列反应的离子方程式不正确的是
A.通入溶液:
B.硅酸钠溶液通入过量:
C.硫酸氢铵溶液中滴入少量溶液:
D.通入溶液中:
8.下列说法不正确的是
A.少量的某些可溶性盐(如硫酸钠等)能促进蛋白质溶解·
B.在酸和酶的作用下,蔗糖可水解成葡萄糖和果糖,属于还原性糖
C.DNA分子具有双螺旋结构,其中碱基通过氢键作用结合成碱基对
D.橡胶的硫化是以二硫键()将线型结构连接成网状,硫化程度过大弹性会变差
9.盐酸洛派丁胺是一种新型止泻药,适用于各种病因引起的腹泻。下列说法正确的是
A.分子的结构中左边两苯环不可能同时共平面
B.该物质分子中有4种官能团和2个手性碳
C.该物质与溶液反应,最多消耗
D.该物质与溴水反应,能与发生取代反应
10.X、Y、Z、Q、T五种元素,原子序数依次增大。X原子轨道上有1个空轨道,Y原子的轨道只有一对成对电子,Z原子M层上有两个未成对电子,Q最高价氧化物对应水化物是常见的三元酸,微粒的价电子构型是。下列说法不正确的是
A.第一电离能:
B.X和Q各有一种单质的结构单元是正四面体
C.Y和Z形成的化合物为分子晶体
D.T与Y可形成阴离子
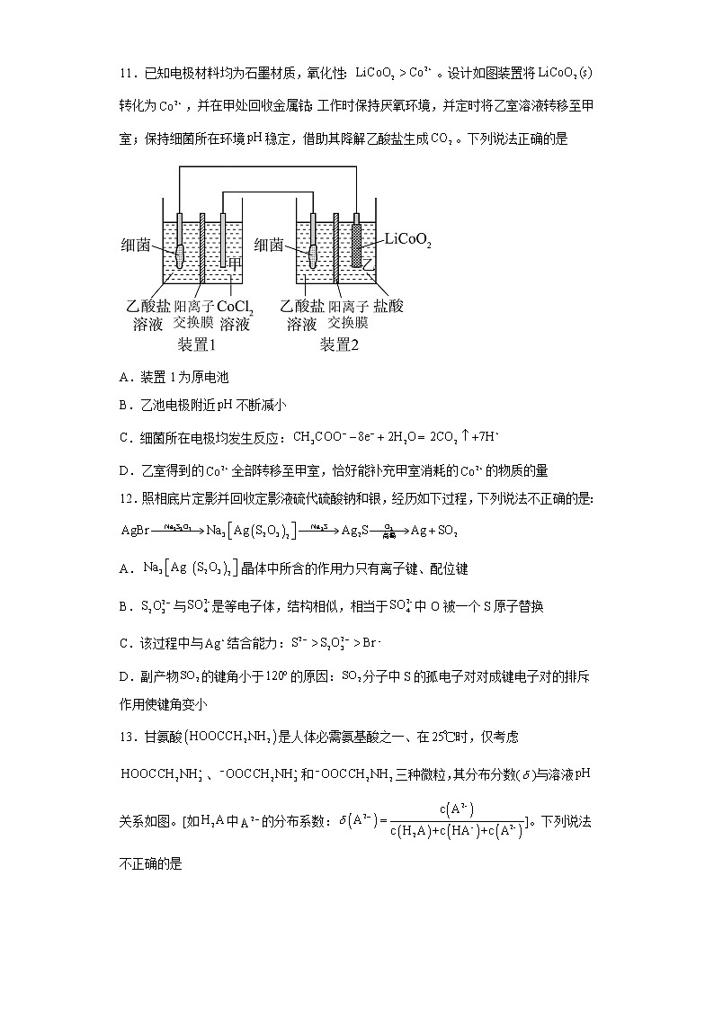
11.已知电极材料均为石墨材质,氧化性:。设计如图装置将转化为,并在甲处回收金属钴;工作时保持厌氧环境,并定时将乙室溶液转移至甲室;保持细菌所在环境稳定,借助其降解乙酸盐生成。下列说法正确的是
A.装置1为原电池
B.乙池电极附近不断减小
C.细菌所在电极均发生反应:
D.乙室得到的全部转移至甲室,恰好能补充甲室消耗的的物质的量
12.照相底片定影并回收定影液硫代硫酸钠和银,经历如下过程,下列说法不正确的是:
A.晶体中所含的作用力只有离子键、配位键
B.与是等电子体,结构相似,相当于中O被一个S原子替换
C.该过程中与结合能力:-
D.副产物的键角小于的原因:分子中S的孤电子对对成键电子对的排斥作用使键角变小
13.甘氨酸是人体必需氨基酸之一、在时,仅考虑、和三种微粒,其分布分数()与溶液关系如图。[如中的分布系数:]。下列说法不正确的是
A.曲线a代表
B.两性离子的浓度在附近最大,说明两性离子的电离能力比水解强
C.的平衡常数
D.
14.为了研究温度对苯催化加氢的影响,以检验新型镍催化剂的性能,该反应。采用相同的微型反应装置,压强为,氢气与苯的物质的量之比为6.5∶1。反应相同时间后取样分离出氢气后,分析成分得到的结果如下表:
下列说法不正确的是
A.该催化剂反应最佳反应温度范围是,因为催化剂的选择性和活性都比较高
B.以上苯的转化率下降,可能因为温度上升,平衡逆向移动
C.在范围内,适当延长反应时间可以提高苯的转化率
D.在范围内,温度上升反应速率加快,因此苯的转化率上升
15.室温下,用过量溶液浸泡粉末,一段时间后过滤,向滤渣中加稀醋酸,产生气泡。(当溶液中剩余的离子浓度小于时,化学上通常认为生成沉淀的反应已经完全进行了。已知:,),下列说法正确的是
A.浸泡后未完全转化为
B.溶液中存在:
C.反应正向进行,需满足
D.过滤后所得清液中一定存在:且
16.下列方案设计、现象和结论都正确的是
A.AB.BC.CD.D
二、结构与性质
17.物质结构理论是材料科学、医学科学和生命科学的重要基础。请回答:
(1)常常作为有机反应的催化剂,画出基态原子的价层电子轨道表示式___________;要制备高纯可先制得,其中C原子的杂化方式为___________。
(2)乙二酸具有优良的还原性,易被氧化成。测得乙二酸中的的键长比普通的键长要长,说明理由___________。
(3)下列说法正确的是___________。
A.现代化学,常利用原子光谱上特征谱线鉴定元素
B.电负性大于1.8一定是非金属
C.配合物的稳定性不仅与配体有关,还与中心原子的所带电荷等因素有关。
D.晶体的密度为,图示晶胞与的距离
(4)锌黄锡矿外观漂亮,晶胞结构如图所示,请写出锌黄锡矿的化学式___________;并在晶胞中找出平移能完全重合的两个___________。(请选择合适的编号填写一种组合)
三、元素或物质推断题
18.某钾盐X由四种元素组成,某小组按如下流程进行实验。请回答:
已知:相同条件下,A、B为中学常见气体且密度相同。D、E均为二元化合物,气体F能使品红溶液褪色且通入无色溶液E中,有淡黄色沉淀生成。
(1)气体B的电子式是___________,C的化学式是___________。
(2)写出固体混合物D、G共热所发生的化学反应方程式___________。
(3)无色溶液E中滴加盐酸观察到气泡。收集少量气体通入溶液,观察到黑色沉淀生成。写出生成沉淀的离子反应方程式(发生非氧化还原反应)___________。
(4)将G溶于氨水得到一无色溶液,设计实验检验无色溶液中主要离子___________。
四、原理综合题
19.二甲醚()是一种重要的化工原料,可以通过制备得到。制备方法和涉及反应如下:
方法a:“二步法”制二甲醚
I:
Ⅱ:
方法b:“一步法”制二甲醚
Ⅲ:
两种方法都伴随副反应:
Ⅳ:
请回答:
(1)反应I自发进行的条件是___________;___________。
(2)在一定温度下,向的恒容密闭容器中通入和和利用方法a制备二甲醚。测得的平衡转化率为30%,为,为,反应I的平衡常数为___________(用含a、b的式子表示,只需列出计算式)。
(3)恒压条件下,在密闭容器中利用方法b制备二甲醚。按照投料,的平衡转化率和、的选择性随温度变化如图1所示。
(的选择性,的选择性)
①下列说法正确的是___________
A.当反应达到平衡时,
B.曲线①表示二甲醚的选择性
C.温度越低越有利于工业生产二甲醚
D.工业上引入双功能催化剂是为了降低反应Ⅲ的
②在的范围内,的平衡转化率先降低后升高的原因:___________。
(4)有学者研究反应Ⅱ机理,利用磷酸硅铝分子筛催化甲醇制二甲醚,其中简化的分子筛模型与反应过渡态结构模型如图所示,下列说法正确的是___________。(已知:磷酸硅铝分子筛中有酸性位点可以将甲醇质子化,题中的分子筛用“”符号表示)
A.制得的磷酸硅铝分子筛的孔径越大催化效率越高
B.该反应机理:[]
C.改变分子筛组分比例适当提高其酸性,有利加快反应速率
D.温度越高,有利于水蒸气脱离分子筛,反应速率越快
五、工业流程题
20.高纯氟化镁具备优异的光学性质和抗腐蚀性被广泛应用于高端领域。某研究小组利用镁片(含及少量惰性杂质)制备高纯氟化镁流程如下,请回答:
已知:
①甲醇沸点:
②该实验条件得到的氟化镁并不是晶型沉淀,其颗粒细小,常常吸附水分成黏稠胶状。
(1)利用图1装置可检测镁与甲醇反应速率。仪器A的名称___________。
(2)写出氟化反应涉及的化学方程式___________。
(3)下列有关说法不正确的是___________。
A.步骤Ⅰ:反应温度不选择,主要由于在反应过于剧烈难以控制。
B.步骤Ⅱ:待镁片上不再有微小气泡生成时,可进行步骤Ⅱ。
C.步骤Ⅲ:制备悬浊液B,应先将通入高纯水达到饱和,再加到固体A中。
D.步骤Ⅳ:在进行氟化反应时,应做好防护措施和配备应急药品。
(4)步骤Ⅱ的一系列操作目的是为获得固体A.从下列选项中选择合理的仪器和操作,补全如下步骤[“_______”上填写一件最关键仪器,“(_______)”内填写一种操作,均用字母表示]________。
取仪器A中的溶液,用___________(___________)→用___________(蒸馏减少溶剂)→用___________(___________)→用漏斗(过滤得到固体A)
【仪器】a.烧杯;b.铜质保温漏斗;c.漏斗;d.空气冷凝管;e.直形冷凝管;f.球形冷凝管
【操作】g。过滤;h.趁热过滤;i.冷却结晶;j。蒸发结晶
(5)步骤Ⅴ:产品在不同温度下干燥,对其进行红外光谱分析如下图,已知羟基引起的吸收峰在波数处请选择最合适的温度___________。(填“、、或”)
六、有机推断题
21.某研究小组按下列路线合成抗癌药物盐酸苯达莫司汀。
已知:
请回答:
(1)化合物A的官能团名称是___________。
(2)化合物C的结构简式是___________。
(3)下列说法不正确的是___________。
A.D→E的反应类型为取代反应
B.化合物B与草酸互为同系物
C.化合物E的分子式是
D.化合物H中的3个N原子结合的能力各不相同
(4)写出F→G的化学方程式___________。
(5)设计以为原料合成B的路线(用流程图表示,无机试剂任选)___________。
(6)写出3种同时符合下列条件的化合物D的同分异构体的结构简式___________。
①分子中只含一个苯环和一个五元环;
②谱和谱检测表明:分子中共有3种不同化学环境的氢原子,无硝基,有羟基。
温度/
85
95
100
110~240
280
300
340
质量分数/%
苯
96.05
91.55
80.85
1
23.35
36.90
72.37
环己烷
3.95
8.45
19.15
99
76.65
63.10
27.63
选项
实验方案
现象
结论
A
往稀硫酸溶液中滴加
出现白色沉淀
酸性:
B
将铁锈溶于浓盐酸,滴入溶液
溶液中紫色褪去
铁锈中含有二价铁
C
室温碱性条件下,在淀粉与碘水的混合溶液中滴加溶液
混合液的蓝色迅速褪去,并产生棕褐色沉淀
氧化性(碱性条件下):
D
石蜡油加强热,将产生的气体通入的溶液
溶液红棕色变无色
气体中含有不饱和烃
参考答案:
1.A
【分析】盐是由金属阳离子或铵根离子和酸根离子构成的化合物;
【详解】A.硫酸氢钾属于盐,电离出氢离子溶液显酸性,A符合题意;
B.二氧化硅为氧化物,B不符合题意;
C.氧化镁为氧化物,C不符合题意;
D.氯化钙属于盐,溶液显中性,D不符合题意;
故选A。
2.C
【详解】A.无水乙醇杀菌消毒效果差,医用酒精消毒液为75%的乙醇溶液,故A错误;
B.丙烯腈只能通过加聚反应生成高分子化合物,缩聚有小分子生成,故B错误;
C.亚硝酸钠常存在于腌菜或者泡菜中,具有防止食物腐败的作用,同时也是护色剂,护色剂又称呈色剂或发色剂,是食品加工中为使肉的与肉制品呈现良好的色泽而适当加入的化学物质,故C正确;
D.温室气体指二氧化碳,不是形成酸雨的主要物质,形成酸雨的主要物质为二氧化硫和氮氧化物,故D错误;
故选C。
3.D
【详解】A.中子数为17的硫离子:,A错误;
B.的形成过程:,B错误;
C.是24号元素,位于周期表区,C错误;
D.Cl原子半径大于N原子,则的球棍模型为:,D正确;
故选D。
4.C
【详解】A.碳酸钠和碳酸氢钠的溶液均存在水解,使得溶液呈碱性,可用作食用碱或工业用碱,A正确;
B.不锈钢中的合金元素主要是铬和镍,具有很强抗腐蚀能力,性能优良,可用于医疗器材,B正确;
C.硅的导电性介于导体与绝缘体之间,可用来生产半导体,C错误;
D.次氯酸的强氧化性能使某些有机色素褪色,可用作棉麻的漂白剂,D正确;
故选C。
5.C
【详解】A.浓硫酸与蔗糖反应,观察到蔗糖变黑变为碳,体现了浓硫酸的脱水性,A正确;
B.硝酸见光受热易分解为二氧化氮和氧气,一般保存在棕色试剂瓶中,放置在阴凉处,B正确;
C.、与反应需要在催化剂作用下转化为无毒的气体,因此需要催化转化后排放,C错误;
D.铝与酸、碱均会反应,故铝制餐具不宜用来蒸煮或长时间存放酸性或者碱性食物,D正确;
故选C。
6.B
【分析】在反应中,Cr元素化合价从+3价升高为+6价,I元素化合价从-1价升高为+5价,Cl元素化合价从+1降低为-1价,则为还原剂,ClO-为氧化剂,为氧化产物,Cl-为还原产物;反应中共转移电子数为42。
【详解】A.据分析可知,消耗,转移电子,A错误;
B.氧化剂的氧化性大于氧化产物,则在此条件下,氧化性:,B正确;
C.据分析可知,是还原剂,C错误;
D.据分析可知,氧化产物和还原产物的物质的量比为8∶21,D错误;
故选B。
7.C
【详解】A.通入溶液生成硫化铜沉淀和硫酸:,A正确;
B.硅酸钠溶液通入过量生成硅酸和碳酸氢钠:,B正确;
C.硫酸氢铵溶液中滴入少量溶液,氢氧化钡完全反应,氢离子和氢氧根离子生成水:,C错误;
D.通入溶液中生成铁离子和硫酸根离子:,D正确;
故选C。
8.B
【详解】A.加入电解质可使蛋白质产生盐析作用,少量的盐(如硫酸铵、硫酸钠等)能促进蛋白质的溶解,如向蛋白质水溶液中加入浓的无机盐溶液,可使蛋白质的溶解度降低,而从溶液中析出,这种作用叫做盐析,继续加水稀释可使蛋白质溶解,故A正确;
B.蔗糖可水解成葡萄糖和果糖,其中葡糖糖属于还原性糖,果糖不是,故B错误;
C.DNA中的碱基通过氢键作用合成碱基对,故C正确;
D.橡胶硫化又称交联、熟化。在橡胶中加入硫化剂和促进剂等交联助剂,在一定的温度、压力条件下,使线型大分子转变为三维网状结构的过程,硫化程度过大弹性、机械性能等会变差,故D正确;
故选B。
9.D
【详解】A.单键可以旋转,则分子的结构中左边两苯环可能同时共平面,A错误;
B.该物质分子中有酚羟基、碳氯键、羟基、氨基、酰胺基5种官能团;手性碳原子是连有四个不同基团的碳原子, 中含有1个手性碳,B错误;
C.分子中酚羟基、酰胺基、HCl均可以和氢氧化钠反应,则该物质与溶液反应,最多消耗,C错误;
D.酚羟基的邻位2个氢可以和溴发生取代反应,故该物质与溴水反应,能与发生取代反应,D正确;
故选D。
10.C
【分析】X、Y、Z、Q、T五种元素,原子序数依次增大;Y原子的轨道只有一对成对电子,Y为氧;X原子轨道上有1个空轨道,且原子序数小于氧,为碳;微粒的价电子构型是,T为铁;Q最高价氧化物对应水化物是常见的三元酸, Q为磷;Z原子M层上有两个未成对电子,且原子序数小于磷,Z为硅;
【详解】A.同一主族随原子序数变大,原子半径变大,第一电离能变小;第一电离能:,A正确;
B.金刚石、P4单质的结构单元是正四面体,B正确;
C.氧和硅形成的二氧化硅为共价晶体,C错误;
D.铁与氧能形成高铁酸根离子,D正确;
故选C。
11.C
【分析】氧化性:,则将转化为为自发的反应,装置将转化为,并在甲处回收金属钴,则乙处发生还原反应得到,乙为正极,装置2为原电池;甲处发生还原生成钴单质,甲为阴极,装置1为电解池;
【详解】A.由分析可知,装置1为电解池,A错误;
B.乙池电极为正极,反应为,则氢离子浓度减小,附近不断增大,B错误;
C.细菌所在电极附近乙酸盐均发生氧化反应生成二氧化碳,故均发生反应:,C正确;
D.甲处发生还原生成钴单质,,根据电子守恒可知,转移2ml电子甲消耗1ml,而乙处得到2ml,D错误;
故选C。
12.A
【详解】A.晶体中所含的作用力含有离子键、配位键、共价键,A错误;
B.等电子体是指价电子数和原子数相同的分子、离子或原子团;与是等电子体,结构相似,相当于中O被一个S原子替换,B正确;
C.反应中溴化银转化为、转化,故该过程中与结合能力:-,C正确;
D.分子中S含有孤电子对,副产物的键角小于的原因是分子中S的孤电子对对成键电子对的排斥作用使键角变小,D正确;
故选A。
13.D
【分析】甘氨酸中含有羧基和氨基,既有酸性也有碱性,在强酸性溶液中,主要以存在,在强碱性溶液中主要以存在,所以图中曲线a代表,曲线b代表,曲线c代表;
【详解】A.综上所述,曲线a代表,故A正确;
B.电离呈酸性,水解呈碱性,如图,pH=6左右时,浓度最大,说明两性离子的电离能力比水解强,故B正确;
C.的平衡常数,如图,pH=2.35时,和分布系数相等,即浓度相等,此时,,根据,则,故C正确;
D.由C项可知,,根据曲线b和c交点坐标(9.78,0.5)可得,的平衡常数为,即,则,所以,故D错误;
故选D。
14.B
【详解】A.根据表中数据可以看出,温度范围在时,苯的转化率最高,高于280以后转化率降低,说明该催化剂反应最佳反应温度范围是,故A正确;
B.该反应为吸热反应,且对于吸热反应而言,升高温度平衡正向移动,从表中数据可知,以上苯的转化率下降,可能因为温度上升,催化剂活性降低,故B错误;
C.根据时可知,苯的转化率较高,在范围内,催化剂活性降低,反应速率慢,适当延长时间,可以提高苯的转化率,故C正确;
D.从表中数据可知,在范围内,温度上升反应速率加快,因此苯的转化率上升,故D正确;
故选B。
15.D
【详解】A.用过量溶液浸泡粉末,则浸泡后,可以认为浸泡后完全转化为,A错误;
B.由质子守恒可知,溶液中存在:,B错误;
C.的,反应正向进行,需满足,C错误;
D.过滤后所得清液为碳酸钙的饱和溶液,存在:,且由于碳酸根离子浓度较大导致钙离子浓度很小,故存在,D正确;
故选D。
16.D
【详解】A.往稀硫酸溶液中滴加,能发生反应是因为生成BaSO4白色沉淀,不能证明酸性:,A错误;
B.浓盐酸也能使酸性高锰酸钾溶液褪色,则将铁锈溶于浓盐酸,滴入溶液,溶液中紫色褪去,不能得到结论铁锈中含有二价铁,B错误;
C.室温碱性条件下,在淀粉与碘水的混合溶液中滴加溶液,混合液的蓝色迅速褪去,并产生棕褐色沉淀,说明碱性条件下I2将Fe2+氧化为Fe(OH)3,得到结论氧化性(碱性条件下):,C错误;
D.石蜡油加强热,将产生的气体通入的溶液,溶液红棕色变无色,说明与产生的气体反应,则得到结论气体中含有不饱和烃,D正确;
故选D。
17.(1) sp
(2)乙二酸中2个碳原子与2个电负性很高的氧原子成键,导致碳原子上电荷密度下降
(3)AC
(4) Cu2SnZnSe4 1、6或2、5或3、8或4、7
【详解】(1)基态为28号元素,价层电子轨道表示式; 中的CO为配体,配体CO中C和O都是sp杂化,形成一个σ键和两个相互垂直的π键;
(2)乙二酸中2个碳原子与2个电负性很高的氧原子成键,导致碳原子上电荷密度下降,所以使得乙二酸中的的共价单键键长比普通的键长要长;
(3)A.固定的元素都有特定的光谱,故现代化学,常利用原子光谱上特征谱线鉴定元素,A正确;
B.电负性大于1.8不一定是非金属,例如钴、镍的电负性大于1.8,而其为金属元素,B错误;
C.配合物中中心离子所带的电荷会影响配位键的形成,故配合物的稳定性不仅与配体有关,还与中心原子的所带电荷等因素有关,C正确;
D.据“均摊法”,晶胞中含个Na+、个Cl-,设晶胞边长为acm,则晶体密度为,则晶胞与的距离为晶胞边长的一半为:,D错误;
故选AC;
(4)据“均摊法”,晶胞中含个Zn、个Cu、个Sn、8个Se,故化学式为Cu2SnZnSe4;
该晶胞中以体心的Zn为顶点构建晶胞时,则6号Se位置与1号Se位置重合,结合该晶胞中8个Se位置可知,晶胞中平移能完全重合的两个Se为1、6或2、5或3、8或4、7。
18.(1)
(2)
(3)
(4)取适量该无色溶液,加入适量的酸,溶液变成蓝色,且产生难溶于水的紫红色沉淀,该溶液中含有
【分析】气体F能使品红溶液褪色且通入无色溶液E中,有淡黄色沉淀生成,F为,E为硫化物,X为钾盐,所以E为,A、B与反应生成紫红色固体Cu单质,生成的气体通入澄清石灰水,生成沉淀和气体单质,且A、B相对分子质量相同,A为,B为,D能与氧气反应生成和紫红色的铜单质,D中含有Cu和S,为,G溶于氨水得到一无色溶液,G为,与氨水反应生成无色离子,D与G发生反应:,根据数据计算,钾盐X中含有K元素:,S元素物质的量:,还有C元素和N元素,所以钾盐X为。
【详解】(1)根据以上分析,B为,电子式为:;
(2)D中含有Cu和S,为,G为,二者发生反应:;
(3)E为,滴加盐酸生成,与溶液反应,生成黑色的沉淀,反应的离子方程式为:;
(4)氨水反应生成无色离子,与酸反应,生成,所以检验的具体方法为:取适量该无色溶液,加入适量的酸,溶液变成蓝色,且产生难溶于水的紫红色沉淀,该溶液中含有。
19.(1) 低温 --122.4kJ/ml
(2)
(3) B 温度较低(200~280°C)时以反应Ⅲ为主,反应放热,升温平衡逆向移动,二氧化碳平衡转化率降低,温度较高(280~350°C)时以反应Ⅳ为主,反应吸热,升温平衡正向移动,二氧化碳平衡转化率升高
(4)BC
【详解】(1)反应I熵变小于零、焓变小于零,则自发进行的条件是低温;按盖斯定律,反应Ⅲ=2×Ⅰ+Ⅱ,则。
(2)在一定温度下,向的恒容密闭容器中通入和和利用方法a制备二甲醚。测得的平衡转化率为30%,为,为,则发生副反应即 Ⅳ:,发生I: ,发生Ⅱ:,则平衡时n(CO2)=0.7ml,n(H2)=[3-(0.9-2b)ml]=(2.1+2b)ml,n(CH3OH)= ( 0.3-2a-b) ml,n(H2O)=( 0.3+a) ml,由于容积为1L,则反应I的平衡常数为 (用含a、b的式子表示,只需列出计算式)。
(3)①A.投料时,结合反应Ⅲ、Ⅳ可知,实际消耗的二氧化碳和氢气物质的量之比不等于1:3:则反应达到平衡时,,A错误;
B.随温度升高平衡右移、二甲醚的选择性降低,则曲线①表示二甲醚的选择性,B正确;
C.温度越低越有利于Ⅲ:右移,但是温度越低反应速率越小,影响二甲醚产量,则温度越低不适合工业生产二甲醚,C错误;
D.双功能催化剂不能降低反应Ⅲ的,D错误;
选B。
②在的范围内,的平衡转化率先降低后升高的原因:温度较低(200~280°C)时以反应Ⅲ为主,反应放热,升温平衡逆向移动,二氧化碳平衡转化率降低,温度较高(280~350°C)时以反应Ⅳ为主,反应吸热,升温平衡正向移动,二氧化碳平衡转化率升高。
(4)A. 由过渡态中微粒间距可以推测,制得的磷酸硅铝分子筛的孔径应该适中,孔径越大吸附效率下降,影响催化效率,A不正确;
B. 反应Ⅱ的总反应:,ZOH为催化剂,由图知该反应的过渡态为,则该反应的机理为:[ ],B正确;
C. 磷酸硅铝分子筛中有酸性位点可以将甲醇质子化,有利于吸附,故改变分子筛组分比例适当提高其酸性,有利加快反应速率,C正确;
D. 温度过高,会破坏催化剂、过渡态等物质的稳定性,不利于提高反应速率,D不正确;
选BC。
20.(1)三颈烧瓶
(2)
(3)AC
(4)bheai
(5)
【分析】镁和甲醇加热回流反应生成甲醇镁,分离出甲醇镁A,加入高纯水水解生成氢氧化镁,然后通入二氧化碳将氢氧化镁转化为碳酸镁,过滤后加入氢氟酸发生氟化反应得到氟化镁;
【详解】(1)仪器A的名称三颈烧瓶;
(2)氟化反应涉及的反应为碳酸镁和氟化氢生成氟化镁、水、二氧化碳,化学方程式
(3)A.甲醇沸点:,故步骤I中反应温度不选择,主要减少甲醇挥发,A错误;
B.步骤Ⅱ中待镁片上不再有微小气泡生成时,说明已经反应完全,可进行步骤Ⅱ,B正确;
C.步骤Ⅲ将通入高纯水达到饱和不利于甲醇镁的水解进行,制备悬浊液B应先加入高纯水,使得甲醇镁水解后再通入二氧化碳将氢氧化镁转化为碳酸镁,C错误;
D.氟化氢气体有毒,故步骤Ⅳ在进行氟化反应时,应做好防护措施和配备应急药品,D正确;
故选AC;
(4)得到甲醇镁需要趁热过滤除去滤渣分离出甲醇镁溶液,故过滤中需使用铜质保温漏斗;过滤后滤液加热蒸馏出过量的甲醇,需要使用直行冷凝管和烧杯;然后蒸发结晶得到甲醇镁;故答案为:bheai;
(5)由图可知,时透过率稳定且温度较高干燥速率较快,故选择。
21.(1)硝基、氨基
(2)
(3)C
(4)+2
(5)
(6)
【分析】A一系列转化为E,结合E结构、A化学式可知,A为,AB生成C,结合C化学式可知,C为;C和乙醇发生酯化反应生成D;D中氨基氢和CH3I取代生成E,E和氢气发生还原反应将硝基转化为氨基得到F,F与环氧乙烷发生反应生成G;G转化为H,H转化为产品;
【详解】(1)由A的结构可知其所含官能团为硝基、氨基;
(2)由分析可知,;
(3)A.由分析可知,D中氨基氢和CH3I取代生成E ,D→E的反应类型为取代反应,A正确;
B.同系物是指结构相似、分子组成相差若干个“CH2”原子团的有机化合物;化合物B与草酸互为同系物,B正确;
C.由图可知,化合物E的分子式是,C错误;
D.化合物H中的3个N原子所连接的基团不同,则结合的能力各不相同,D正确;
故选C;
(4)由分析可知,F→G的化学方程式为:+2;
(5)发生取代反应引入羟基,氧化为羰基,发生已知反应类型得到B,故流程为:;
(6)D结构为;同时符合下列条件的化合物D的同分异构体:①分子中只含一个苯环和一个五元环;②谱和谱检测表明:分子中共有3种不同化学环境的氢原子,无硝基,有羟基,则结构对称性好;其结构可以为:。
相关试卷
这是一份2023届浙江省嘉兴市高三二模考试化学试题Word版含解析,共32页。试卷主要包含了5 Cr 52 Cu 64, 含有非极性键的共价化合物是, 下列化学用语表示正确的是, 关于反应,下列说法正确的是, 下列离子方程式正确的是, 下列说法不正确的是等内容,欢迎下载使用。
这是一份浙江省绍兴市2023届高三二模考试化学试题(含答案),共15页。试卷主要包含了单选题,结构与性质,元素或物质推断题,原理综合题,工业流程题,有机推断题等内容,欢迎下载使用。
这是一份浙江省绍兴市2023届高三二模化学试题及答案,文件包含2023届浙江省绍兴市高三下学期适应性考试二模化学试卷pdf、2023届浙江省绍兴市高三下学期适应性考试二模化学答案pdf等2份试卷配套教学资源,其中试卷共10页, 欢迎下载使用。
