





所属成套资源:【讲通练透】高考生物一轮复习重难点专项突破
高考生物一轮复习重难点专项 专题01 细胞的多样性和统一性
展开
这是一份高考生物一轮复习重难点专项 专题01 细胞的多样性和统一性,文件包含专题01细胞的多样性和统一性教师版docx、专题01细胞的多样性和统一性学生版docx等2份试卷配套教学资源,其中试卷共36页, 欢迎下载使用。
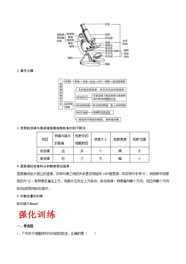
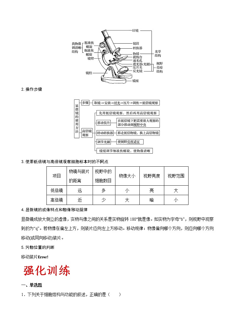
高考一轮生物复习策略1、落实考点。一轮复习时要在熟读课本、系统掌握基础知识、基本概念和基本原理后,要找出重点和疑点;通过结合复习资料,筛选出难点和考点,有针对地重点复习。这就需要在掌握重点知识的同时,要善于进行知识迁移和运用,提高分析归纳的能力。2、注重理论联系实际,高三生物的考试并不仅仅是考概念,学会知识的迁移非常重要,并要灵活运用课本上的知识。不过特别强调了从图表、图形提取信息的能力。历年高考试题,图表题都占有比较大的比例。那些图表题虽不是教材中的原图,但它源于教材而又高于教材,是对教材内容和图表的变换、深化、拓展,使之成了考查学生读图能力、综合分析能力、图文转换能力的有效途径。3、一轮复习基础知识的同时,还要重点“攻坚”,突出对重点和难点知识的理解和掌握。这部分知识通常都是学生难于理解的内容,做题时容易出错的地方。分析近几年的高考生物试题,重点其实就是可拉开距离的重要知识点。 4、学而不思则罔,思而不学则殆。这一点对高三生物一轮复习很重要。尤其是对于错题。错题整理不是把错题抄一遍。也不是所有的错题都需要整理。 专题01 细胞的多样性和统一性 一、细胞的多样性1.列表比较原核细胞与真核细胞比较项目原核细胞真核细胞本质区别无以核膜为界限的细胞核有以核膜为界限的细胞核细胞壁主要成分为肽聚糖植物细胞细胞壁的主要成分是纤维素和果胶细胞质有核糖体,无其他细胞器有核糖体和其他细胞器细胞核拟核,无核膜和核仁有核膜和核仁转录和翻译转录、翻译可同时进行转录在核内,翻译在细胞质(核糖体)内是否遵循遗传定律不遵循孟德尔遗传定律核基因遵循,质基因不遵循变异类型基因突变基因突变、基因重组和染色体变异2.生物界常见生物类群的划分二、细胞的统一性1.“五个”表现2.细胞学说的建立(1)细胞学说的建立过程(连线)(2)基本内容:细胞是一个有机体,一切动植物都由细胞发育而来,并由细胞和细胞产物所构成;细胞是一个相对独立的单位,既有它自己的生命,又对与其他细胞共同组成的整体的生命起作用;新细胞可以从老细胞中产生。(3)意义:揭示了细胞统一性和生物体结构统一性;揭示了生物之间存在一定的亲缘关系。三、显微镜的使用1.认识显微镜结构2.操作步骤3.使用低倍镜与高倍镜观察细胞标本时的不同点项目物镜与装片的距离视野中的细胞数目物像大小视野亮度视野范围低倍镜远多小亮大高倍镜近少大暗小4.显微镜的成像特点和物像移动规律显微镜成放大倒立的虚像,实物与像之间的关系是实物旋转180°就是像。如实物为字母“b”,则视野中观察到的为“q”。若物像在偏左上方,则装片应向左上方移动。移动规律:物像偏向哪个方向,则应向哪个方向移动(或同向移动)装片。5.污物位置的判断移动装片一、单选题1.下列关于细胞结构与功能的叙述,正确的是( )A.农杆菌在细胞核中进行 DNA 复制 B.乳酸菌进行无氧呼吸产生 CO2C.蓝细菌在叶绿体内产生氧气 D.肺炎双球菌利用自身的核糖体合成蛋白质2.下列有关原核细胞和真核细胞的叙述,正确的是 ( )A.真核细胞有染色质或染色体,原核细胞既没有染色质也没有染色体B.真核细胞的核仁在细胞周期中会发生周期性变化,原核细胞的核仁不会C.真核细胞能进行有氧呼吸或无氧呼吸,原核细胞只能进行无氧呼吸D.真核细胞能进行有丝分裂和减数分裂,原核细胞只能进行无丝分裂3.真核细胞与原核细胞的本质区别是( )A.有无核膜 B.有无核糖体C.有无细胞膜 D.有无细胞壁5.显微镜是生物实验中常用的观察仪器。下列相关叙述错误的是( )A.用高倍显微镜观察口腔上皮细胞中线粒体的装片时,需先用低倍镜观察,再换用高倍镜B.若要观察的目标细胞位于低倍镜视野的左下方,则应将装片向右上方移动使之位于视野中央C.用显微镜观察花生子叶的切片时,发现细胞部分清楚、部分较模糊,这与切片厚薄不均有关D.用高倍显微镜观察叶肉细胞内叶绿体的实验中,能观察到叶绿体主要分布在大液泡周围6.建立于19世纪的细胞学说是自然科学史上的一座丰碑。下列有关细胞学说的叙述,错误的是( )A.细胞学说揭示了细胞的统一性和生物体结构的统一性B.英国科学家虎克用自制的显微镜观察到“小室”,从而建立了细胞学说C.细胞是一个相对独立的单位,细胞学说认为一切动植物都由细胞发育而来D.细胞学说认为新细胞可以从老细胞中产生,魏尔肖总结出“细胞通过分裂产生新细胞”7.下列关于原核生物和真核生物的表述,正确的是( )A.原核生物和真核生物都有生物膜系统,有利于细胞代谢有序进行B.真核生物以DNA为遗传物质,部分原核生物以RNA为遗传物质C.真核细胞中都含有DNA和蛋白质结合形成的复合物,原核细胞中也含有D.真核生物都是多细胞生物,原核生物都是单细胞生物8.细胞分为原核细胞与真核细胞两大类。下列相关叙述错误的是( )A.原核细胞不具有以核膜为界的细胞核B.原核细胞中没有细胞器,多种代谢反应均在细胞质中进行C.真核细胞含多种分工合作的细胞器,使其能高效有序地进行生命活动D.原核细胞和真核细胞中的遗传物质都是DNA9.沙眼衣原体是原核生物,作为判断的主要依据是( )A.有细胞壁 B.有细胞膜 C.没有线粒体 D.没有以核膜为界限的细胞核10.下列关于蓝细菌、黑藻、伞藻和小球藻的总结,正确的是( )A.细胞质中都有核糖体和含光合色素的细胞器B.都含有光合色素,因此都属于自养型生物C.都能够依靠单个细胞完成各项生命活动D.拟核区域都有一个大型的环状DNA分子11.支原体肺炎是由肺炎支原体引起的常见传染病,多发于儿童或青少年,有发热、阵发性咳嗽,易引起肺外多系统受累,也可威胁生命。下列有关支原体的说法,正确的是( )A.肺炎支原体细胞内没有核仁,其核糖体是在宿主细胞内形成的B.支原体是已知最小、最简单的细胞生物,支原体都不具有细胞壁C.肺炎支原体细胞内的核酸分子是由四种基本组成单位构成的生物大分子D.肺炎支原体与人体细胞结构上差别很大,不具有统一性12.关于普通光学显微镜的使用,下列叙述不正确的是( )A.在高倍镜下观察时,用细准焦螺旋调整焦距B.高倍镜下无法观察到花生子叶中被染色的脂肪颗粒C.由低倍镜转到高倍镜前,将待观察目标移至视野中央D.高倍镜下无法观察到细胞膜清晰的暗—亮—暗三层结构13.下列关于生命系统和细胞学说的叙述,错误的是( )A.池塘中的水、阳光等也是生命系统的一部分B.细胞学说揭示了生物界和非生物界的统一性C.细胞学说仅涉及动物细胞、植物细胞D.培养皿中的大肠杆菌菌落属于生命系统的种群层次14.下列有关细胞的多样性与统一性的叙述,正确的是( )A.原核细胞与真核细胞都具有染色质 B.细胞学说从一个方面揭示了生物界的统一性C.老细胞都是由新细胞分裂产生的 D.细胞具有多样性的根本原因是蛋白质具有多样性15.观察细胞时,使用光学显微镜的正确方法是( )A.先高倍镜对焦,将观察目标移至视野中央,增加进光量,调焦观察B.先高倍镜对焦,将观察目标移至视野中央,转用低倍镜调焦观察C.先低倍镜对焦,转用高倍镜,将观察目标移至视野中央,调焦观察D.先低倍镜对焦,将目标移至视野中央,转用高倍镜并增加进光量,调焦观察16.下列关于原核生物和真核生物的表述,正确的是( )A.原核生物和真核生物都有生物膜系统,有利于细胞代谢有序进行B.真核生物以DNA为遗传物质,部分原核生物以RNA为遗传物质C.真核细胞中含有DNA和蛋白质结合形成的复合物,而原核细胞中没有D.原核细胞和真核细胞多种多样,均具有多样性17.以下四组生物中,结构最相似的一组是( )A.新冠病毒和大肠杆菌 B.伞藻和变形虫C.颤藻和酵母菌 D.细菌和草履虫18.下图所示是四种不同的生物,下列相关叙述正确的是 ( ) A.甲和乙的主要区别在于乙具有细胞壁B.丙和丁的主要区别在于丙具有拟核C.甲和丙的主要区别在于甲具有细胞结构D.乙和丁的主要区别在于丁没有核膜19.下列有关“一定”的说法,正确的是( )①真核生物的细胞一定都有细胞核②斐林试剂检验某组织样液,水浴加热后出现砖红色,说明该样液中一定含有葡萄糖③没有细胞结构的生物一定是原核生物④酶催化作用的最适温度一定是37℃⑤有氧呼吸一定在线粒体中进行A.全部正确 B.有一个正确 C.有三个正确 D.全都不对20.下列是关于几类生物的特点的叙述,正确的是( )A.大肠杆菌和草履虫的细胞内都没有以核膜为界限的细胞核B.哺乳动物成熟红细胞和人肝细胞都为真核细胞,都包括细胞膜、细胞质和细胞核C.念珠藻与水绵都能进行光合作用,但念珠藻不含叶绿体只含光合色素,而水绵细胞中含叶绿体D.细菌和噬菌体结构上有统一性,都有细胞壁、细胞膜、核糖体和核酸等21.某研究人员分析了小白鼠组织、小麦组织、乳酸菌、新型冠状肺炎病毒四种样品的化学成分,以下结论错误的是( )A.含有糖原的样品是小白鼠组织B.只含有蛋白质和核酸的样品是新型冠状肺炎病毒C.含有纤维素的样品是小麦组织和乳酸菌D.既含有DNA,又含有RNA的样品是小麦组织、小白鼠组织、乳酸菌22.在显微镜的低倍物镜下,看到一个细胞偏向右下方,要观察该细胞时,转换高倍物镜观察前应该把该细胞移到视野中央,具体做法是( )A.向左上方移动载玻片 B.向右下方移动载玻片C.更换高倍目镜 D.调节反光镜23.下列有关细胞学知识的叙述,正确的是( )A.念珠藻、醋酸杆菌都具有核膜、核仁、染色体等结构B.细胞学说揭示了细胞和生物体结构的统一性和差异性C.原核细胞拟核中的DNA是环状的D.原核生物都是自养生物,没有异养生物24.如图所示,其中5、6为观察时物镜与标本切片距离大小。欲获得最大放大倍数的观察效果,其正确的组合是( )A.1、3、5B.1、3、6C.1、4、5D.2、4、625.下列关于显微镜操作的叙述,正确的是( )A.当标本染色较深时,应选用凹面反光镜和大光圈B.若要将位于视野内左上方的物像移至中央,应向右下方移动装片C.用低倍物镜观察清楚后转换高倍物镜,需先升高镜筒,以免镜头触及装片D.若高倍物镜下观察到的细胞模糊不清,应使用粗准焦螺旋进行调焦26.以下细胞亚显微结构示意图中,正确的是( )A. 大肠杆菌细胞B.蓝细菌细胞C. 水稻叶肉细胞D.小鼠肝脏细胞27.细胞既有多样性,又有统一性。下列相关叙述,正确的是( ) ①不同细胞的细胞膜都通过磷脂分子和蛋白质分子等相互作用构建 ②不同细胞都可通过葡萄糖与ATP的相互转化为生命活动直接供能 ③原核细胞没有线粒体,真核细胞有线粒体,但都能将葡萄糖转化为丙酮酸 ④原核细胞没有细胞核,真核细胞有细胞核,但都以核糖核酸作为遗传物质A.①②B.②③C.③④D.①③二、多选题28.下图是对噬菌体、蓝细菌、变形虫和衣藻四种生物按不同分类依据分成的四组,下列叙述正确的是( )A.乙组中的生物细胞中都具有细胞壁B.丁组中的生物细胞中都具有核膜C.丙与丁的分类依据可以是有无染色体D.甲与乙的分类依据可以是有无叶绿体三、综合题29.某同学学完细胞知识后,欲通过表中整理的信息,区分出甲、乙、丙与菠菜叶肉细胞、大肠杆菌和鼠的肝脏细胞的各项对应关系。已知表中a、b、c、d代表细胞内的4种结构。请回答下列问题:生物材料abcd具双层膜,且膜上有小孔具双层膜具双层膜具单层膜,且膜与核膜直接相连甲----乙++++丙++-+注:“+”表示存在,“-”表示不存在。(1)该同学归纳的a、b、c、d4种结构分别是___________________。(2)表中甲对应的细胞名称是______,判断的主要依据是______________。表中乙、丙对应的细胞名称分别是___________,除表中外,二者的主要区别还有______________________(答岀三点)。30.如图是显微镜下观察到的几种细胞或组织图像(D中细胞是未成熟的猪血细胞),请回答问题:(1)科学家依据____________________________________,将细胞分为原核细胞和真核细胞。(2)图中属于原核细胞的是________(填字母),此类细胞的DNA主要存在于________中。能表示生命系统个体层次的是________(填字母)。(3)图中能进行光合作用的是________(填字母),A、B所示细胞都有的细胞器是________。(4)B、E两类生物主要区别:B类生物一般含有________________,能进行光合作用,故其代谢类型是________型。(5)在上述五种细胞中,它们都有的结构或物质有________、细胞质、_______这体现了不同类细胞之间的统一性。31.图1是光学显微镜的一组镜头,目镜分别标有“5×”字样和“15×”字样,物镜分别标有“10×”和“40×”字样。请根据图回答下列问题(1)要使放大倍数最大,显微镜的目镜、物镜及其与玻片间距离的组合应为_______(填标号)。此时放大的倍数为________。(2)在观察时,用低倍镜观察清楚后想使用高倍镜应转动________。调换高倍镜后,物象模糊不清,这时应调节_______。(3)用10×的目镜和10×的物镜组合观察某细小物体,物像的面积为M,换用40x的物镜观察(目镜不变),物像的面积变为______。(4)在目镜为10×、物镜为8×的视野中,刚好能看到穿过视野中心的一行连续排列的10个完整细胞。若目镜不变,物镜换成40×,则在视野中看到的细胞数目与原来相比少__个。(5)若用同一显微镜观察同一标本4次,每次仅调整物镜或细准焦螺旋,结果观察得到图2中的四个图形。其中物镜与玻片距离最远时观察到的一组图形应是图2中的______(填字母)。视野最暗的应是图2中的________(填字母)。32.请完成下表,对真核细胞和原核细胞进行比较:比较项目原核细胞真核细胞细胞质(1)______(2)_______细胞核拟核,无核膜和核仁有核膜和核仁DNA存在形式(3)____细胞核中:(4)___细胞质中:(5)___本质(显著)区别(6)___________共有的结构或物质(7)________
相关试卷
这是一份高考生物一轮复习重难点专项 专题65 胚胎工程,文件包含专题65胚胎工程教师版docx、专题65胚胎工程学生版docx等2份试卷配套教学资源,其中试卷共84页, 欢迎下载使用。
这是一份高考生物一轮复习重难点专项 专题57 酶的应用,文件包含专题57酶的应用教师版docx、专题57酶的应用学生版docx等2份试卷配套教学资源,其中试卷共50页, 欢迎下载使用。
这是一份高考生物一轮复习重难点专项 专题47 群落,文件包含专题47群落教师版docx、专题47群落学生版docx等2份试卷配套教学资源,其中试卷共68页, 欢迎下载使用。
