所属成套资源:高二物理同步课件 同步练习(2019人教A版 必修第三册)
- 第十一章 章末小结与素养评价课件PPT 课件 0 次下载
- 第十一章 串联电路和并联电路 试卷 试卷 0 次下载
- 第十一章 实验:练习使用多用电表 试卷 0 次下载
- 第十一章 导体的电阻 试卷 试卷 0 次下载
- 第十一章 电场能的性质 试卷 试卷 0 次下载
人教版 (2019)必修 第三册第十一章 电路及其应用3 实验:导体电阻率的测量巩固练习
展开
这是一份人教版 (2019)必修 第三册第十一章 电路及其应用3 实验:导体电阻率的测量巩固练习,共6页。试卷主要包含了读出螺旋测微器的读数,现有一合金制成的圆柱体,240 eq \f等内容,欢迎下载使用。
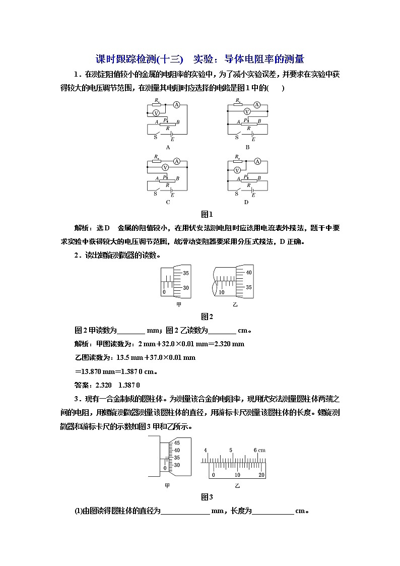
课时跟踪检测(十三) 实验:导体电阻率的测量1.在测定阻值较小的金属的电阻率的实验中,为了减小实验误差,并要求在实验中获得较大的电压调节范围,在测量其电阻时应选择的电路是图1中的( )图1解析:选D 金属的阻值较小,在用伏安法测电阻时应该用电流表外接法,题干中要求实验中获得较大的电压调节范围,故滑动变阻器要采用分压式接法,D正确。2.读出螺旋测微器的读数。图2图2甲读数为________ mm;图2乙读数为________ cm。解析:甲图读数为:2 mm+32.0×0.01 mm=2.320 mm乙图读数为:13.5 mm+37.0×0.01 mm=13.870 mm=1.387 0 cm。答案:2.320 1.387 03.现有一合金制成的圆柱体。为测量该合金的电阻率,现用伏安法测量圆柱体两端之间的电阻,用螺旋测微器测量该圆柱体的直径,用游标卡尺测量该圆柱体的长度。螺旋测微器和游标卡尺的示数如图3甲和乙所示。图3(1)由图读得圆柱体的直径为______________ mm,长度为____________ cm。(2)若流经圆柱体的电流为I,圆柱体两端之间的电压为U,圆柱体的直径和长度分别用D、L表示,则用D、L、I、U表示的电阻率的关系式为ρ=________。解析:(1)圆柱体的直径为1.5 mm+34.2×0.01 mm=1.842 mm;长度为42 mm+8×0.05 mm=42.40 mm=4.240 cm。 (2)由欧姆定律R=和电阻定律R=,联立得ρ===。答案:(1)1.842(1.841~1.844均可)4.240 (2)4.在“测定金属的电阻率”的实验中:图4(1)用螺旋测微器测量金属丝直径时,其示数如图4甲所示,则金属丝的直径为d=________ mm。(2)某同学设计了如图4乙所示的电路测量该金属丝的电阻(阻值约3 Ω)。可选用的器材规格如下:电源E(电源电压为3 V,内阻不计);电流表A(0~0.6 A,内阻约0.5 Ω);电流表G(0~10 mA,内阻为50 Ω);滑动变阻器R1(阻值0~5 Ω,额定电流2 A);滑动变阻器R2(阻值0~1 kΩ,额定电流1 A);定值电阻R3=250 Ω;定值电阻R4=2 500 Ω;开关S和导线若干。①为了便于操作,并使测量尽量精确,定值电阻应选________,滑动变阻器R应选________。②某次测量时电流表G的读数为5.0 mA,电流表A示数为0.50 A,计算Rx的准确值为Rx=________(计算结果保留3位有效数字)。解析:(1)由图示螺旋测微器可知,固定刻度示数为0.5 mm,可动刻度示数为30.0×0.01 mm=0.300 mm,螺旋测微器示数为0.5 mm+0.300 mm=0.800 mm。(2)①根据闭合电路欧姆定律和电流表最小读数,可求出电路中需要的最大电阻为R== Ω=15 Ω,由于待测电阻为3 Ω,所以滑动变阻器应用R1,根据分压原理,R支== Ω=300 Ω,故定值电阻选R3。②根据欧姆定律,由Rx== Ω≈3.03 Ω。答案:(1)0.800 (2)①R3 R1 ②3.03 Ω5.(1)某实验小组在“测定金属电阻率”的实验过程中,正确操作获得金属丝的直径以及电流表、电压表的读数如图5甲、乙、丙所示(已知电流表选0.6 A量程,电压表选3 V量程),则它们的读数值依次是______mm、____________A、__________V。图5(2)已知实验中所用的电流表内阻约几欧,电压表内阻约20 kΩ,则本实验电路应当采用图5丁中的______(填“A”或“B”),用此电路测量的金属丝电阻比真实值偏________(填“大”或“小”)。(3)若测得电流为I、电压为U,金属丝的长度为L,直径为d,则该金属丝的电阻率ρ=________(用题中字母代号表示)。解析:(1)螺旋测微器的读数为d=0.5 mm+2.6×0.01 mm=0.526 mm;电流表的读数为I=0.42 A;电压表的读数为U=2.25 V。(2)根据题意,待测电阻阻值远小于电压表内阻,故电流表应用外接法,故电路图A应为采用的最佳电路。此电路中,由于电压表的分流作用,故测量的金属丝电阻比真实值偏小。(3)根据欧姆定律R=,由电阻定律得金属丝电阻为R=ρ,解得:ρ=。答案:(1)0.526 0.42 2.25 (2)A 小 (3)6.在“测定金属的电阻率”实验中,所用测量仪器均已校准。待测金属丝接入电路部分的长度约为50 cm。图6(1)用螺旋测微器测量金属丝的直径,其中某一次测量结果如图6所示,其读数应为________ mm。(2)用伏安法测金属丝的电阻Rx。实验所用器材为电池组(输出电压为3 V)、电流表(内阻约0.1 Ω)、电压表(内阻约3 kΩ)、滑动变阻器R(0~20 Ω,额定电流2 A)、开关、导线若干。某小组同学利用以上器材正确连接好电路,进行实验测量,记录数据如下:次数1234567U/V0.100.300.701.001.501.702.30I/A0.0200.0600.1600.2200.3400.4600.520由以上实验数据可知,他们测量Rx是采用图7中的______(填“甲”或“乙”)图。图7(3)如图8是测量Rx的实验器材实物图,图中已连接了部分导线,滑动变阻器的滑片P置于变阻器的一端。请根据(2)所选的电路图,补充完成图中实物间的连线,并使闭合开关的瞬间,电压表或电流表不至于被烧坏。图8(4)这个小组的同学在坐标纸上建立U、I坐标系,如图9所示,图中已标出了与测量数据对应的4个坐标点。请在图中标出第2、4、6次测量数据的坐标点,并描绘出UI图线。由图线得到金属丝的阻值Rx=________ Ω(保留两位有效数字)。图9(5)根据以上数据可以估算出金属丝电阻率约为______(填选项前的符号)。A.1×10-2 Ω·m B.1×10-3 Ω·mC.1×10-6 Ω·m D.1×10-8 Ω·m解析:(1)螺旋测微器的读数为0+39.8×0.01 mm=0.398 mm。(2)由实验记录的数据可知Rx的阻值大约为5 Ω。由题知Rx≪RV,故电流表外接。若滑动变阻器为限流式接法,则Rx两端的电压最小值Umin=×3 V≈0.6 V,而从实验数据可知Rx两端最小电压为0.10 V,因此滑动变阻器应采用分压式接法,故采用甲图。(3)实物图的连线如图所示。(4)选尽可能多的点连成一条直线,不在直线上的点均匀分布在直线两侧,如图所示。图线的斜率反映了金属丝的电阻,因此金属丝的电阻值Rx=≈4.4 Ω。(5)根据R=ρ得金属丝的电阻率ρ=== Ω·m≈1.09×10-6 Ω·m,故选项C正确。答案:(1)0.398 (2)甲 (3)见解析图甲 (4)见解析图乙 4.4 (5)C
相关试卷
这是一份人教版 (2019)必修 第三册3 实验:导体电阻率的测量课时训练,共37页。试卷主要包含了完成下列题目等内容,欢迎下载使用。
这是一份物理人教版 (2019)3 实验:导体电阻率的测量课堂检测,共5页。
这是一份物理必修 第三册3 实验:导体电阻率的测量达标测试,共4页。试卷主要包含了398mm 5,398mm 2等内容,欢迎下载使用。

