浙教版八年级下册第1节 空气与氧气习题
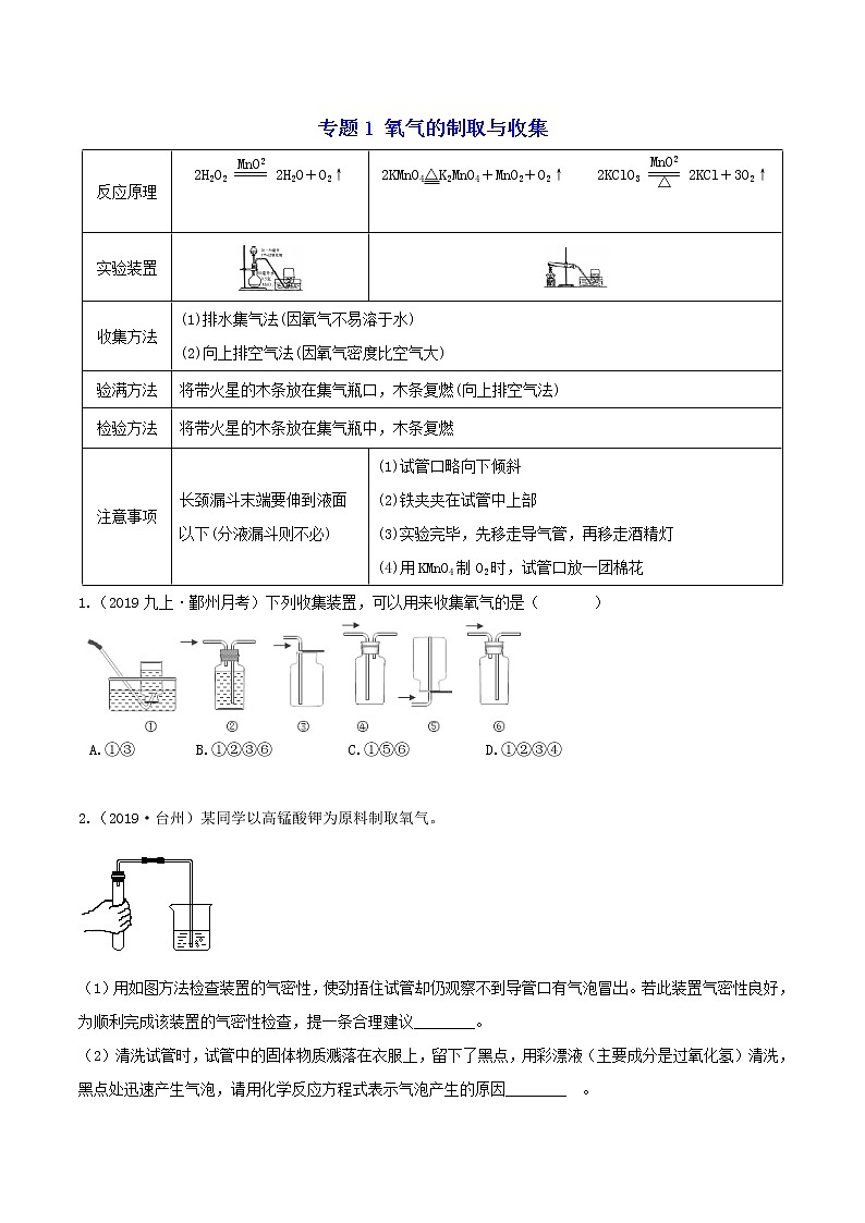
展开专题1 氧气的制取与收集
反应原理 | 2H2O22H2O+O2↑ | 2KMnO4△K2MnO4+MnO2+O2↑ 2KClO32KCl+3O2↑ |
实验装置 | ||
收集方法 | (1)排水集气法(因氧气不易溶于水) (2)向上排空气法(因氧气密度比空气大) | |
验满方法 | 将带火星的木条放在集气瓶口,木条复燃(向上排空气法) | |
检验方法 | 将带火星的木条放在集气瓶中,木条复燃 | |
注意事项 | 长颈漏斗末端要伸到液面以下(分液漏斗则不必) | (1)试管口略向下倾斜 (2)铁夹夹在试管中上部 (3)实验完毕,先移走导气管,再移走酒精灯 (4)用KMnO4制O2时,试管口放一团棉花 |
1.(2019九上·鄞州月考)下列收集装置,可以用来收集氧气的是( )
A.①③ B.①②③⑥ C.①⑤⑥ D.①②③④
2.(2019·台州)某同学以高锰酸钾为原料制取氧气。
(1)用如图方法检查装置的气密性,使劲捂住试管却仍观察不到导管口有气泡冒出。若此装置气密性良好,为顺利完成该装置的气密性检查,提一条合理建议________。
(2)清洗试管时,试管中的固体物质溅落在衣服上,留下了黑点,用彩漂液(主要成分是过氧化氢)清洗,黑点处迅速产生气泡,请用化学反应方程式表示气泡产生的原因________ 。
3.(2019八下·金华期中)如图是小珂和小琦各自设计的实验室用于制取、干燥和收集气体的装置图(本题的所有夹持仪器均已省略)。小珂同学用过氧化氢溶液和二氧化锰制取并收集氧气(浓硫酸具有吸水性,不溶解氧且不与氧气反应),请回答问题:
(1)小珂同学制取氧气的发生装置应选择(填装置编号)________。
(2)现要收集一瓶干燥的氧气,请按气体的流向,用装置导管的编号将装置连接好:①→ ________。
(3)小琦同学设计了图C 的装置,并用仪器乙收集氧气。仪器甲叫________,收集氧气的方法为________。
4.(2019·绍兴)如图是实验室制取和收集气体的常用装置。请回答下列问题。
(1)甲同学用石灰石和稀盐酸来制取和收集二氧化碳气体,他应选用的实验装置是________。(选填字母)
(2)乙同学用加热高锰酸钾来制取氧气,实验过程中发现装置A的试管口有少量水滴。这些水不是生成物的理由是高锰酸钾不含________。
(3)丙同学在选用B装置探究“二氧化锰能加快过氧化氢分解制氧气”的实验时,老师要求他补充“在盛有少量二氧化锰的试管中加入适量水,并把带火星的木条伸入试管,观察现象。”的实验,增补该对照实验的目的是________。
5.实验室制取氧气的两种方法如下:
方法一:H2O2 H2O+O2 方法二:KMnO4 K2MnO4+MnO2+O2
(1)两种方法涉及的化学反应都是________反应。
(2)如图是实验室制取、干燥和收集气体的装置图。仪器A的名称是________,现用方法一制取一瓶干燥的氧气,请按气体流向,用导管的编号将装置连接好________。(浓硫酸具有吸水性,可作干燥剂)
6.利用图示仪器通过测量氧气体积来测定高锰酸钾样品的纯度(杂质不参加反应)。实验步骤如下:
(1)检查气密性:连好发生装置后,将导管口的下端浸入水中,________,如果观察到导管口有气泡冒出,就证明装置不漏气。
(2)组装装置:连好的装置如图甲,其中有一处明显错误。在不移动、不调整酒精灯的前提下,需要调节________ (填字母)螺母改正错误。
(3)进行实验:采用正确的反应装置和如图乙所示的收集装置制取并收集气体。下列说法正确的是 。
A.加热时间过短,会使测量结果不准
B.反应一段时间,排出反应装置内原有空气再连接乙装置收集气体,会使结果更准确
7.(2020八上·温州期中)下图中的甲、乙是实验室制取氧气的两种装置,请回答下列问题。
(1)写出甲装置中发生反应的化学方程式 ________。
(2)乙装置收集氧气时需要用带火星的木条来验满,这是利用了氧气的________性。甲、乙两种制取氧气的方法相比,乙方法的优点是________。
(3)若在丙装置中盛满水,用排水法收集(瓶口向上)一瓶氧气,气体从________端(填字母“a”或“b”)通入。若把红热的铁丝伸入装有氧气的集气瓶里,盛氧气的集气瓶预先加少量水,水的作用是________。
(4)某同学用排水法收集一瓶氧气,将带火星的木条伸入集气瓶中,木条不复燃,原因可能是________(答一条即可)。
(5)利用双氧水制取氧气的化学方程式为 ________。在用发生装置丁或戊制取氧气时,丁与戊相比,丁的优点是________ 。
8.请根据下列装置图回答问题:
(1)写出图中仪器①、②的名称:①________;②________。
(2)实验室用高锰酸钾制取氧气,可选用的气体发生装置为________ (填字母,下同),气体收集装置为________或________;该装置中,固定仪器时的一条主要注意事项是________。
(3)实验室用高锰酸钾制取氧气时,试管口处要________ 。
(4)实验室加热高锰酸钾制取氧气(用排水法收集)的主要步骤有:①装入药品;②检查装置气密性;③收集气体;④加热;⑤停止加热;⑥移出导气管。正确的操作顺序为
A.①②③④⑤⑥ B.②①③④⑥⑤ C.②①④③⑤⑥ D.②①④③⑥⑤
(5)若使用B装置来进行二氧化锰和过氧化氢制取氧气的实验,在该反应中二氧化锰是________;该反应的文字表达式为________。
(6)经查资料可知,NH3的密度比空气小,极易溶于水,有刺激性气味。实验室常用加热氯化铵和氢氧化钙固体的方法来制取NH3,选用________装置作制取氨气的发生装置,最好选用________装置来收集NH3,理由是________
9.(2019八下·台州期末)几位同学利用如图装置测定高锰酸钾加热制取氧气的多少。实验中发现测量值明显高于根据化学方程式计算的理论值。据此,他们展开了讨论。
(1)仪器 A 的名称为________。
(2)小科认为要重新检查装置的气密性,请写出装置气密性检查的方法:________。
(3)小妍认为可能是实验操作不当引起。以下是他记录的部分实验步骤,会引起测量值偏大的有
A.导管口一有气泡冒出就开始收集
B.试管未冷却至室温后就进行读数
C.将导管移出水面后再熄灭酒精灯
(4)改进实验后重新测量仍然出现以上结果。在老师的帮助下,同学们查阅资料后确定是锰酸钾和二氧化锰两种物质中的一种或两种分解引起。二氧化锰难溶于水,锰酸钾易溶于水,溶液呈深绿色。
他们对试管内的物质充分加热,再将试管中的剩余固体溶于足量的水并过滤,发现不溶物中有二氧化锰,滤液呈无色。根据以上实验现象,两位同学提出两种观点:
小科:不溶物中有二氧化锰,说明超出部分的氧气全部由锰酸钾分解的。小妍:滤液呈无色,说明超出部分的氧气全部由锰酸钾分解的。
对于以上两种观点,请任选一种对其可靠性进行判断并说明理由。________
10.(2019八下·嘉兴月考)小晨和小萍同学发现:带火星的竹签在空气中不会复燃,若用装有60%水的集气瓶倒置在水槽中收集氧气,得到的气体能使带火星的竹签复燃,为了找到能使带火星竹签复燃的氧气含量最小值,她们进行了如下探究:(空气中氧气含量21%)
【设计实验】:小晨设计了如图的装置,该装置的圆底烧瓶中放入25毫升水的目的是________。
【实验研究】:第一组实验:取3只集气瓶,编号为①②③,分别装入15%、30%和45%的水,盖上盖玻片倒置在水槽中。当气泡________放出后,导管口伸入集气瓶把其中的水全部排出,将相同的3支带火星竹签分别插入①~③号瓶中,记录实验现象。获得第一组实验现象后,小晨又做了第二组实验,并记录实验现象,两组实验数据和现象见下表:
实验分组 | 第一组 | 第二组 | ||||
实验序号 | ① | ② | ③ | ④ | ⑤ | ⑥ |
集气瓶装水的体积分数/% | 15 | 30 | 45 | 34 | 38 | 42 |
带火星竹签状况 | 亮 | 很亮 | 复燃 | 很亮 | 复燃 | 复燃 |
得出上述两组实验现象后,小萍认为还不能确定能使带火星竹签复燃的氧气含量最小值,需继续进行实验。
【实验结论】:再经过数次实验并计算后得出:能使带火星竹签复燃的氧气含量最小值为48.7%。则小晨在收集气体时集气瓶中装水的体积分数是________。(保留整数)
【继续探究】:小萍认为采用该方法收集的氧气中含有一定量的水蒸气,请你提出实验改进的措施________。
11.(2019·温州)过氧化氢溶液保存时,因缓慢分解导致质量分数变小(化学方程式为2H2O2=2H2O+O2↑)。为探究酸碱性对过氧化氢分解快慢的影响,小明利用图甲装置,每次实验往锥形瓶中加10克30%过氧化氢溶液,再滴加调节剂,使其pH分别从3依次调至13,在60℃反应温度下进行实验,获得数据如图乙。
(1)氧气能用排水法收集,是因为________ 。
科学浙教版第2节 氧化和燃烧课时作业: 这是一份科学浙教版第2节 氧化和燃烧课时作业,文件包含八下尖子生培优专题3测定氧气含量答案docx、八下尖子生培优专题3测定氧气含量原题docx等2份试卷配套教学资源,其中试卷共23页, 欢迎下载使用。
浙教版八年级下册第3章 空气与生命第4节 二氧化碳练习题: 这是一份浙教版八年级下册第3章 空气与生命第4节 二氧化碳练习题,文件包含八下尖子生培优专题2二氧化碳制取与收集答案docx、八下尖子生培优专题2二氧化碳制取与收集原题docx等2份试卷配套教学资源,其中试卷共25页, 欢迎下载使用。
初中科学浙教版八年级下册第1节 空气与氧气达标测试: 这是一份初中科学浙教版八年级下册第1节 空气与氧气达标测试,文件包含八下尖子生培优31下空气与氧气解析docx、八下尖子生培优31下空气与氧气原题docx等2份试卷配套教学资源,其中试卷共19页, 欢迎下载使用。

