












高中化学人教版 (2019)选择性必修1第二节 电解池教课内容课件ppt
展开
这是一份高中化学人教版 (2019)选择性必修1第二节 电解池教课内容课件ppt,文件包含选择性必修1第四章第二节第2课时电解原理的应用-教学课件pptx、选择性必修1第四章第二节第2课时电解原理的应用-教学设计docx、选择性必修1第四章第二节第2课时电解原理的应用-学案docx、选择性必修1第四章第二节第2课时电解原理的应用-作业docx等4份课件配套教学资源,其中PPT共15页, 欢迎下载使用。
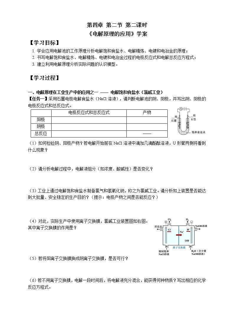
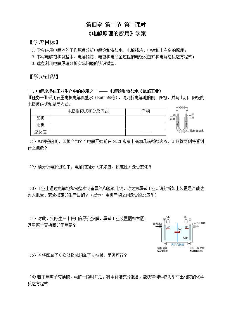
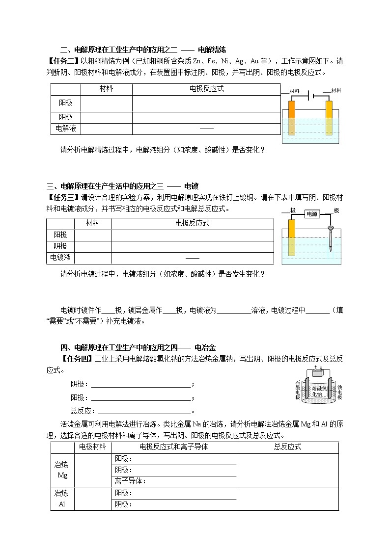
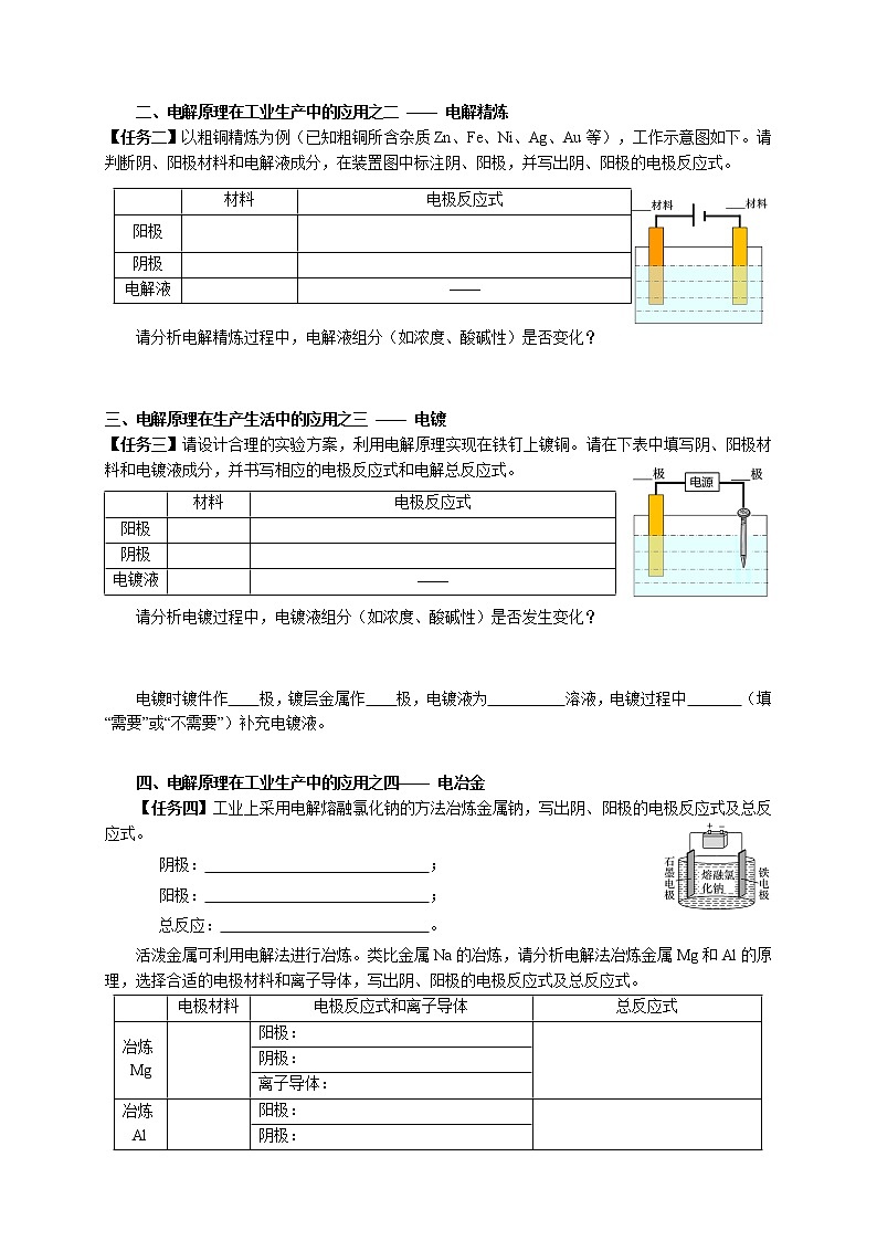
第四章 第二节 第二课时《电解原理的应用》学案【学习目标】1. 学会应用电解池的工作原理分析电解饱和食盐水、电解精炼、电镀和电冶金的原理;2. 书写电解饱和食盐水、电解精炼、电镀和电冶金过程的电极反应式和电解总反应方程式;3. 建立利用电解原理分析实际问题的认识模型。【学习过程】一、电解原理在工业生产中的应用之一 —— 电解饱和食盐水(氯碱工业)【任务一】采用石墨电极电解食盐水(NaCl溶液),请判断电解池的阴、阳极,并写出阴、阳极的电极反应式和总反应式。 电极反应式和总反应式产物阳极 阴极 总反应 ——(1)如何检验阴、阳极产物?若电解开始前在NaCl溶液中滴加几滴酚酞溶液,U形管两侧将看到什么现象? (2)请分析电解过程中,电解液组分(如浓度、酸碱性)是否变化? (3)工业上通过电解饱和食盐水制备氯气和氢氧化钠,称之为氯碱工业。请分析如上装置是否能达到大批量、安全稳定的生产目的?(提示:电极产物之间是否能反应?) (4)对此,实际生产中使用离子交换膜,氯碱工业装置图如右图。其中离子交换膜的作用是? (5)若将阳离子交换膜换成阴离子交换膜,是否可行? (6)若不用离子交换膜,电解一段时间后,将电解液充分混合,能获得何种物质?写出相应的化学反应方程式。 二、电解原理在工业生产中的应用之二 —— 电解精炼【任务二】以粗铜精炼为例(已知粗铜所含杂质Zn、Fe、Ni、Ag、Au等),工作示意图如下。请判断阴、阳极材料和电解液成分,在装置图中标注阴、阳极,并写出阴、阳极的电极反应式。 材料电极反应式阳极 阴极 电解液 ——请分析电解精炼过程中,电解液组分(如浓度、酸碱性)是否变化? 三、电解原理在生产生活中的应用之三 —— 电镀【任务三】请设计合理的实验方案,利用电解原理实现在铁钉上镀铜。请在下表中填写阴、阳极材料和电镀液成分,并书写相应的电极反应式和电解总反应式。 材料电极反应式阳极 阴极 电镀液 ——请分析电镀过程中,电镀液组分(如浓度、酸碱性)是否发生变化? 电镀时镀件作 极,镀层金属作 极,电镀液为 溶液,电镀过程中 (填“需要”或“不需要”)补充电镀液。四、电解原理在工业生产中的应用之四—— 电冶金【任务四】工业上采用电解熔融氯化钠的方法冶炼金属钠,写出阴、阳极的电极反应式及总反应式。阴极: ; 阳极: ;总反应: 。活泼金属可利用电解法进行冶炼。类比金属Na的冶炼,请分析电解法冶炼金属Mg和Al的原理,选择合适的电极材料和离子导体,写出阴、阳极的电极反应式及总反应式。 电极材料电极反应式和离子导体总反应式冶炼Mg 阳极: 阴极:离子导体:冶炼Al 阳极: 阴极:离子导体:五、随堂练习1. 下列叙述错误的是( )A.生铁中含有碳,抗腐蚀能力比纯铁弱B.用锡焊接的铁质器件,焊接处易生锈C.在铁制品上镀铜时,镀件为阳极,铜盐为电镀液D.铁管上镶嵌锌块,铁管不易被腐蚀2. 利用电解法可将含有Fe、Zn、Ag、Pt等杂质的粗铜提纯,下列叙述正确的是( )A. 电解时以精铜作阳极B.电解时阳极发生还原反应C.粗铜连接电源负极,其电极反应是Cu = Cu2+ + 2e-D.电解后,电解槽底部会形成含少量Ag、Pt等金属的阳极泥( )3. 下列描述中,不符合生产实际的是( )A.电解熔融的氧化铝制取金属铝,用铁作阳极B.电解法精炼粗铜,用纯铜作阴极C.在冶金工业上,常用电解法制取钠、镁、铝等金属D.在镀件上电镀锌,用锌作阳极4. 下列关于电解氯化钠水溶液(两根石墨棒作电极)的叙述正确的是( )A. 若在阴极附近的溶液中滴入酚酞溶液,溶液呈无色B. 若在阳极附近的溶液中滴入KI溶液,溶液呈棕黄色C. 电解时在阳极得到氯气,在阴极得到金属钠D. 电解一段时间后,将全部电解液转移到烧杯中,充分搅拌后溶液呈中性5. 关于下列各图的说法中,正确的是( )A.①中阴极处能产生使湿润淀粉KI试纸变蓝的气体 B.②中待镀铁制品应与电源正极相连C.③中电子由b极流向a极 D.④中的离子交换膜可以避免生成的Cl2与NaOH溶液反应【学习效果】一、单项选择题I1.下列关于电解槽的叙述中不正确的是( )A.与电源正极相连的是电解槽的阳极B.在电解槽的阴极发生还原反应C.溶液中的阳离子移向电解槽的阴极D.电子从电源的负极沿导线流入阴极2.下列物质不属于氯碱工业产品的是( )A.液氯 B.盐酸 C.乙烯 D.漂白粉3. 关于电镀铜和电解精炼铜,下列说法中正确的是( )A. 都用粗铜做阳极、纯铜做阴极B. 电解液的成分都保持不变C. 阳极反应都只有Cu-2e-===Cu2+D. 阴极反应都只有Cu2++2e-===Cu4.下列关于金属冶炼的说法正确的是( )A.由于Al的活泼性强,故工业上采用电解熔融AlCl3的方法生产AlB.可以用钠加入氯化镁溶液中制取镁C.电解饱和食盐水可以制备金属钠D.金属冶炼的方法由金属的活泼性决定 5. 如图为电解饱和食盐水的简单装置,下列有关说法正确的是( )A. 电解一段时间后,向蛋壳内的溶液中滴加几滴酚酞,呈红色B. 蛋壳表面缠绕的铁丝上发生氧化反应C. 铁丝表面生成的气体能使湿润的淀粉碘化钾试纸变蓝D. 蛋壳可阻止生成的氯气与氢气、氢氧化钠溶液接触6. 利用如图所示装置可实现在铜牌表面电镀一层银。下列有关说法正确的是( )A. 通电后,Ag+向阳极移动B. 银片与电源负极相连C. 该电解池的阴极反应可表示为Ag++e-===AgD. 当电镀一段时间后,将电源反接,铜牌可恢复如初7. 如图A为直流电源,B为浸透饱和NaCl溶液和酚酞溶液的滤纸,C为电镀槽,接通电路后发现B上的c点显红色,为实现铁上镀铜,接通K后,使c、d两点短路,下列叙述正确的是( )A. a为直流电源的负极B. c极上发生的反应为2H++2e-===H2↑C. f电极为铜板D. e极发生还原反应二、单项选择题II8. 一种电解法合成氨的装置如图所示,该法采用高质子导电性的SCY陶瓷,用吸附在它内外表面上的金属Pd多晶薄膜做电极,实现了570 ℃、常压下高转化率合成氨。下列叙述正确的是( )A.阴极的电极反应式为 N2+8H++6e-===2NHB.该装置工作时,H+从a极区向b极区迁移C.每生成1 mol NH3,有3 g H2被氧化D.该装置实现了在常温常压下高转化率合成氨9.我国科研团队开发了一种新型铠甲催化剂Ni/Co@石墨烯,可以高效去除合成气中的H2S杂质并耦合产氢,其工作原理如图所示。下列说法错误的是( )A.铠甲催化剂电极上的电势高于M电极上的电势B.阴极的电极反应式为2H++2e-=H2↑C.通电后,阳极区溶液的pH值降低D.生成H2和Sx的物质的量之比为1:x三、非选择题10. 如图,C、D、E、F、X、Y都是惰性电极,将电源接通后,向乙中滴入酚酞溶液,在F极附近显红色。试回答下列问题:(1)A极为电源的____极。 (2)甲装置中电解反应的总化学方程式是____________________。 (3)乙装置中F极附近显红色的原因是______________________。(4)欲用丙装置精炼铜,G应该是_______(填“精铜”或“粗铜”),电解质溶液是________。(5)已知氢氧化铁胶体中含有带正电荷的红褐色胶粒,那么装置丁中的现象是___________________。
相关课件
这是一份人教版 (2019)选择性必修1第二节 电解池图文课件ppt,共41页。PPT课件主要包含了拓展延伸,方法技巧等内容,欢迎下载使用。
这是一份化学第二节 电解池图文ppt课件,共39页。PPT课件主要包含了拓展延伸,特别提醒等内容,欢迎下载使用。
这是一份高中化学人教版 (2019)选择性必修1第二节 电解池授课课件ppt,共10页。PPT课件主要包含了学习目标,电解饱和食盐水,电镀与电解精炼,电镀铜与精炼铜的比较,电冶金等内容,欢迎下载使用。