2022年中考化学复习大题强化练习——制取气体的反应原理的探究
展开
这是一份2022年中考化学复习大题强化练习——制取气体的反应原理的探究,共16页。试卷主要包含了实验室制取气体的一般思路和方法等内容,欢迎下载使用。
2022年中考化学复习大题强化练习《制取气体的反应原理的探究》
1、某兴趣小组同学在老师的指导下进行了一系列探究实验。
【探究活动一】探究二氧化碳的制取原理
(1)选用药品,按下表进行实验,取等质量的大理石加入足量酸中(杂质不与酸反应),产生二氧化碳体积随时间变化曲线如图1所示:
实验编号
药品
Ⅰ
块状大理石、10%盐酸溶液
Ⅱ
块状大理石、10%硫酸溶液
Ш
大理石粉末、10%盐酸溶液
表中实验Ⅱ对应如图1曲线 (选填“甲”或“乙”或“丙”),小组同学决定用实验 的药品制取二氧化碳气体,反应的化学方程式为 ,不用实验Ⅲ药品制备二氧化碳的原因是 。
【探究活动二】探究能否用排水法收集二氧化碳
【实验一】利用图2装置分别用排气法和排水法收集一瓶二氧化碳(导管内空气忽略不计)。
(2)实验前需先将甲装置中的空气排尽,使其充满二氧化碳。其操作是:关闭止水夹K1和 ;打开止水夹,打开活塞,滴加适量稀盐酸,一段时间后检验空气已排尽的方法是 。
(3)将丁与甲相连,可以用排气法收集二氧化碳气体,管口连接顺序是c与相连 (填“a”或“b”)
排水法收集气体:关闭K1、K2打开K3,滴入稀盐酸并开始计时,待水排尽,用时28秒。
排气法收集气体:关闭K2、K3,打开K1,滴入稀盐酸并开始计时,待空气排尽,用时15秒。
【实验二】用氧气传感器分别测定排空气法和排水法收集的两瓶二氧化碳气体中氧气的体积分数(图3)(两种方法收集二氧化碳气体中的氧气均来自于空气,气体溶于水的量忽略不计),则:
(4)两种方法收集的气体中二氧化碳体积分数的差值是 。
(5)根据图3数据分析可推知实验一收集气体前甲装置中的空气 (填“有”或“没有”)排尽。
(6)根据图3数据可求得:用排水法收集的气体中二氧化碳的体积分数为 。
(7)综上分析,实验室 (填“能”或“不能”)用排水法收集二氧化碳。
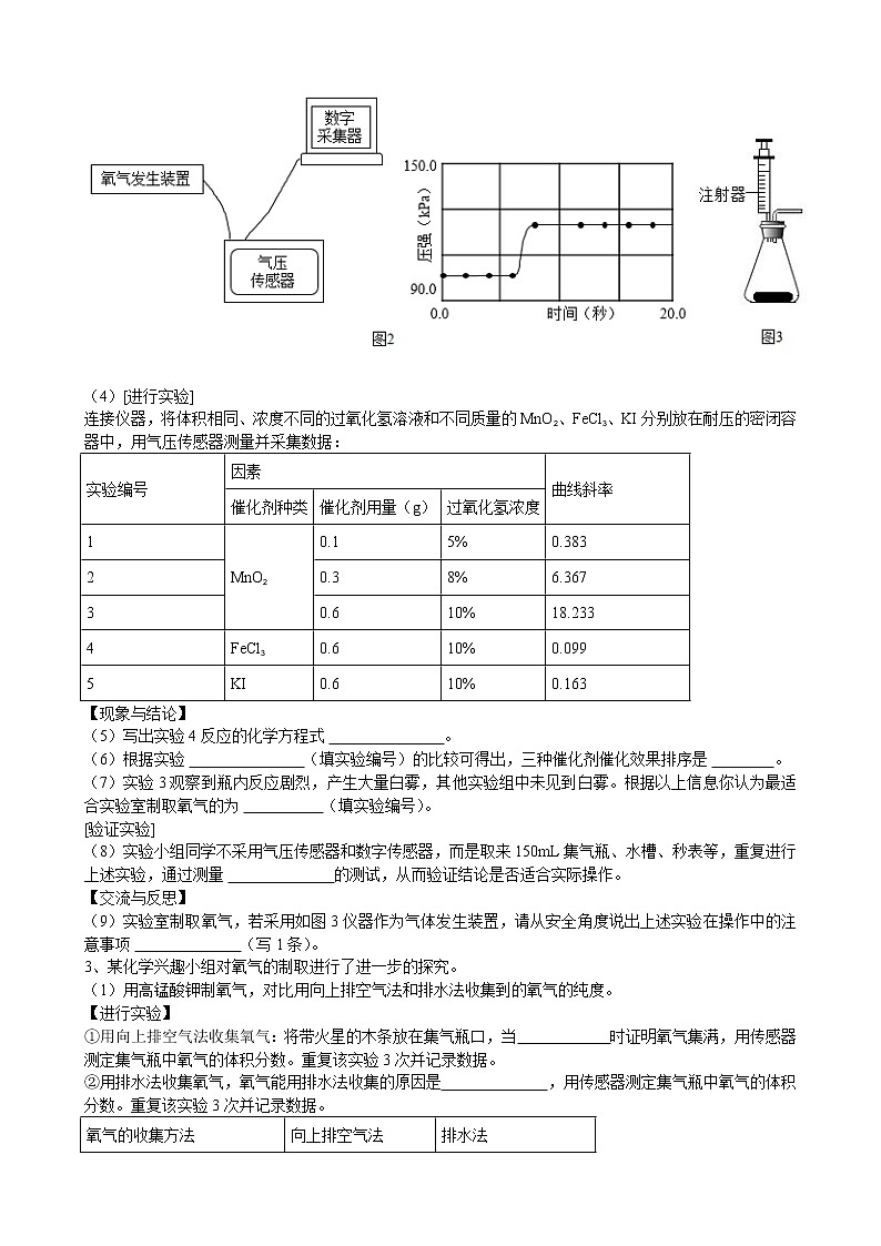
2、化学兴趣小组在实验室用氯酸钾和二氧化锰混合加热制取氧气进行探究。
实验一:氧气制取和性质实验。
现有如图1装置:
(1)图D中用于收集气体的仪器是 。
(2)用E装置收集氧气,发现气泡从集气瓶外冒出说明已经收集满了,接下去的操作是 。
(3)实验室用氯酸钾制氧气的化学方程式为 ,应选用的发生装置是 (用图中的序号,下同)和收集装置 。
实验二:化学实验研究小组以“过氧化氢制取氧气的最佳条件”为课题并进行实验验证。
【查阅资料】
①MnO2、FeCl3、KI都可以作H2O2分解的催化剂。
②气压传感器能描绘出密闭容器中压强随时间的变化曲线(如图2)。曲线斜率越大,说明过氧化氢分解速度越快,则该条件对过氧化氢分解速率影响越大。
(4)[进行实验]
连接仪器,将体积相同、浓度不同的过氧化氢溶液和不同质量的MnO2、FeCl3、KI分别放在耐压的密闭容器中,用气压传感器测量并采集数据:
实验编号
因素
曲线斜率
催化剂种类
催化剂用量(g)
过氧化氢浓度
1
MnO2
0.1
5%
0.383
2
0.3
8%
6.367
3
0.6
10%
18.233
4
FeCl3
0.6
10%
0.099
5
KI
0.6
10%
0.163
【现象与结论】
(5)写出实验4反应的化学方程式 。
(6)根据实验 (填实验编号)的比较可得出,三种催化剂催化效果排序是 。
(7)实验3观察到瓶内反应剧烈,产生大量白雾,其他实验组中未见到白雾。根据以上信息你认为最适合实验室制取氧气的为 (填实验编号)。
[验证实验]
(8)实验小组同学不采用气压传感器和数字传感器,而是取来150mL集气瓶、水槽、秒表等,重复进行上述实验,通过测量 的测试,从而验证结论是否适合实际操作。
【交流与反思】
(9)实验室制取氧气,若采用如图3仪器作为气体发生装置,请从安全角度说出上述实验在操作中的注意事项 (写1条)。
3、某化学兴趣小组对氧气的制取进行了进一步的探究。
(1)用高锰酸钾制氧气,对比用向上排空气法和排水法收集到的氧气的纯度。
【进行实验】
①用向上排空气法收集氧气:将带火星的木条放在集气瓶口,当 时证明氧气集满,用传感器测定集气瓶中氧气的体积分数。重复该实验3次并记录数据。
②用排水法收集氧气,氧气能用排水法收集的原因是 ,用传感器测定集气瓶中氧气的体积分数。重复该实验3次并记录数据。
氧气的收集方法
向上排空气法
排水法
氧气的体积分数/%
79.7
79.6
79.9
90.0
89.8
89.3
氧气的平均体积分数/%
79.7
89.7
【实验分析】不考虑操作失误的因素,用排水法也收集不到纯净的氧气,其主要原因是 。
(2)写出实验室用过氧化氢溶液制取氧气的化学方程式 。
(3)某同学将如图1装置的长颈漏斗换成分液漏斗,这样做的优点是 。
(4)实验室里制取气体的一般思路和方法:
①选择适当的反应,包括 ;
②选择合适的 ;
③ 。
(5)某化学兴趣小组借助氧气传感器探究微粒的运动,数据处理软件可以实时绘出氧气体积分数随时间变化的曲线。收集一塑料瓶氧气进行以下三步实验:①敞口放置;②双手贴在塑料瓶外壁上;③将塑料瓶的瓶口朝下,三步实验中测得氧气的体积分数随时间变化的曲线依次为图2中的MN段、NP段和PQ段。
①能够说明氧气分子不断运动的曲线是 ;
A.MN段
B.NP段
C.PQ段
②MN段和NP段相比较,说明 ;
③随着实验的进行,传感器测出氧气的体积分数约为 时几乎不再变化。
【拓展探究】同学们在老师的指导下设计实验继续探究。向另两支试管分别加入等质量不同浓度的H2O2溶液,再加上等质量、等浓度的FeCl3溶液,分别用气压传感器测定两试管中气压变化曲线,见图3、图4。请你思考:
Ⅰ.保证实验的准确性,请你设计向两试管中加入FeCl3溶液的具体方法 ;
Ⅱ.请你从曲线中找出FeCl3溶液对H2O2溶液分解影响的一条规律性结论 。
4、某研究小组对过氧化氢溶液制取氧气进行如下探究:
【实验一】氧气制取和性质实验。现有如图1装置:
(1)实验室用过氧化氢溶液制氧气的化学方程式为 ,应选择的发生装置是 (填标号,下同),收集装置是 或 。实验室用此套发生装置制取CO2时发生反应的化学方程式为 。
(2)检查B装置气密性的操作是 。
(3)用收集的氧气进行“铁丝在氧气中燃烧”的实验,观察到的现象是 ,反应的化学方程式为 。
【实验二】探究H2O2质量分数、温度对反应速率的影响。
设计如下表实验方案:
实验序号
H2O2质量分数/%
温度/℃
每分钟气泡数
(1)
30
30
(2)
30
20
(3)
15
30
实验(1)和(2)的实验目的是 ,实验(1)和(3)的实验目的是 。
【实验三】探究制取氧气的适宜催化剂。
实验方案如下:
Ⅰ.用等质量的MnO2、CuO、Fe2O3、Cr2O3四种催化剂粉末分别与海藻酸钠溶液混合,滴入氯化钙溶液制成颗粒表面积相同的海藻酸钠微球,备用。
Ⅱ.取30粒含MnO2的海藻酸钠微球,采用图2装置进行实验。改用其他三种微球,分别重复上述实验,得到图3的锥形瓶内压强随时间变化的曲线图。
(1)每次实验时,海藻酸钠微球数应相同的原因 。
(2)用含MnO2的海藻酸钠微球进行实验,60s时压强瞬间回落,其原因是 。
(3)从实验曲线看,催化效果较好、反应温和的催化剂是 。
5、小明进行H2O2溶液制O2的实验探究。结合下列过程,回答有关问题。
(1)MnO2作催化剂向5 mL 5%的H2O2溶液中加入少量MnO2,立即产生大量气泡。
①写出用H2O2溶液制备O2的化学方程式: 。
②用上述反应原理制备并收集一瓶干燥的O2,从所给装置图中选择并组装一套装置,其连接顺序为
→ → (填序号)。 为了确保实验成功,在装药品之前应该 。
③检验O2的方法是 。若木条复燃,则证明收集的气体为O2。
(2)FeCl3溶液作催化剂向5 mL 59%的H2O2溶液中加入2滴定浓度的FeCl3溶液,立即产生大量气泡。
【已知】FeCl3溶液中主要含有三种微粒:H2O、Fe3+、Cl-
【问题】哪种微粒对H2O2溶液的分解起催化作用?
【假设】假设一:可能是H2O
假设二:可能是Fe3+
假设三:可能是Cl-
【分析】]假设一不可能成立,理由是 。
【实验】
操作
现象
其他条件不变,向H2O2溶液中加入NaCl溶液
无明显变化
其他条件不变,向H2O2溶液中加入Na2SO4溶液
无明显变化
其他条件不变,向H2O2溶液中加入Fe2(SO4)3溶液
立即产生大量气泡
【结论】假设 成立,而假设一和另一种假设不成立。
(3)催化剂比较
从循环利用的角度分析, (填化学式)更适合作该反应的催化剂。
(4)从第(1)题所给装置图中选择并组装一套装置用于实验室制备 二氧化碳,反应装置是 ,收集装置是 ,其反应的化学方程式 。
6、水产养殖经营业经常用到“鱼浮灵”,某品牌“鱼浮灵”的主要成分是过氧化钙。刚学完氧气的实验室制法,兴趣小组的同学想可否用“鱼浮灵”实验室制取氧气。在老师的指导下,他们进行了探究:
【查阅资料】
Ⅰ.过氧化钙(CaO2)固体室温下稳定,300°C 时分解成氧气和氧化钙(CaO),可做增氧剂、杀菌剂。
Ⅱ.过氧化钙固体与水反应生成氧气,增加鱼池中的含氧量。
【猜想与论证】(1)小明根据过氧化钙(CaO2)中含有氧元素,提出猜想Ⅰ。
猜想Ⅰ:加热过氧化钙可制取氧气
【实验装置】利用加热过氧化钙固体制取氧气时,可以选用的发生装置为 (填序号)。
【实验过程】
①检查 。操作如下:先将导管伸入液面下,用手紧握试管,观察到 ,松开手后,有液体进入导管。
②将过氧化钙加入试管中,加热,导管口有大量气泡冒出。
③收集一瓶气体。小明选择装置 E 收集氧气,能用该方法收集氧气的原因是 。收集时,观察到气泡 时开始收集,氧气收集完毕时的正确操作顺序是 (填写序号)。
A.盖上玻璃片
B.正放在实验台上
C.取出集气瓶
如使用向上排空气法收集氧气,验满的方法是 。
④停止加热。熄灭酒精灯前,应先 ,防止 。
【实验结论】通过上述实验证明,加热过氧化钙可制取氧气。
小组同学联想到工人用过氧化钙增加鱼池中的含氧量,提出猜想Ⅱ。
猜想Ⅱ:用过氧化钙与水反应可制取氧气。
【实验过程】加入过氧化钙和水后,有少量细小气泡缓慢放出,在导管口几乎看不到气体。该装置放置到第二天,集气瓶中只收集到极少量气体,振荡试管后仍有少量细小气泡缓慢放出。
【实验结论】通过上述实验证明,实验室在常温条件下 (填“能”或“不能”)用过氧化钙与水反应制取氧气。
【反思与评价】实验证明过氧化钙在水中可持续、缓慢放出氧气,欲使过氧化钙与水反应的速率加快,你的建议是 。
7、实验室制取气体的一般思路和方法:选择适当的反应,包括反应物和反应条件;选择合适的实验装置;验证所制得的气体。
Ⅰ.选择药品
若要实验室制取二氧化碳,小明对三组药品进行了探究,实验记录如下:
组别
药品
实验现象
①
块状石灰石和稀盐酸
产生气泡的速率适中
②
块状石灰石和稀硫酸
产生气泡速率缓慢并逐渐停止
③
碳酸钠粉末和稀盐酸
产生气泡速率很快
小明和同学分析比较,认为实验室制取二氧化碳最佳药品应选择第 组,请写出第③组反应的化学方程式为 。
Ⅱ.选择实验装置
(1)仪器a的名称为 ,实验室用高锰酸钾制取氧气的发生装置是 (填装置字母号),该反应的化学方程式为 。
(2)选择气体收集方法时,必须考虑气体的 (填序号)。
①颜色 ②密度和溶解性 ③可燃性
Ⅲ.进行实验
小明又选择连接A、F、G进行实验分别验证氧气和二氧化碳的性质,A中所加药品不同,G中所加药品相同,都为澄清石灰水。
①若实验时F中蜡烛燃烧更旺,则A中产生的气体是 。
②若实验时F中蜡烛熄灭,G中溶液变浑浊,则G中反应的化学方程式为 。
③小明进行实验时发现,G中烧杯中饱和石灰水先变浑浊,后逐渐澄清。
为探究“澄清石灰水先变浑浊后变澄清的原因”,小明同学开展了如下活动:
【查阅文献】
(1)碳酸钙与二氧化碳、水反应生成可溶于水的碳酸氢钙;
(2)盐酸挥发出的HCl可与碳酸钙反应生成可溶于水的氯化钙;
(3)饱和NaHCO3溶液可以吸收HCl不吸收CO2。
【提出假设】
假设1:稀盐酸挥发出的HCl使浑浊变澄清;
假设2: 。
【设计实验】为除去生成CO2中的HCl,小华在F、G装置之间增加H装置如图2,其中存放的试剂是饱和NaHCO3溶液,装置的连接顺序是F→ →G(填字母序号)。
【实验现象】饱和石灰水浑浊后,继续通入足量CO2,沉淀溶解,溶液变澄清。
【实验结论】由以上探究可得出结论是 。
8、某兴趣小组要做一氧化碳还原氧化铁的实验时,发现教材中没有说明一氧化碳的来源。于是,他们打算自己制备一氧化碳。
【提出问题】实验室如何制备一氧化碳?
【猜想与假设】
甲同学:利用木炭不完全燃烧制备一氧化碳。
乙同学:利用碳与二氧化碳在高温条件下反应制备一氧化碳。
丙同学认为以上两位同学的猜想与假设不合理,理由是 。
【查阅资料】
在60~80℃和浓硫酸作用下,甲酸(HCOOH)分解生成一氧化碳和另一种氧化物,此反应的化学方程式是 。
【设计并实验】小组同学采用如图装置进行实验:
(1)确保装置气密良好后,实验开始时,先点燃 处(填字母)的酒精灯。
(2)实验现象:A处试管内有 产生,C处澄清石灰水变 。
(3)B处一氧化碳和氧化铁反应的化学方程式是 。
(4)结束实验时因为操作不当发生澄清石灰水倒吸,应急的措施是 。
【反思与评价】他们在老师的帮助下,实验装置改成如图:
(1)指出D装置的两个作用: 、 。
(2)不拆开装置,检验产物中含有铁的操作方法是 。
(3)该装置存在的不足之处是 (写一点)。
9、某研究小组在实验室制取二氧化碳的研究中发现,通常不选用大理石与稀硫酸反应制取二氧化碳,其原因是反应生成硫酸钙微溶物覆盖在固体的表面,阻碍了大理石与稀硫酸的接触,反应速率逐渐减慢甚至停止。为此,该小组进行了两个课题研究。
准备的药品有:浓度分别为15%、20%、25%、30%、35%的硫酸溶液;直径分别约为1mm、2mm、3mm、4mm、5mm的大理石若干。
【实验一】研究课题:(请在下面的问题中回答)
操作:在28℃时,用装有5mL硫酸溶液的注射器向盛有1g直径为2mm大理石的大试管中注入硫酸,记录15分钟内生成气体的体积,见表:
试管编号
1
2
3
4
5
硫酸浓度(%)
15
20
25
30
35
气体体积(mL)
35
47
55
51
42
【实验二】研究课题:选择合适的反应温度能否使反应顺利进行。
操作:往盛有1g直径为2mm大理石的大试管中分别加入5mL相同合适浓度而不同温度的硫酸溶液,观察反应的情况,记录如表:
试管编号
A
B
C
D
E
温度(℃)
40
50
60
70
80
现象和比较
有少量气泡
气泡明显比B号试管多
大量气泡产生,与常温用盐酸反应相似
反应激烈,迅速产生大量气体
请回答下列问题:
(1)“实验一”的研究课题是 。
(2)稀硫酸与大理石反应,在28℃时,选用硫酸的浓度最合适为 %。
(3)“实验二”试管B中观察到的实验现象为 。
(4)在合适的硫酸浓度下,应选择最合适的反应温度为 ℃;温度高于该温度对反应的影响是 。
(5)除选合适温度和浓度的硫酸之外,在反应过程中,为防止微溶物硫酸钙覆盖在大理石上,应增加的操作是 ,更有利气体的制备。
(6)利用上面所提供的药品,我们还可以研究 对该反应速率的影响,请你设计实验简述实验步骤:(如果需要控制变量,要求体现出变量和不变量的数据) 。
10、化学实验研究小组以“过氧化氢制取氧气的最佳条件”为课题并进行实验验证。
【查阅资料】
①MnO2、FeCl3、KI都可以作H2O2分解的催化剂;
②气压传感器能描绘出密闭容器中压强随时间的变化曲线(如图2)。曲线斜率越大,说明过氧化氢分解速度越快,则该条件对过氧化氢分解速率影响越大。
【进行实验】
连接仪器, ;将体积相同、浓度不同的过氧化氢溶液和不同质量的MnO2、FeCl3、KI分别放在耐压的密闭容器中,用气压传感器测量并采集数据:
实验号
因素
曲线斜率
催化剂种类
催化剂用量(g)
过氧化氢浓度
1
MnO2
0.1
5%
0.383
2
0.3
8%
6.367
3
0.6
10%
18.233
4
FeCl3
0.6
10%
0.099
5
KI
0.6
10%
0.163
【现象与结论】(1)写出装置中反应的化学方程式 。
(2)三种催化剂催化效果排序是 。
(3)实验3观察到瓶内反应剧烈,产生大量白雾,其他实验组中未见到白雾。根据以上信息你认为最适合实验室制取氧气的为 (填实验号)。
【验证实验】实验小组同学,不采用气压传感器和数字传感器,而是取来150mL集气瓶、水槽、秒表等,重复进行上述实验,通过 的测试,从而验证结论是否适合实际操作。
【交流与反思】若用图3仪器作为气体发生装置,请从安全角度说出。上述实验操作中的注意事项 (写1条)。
11、在老师的指导下,小华和小明利用如图1所示装置对氯酸钾制氧气进行深入的探究学习。
【查阅资料】
①氯酸钾的熔点约为356℃,二氧化锰的分解温度约为535℃。用酒精灯给物质加热,受热物质的温度一般约为400℃左右;
②不同配比是指氯酸钾和二氧化锰混合物中,氯酸钾和二氧化锰的质量比;
③氯酸钾分解时,传感器得到氧气浓度随温度的变化示意图(图2)及不同配比时氧气浓度随温度的变化示意图(图3)如图:
请回答问题:
(1)分析图2,氯酸钾分解温度 (填“高于”、“等于”或“低于”)其熔点。图1中加热氯酸钾试管口向上倾斜的原因 。
(2)分析图2,在氯酸钾分解前,传感器得到氧气浓度降低的可能原因是 。
(3)分析图3,氯酸钾分解温度随物质配比变化的规律是 ,当物质配比为1:2时,氯酸钾分解温度约为 ℃。
(4)为证实二氧化锰的催化作用,小华利用如图4装置进行如表所示的实验:
步骤
实验操作
实验现象
Ⅰ
检查气密性。
/
Ⅱ
分别在“Y”形管两侧支管中加入少量二氧化锰和氯酸钾,塞紧橡皮塞。
/
Ⅲ
分别用酒精灯先后加热二氧化锰和氯酸钾,用带火星木条放在导管口。
加热左侧支管,可观察到 ,
加热右侧支管,可观察到 。
Ⅳ
冷却后,将“Y”形管左侧支管中部分二氧化锰混入右侧支管中,振荡“Y”形管,加热,用带火星木条放在导管口。
加热时间短于步骤Ⅲ,木条很快复燃
请回答:
①完善步骤Ⅲ中的填空:加热左侧支管,可观察到 ,加热右侧支管,可观察到 。
②步骤Ⅳ中,将二氧化锰与右侧支管有余热的氯酸钾均匀混到一起的目的 。
③小华认为根据步骤Ⅳ的实验现象就能说明二氧化锰是氯酸钾分解的催化剂,但小明不同意她的观点,小明认为还需证明在此反应中二氧化锰的 和 不变。后来在老师的指导下,小华完善了实验方案,最终验证了自己的结论 。
参考答案
1、(1)丙;Ⅰ;CaCO3+HCl→CaCl2+H2O+CO2;反应速率太快,不易控制;
(2)K3;在K2口放一根燃着的木条,木条熄灭;
(3)a;
(4)16.5%;
(5)没有;
(6)87.5%;
(7)能。
2、(1)集气瓶。
(2)移出导管,熄灭酒精灯。
(5)2H2O22H2O+O2↑。
(6)3,4,5;MnO2>KI>FeCl3。
(7)2。
(8)收集150mL氧气所需时间。
(9)缓慢加入过氧化氢溶液。
3、(1)【进行实验】①带火星的木条复燃;
②常温常压下,氧气不易溶于水且不与水反应;
【实验分析】排水法收集的氧气中混有水蒸气;
(2)2H2O22H2O+O2↑;
(3)可以控制液体滴加速率,控制反应速率,获得平稳气流;
(4)反应物和反应条件;实验装置;验证所制得的气体;
(5)①A;②温度越高,微粒运动速率越快;③21%;
【拓展探究】①分别用注射器吸取等量、等浓度的FeCl3溶液同时注入两支试管中;
②FeCl3溶液能加快H2O2溶液的分解(或FeCl3溶液对浓度大H2O2溶液分解促进效果更好)。
4、【实验一】(1)2H2O22H2O+O2↑;B;D;E; CaCO3+2HCl═CaCl2+H2O+CO2↑;
(2)用止水夹夹住橡胶管,往长颈漏斗加水形成一段水柱,观察水柱的变化;
(3)火星四射,生成黑色固体;3Fe+2O2Fe3O4;
【实验二】探究溶液温度对反应速率的影响;探究溶液质量分数对反应速率的影响;
【实验三】(1)保证催化剂用量一致;
(2)(产生气体的速率过快,导致气压过大),橡皮塞被弹出;
(3)CuO。
5、(1)①2H2O22H2O+O2↑;
②B;C;E;检查装置的气密性;
③将带火星的木条伸入集气瓶中;
(2)【分析】过氧化氢溶液中的溶剂是水,含有水分子;
【结论】二;
(3)MnO2;
(4)B;E;CaCO3+2HCl=CaCl2+H2O+CO2↑。
6、猜想Ⅰ
【实验装置】
A;
【实验过程】
①装置气密性;导管口有气泡冒出;
②氧气不易溶于水且不与水反应;连续均匀冒出;ACB;将带火星木条置于瓶口,如果木条复燃,表明已集满;
③将导管移出水面;防止水倒吸入试管底部,使试管炸裂;
猜想Ⅱ
【实验结论】
不能;
【反思与评价】
加热(或选择合适催化剂)
7、I、①;Na2CO3+2HCl=2NaCl+H2O+CO2↑;
II、(1)试管;B;2KMnO4K2MnO4+MnO2+O2↑;
(2)②;
III、①O2;②Ca(OH)2+CO2=CaCO3↓+H2O;
假设2:不溶性碳酸钙与二氧化碳、水反应生成可溶性的碳酸氢钙;
【设计实验】b→a;
【实验结论】不溶性的碳酸钙与二氧化碳、水反应生成可溶性的碳酸氢钙,使浑浊变澄清。
8、【猜想与假设】不易收集到纯净的一氧化碳且条件难以达到
【设计并实验】
(1)D;
(2)无色气泡;变浑浊;
(3)Fe2O3+3CO2Fe+3CO2
(4)立即用止水夹夹住B、C装置之间的胶皮管;
【反思与评价】
(1)检验二氧化碳;收集一氧化碳尾气;
(2)用磁铁吸引产物,并将其移动到A处混合液中
(3)装置比较复杂。
9、(1)不同硫酸浓度对反应速率的影响。
(2)25。
(3)有较多气泡。
(4)70;反应过快,不利于气体收集。
(5)振荡。
(6)大理石的形状;在相同温度下,往两支试管中加入相同浓度和体积硫酸,分别加入相同质量的大理石,一支试管加入块状大理石,一支试管加入粉末状大理石,记录相同时间内收集气体的体积。
10、【进行实验】检查装置气密性;
(1)2H2O2 2H2O+O2↑;
(2)MnO2>KI>FeCl3;
(3)实验2;
【验证实验】收集150mL气体所需时间;
【交流与反思】滴加液体速度不宜过快(或药品用量不宜过大)。
11、(1)高于;防止氯酸钾熔化后流向试管口;
(2)试管内气压增大,排出一部分空气,使氧气浓度降低;
(3)物质配比越大,氯酸钾分解温度越高:70;
(4)①带火星的木条不复燃;木条较长时间才能复燃;
②探究二氧化锰是否能加快氯酸钾的分解速率;
③质量;化学性质。
相关试卷
这是一份初中化学中考复习 中考化学总复习主题五科学探究课时训练14气体的制取和净化练习,共7页。
这是一份中考化学复习专题:常见气体的制取,共5页。试卷主要包含了教学目标,内容与学情分析,教学重点,教学流程图,教学流程等内容,欢迎下载使用。
这是一份2022年中考化学实验探究《制取气体的反应原理的探究》带答案,共16页。试卷主要包含了实验室制取气体的一般思路和方法等内容,欢迎下载使用。

