搜索
    上传资料 赚现金
    英语朗读宝

    2022年中考化学专题复习气体制取反应原理的探究

    2022年中考化学专题复习气体制取反应原理的探究第1页
    2022年中考化学专题复习气体制取反应原理的探究第2页
    2022年中考化学专题复习气体制取反应原理的探究第3页
    还剩8页未读, 继续阅读
    下载需要10学贝 1学贝=0.1元
    使用下载券免费下载
    加入资料篮
    立即下载

    2022年中考化学专题复习气体制取反应原理的探究

    展开

    这是一份2022年中考化学专题复习气体制取反应原理的探究,共11页。
    (资料)氨气是一种有刺激性气味的气体,密度小于空气,极易溶于水,难溶于CCl4。
    (1) 探究氨气制备
    写出仪器的名称:a ;b
    (2) 实验室常用浓氨水和氢氧化钠固体在常温下制取氨气,发生装置可以选择图1中,收集装置可选择图1中。某同学用图2中G装置收集氨气,应该从(填“a”或“b”)通入,实验时还需在装置G后接装置H,装置H的作用是。
    (3) 探究二二氧化碳制备
    实验室制取二氧化碳常选择装置C,相对装置B,优点是。
    高锰酸钾与草酸反应可以生成二氧化碳气体。某化学小组为了研究外界条件对化学反应速率的影响,进行了酸性高锰酸钾与草酸的反应,记录以下实验数据:
    (4) V=。
    (5) 由实验①②可知,(填选项)。
    A .其他条件相同时,反应物浓度越大,反应速率越快
    B .其他条件相同时,反应物浓度越小,反应速率越快
    (6) 为探究温度对反应速率的影响,应选择(填实验编号)。
    (7) 探究三合成氨气
    工业上氨气与二氧化碳在一定条件下合成尿素,该反应符号表达式为: 。
    (8) 如图为某特定条件下,不同水碳比n(H2O)/n(CO2)和温度影响CO2转化率变化的趋势曲线。为了提高产率,提高二氧化碳的转化率,最优的反应条件应该是。
    A .190℃n(H2O)/n(CO2)=0.3
    B .200℃n(H2O)/n(CO2)=0.5
    C .200℃n(H2O)/n(CO2)=0.3
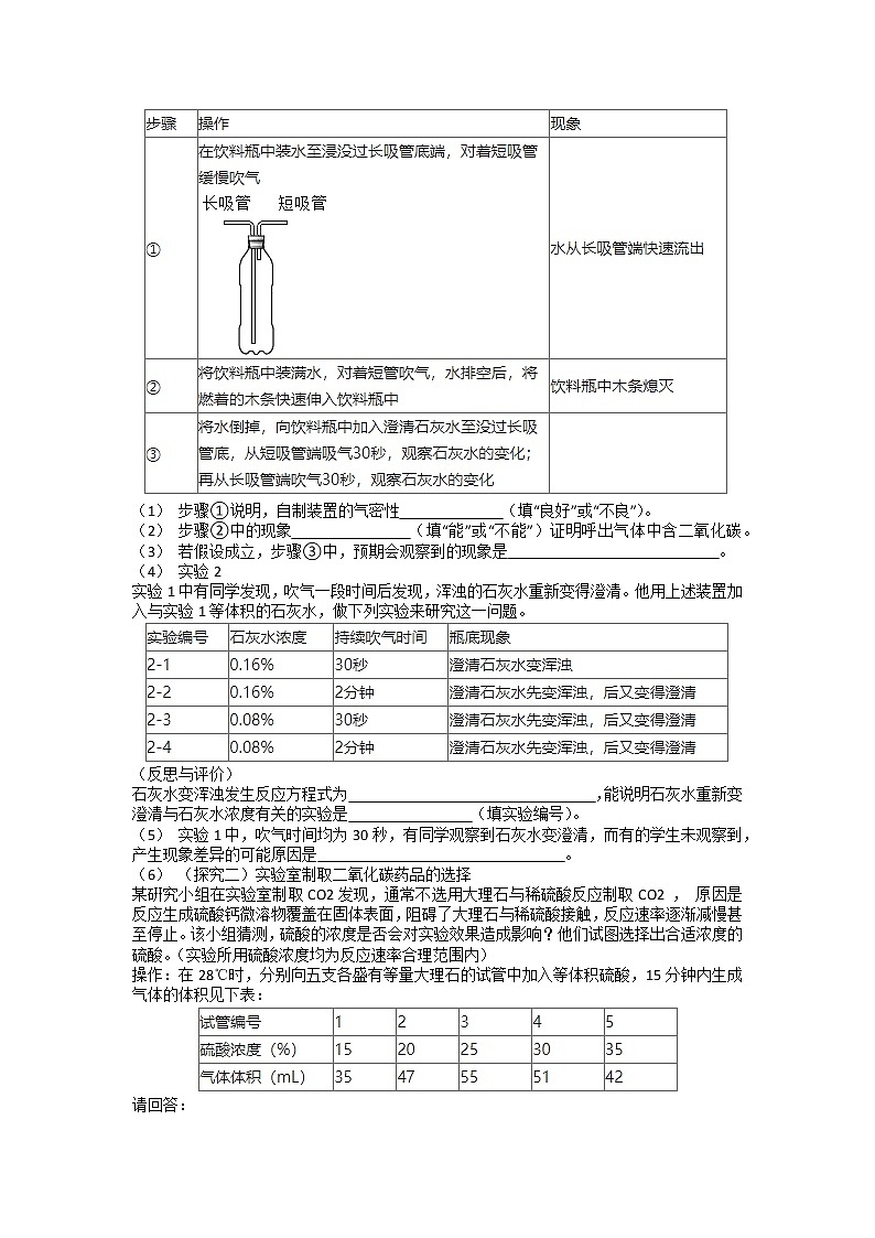
    2. (2020九上·海陵月考) 化学小组学习完二氧化碳相关知识后,对CO2进行了如下两个探究:
    (探究一)用如图所示自制装置进行“人体吸入和呼出气体成分”的探究。
    (提出假设)人体呼出气体中二氧化碳的含量高于吸入气体。
    (进行实验)实验1
    (1) 步骤①说明,自制装置的气密性(填“良好”或“不良”)。
    (2) 步骤②中的现象(填“能”或“不能”)证明呼出气体中含二氧化碳。
    (3) 若假设成立,步骤③中,预期会观察到的现象是。
    (4) 实验2
    实验1中有同学发现,吹气一段时间后发现,浑浊的石灰水重新变得澄清。他用上述装置加入与实验1等体积的石灰水,做下列实验来研究这一问题。
    (反思与评价)
    石灰水变浑浊发生反应方程式为,能说明石灰水重新变澄清与石灰水浓度有关的实验是(填实验编号)。
    (5) 实验1中,吹气时间均为30秒,有同学观察到石灰水变澄清,而有的学生未观察到,产生现象差异的可能原因是。
    (6) (探究二)实验室制取二氧化碳药品的选择
    某硏究小组在实验室制取CO2发现,通常不选用大理石与稀硫酸反应制取CO2 , 原因是反应生成硫酸钙微溶物覆盖在固体表面,阻碍了大理石与稀硫酸接触,反应速率逐渐减慢甚至停止。该小组猜测,硫酸的浓度是否会对实验效果造成影响?他们试图选择出合适浓度的硫酸。(实验所用硫酸浓度均为反应速率合理范围内)
    操作:在28℃时,分别向五支各盛有等量大理石的试管中加入等体积硫酸,15分钟内生成气体的体积见下表:
    请回答:
    ①稀硫酸与大理石反应,在28℃时,选用硫酸的浓度最合适为%。
    ②除选用合适浓度的硫酸之外,在反应过程中,为防止硫酸钙覆盖在大理石上,应增加操作,更有利于气体的制备。
    ③大理石和稀硫酸反应生成硫酸钙、水和二氧化碳,试写出反应的反应方程式。
    ④提出猜想:请写出另一种你认为可能影响反应速率的因素。
    ⑤在该实验中,你认为可以用下列装置收集气体的是(填编号)。(假设液体不与二氧化碳反应,也不溶解二氧化碳)
    3. (2019九上·迎泽月考) 实验课上同学们在实验室制取二氧化碳时,错拿稀硫酸倒入盛有石灰石的试管中,发现产生气泡速度越来越慢。于是同学们展开探究。
    (1) [查阅资料]石灰石与稀硫酸反应与稀盐酸反应非常相似,但是由于反应生成的硫酸钙微溶物会覆盖在石灰石的表面,阻碍了石灰石与稀硫酸的接触,反应会逐渐缓慢,因此通常不选用大理石与稀硫酸反应制取二氧化碳,请写出石灰石与稀盐酸反应的化学方程式。
    (2) 实验活动一 选择合适浓度的硫酸
    操作:室温下,用装有5ml硫酸溶液的注射器向盛有1g 直径为2mm石灰石的试管中注入不同浓度的稀硫酸,记录15分钟内生成气体的体积,观察现象,记录见下表。
    实验活动二 选择合适反应温度:
    操作:在盛有1g直径约为2mm石灰石的试管中分别加入5ml相同合适浓度但温度不同的稀硫酸溶液,观察现象,记录见下表。
    分析处理以上表中数据,可得出的结论有:
    ①室温下,稀硫酸与大理石反应选用硫酸的浓度最合适为;
    ②当硫酸浓度一定时,反应速度与温度之间存在的关系是;其中最合适用于实验室制取二氧化碳的反应温度为。
    (3) 上述实验活动后有同学又进一步提出问题:化学反应速率还受什么因素影响?设计装置如图所示。本实验采用的方法是,装置中红墨水的作用是实验中可观察到,由此可得出的结论是。
    4. (2019·宁德模拟) 《天工开物》中记载的“倭铅”即是金属锌,说明我国炼锌在明代就出现。
    (1) 探究一 用锌制取氢气甲同学拟用如图实验装置完成制取氢气和测量生成气体体积实验:
    写出锌与稀硫酸反应的化学方程式。
    (2) 装置连接顺序是:A→ →→D(填字母)。
    (3) 探究二 硫酸铜对氢气生成速率的影响乙同学在用稀硫酸与锌制取氢气的实验中,发现加入少量硫酸铜溶液可加快氢气的生成速率,为此展开探究。
    【设计实验】
    在锥形瓶中分别放入足量的、等质量的、颗粒大小相同的锌粒,再向分液漏斗中加入由31.5%的稀硫酸,不同体积水、5%的硫酸铜溶液组成的混合液,试剂用量记录如表:
    表中的V1=mL,V2=mL。
    (4) 【分析与结论】
    表中组反应速率最快,原混合液中H2SO4和CuSO4溶质质量比为(最简整数比)。
    (提示:31.5%的H2SO4溶液和5%的CuSO4溶液密度均为1.2g/mL)。
    (5) 探究三 锌与硫酸铜溶液反应
    丙同学取打磨过的锌片按下表内容进行对比实验:
    【分析与结论】
    锌与硫酸铜溶液反应要产生红色的物质,需要的条件是。
    (6) 根据第⑤组实验判断,硫酸铜溶液可能显(选填:“酸”、“碱”或“中”) 性。
    5. (2018九上·宁德期末改编) 二氧化碳与我们生活息息相关,兴趣小组利用图9装置进行多角度探究。
    探究一 气体的制取
    (1) 写出图中①的仪器名称:。
    (2) 用装置A制取二氧化碳的反应化学方程式是。若装置A用于实验室制取氧气,则反应化学方程式是。
    (3) 生活中有许多物品可以代替实验仪器。关闭K2和K3 , 打开K1 , 若用装置F所示的医用塑料袋排空气法收集CO2,则F装置 (填“a”或“b”)端与B装置相连。
    探究二 气体的性质检验
    打开K2、关闭K1和K3 , 用于检验制取的二氧化碳性质。
    (4) 若装置C中是紫色石蕊试剂,可观察到 (填现象),证明二氧化碳与水发生了反应。若装置C中试剂是澄清石灰水,则该反应的化学方程式是。
    (5) 小强将制取的二氧化碳通入澄清石灰水中,未见浑浊,小强认为是使用的盐酸浓度过高,挥发进入石灰水中。要验证是否是上述原因,设计实验方案为:。
    (6) 探究三 测定气体生成的反应速率
    关闭K1、K2 , 打开K3 , 可测一段时间内生成二氧化碳气体的速率。所测得数据如下:
    由实验数据可知,生成CO2的体积为 mL。
    (7) 若生成气体的反应速率用公式v =△V/△t表示(△V表示生成气体的体积、△t表示反应所用的时间),则生成的二氧化碳的速率为 mL/s。
    (8) 有同学认为,图中的测量方法容易带来误差,请指出造成误差的原因 (写一点)。
    6. (2018九上·抚州期末) 某校化学兴趣小组在做铁有酸反应的实验时,由于拿错了药品,酸可能使用了浓硫酸,发现生成的气体不是氢气,因此他们进行了探究实验.
    【提出问题】铁与硫酸溶液反应生成的气体为什么不是氢气?
    【网络资料】①铁与浓硫酸反应会生成二氧化硫
    ②SO2可使品红溶液褪色,H2不会使品红溶液褪色
    ③NaOH溶液能吸收SO2
    【进行猜想】铁与不同浓度的硫酸溶液反应,生成的气体产物中可能有二氧化硫.
    (1) 【实验探究】小明用图甲所示装置进行探究实验,并用排水法收集气体进行如图乙所示的实验.
    请帮助小明完成下表:
    (2) 【实验结论】铁与不同浓度的硫酸溶液反应,生成的气体产物可能不同,当硫酸浓度较大时,气体产物中就有二氧化硫.
    【思考与分析】
    ①做该实验时,在连接仪器之后和装药品之前应该进行的实验操作是.
    ②实验三中铁与硫酸溶液发生反应的化学方程式为.
    (3) 【拓展延伸】试写出初中学过的由于反应物的浓度不同,导致生成物不同的例子:。
    7. (2017·南山模拟) (一)根据下图中所示装置回答下列问题。
    (1) 图中仪器a的名称
    (2) 用高锰酸钾制取氧气时,装置A还需要做的一点改动是。其化学方程式为。
    (3) 实验室用锌粒和稀硫酸制取氢气可选用的发生装置和收集装置是。(填字母,下同),
    (4) 用大理石和稀盐酸制取二氧化碳时,可选用的发生装置和收集装置是。
    (5) (二)水煤气是将水蒸气通过灼热的焦炭而生成的气体,主要成分是一氧化碳、氢气及少量的二氧化碳和水蒸气。某课题组同学为验证水煤气的成分,设计如下实验装置:
    请分析上面信息后回答:
    ①利用上述装置验证水煤气中四种成分的依次顺序是(填气体的化学式);
    ②装置C的目的是,装置E内观察到的现象是;
    ③实验中两次用到装置A,其目的分别是、。
    8. (2021·高明模拟) 实验室部分仪器和装置图如下,请回答下列问题:
    (1) 图中标号B的仪器名称为。
    (2) 用过氧化氢溶液与二氧化锰制取较纯浄的氧气,并要求获得平稳气流,发生和收集装置需要用到的仪器有 (填序号,从A~I中选择),反应的化学方程式为。
    (3) 实验室制取的二氧化碳中常含有氯化氢气体和水蒸气,为获得纯净、干燥的二氧化碳,可选用J和K装置进行除杂和干燥,导管口连接的正确顺序是:发生装置→→e请将收集装置L中的导管补画完整。
    (4) 欲探究实验室制取二氧化碳后残留液的成分,某化学小组向反应后的残留液中滴加Na2CO3溶液,并用pH数字探测仪连续监测,得到如图2曲线。
    ①AB段发生反应的化学方程式为。
    ②B点溶液中溶质的成分是。(填化学式)
    ③CD段上升的原因是。
    9. (2020·如东模拟) 实验探究和证据推理是提升认知的重要手段,某兴趣小组完成了如下探究实验。用如图组合装置研究气体的制取和性质:
    (1) A装置中仪器a的名称为。
    (2) 实验前应先进行的操作是,B装置中浓硫酸的作用是。
    (3) 若实验时C装置中蜡烛燃烧更剧烈,D装置中溶液变浑浊,则A装置中反应的化学方程式为。
    (4) Ⅰ.探究CO2与NaOH反应后溶液中溶质的成分:
    (实验探究)将CO2缓缓通入一定浓度的NaOH溶液中并不断搅拌,测得反应过程中溶液的pH随时间的变化关系图如图所示。
    (查阅资料)①在本实验条件下,Na2CO3溶液和NaHCO3溶液的pH分别为11.0和8.5。
    ②Na2CO3溶液中通CO2发生反应的化学方程式为Na2CO3+H2O+CO2═2NaHCO3。
    ③NaHCO3溶液能与Ca(OH)2反应生成白色沉淀,却不能与CaCl2反应。
    (图象分析)AB段发生反应的化学方程式为:。
    (5) (猜想与假设)CO2与NaOH反应后溶液中溶质的成分。
    猜想I:NaOH和Na2CO3;
    猜想2:;
    猜想3:Na2CO3和NaHCO3;
    猜想4:NaHCO3。
    (6) (设计并实验)
    10. (2020·绵阳模拟)(1) 同学们用下图所示仪器和装置探究制取气体的方法,请回答下列问题:
    ①图中仪器 B 的名称为。
    ②装配 KClO3 制备O2 的发生装置,上图中还缺少的玻璃仪器是(写名称),该反应的化学方程式是。
    ③图中的微型装置 F 可用于实验室制备 H2 , 反应化学方程式为。该装置在操作上的优点是。G 是医用输液观察滴液快慢的滴壶,若用它作微型的 O2 干燥装置,则气体应从 (填选“a”或“b”)进入,滴壶中装的试剂是。
    (2) 实验与探究是化学学习的重要方法和内容,李明看到家里多年未用的铜制火锅上有绿色的锈迹,他对绿色锈迹的成分和性质产生了浓厚兴趣。
    (查阅资料)
    ①绿色锈迹是碱式碳酸铜[Cu2(OH)2CO3],受热易分解;
    ②无水硫酸铜为白色粉末,遇水变蓝;
    ③碱石灰是 CaO 和NaOH 的固体混合物,NaOH 与CO2反应生成碳酸钠固体和水;
    ④氧化铜与稀硫酸反应生成蓝色溶液,碳粉不与稀硫酸反应也不溶解在稀硫酸中。
    (发现问题)
    查阅资料后,该同学将少量碱式碳酸铜放入试管中加热,发现试管中的固体由绿色变成黑色,同时试管壁上有无色液滴生成.
    为了进一步确定碱式碳酸铜受热分解的产物,进行了如下探究:探究一:碱式碳酸铜受热分解生成的黑色固体成分.
    (猜想与假设)该黑色固体可能是①碳粉;②;③碳和氧化铜的混合物。
    (3) (设计方案)请帮助该同学完成下述实验报告:
    (4) 探究二:碱式碳酸铜受热分解还会生成 CO2 和H2O.
    (进行实验)选择如下图所示装置进行验证
    步骤一:连接A 和 B,打开活塞,通入一段时间的空气;
    步骤二:点燃酒精灯,依次连接装置 A→B→→;步骤三:点燃酒精灯,观察到明显现象后,停止加热。
    (5) (解释与结论)
    ①当观察到,说明碱式碳酸铜受热分解生成了 CO2 和H2O,写出装置 C 中反应的化学方程式;
    ②写出 Cu2(OH)2CO3 受热分解的化学方程式。
    (6) (反思与评价)
    上述装置中A 的作用是。
    11. (2019·长春模拟) 为了测定某氧化铁样品中氧化铁的质量分数,某化学小组设计了如图所示装置进行实验。
    已知:样品中的杂质不含铁元素,且不溶于水和酸;草酸(H2C2O4)在浓硫酸作用下受热分解生成CO2、CO和H2O,碱石灰主要成分为生石灰与氢氧化钠固体。请回答:
    (问题讨论)
    (1) 进入E中的气体是纯净、干燥的CO,则B、C、D中依次是(填序号)。
    ①浓硫酸②氢氧化钠溶液③澄清石灰水
    (2) B中发生反应的化学方程式为。
    (3) C和G装置的作用分别是。
    (4) (数据处理)称取样品5.0g,用上述装置进行实验,充分反应后称量F装置,发现比反应前增重3.3g,则样品中氧化铁的质量分数为。
    (5) (实验反思)
    该实验装置有一明显缺陷是。
    (6) 如果没有G装置,则测得的样品中氧化铁的质量分数(填“偏大”、“偏或“无影响”)。
    (迁移应用)试计算,加热分解90t质量分数为20%的草酸溶液,能制得多少一氧化碳?。
    参考答案
    1.(1)锥形瓶 长颈漏斗 (2)B E b 吸收氨气,防止污染空气,放倒吸 (3)可以控制反应的发生与停止 (4)3.0 (5)A (6)②③ (7) (8)A
    2.(1)良好 (2)不能 (3)短管吸气时澄清石灰水未变浑浊,长管吹起时澄清石灰水变浑浊 (4) 2-1和2-3 (5)吹气速度、澄清水浓度不同 (6)①25 ②粉碎固体、玻璃棒搅拌、震荡试管(任选其一)
    ③CaCO3+H2SO4=H2O+CaSO4↓+CO2↑ ④反应温度、固体颗粒大小、是否有催化剂 ⑤C
    3.(1) (2)25% 温度越高,反应速度越快 70℃ (3)控制变量法 便于观察现象,比较反应速度 左侧导管内红墨水上升速度比右侧快 其他条件一定时,反应物接触面积越大,反应越快
    4.(1) (2)C B (3)10 15.6 (4)③ 63:4 (5)溶液达到一定浓度或在一定pH溶液中 (6)酸性
    5.(1)长颈漏斗 (2) (3)a (4)紫色石蕊试剂变红 (5)将产生的气体通入AgNO3溶液中,观察白色沉淀 (6)37.8 (7)0.378 (8)二氧化碳能溶于水或刚开始反应就开始测量
    6.(1)褪色 有SO2和H2 不褪色 有爆鸣声 (2)检查装置气密性 (3)木炭在氧气中燃烧,氧气不足时生成一氧化碳,氧气充足时生成二氧化碳。
    7.(1)长颈漏斗 (2)在试管口放一团棉花 (3)BC(或BD) (4)BE (5)①H2O、CO2、H2、CO ②将原有二氧化碳排尽 ③黑色粉末变红 ④验证原有成分中有水蒸气 ⑤证明有水生成,从而证明有氢气
    8.(1)长颈漏斗 (2)ADEI (3)c→d→a→b (4)① ②NaCl和CaCl2 ③碳酸钠溶液过量,碳酸钠溶液呈碱性
    9.(1)锥形瓶 (2)检查装置气密性 干燥气体 (3) (4) (5)Na2CO3 (6)CaCl2溶液 稀盐酸 产生气泡
    10.(1)长颈漏斗 酒精灯 可以控制液体加入量(或可以控制反应速率) b 浓硫酸 (2)氧化铜 (3)取黑色粉末,加入足量稀硫酸,充分反应后,黑色固体全部溶解形成蓝色溶液 (4)D C (5)C中澄清石灰水变浑浊,D中无水硫酸铜变蓝 (6)除去空气中的水分和二氧化碳,防止对产物的检验造成干扰
    11.(1)②③① (2) (3)检验二氧化碳是否被B完全吸收 防止空气中的水蒸气和二氧化碳进入F中 (4)80% (5)没有进行尾气处理 (6)偏大 5.6t

    相关试卷

    高分突破03 气体制取装置的探究-备战中考化学实验探究题高分突破:

    这是一份高分突破03 气体制取装置的探究-备战中考化学实验探究题高分突破,文件包含高分突破03气体制取装置的探究-备战中考化学实验探究题高分突破解析版docx、高分突破03气体制取装置的探究-备战中考化学实验探究题高分突破原卷版docx等2份试卷配套教学资源,其中试卷共45页, 欢迎下载使用。

    中考化学复习专题:常见气体的制取:

    这是一份中考化学复习专题:常见气体的制取,共5页。试卷主要包含了教学目标,内容与学情分析,教学重点,教学流程图,教学流程等内容,欢迎下载使用。

    2022年中考化学复习大题强化练习——制取气体的反应原理的探究:

    这是一份2022年中考化学复习大题强化练习——制取气体的反应原理的探究,共16页。试卷主要包含了实验室制取气体的一般思路和方法等内容,欢迎下载使用。

    欢迎来到教习网
    • 900万优选资源,让备课更轻松
    • 600万优选试题,支持自由组卷
    • 高质量可编辑,日均更新2000+
    • 百万教师选择,专业更值得信赖
    微信扫码注册
    qrcode
    二维码已过期
    刷新

    微信扫码,快速注册

    手机号注册
    手机号码

    手机号格式错误

    手机验证码 获取验证码

    手机验证码已经成功发送,5分钟内有效

    设置密码

    6-20个字符,数字、字母或符号

    注册即视为同意教习网「注册协议」「隐私条款」
    QQ注册
    手机号注册
    微信注册

    注册成功

    返回
    顶部
    Baidu
    map