鲁教版 (2019)必修 第一册第二节 自然灾害的防避导学案
展开核心素养定位
1.结合地理资料,说出防灾减灾的主要途径;(综合思维、地理实践力)
2.运用地理资料,说明防灾减灾的主要手段,防御自然灾害的主要措施。(综合思维、地理实践力)
知识体系导引
自然灾害的防避 eq \b\lc\{(\a\vs4\al\c1(地震灾害的防避,洪水灾害的防避,滑坡灾害的防避,泥石流灾害的防避))
第一步·新课学前预习——学习新知 挑战自我
1.政府领导下的社会行动
(1)加强 ,组织防灾、减灾科技攻关,健全 ,制定防灾、减灾规划方案,开展防灾、减灾教育,实施防灾、减灾工程。
(2)建立高效的防灾救灾信息系统,提高灾害响应能力与预警、 ,并加强防灾减灾的国际或区域合作等。
2.个人层面
提高 ,学习灾害自救的 ,增强参与救灾的社会责任感。
知识点一 地震灾害的防避
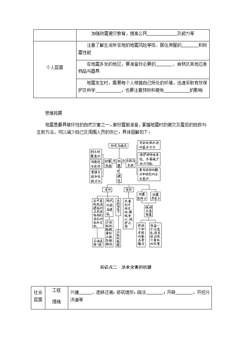
思维拓展
地震是最具破坏性的自然灾害之一。做好震前准备,掌握地震时的避灾及震后的自救与互救方法,可以减少自己及周围人员的伤亡。具体图解如下:
知识点二 洪水灾害的防避
思维拓展
洪水中的救助
知识点三 滑坡灾害的防避
思维拓展
(1)典型滑坡的发展一般可分为蠕动变形、急剧滑动、渐趋稳定三个阶段。第一阶段历时从数天到数十年不等;第二阶段一般只有几分钟到几十分钟。
(2)我们可以根据滑坡体后缘山坡上地裂缝的快速扩展、滑坡体前沿坡脚处的泉水(井水)水量水位的异常变化和地面上隆变形等临滑迹象及时发出预警。
知识点四 泥石流灾害的防避
思维拓展
泥石流相关知识
(1)发生时间:大多发生在持续暴雨后。
(2)发生地区:山区。
(3)自救措施
①在户外遇到泥石流时,要向垂直于泥石流前进的方向跑,切忌顺着泥石流方向往山下跑。
②可根据现场地形,向未发生泥石流的高处逃离。
③在山区扎营,不要选在谷底排洪的通道以及河道弯曲、汇合处。
第二步·互动释疑解惑——启迪思维 探究重点
重点一 地震灾害的防避
情境探究
菲律宾当地时间2019年12月15日14时11分,菲律宾南部棉兰老岛发生6.9级地震,震中位于棉兰老岛的南达沃省,震源深度3千米,震级为6.9级。据当地媒体报道,地震发生时,距离震中约70千米的菲律宾南部最大城市达沃市有强烈震感,很多居民从室内逃到空旷的室外避难。截至18日18时,因地震造成死亡人数上升至11人。
据此探究下列问题:
(1)地震发生时,正值学生上课、工作人员上班的时间,他们应如何自救?
(2)为了减轻此次地震带来的危害,菲律宾政府应采取哪些紧急措施?
知能升华
1.防灾减灾方案
(1)政府领导下的社会行动
(2)防灾减灾社会行动
(3)地震的防避
2.避灾自救
学以致用
2019年6月17日22时55分,四川省宜宾市长宁县发生6.0级地震,震源深度16公里,从成都高新减灾研究所获悉,由其建立的大陆地震预警网提前61秒向成都预警,大大减少了人员伤亡,据此完成1~3题。
1.此次地震( )
A.成都的震级小于6.0级
B.长宁县的人先感觉到左右摇晃,后上下颠簸
C.震中位于北京的东南方
D.震源深度位于地壳
2.此次地震预警的技术原理最可能是( )
A.纵波传播速度比横波快
B.提前预测地震发生概率
C.电磁波传播速度比地震波快
D.遥感监测地壳微小移动
3.地震发生时的正确避震方法是( )
①在家可躲在空间较小的厨房 ②在影院,应迅速跑到室外的开阔空地 ③在教室可躲在书桌下或墙角 ④走在街上要远离高层建筑、广告招牌、霓虹灯等
A.①② B.②③
C.①④ D.③④
据媒体介绍,四川安县桑枣中学紧邻北川,在汶川大地震中也遭遇重创,但由于平时的多次演习,地震发生后,全校2 200多名学生、上百名老师,从不同的教学楼和不同的教室中,全部冲到操场,以班级为组织站好,用时1分36秒,无一伤亡,创造了一大奇迹。据此完成4~5题。
4.有关室外避震的叙述,正确的是( )
A.在行驶的汽车上,应迅速下车躲避
B.桥梁一般比较坚固,可以躲到桥底下
C.在百货商场,选择结实的柜台或柱子边躲避
D.高大建筑物的抗震性能好,可以选择做躲避场所
5.地震时,若不幸被压埋在废墟下,下列自救方法正确的是( )
A.不停地大声呼救
B.通过睡觉来减少体力消耗
C.用毛巾、衣袖等捂住口鼻,谨防烟尘呛闷窒息
D.不停地祷告
重点二 洪水灾害的防避
情境探究
下图为我国某区域等高线地形图。
据此探究下列问题:
(1)我国南方为洪灾多发区,个人平时应做好防洪准备,具体内容有哪些?
(2)分析甲、乙两地预防洪涝灾害应采取的不同措施。
知能升华
1.洪涝灾害的原因与防治
2.洪水中的自救与互救
学以致用
历史上,淮河流域洪涝灾害严重,人们在干流两侧低洼地带修筑了蓄洪区以容纳洪水。蓄洪区内分布着农田及居民点,修建有堤坝、人工堆土筑高而成的庄台、周围修筑堤坝围合而成的保庄圩等设施。下图为淮河干流某蓄洪区示意图。据此完成1~2题。
1.早期,蓄洪区堤坝修建较矮的主要原因是( )
A.洪水水位较低 B.节省建设成本
C.便于洪水漫泄 D.建设水平较低
2.蓄洪区启用后,与保庄圩相比,居民转移到庄台( )
A.人居环境更好
B.容纳灾民数量更多
C.转移距离更短
D.物资的补给更便利
重点三 滑坡和泥石流灾害的防避
情境探究
在山区公路和铁路道旁经常可以看到如图所示具有蜂巢结构的水泥防护工程建设。
据此探究下列问题:
(1)写出两种图中防护工程所能防御的自然灾害。
(2)请结合图示和所学知识,说明边坡上网格状装置防灾减灾的功能。
知能升华
1.滑坡和泥石流的防御
(1)建立滑坡和泥石流预测、预报、预警系统。
(2)建立滑坡和泥石流防治体系。
(3)建设营造防护林。如营造水源涵养林、水土保持林、沟头防护林、护堤林、护滩林等。
(4)采取各种农业耕作措施。如合理利用土地资源、修建基本农田、培肥土壤、等高和间作种植等。
(5)采取牧业措施。防止过度放牧、封山育林草、人工种草、轮作等。
(6)加强工程建设。
治水工程:库、坝、引水渠、截留沟、导流和分流工程。
治土工程:挡土墙、坡脚支护、护岸工程、拦泥坝等。
坡面工程:如排洪道、导泥渠、渡槽,以及附属建筑等。
2.根据地形图选择野外宿营地和逃生路线
在地形图上选择野外宿营地和逃生路线主要考查学生灵活运用等高线知识解决实际问题的能力。解答此类问题时应注意以下几个方面,但在实际运用中应结合题目所给条件综合分析。
(1)近水
宿营地宜选择在靠近水源地的地方,以便解决生活用水问题。但也不能将宿营地扎在河滩上或溪流边,因为一旦遇上山洪暴发或上游水库放水等,就会发生危险,尤其在雨季及山洪多发区。如果在山谷中遇到泥石流、山洪,应选择沿垂直于泥石流流动的方向逃生,而不应沿山谷向下跑。
(2)背风
在野外扎营首先应考虑背风问题,尤其是在山谷、河滩上,应选择一处背风的地方扎营。其次要注意帐篷门的朝向不要迎着风向。
(3)远崖
山体较陡处(等高线密集)或陡崖处(等高线重合)易发生滑坡、岩崩,易出现落石,故不能将宿营地扎在悬崖下面。
(4)近村
宿营地应靠近村庄,遇急事时便于向村民求救。
(5)背阴
如果是一个需要居住两天以上的宿营地,在好天气情况下应选择一处背阴的地方扎营,这样在白天休息时帐篷里就不会太闷热。
(6)防雷
在雨季或多雷电区,宿营地绝不能扎在高地上、大树下或比较孤立的平地上。
(7)环保
在野外要保护自然环境,撤营时必须将燃火彻底熄灭。垃圾要尽可能带出,将其放在指定的地方,特殊情况无法带走时可将垃圾挖坑填埋。
学以致用
1.山区沟谷发生泥石流时,正确的避灾方法是( )
A.迎着泥石流朝高处跑
B.朝与沟谷垂直的两侧高处跑
C.检查贵重财物后向安全地带撤离
D.顺着泥石流的方向跑
2.北京市某校学生到京郊进行地理实践活动。读图表资料,回答下列问题。
活动 村落民居状况调查。
(1)根据调查过程中同学拍摄的照片。简述图中民居存在的主要安全隐患及采取的防御措施。
(2)图表为同学采集的D村社会状况数据表。据表推断该村发展中面临的人口、资源和环境问题。
第三步·课堂达标检测——即时训练 巩固落实
下图为青藏高原某次强震的震区示意图,等震线是指地震烈度相同地点连接的曲线。据此完成1~2题。
1.地震发生后,救援力量投入较多的地区是( )
A.甲 B.乙
C.丙 D.丁
2.与其他地点比较,丙地开展救灾工作的难度大,主要原因是( )
①高寒缺氧,不利于救援 ②地势落差大,交通不便 ③滑坡、泥石流等次生灾害频发 ④邻近断裂带,余震威胁大
A.①②③ B.①②④
C.①③④ D.②③④
下图是某地区大地震后救灾工作程序示意图。读图回答3~4题。
3.图中所示救灾工作程序还可能适用于( )
A.沙尘暴 B.洪涝
C.旱灾 D.寒潮
4.为降低大城市震后救灾活动强度,应采取的主要防灾减灾措施包括( )
①调整产业结构 ②人口外迁 ③房屋加固
④组建志愿者队伍 ⑤避灾自救技能培训
A.②③④ B.②③⑤
C.①②⑤ D.③④⑤
第二节 自然灾害的防避
第一步 新课学前预习
1.(1)自然灾害研究 灾害管理法规 (2)救援能力
2.防灾避灾意识 知识与技能
知识点一
突发性强 监测体系 防震避灾制度 应急方案 防震避灾意识 结构 水 自救措施 次生灾害
知识点二
水库 河道 分洪区 防洪减灾的意识 森林覆盖率 管理系统 科技研究 最佳路线 尽快撤离 燃气和电路 方位 高处 漂浮的材料 卫生防疫
知识点三
滑坡风险性评估 逗留 稳定性 地表水渗入软弱面 削坡减载 两侧 原地不动 运动的方向
知识点四
进行监测 固体物源 沟谷 预警信号
第二步 互动释疑解惑
重点一
【情境探究】
答案:(1)迅速在课桌、办公桌下躲避;影院及体操场比赛应立即停止,躲在桌椅下、舞台脚下;工人关机器、断电源,躲在安全可靠的地方。
(2)加强地震的监测,及时发布预警信息;加强宣传,提高公众的防护意识;迅速展开救灾工作;制订救灾预案;安置灾民等。
【学以致用】
1~3.解析:第1题,一次地震只有一个震级,成都的震级也是6.0,A错误。地震波纵波速度快于横波,所以先上下颠簸,后左右摇晃,B错误。长宁县位于北京的西南地区,C错误。地壳的平均厚度为33 km,本次地震震源16公里,属于地壳,D正确。故选D。第2题,地震的成因是由于地下几公里至数百公里的岩体发生突然破裂和错动。而这些破裂和错动释放的能量又以地震波的形式向四周辐射出去。地震波是一种机械波,具有一定的传播速度,当地震发生后,要等相应的地震波传播到人所在的位置。这个时间差给地震预警留下了空间。一般来说,地震波的传播速度是每秒几公里,而电波的速度为每秒30万公里。因此,如果能够利用实时监测台网获取的地震信息,以及对地震可能的破坏范围和程度的快速评估结果,就有利用破坏性地震波到达之前的短暂时间发出预警,C正确。故选C。第3题,考查防震减灾措施,厨房有煤气管道及其他比较锋利的物品,应避开厨房,要选择浴室、卫生间等空间小、不易塌落的地方避震,①错误;在影剧院、体育馆等处避震,应就地蹲下或趴在排椅下用随身携带的物品挡在头上,避免迅速向室外跑,②错误;在教室应抱头、闭眼、蜷曲身体,迅速躲在课桌下,③正确;走在街上要远离高层建筑、广告招牌、霓虹灯等,避免被高空坠落的物体砸中,④正确。故选D。
答案:1.D 2.C 3.D
4~5.解析:第4题,在室外行驶的汽车上应等地震过后再下车,应避开高大的建筑物,不应躲在桥下。第5题,不停大声呼救,会导致体力的大量消耗;睡觉可能错过营救机会。
答案:4.C 5.C
重点二
【情境探究】
答案:(1)关注汛期天气预报;学习并具备游泳、划船等技能;准备逃生物资。
(2)甲地:加固堤坝,防止洪水漫溢;退耕还湖;疏浚河道;修建排水通道、分洪区等水利工程。
乙地:植树造林,防止水土流失;修建水库,削减洪峰威胁。
【学以致用】
1~2.解析:第1题,蓄洪区的建设是为了在洪水期用于暂时储蓄超额洪水,早期堤坝修建较矮的主要原因是便于洪水漫泄,C项正确。历史上,淮河流域洪涝灾害严重,洪水水位较高,A项错误。堤坝属于基础设施建设,降低堤坝高度节省的成本不足以成为影响因素,B项错误。堤坝修建难度较低,对建设水平要求不高,并不足以成为限制性因素,D项错误。故选C。第2题,从图中可以看出,庄台分布比较分散,便于居民就近转移,转移距离变短,但不利于物资补给,C项正确,D项错误。庄台分散面积小,所以容纳灾民数量减少,B项错误。庄台是堆土筑高而成,并且面积较小,并且在蓄洪区启用后,只是暂时躲避洪灾,并不是要移居,主要考虑高度和距离问题,而不是人居环境,A项错误。故选C。
答案:1.C 2.C
重点三
【情境探究】
答案:(1)崩塌、滑坡、泥石流、山洪。
(2)边坡上的水泥结构可以抑制原裸露山体遭受进一步的风化剥蚀;加固山体坡面,具有稳定边坡的作用;蜂巢结构不会大面积破坏和改变坡面原有地貌形态和植被生长条件,绿色植物能够在其开放的空间上自由生长;可以有效地保证地表水的下渗,避免由于地下水压力的升高而引起边坡失稳;植物根系的固土作用与坡面防护系统结为一体,从而抑制坡面破坏和水土流失;从而有效地防止崩塌、滑坡等自然灾害。
【学以致用】
1.解析:当发生泥石流时,应沿着与泥石流运动大致垂直的方向往上爬,朝与沟谷垂直的两侧高处跑,B正确;泥石流速度快,破坏力强,不能迎着泥石流朝高处跑,也不能顺着泥石流的方向跑,A、D错误;跟生命相比,贵重财物并不重要,C错误。故选B。
答案:B
2.解析:第(1)题,由图中所示的等高线信息可知,该地以低山丘陵为主,民居后面多山坡巨石,地势起伏较大,所以存在崩塌、落石、滑坡等地质灾害的隐患。对此地质灾害的防御主要从加强监测、工程措施和生物措施来分析。应从修建防护网护坡、固坡等护坡工程,植树造林,增加坡面植被,加强对地质灾害监测预报。第(2)题,从图表中信息可知,人口问题:青壮年外出打工多,约占总人口的1/3,人口老龄化问题突出,约占总人口的1/3。资源问题:村落高差大,地形起伏大,平原面积少,耕地面积小。
环境问题:农家乐和游客数量较多,游客数量多对环境压力大;水污染、固体废弃物污染等环境污染的比例高。
答案:(1)该地主要存在崩塌、落石、滑坡等地质灾害的隐患。对此应修建防护网等护坡工程,加强地质灾害监测预报等防御措施。
(2)人口问题:青壮年外出打工多,人口老龄化问题突出。资源问题:地形起伏大,平地少,耕地面积小。
环境问题:农家乐和游客数量较多,水、固体废弃物等环境污染的风险高。
第三步 课堂达标检测
1~2.解析:第1题,结合所学知识可知,地震发生后,救援力量投入最多的地区应为地震灾害最严重的地区,而在一场地震中,破坏性最烈处往往就是震中所在的地区。越接近震中、城镇越密集,人员伤亡越多、损失越惨重,因此投入救援的力量越多,综上,图中甲、乙、丙、丁四地中,甲地距震中较近,等震线数值较大,居民点较多,故救援力量投入较多。第2题,与图中其他地区相比,丙地等高线密集,地形起伏大,落差大,交通最为困难;由于地势起伏大,坡度陡,地震过后,该地极易诱发滑坡、泥石流等次生灾害;同时,由图中判断,丙地位于断裂带附近,发生余震的可能性很大,将面临余震的威胁。丙地与其他几地都位于青藏高原上,都面临高寒缺氧的问题。据此分析,②③④正确,①错误。故选D。
答案:1.A 2.D
3~4.解析:第3题,沙尘暴、旱灾和寒潮对农业生产的破坏较严重,一般不会瞬间造成大量人员伤亡和房屋的破坏,救灾中需要优先开展生活、生产恢复重建的工作,故A、C、D不符合题意。洪涝灾害和地震一样,会瞬间造成大量的伤亡、房屋和公共设施的破坏,需要首先采取紧急救援,抢救生命;然后开展安居工程等保障灾民居住;最后开展公共设施恢复重建工作等,故B项符合题意。第4题,调整产业结构与应对地震灾害无直接联系,排除①;人口外迁不能解决防灾问题,排除②;房屋加固,有利于提高房屋抗震能力,减少损失,③正确;组建志愿者队伍,有利于提高救援水平,④正确;避灾自救技能培训,有利于提高地震时人们的自我救援能力,为震后救援节省时间和物资,⑤正确。故选D项。
答案:3.B 4.D
地震灾害的特点
,往往会造成生命、财产的巨大损失
防避措施
社会层面
加强地震 建设、地震预报科技攻关、 建设及执行情况督查等
做好地震 制订及组织实施等
加强防震避灾教育,提高公民 及能力等
个人层面
注意了解生活所在地的地震风险等级、居住房屋的 和防震性能
在地震多发的地区,要准备好必要的 、食物及其他应急物品与器具
地震发生时,需要每个人根据自己所处的环境,迅速采取有效保护及科学 ,也要注意预防和避免 的影响
社会层面
工程
措施
兴建 ,退耕还湖;修筑堤坝;疏浚 ;开辟 ,开挖分洪道等
非工程
措施
提高人们 ;逐步提高 ;建立统一的防洪减灾管理体制和抗洪抢险指挥 ;组织灾前水利建设与防洪减灾 等
个人层面
洪水前
选定通向高地的 ;接到洪水警报后 ;关闭 ,准备应急的食物、饮用水、手电以及便于发出求救信号的物品等
洪水中
尽快向当地政府防汛部门报告自己的 和险情;向 躲避;充分利用门板、桌椅、大块泡沫塑料等能 逃生
洪水后
做好各项 工作;不食用腐败的食物,饮用水必须煮沸后饮用;积极参加灾后生产与重建活动
社会层面
对于滑坡易发多发的地区,要开展 ,必要时可对一些具有潜在活动性的重大滑坡进行监测,或者采取一些工程整治措施
个人层面
不在陡坡前长时间 ;
不破坏坡体的 ;
防止 ;
针对存在滑动风险的滑坡体,可以通过 (降低坡高或放缓坡角)来减小下滑力,通过修筑挡土墙、抗滑桩等增加抗滑力;
当滑坡发生时,如果处在滑坡体上,首先应保持冷静,迅速环顾四周,然后向滑坡体的 迅速逃离。当遇到无法逃离的高速滑坡或滑坡呈整体滑动时,宜 ,或抱住大树等物。如果处在滑坡可能影响到的山前或者沟谷,应迅速判别滑坡 ,并迅速离开可能受到影响的地带
社会层面
对于泥石流易发多发的地区,要开展泥石流风险性评估,必要时可对一些重点区域和沟谷 ,或者采取一些工程整治措施
个人层面
房屋、帐篷不要搭建在沟口和沟道上;
不能将冲沟当作垃圾排放场。在冲沟中随意弃土、弃渣、堆放垃圾,会给泥石流的发生提供 ;
保护和改善山区生态环境;
雨季或者暴雨时尽量不要去泥石流多发的 ;
发现上游形成泥石流后,应及时向下游发出 。
位置
正确的避震方法
注意事项
室
内
避
震
室内门口或平房
的窗口附近
来得及
迅速跑到室外的空旷区
能跑则跑,但要掌握时机,不能乱跑
来不及
镇静地就地选择较安全的地方躲避
室内
应蹲、坐在结实、能掩护身体的物体下面或旁边,这样的地方容易形成三角空间,利于避震
不能乱跑,注意不要躲到外墙窗下、电梯间,更不要跳楼
单元楼房内
厕所和厨房承重墙性能较好,是比较安全的地方
家中
用被子、枕头等物体护住头部,用衣服、手帕等捂住口鼻,如有可能,迅速关闭家中的电源和煤气管道阀门
能跑则跑,但要掌握时机,不能乱跑
车站、商店等
公共场所
保持镇静,就地躲避
切忌拥向出口,以避免踩伤、挤伤
室外避震
迅速向地形开阔的地方转移,寻找上风向并靠近水源的地方
要避开高大建筑物、狭窄巷道、围墙,尽量远离高压线、变压器、烟囱;山区的居民还应注意山崩、滚石、滑坡、泥石流的威胁
调查项目
数据
调查项目
数据
总人口(人)
465
商店(个)
1
老年人口(人)
153
村落最大高差(米)
约240
外出务工人口(人)
170
民居主体朝向
南
农家乐(个)
42
停车场(个)
1
游客数量(人/年)
约8 000
公交站点(个)
1
耕地面积(公顷)
约40
鲁教版高考地理一轮总复习第5单元第4节自然灾害的成因与防避课时学案: 这是一份鲁教版高考地理一轮总复习第5单元第4节自然灾害的成因与防避课时学案,共21页。学案主要包含了自然灾害的成因,自然灾害的防避等内容,欢迎下载使用。
鲁教版 (2019)必修 第一册第一节 自然灾害的成因学案设计: 这是一份鲁教版 (2019)必修 第一册第一节 自然灾害的成因学案设计,共21页。学案主要包含了最新课标要求,情境探究,学以致用等内容,欢迎下载使用。
2021学年第二单元 从地球圈层看地表环境第二节 水圈与水循环导学案及答案: 这是一份2021学年第二单元 从地球圈层看地表环境第二节 水圈与水循环导学案及答案,共24页。学案主要包含了最新课标要求,情境探究,学以致用等内容,欢迎下载使用。

