


所属成套资源:成套人教版 (2019)高中生物选择性必修1课时学案
高中人教版 (2019)第1节 激素与内分泌系统导学案
展开
这是一份高中人教版 (2019)第1节 激素与内分泌系统导学案,共7页。
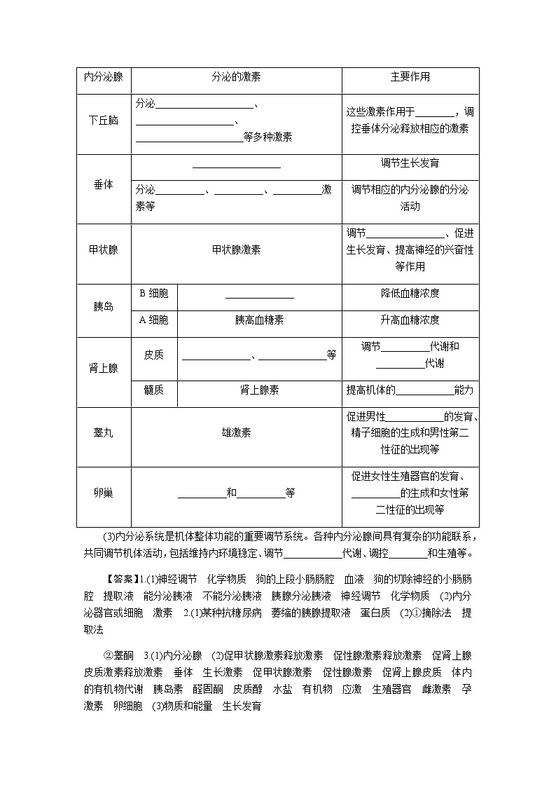
体液调节 第1节 激素与内分泌系统1.激素的发现(1)促胰液素的发现 探究者沃泰默斯他林、贝利斯实验假设胰液的分泌受____________的控制胰液的分泌受____________的调节实验步骤续表 探究者沃泰默斯他林、贝利斯实验现象A组、C组中的胰腺________________,B组中胰腺__________________________________实验结论小肠上微小的神经难以剔除,胰液的分泌受____________的控制胰液的分泌受____________的调节(2)激素调节的概念:由____________分泌的化学物质——____________进行调节的方式。2.激素研究的实例(1)胰岛素的发现 实验实验现象实验结论切除狗的胰腺狗患糖尿病胰腺能分泌____________的物质结扎狗的胰管,使胰腺萎缩只剩胰岛,将萎缩的胰腺提取液,注入因摘除胰腺而患糖尿病的狗体内狗的血糖迅速下降____________可以治疗糖尿病抑制胰蛋白酶的活性,直接提取胰腺中的胰岛素,用于糖尿病的治疗效果很好胰岛素的化学本质是____________(2)睾丸分泌雄激素的研究①研究方法:____________、移植法、____________。②结论:睾丸可以分泌____________,能激发并维持雄性的第二性征。3.内分泌系统的组成和功能(1)组成:由相对独立的____________以及兼有内分泌功能的细胞共同构成。(2)人体主要的内分泌腺及其分泌的激素 内分泌腺分泌的激素主要作用下丘脑分泌____________________、____________________、______________________等多种激素这些激素作用于________,调控垂体分泌释放相应的激素垂体__________________调节生长发育分泌__________、__________、__________激素等调节相应的内分泌腺的分泌活动甲状腺甲状腺激素调节________________、促进生长发育、提高神经的兴奋性等作用胰岛B细胞______________降低血糖浓度A细胞胰高血糖素升高血糖浓度肾上腺皮质______________、______________等调节__________代谢和__________代谢髓质肾上腺素提高机体的____________能力睾丸雄激素促进男性____________的发育、精子细胞的生成和男性第二性征的出现等卵巢__________和__________等促进女性生殖器官的发育、__________的生成和女性第二性征的出现等(3)内分泌系统是机体整体功能的重要调节系统。各种内分泌腺间具有复杂的功能联系,共同调节机体活动,包括维持内环境稳定、调节____________代谢、调控________和生殖等。【答案】1.(1)神经调节 化学物质 狗的上段小肠肠腔 血液 狗的切除神经的小肠肠腔 提取液 能分泌胰液 不能分泌胰液 胰腺分泌胰液 神经调节 化学物质 (2)内分泌器官或细胞 激素 2.(1)某种抗糖尿病 萎缩的胰腺提取液 蛋白质 (2)①摘除法 提取法②睾酮 3.(1)内分泌腺 (2)促甲状腺激素释放激素 促性腺激素释放激素 促肾上腺皮质激素释放激素 垂体 生长激素 促甲状腺激素 促性腺激素 促肾上腺皮质 体内的有机物代谢 胰岛素 醛固酮 皮质醇 水盐 有机物 应激 生殖器官 雌激素 孕激素 卵细胞 (3)物质和能量 生长发育1.将下列内分泌腺与其分泌的激素、功能连接起来。【答案】
2.正误判断(正确的打“√”,错误的打“×”)(1)促胰液素是由胰腺分泌的激素。( )(2)外分泌腺的分泌物经血液循环运输到全身各处。( )(3)甲状腺激素和生长激素都能促进生长发育。( )(4)内分泌细胞有的聚集在一起成为内分泌腺,有的分散在一些器官、组织内。( )(5)下丘脑和垂体都能分泌多种激素。( )(6)激素调节能调节物质和能量代谢。( )【答案】(1)× (2)× (3)√ (4)√ (5)√ (6)√1.动物激素的化学本质是什么?【答案】动物激素化学本质的归纳(2)氨基酸衍生物:甲状腺激素、肾上腺素。(3)固醇类激素:性激素。2.在斯他林和贝利斯的实验中,若要排除稀盐酸和小肠黏膜本身成分对实验结果的干扰,应该怎样设置对照实验?【答案】可设置两组对照实验:(1)稀盐酸同一条狗的静脉;(2)小肠黏膜提取液同一条狗的静脉。3.科研人员分别给三只大白鼠注射了A、B、C三种激素后,观察到的相应反应是:A可引起低血糖,甚至昏迷;B促进蛋白质的合成,并使软骨生长明显;C使呼吸、心率加快,并使体内产热增加。据此判断激素A、B、C的化学名称依次是什么。【答案】胰岛素、生长激素、甲状腺激素。研究动物激素功能的方法(1)基本思路:采用某种方法处理实验动物→出现相应的病理症状→添加激素后实验动物恢复正常→推测激素的生理作用。(2)研究方法激素方法实验探究甲状腺激素饲喂法用含有甲状腺激素的饲料饲喂蝌蚪,蝌蚪迅速发育成小青蛙摘除法手术摘除小狗的甲状腺,小狗发育停止;摘除成年狗的甲状腺,狗出现行动呆笨、精神萎靡、代谢中耗氧量显著降低、产热量减少等现象生长激素切除法切除小狗的垂体后,小狗的生长立即停滞注射法给切除垂体的小狗每天注射适量的生长激素,可逐渐恢复生长性激素摘除法公鸡和母鸡的生殖腺被摘除后,会逐渐丧失各自的第二性征移植法把公鸡睾丸移植到阉割过的母鸡身体,该母鸡就会逐渐长出公鸡型的鸡冠和长的尾羽,并且具有公鸡好斗的特性胰岛素注射法给饥饿18~24 h后的小白鼠注射一定剂量的胰岛素溶液,不久,小白鼠出现惊厥的低血糖症状,皮下注射葡萄糖溶液抢救,可以恢复结扎法将狗的胰管结扎,使胰腺萎缩;然后摘除另一只健康狗的胰腺,造成实验性糖尿病;之后从结扎的狗身上取出萎缩得只剩胰岛的胰腺制成提取液,注入因摘除胰腺患糖尿病的狗身上,患病狗血糖迅速下降(3)注意事项①动物分组的基本要求:选择性别、年龄相同,体重、生理状况相似的动物进行平均分组,且每组不能只有一只。②在研究动物激素生理功能的实验设计中,要注意设计对照实验,排除无关变量的影响,使实验结论更加科学。对照实验中,不能用蒸馏水代替生理盐水。③在设计实验时,要充分考虑相关激素的化学本质,选择不同的实验方法。④在实际操作过程中,可能要综合运用多种方法。如摘除某种内分泌腺(如公鸡的睾丸),一段时间后再注射该内分泌腺分泌的激素(如睾酮),或重新植入该内分泌腺等。⑤对于幼小的动物一般不用摘除法或注射法,例如研究甲状腺激素对蝌蚪发育的影响就应该采用饲喂法。【例1】一只成年雄狗仍然保持幼年的体态,且精神萎靡、反应迟钝、行动呆笨,无求偶行为,其原因是( ) A.睾丸发育不全 B.甲状腺功能低下C.生长激素分泌不足D.生长激素分泌不足,睾丸发育不全【解析】B 睾丸发育不全,可能会影响性行为和性功能,生长激素分泌不足会影响体重,而甲状腺激素的作用则是促进细胞代谢,提高神经系统的兴奋性,促进幼小动物体的生长发育,由此判定B项符合题意。【例2】当动物缺乏某种激素时,可以通过饲喂法或注射法对该激素进行人为补充,下列可通过饲喂法补充的是( )A.生长激素、胰岛素 B.甲状腺激素、性激素C.胰岛素、性激素 D.性激素、生长激素【解析】B 生长激素、胰岛素是蛋白质类激素,这类激素进入消化道后会被消化酶分解而失去作用,不能通过饲喂法补充;甲状腺激素是氨基酸衍生物,性激素是固醇类激素,可以通过饲喂法补充。
相关学案
这是一份高中生物人教版 (2019)选择性必修1第1节 激素与内分泌系统导学案,共8页。
这是一份高中生物人教版 (2019)选择性必修1第3章 体液调节第1节 激素与内分泌系统导学案,共6页。
这是一份人教版 (2019)选择性必修1第3章 体液调节第1节 激素与内分泌系统学案,共17页。学案主要包含了激素的发现,激素研究的实例,内分泌系统的组成和功能等内容,欢迎下载使用。