还剩19页未读,
继续阅读
人教版高考物理一轮复习第9章磁场第3讲带电粒子在复合场中的运动含答案
展开
第3讲 带电粒子在复合场中的运动
授课提示:对应学生用书第185页
一、带电粒子在复合场中的运动
1.叠加场与组合场
叠加场
电场、磁场、重力场在同一区域共存,或其中两场在同一区域共存
组合场
电场与磁场各位于一定的区域内,并不重叠;或在同一区域分时间段交替出现
2.带电体在复合场中常见的几种运动情况
(1)静止或匀速直线运动:带电粒子在复合场中所受合力为零。
(2)匀速圆周运动:带电粒子所受重力与电场力大小相等、方向相反,洛伦兹力提供向心力。
(3)其他变加速曲线运动:带电粒子所受合力的大小和方向均变化,且与初速度不在一条直线上。
如图,匀强磁场垂直于纸面向里,匀强电场竖直向下。一带负电粒子从左边沿水平方向射入复合场区域。
①若不计重力,且qvB=Eq,粒子做匀速直线运动。
②若考虑重力,且mg=Eq,粒子做匀速圆周运动。
③若不计重力,且qvB≠Eq,粒子做变速曲线运动。
二、带电粒子在复合场中运动的应用实例
装置
原理图
规 律
质谱仪
粒子由静止被加速电场加速qU=mv2,在磁场中做匀速圆周运动qvB=m,则比荷=
回旋加速器
交流电的周期和粒子做圆周运动的周期相等,粒子做圆周运动过程中每次经过D形盒缝隙都会被加速。由qvB=得Ekm=,R为D形盒半径
速度选择器
若qv0B=Eq,即v0=,粒子做匀速直线运动
授课提示:对应学生用书第185页
师生互动
1.组合场:电场与磁场各位于一定的区域内,并不重叠,或在同一区域,电场、磁场分时间段或分区域交替出现。
2.带电粒子在匀强电场、匀强磁场中可能的运动性质
在电场强度为E的匀强电场中
在磁感应强度为B的匀强磁场中
初速度为零
做初速度为零的匀加速直线运动
保持静止
初速度垂直场线
做匀变速曲线运动(类平抛运动)
做匀速圆周运动
初速度平行场线
做匀变速直线运动
做匀速直线运动
力学特点
受恒力作用,做匀变速运动
洛伦兹力不做功,动能不变
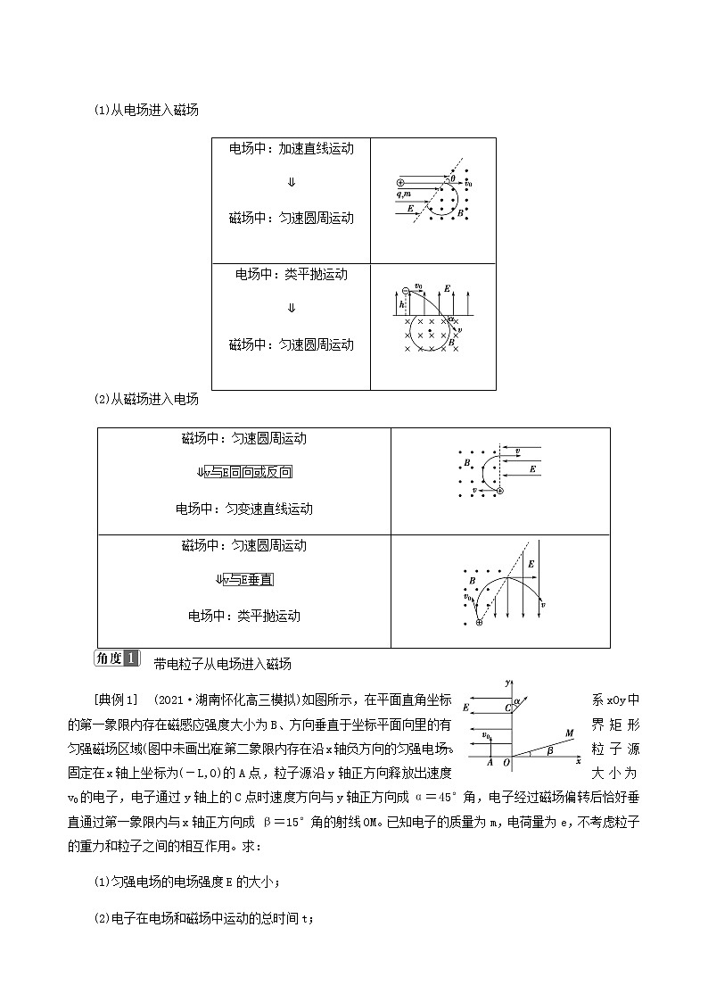
3.常见模型
(1)从电场进入磁场
⇓
⇓
(2)从磁场进入电场
⇓
⇓
带电粒子从电场进入磁场
[典例1] (2021·湖南怀化高三模拟)如图所示,在平面直角坐标系xOy中的第一象限内存在磁感应强度大小为B、方向垂直于坐标平面向里的有界矩形匀强磁场区域(图中未画出);在第二象限内存在沿x轴负方向的匀强电场。一粒子源固定在x轴上坐标为(-L,0)的A点,粒子源沿y轴正方向释放出速度大小为v0的电子,电子通过y轴上的C点时速度方向与y轴正方向成α=45°角,电子经过磁场偏转后恰好垂直通过第一象限内与x轴正方向成 β=15°角的射线OM。已知电子的质量为m,电荷量为e,不考虑粒子的重力和粒子之间的相互作用。求:
(1)匀强电场的电场强度E的大小;
(2)电子在电场和磁场中运动的总时间t;
(3)矩形磁场区域的最小面积Smin。
[解析] (1)电子从A到C的过程中,由动能定理得
eEL=mv-mv,
又有vCcos α=v0,
联立解得E=。
(2)电子在电场中做类平抛运动,沿电场方向有
L=t1,其中vC=,
由数学知识知电子在磁场中的速度偏向角等于圆心角,θ=π-α-β=,
电子在磁场中的运动时间t2=T,其中T=,
电子在电场和磁场中运动的总时间t=t1+t2,联立解得
t=+。
(3)电子在磁场中做匀速圆周运动,洛伦兹力提供向心力,则有evCB=m,
最小矩形区域如图所示,
由数学知识得CD=2r·sin ,CQ=r-rcos ,矩形区域的最小面积Smin=CD·CQ,
联立解得Smin=()2。
[答案] (1) (2)+ (3)()2
带电粒子从磁场进入电场
[典例2] 在如图所示的坐标系中,第一和第二象限(包括y轴的正半轴)内存在磁感应强度大小为B、方向垂直xOy平面向里的匀强磁场;第三和第四象限内存在平行于y轴正方向、大小未知的匀强电场。p点为y轴正半轴上的一点,坐标为(0,l);n点为y轴负半轴上的一点,坐标未知。现有一质量为m、电荷量为q的带正电的粒子由p点沿y轴正方向以一定的速度射入匀强磁场,该粒子经磁场偏转后以与x轴正半轴成45°角的方向进入匀强电场,在电场中运动一段时间后,该粒子恰好垂直于y轴经过n点。粒子的重力忽略不计。求:
(1)粒子在p点的速度大小;
(2)第三和第四象限内的电场强度的大小;
(3)带电粒子从由p点进入磁场到第三次通过x轴的总时间。
[解析] 粒子在复合场中的运动轨迹如图所示。
(1)由几何关系可知rsin 45°=l,解得r=l。
又因为qv0B=m,
可解得v0=。
(2)粒子进入电场在第三象限内的运动可视为平抛运动的逆过程,设粒子射入电场坐标为(-x1,0),从粒子射入电场到粒子经过n点的时间为t2,由几何关系知x1=(+1)l,在n点有v2=v1=v0。
由类平抛运动规律有
(+1)l=v0t2,
v0=at2=t2,
联立以上方程解得t2=,E=。
(3)粒子在磁场中的运动周期为T=,
粒子第一次在磁场中运动的时间为t1=T=,
粒子在电场中运动的时间为2t2=,
粒子第二次在磁场中运动的时间为t3=T=,
故粒子从开始到第三次通过x轴所用时间为
t=t1+2t2+t3=(+2+2)。
[答案] (1) (2)
(3)(+2+2)
规律总结
“5步”突破带电粒子在组合场中的运动问题
———————————————————————
1.在如图所示的平面直角坐标系中,存在一个半径R=0.2 m的圆形匀强磁场区域,磁感应强度B=1.0 T,方向垂直纸面向外,该磁场区域的右边缘与y坐标轴相切于原点O点。y轴右侧存在一个匀强电场,方向沿y轴正方向,电场区域宽度l=0.1 m。现从坐标为(-0.2 m,-0.2 m)的P点发射出质量m=2.0×10-9kg、带电荷量q=5.0×10-5C的带正电粒子,沿y轴正方向射入匀强磁场,速度大小v0=5.0×103m/s(粒子重力不计)。
(1)带电粒子从坐标为(0.1 m,0.05 m)的点射出电场,求该电场强度的大小;
(2)为了使该带电粒子能从坐标为(0.1 m,-0.05 m)的点回到电场,可在紧邻电场的右侧区域内加匀强磁场,试求所加匀强磁场的磁感应强度大小和方向。
解析:(1)带正电粒子在磁场中做匀速圆周运动,根据洛伦兹力提供向心力有qv0B=m,
可得r=0.20 m=R。
根据几何关系可以知道,带电粒子恰从O点沿x轴进入电场,带电粒子做类平抛运动,设粒子到达电场边缘时,竖直方向的位移为y。
根据类平抛规律可得l=v0t,y=at2,
根据牛顿第二定律可得Eq=ma,
联立可得E=1.0×104N/C。
(2)粒子飞离电场时,沿电场方向速度
vy=at=·=5.0×103m/s=v0,
粒子射出电场时速度v=v0,
根据几何关系可知,粒子在匀强电场右侧所加磁场区域中做圆周运动半径r′=y,
根据洛伦兹力提供向心力可得qvB′=m,
联立可得所加匀强磁场的磁感应强度大小B′==4 T,
根据左手定则可知所加磁场方向垂直纸面向外。
答案:(1)1.0×104N/C (2)4 T 方向垂直纸面向外
2.(2021·山东潍坊检测)在平面坐标系第Ⅰ、Ⅱ象限内有垂直坐标平面向里的匀强磁场,在第Ⅲ象限内有M、N两个竖直平行金属板,板间的电压为U,在第Ⅳ象限内有沿y轴正方向的匀强电场。一质量为m、电荷量为q的带正电的粒子(不计粒子重力)从靠近M板的S点由静止开始做加速运动,从y轴上y=-l处的A点垂直于y轴射入电场,从x=2l的C点离开电场,经磁场后再次到达x轴时刚好从坐标原点O处经过。求:
(1)粒子运动到A点的速度大小;
(2)电场强度E和磁感应强度B的大小;
(3)带正电粒子从A运动到O经历的时间。
解析:(1)设粒子运动到A点的速度大小为v0,由动能定理得qU=mv
可得粒子运动到A点的速度大小v0=。
(2)粒子在电场中做类平抛运动,设经历时间为t1,则
2l=v0t1
l=×t
整理得E==
设粒子离开电场时速度大小为v,与x轴夹角为α,
则qEl=mv2-mv
cos α=
设粒子在磁场中做圆周运动的半径为R,则
2Rsin α=2l,qvB=m
整理得B==。
(3)由(2)可知α=,所以粒子在磁场中运动的时间
t2=×
故tAO=t1+t2
解得tAO==。
答案:见解析
师生互动
1.带电粒子在包含匀强磁场的叠加场中无约束情况下运动的几种常见形式
受力特点
运动性质
方法规律
其他场力的合力与洛伦兹力等大反向
匀速直线运动
平衡条件
除洛伦兹力外,其他力的合力为零
匀速圆周运动
牛顿第二定律、圆周运动的规律
除洛伦兹力外,其他力的合力既不为零,也不与洛伦兹力等大反向
较复杂的曲线运动
动能定理、能量守恒定律
2.带电粒子在叠加场中有约束情况下的运动
带电粒子在叠加场中受轻杆、轻绳、圆环、轨道约束的情况下,常见的运动形式有直线运动和圆周运动,分析时应注意:
(1)分析带电粒子所受各力尤其是洛伦兹力的变化情况,分阶段明确物体的运动情况。
(2)根据物体各阶段的运动特点,选择合适的规律求解。
①匀速直线运动阶段:应用平衡条件求解。
②匀加速直线运动阶段:应用牛顿第二定律结合运动学公式求解。
③变加速直线运动阶段:应用动能定理、能量守恒定律求解。
3.是否考虑重力的判断
(1)对于微观粒子,如电子、质子、离子等,若无特殊说明,一般不考虑重力;对于宏观带电小物体,如带电小球、尘埃、油滴、液滴等,若无特殊说明,一般需要考虑重力。
(2)题目中已明确说明则需要考虑重力。
(3)不能直接判断是否需要考虑重力的,在进行受力分析和运动分析时,由分析结果确定是否考虑重力。
带电粒子在叠加场中无约束情况下的运动
[典例3] 如图所示,区域Ⅰ内有与水平方向成45°角的匀强电场,区域宽度为d1,区域Ⅱ内有正交的有界匀强磁场和匀强电场,区域宽度为d2,磁场方向垂直纸面向里,电场方向竖直向下。一质量为m、电荷量为q的微粒在区域Ⅰ左边界的P点由静止释放后水平向右做直线运动,进入区域Ⅱ后做匀速圆周运动,从区域Ⅱ右边界上的Q点穿出,其速度方向改变了60°,重力加速度为g,求:
(1)区域Ⅰ和区域Ⅱ内匀强电场的电场强度E1、E2的大小;
(2)区域Ⅱ内匀强磁场的磁感应强度B的大小;
(3)微粒从P运动到Q的时间。
[解析] (1)微粒在区域Ⅰ内水平向右做直线运动,则在竖直方向上,有qE1sin 45°=mg,
解得E1=,
微粒在区域Ⅱ内做匀速圆周运动,则在竖直方向上,有
mg=qE2,解得E2=。
(2)设微粒在区域Ⅰ内水平向右做直线运动时加速度为a,离开区域Ⅰ时速度为v,在区域Ⅱ内做匀速圆周运动的轨道半径为R,则a==g,
v2=2ad1,Rsin 60°=d2,
qvB=m,解得B= 。
(3)微粒在区域Ⅰ内做匀加速直线运动,t1= ,
在区域Ⅱ内做匀速圆周运动的圆心角为60°,
而T=,
则t2== ,
微粒从P运动到Q的时间
t=t1+t2= + 。
[答案] (1) (2)
(3) +
带电粒子在叠加场中有约束情况下的运动
[典例4] 如图所示,与水平面成37°的倾斜轨道AC,其延长线在D点与半圆轨道DF相切,轨道半径R=1 m,轨道均为绝缘材料制成且位于竖直面内,整个空间存在水平向左的匀强电场,MN的右侧存在垂直于纸面向里的匀强磁场(C点在MN边界上)。一质量为0.4 kg的带电小球沿轨道AC下滑,至C点时速度v0= m/s,接着沿直线CD运动到D处进入半圆轨道,进入时无动能损失,且恰好能通过F点,在F点速度vF=4 m/s,不计空气阻力,g取10 m/s2,cos 37°=0.8,求:
(1)小球带何种电荷;
(2)小球在半圆轨道部分克服摩擦力所做的功;
(3)小球从F点飞出的同时磁场消失,小球离开F点后的运动轨迹与轨道AC所在直线的交点为G(G点未标出),求G点到D点的距离。
[解析] (1)在MN右侧,小球受到重力、电场力与洛伦兹力作用,如果小球带负电荷,电场力水平向右,洛伦兹力指向左下方,重力竖直向下,小球受到的合力不可能为零,小球不可能做直线运动,则小球带正电荷。
(2)小球在C、D间做匀速直线运动,则在D点的速度与C点的速度大小相等,即vD= m/s,
电场力与重力的合力F0==5 N。
从D到F的过程,对小球,
由动能定理可得-Wf-F0·2R=mv-mv,
代入数据解得Wf≈27.6 J。
(3)小球离开F点后做类平拋运动,加速度a=,
2R=at2,代入数据解得t= s,
G点到D点的距离x=vFt=4× m≈2.26 m。
[答案] (1)带正电荷 (2)27.6 J (3)2.26 m
3.(多选)如图所示,竖直放置的两块很大的平行金属板a、b,相距为d,ab间的电场强度为E,有一带正电的微粒从a板下边缘以初速度v0竖直向上射入电场,当它飞到b板时,速度大小不变,而方向变为水平方向,且刚好从高度也为d的狭缝穿过b板而进入bc区域,bc区域的宽度也为d,所加电场强度大小为E,方向竖直向上,磁感应强度方向垂直纸面向里,磁场磁感应强度大小等于,重力加速度为g,则下列关于粒子运动的有关说法正确的是( )
A.粒子在ab区域的运动时间为
B.粒子在bc区域中做匀速圆周运动,圆周半径r=2d
C.粒子在bc区域中做匀速圆周运动,运动时间为
D.粒子在ab、bc区域中运动的总时间为
解析:粒子在ab区域,竖直方向上做匀减速运动,由v0=gt得t=,故A正确;水平方向上做匀加速运动,a==g,则qE=mg,进入bc区域,电场力大小未变,方向竖直向上,电场力与重力平衡,粒子做匀速圆周运动,由qv0B=,得r=,代入数据得r=,又v=2gd,解得r=2d,故B正确;在bc区域,粒子运动轨迹所对圆心角为α,sin α=,α=,运动时间:t===,故C错误;粒子在ab区域的运动时间也可以表示为:t==,所以总时间t总=+=,故D正确。
答案:ABD
4.(2021·河北衡水高三调研)如图所示,在平面直角坐标系中,AO是∠xOy的角平分线,x轴上方存在水平向左的匀强电场,下方存在竖直向上的匀强电场和垂直纸面向里的匀强磁场,两电场的电场强度大小相等。一质量为m、电荷量为+q的质点从OA上的M点由静止释放,质点恰能沿AO运动且通过O点,经偏转后从x轴上的C点(图中未画出)进入第一象限内并击中AO上的D点(图中未画出)。已知OM的长度L1=20 m,匀强磁场的磁感应强度大小为B=(T),重力加速度g取10 m/s2。求:
(1)两匀强电场的电场强度E的大小;
(2)OC的长度L2;
(3)质点从M点出发到击中D点所经历的时间t。
解析:(1)质点在第一象限内受重力和水平向左的电场力,沿AO做匀加速直线运动,所以有mg=qE
解得E=。
(2)质点从M到O做匀加速直线运动,设质点到达O点的速度为v
由运动学规律知v2=2aL1
由牛顿第二定律得 mg=ma
解得v=20 m/s
质点在x轴下方,重力与电场力平衡,质点做匀速圆周运动,从C点进入第一象限后做类平抛运动,设圆周运动的半径为R,其轨迹如图所示
由牛顿定律有Bqv=m
解得R=20 m
由几何知识可知OC的长度L2=2Rcos 45°=40 m。
(3)质点从M到O的时间t1==2 s
质点做圆周运动时间
t2=T=×=π s=4.71 s
质点做类平抛运动时间t3==1 s
质点全过程所经历的时间t=t1+t2+t3=7.71 s。
答案:(1) (2)40 m (3)7.71 s
教材直通高考
模型一 “组合场”实例模型(质谱仪和回旋加速器)
装置
原理图
规律
质谱仪
带电粒子由静止被加速
电场加速,qU=mv2,
在磁场中做匀速圆周运
动,qvB=m,则比荷
=
回
旋
加
速
器
交变电流的周期和带电粒子做圆周运动的周期相同,带电粒子在圆周运动过程中每次经过D形盒缝隙都会被加速。由qvB=m得Ekm=
模型二 “叠加场”实例模型(速度选择器等)
装置
原理图
规律
速度选择器
若qv0B=Eq,即v0=,粒子做匀速直线运动
磁流体发电机
等离子体射入,受洛伦兹力偏转,使两极板带正、负电,两极电压为U时稳定,q=qv0B,U=Bdv0
电磁流量计
q=qvB,所以v=,所以流量Q=vS=
霍尔
元件
当磁场方向与电流方向垂直时,导体在与磁场、电流方向都垂直的方向上出现电势差
带电粒子在复合场中的实例模型是近几年高考联系科技、生活问题的命题热点,分析高考题可以发现,每年的考题都是源于教材习题的拓展提升。教材习题多是以质谱仪或回旋加速器为背景的简单分析与计算,而高考题通常会拓展为带电粒子在复合场中的实例模型原理的理解及应用,考查学生灵活应用物理知识解决实际问题的能力。同学们可通过以下示例认真体会,研究高考真题与教材习题间的溯源关系,以便在新高考复习中做到有的放矢。
[典例5] [人教版选修3-1·P100·例题]
一个质量为m、电荷量为q的粒子,从容器A下方的小孔S1飘入电势差为U的加速电场,其初速度几乎为0,然后经过S3沿着与磁场垂直的方向进入磁感应强度为B的匀强磁场中,最后打到照相底片D上。
(1)求粒子进入磁场时的速率。
(2)求粒子在磁场中运动的轨道半径。
[解析] (1)带电粒子在加速电场中运动,由动能定理有
qU=mv2,粒子进入磁场时的速率:v= 。
(2)粒子在磁场中做匀速圆周运动,由洛伦兹力提供向心力,则有qvB=m,解得R== 。
[答案] (1) (2)
拓展❶ “电磁偏转”在科技中的应用
(2018·高考全国卷Ⅲ)如图,从离子源产生的甲、乙两种离子,由静止经加速电压U加速后在纸面内水平向右运动,自M点垂直于磁场边界射入匀强磁场,磁场方向垂直于纸面向里,磁场左边界竖直。已知甲种离子射入磁场的速度大小为v1,并在磁场边界的N点射出;乙种离子在MN的中点射出;MN长为l。不计重力影响和离子间的相互作用。求:
(1)磁场的磁感应强度大小;
(2)甲、乙两种离子的比荷之比。
【真题命题立意】 本题在典例5中直接应用公式计算速度和半径的基础上,拓展为根据质谱仪原理分析计算磁感应强度和比荷,但考查的核心知识点都是带电粒子在电场中的加速运动与磁场中圆周运动的组合。
解析:(1)设甲种离子所带电荷量为q1、质量为m1,在磁场中做匀速圆周运动的半径为R1,磁场的磁感应强度大小为B,由动能定理有
q1U=m1v,①
由洛伦兹力公式和牛顿第二定律有
q1v1 B=m1,②
由几何关系知
2R1=l,③
由①②③式得
B=。④
(2)设乙种离子所带电荷量为q2、质量为m2,射入磁场的速度为v2,在磁场中做匀速圆周运动的半径为R2。同理有
q2U=m2v,⑤
q2v2B=m2,⑥
由题给条件有
2R2=,⑦
由①②③⑤⑥⑦式得,甲、乙两种离子的比荷之比为
∶=1∶4。⑧
答案:(1) (2)1∶4
拓展❷ “电磁偏转”在医疗中的应用
(2020·高考全国卷Ⅱ)CT扫描是计算机X射线断层扫描技术的简称,CT扫描机可用于对多种病情的探测。图(a)是某种CT机主要部分的剖面图,其中X射线产生部分的示意图如图(b)所示。图(b)中M、N之间有一电子束的加速电场,虚线框内有匀强偏转磁场;经调节后电子束从静止开始沿带箭头的实线所示的方向前进,打到靶上,产生X射线(如图中带箭头的虚线所示);将电子束打到靶上的点记为P点。则( )
A.M处的电势高于N处的电势
B.增大M、N之间的加速电压可使P点左移
C.偏转磁场的方向垂直于纸面向外
D.增大偏转磁场磁感应强度的大小可使P点左移
【真题命题立意】 本题在典例5中直接应用公式计算速度和半径的基础上,拓展为根据“电磁偏转”原理分析计算电子做匀速圆周运动的半径,医学上利用X射线探测人体病情,但考查的核心知识点都是带电粒子在电场中的加速运动与磁场中圆周运动的组合。
解析:电子在M、N间受向右的电场力,电场方向向左,故M处的电势低于N处的电势,A错误;加速电压增大,可使电子获得更大的速度,根据r=可知,电子在磁场中做圆周运动的半径变大,P点右移,B错误;电子受洛伦兹力方向向下,根据左手定则,可判断磁场方向垂直于纸面向里,C错误;根据r=可知,B增大,可使电子在磁场中做圆周运动的半径变小,P点左移,D正确。
答案:D
规律总结
解决电磁场科学技术问题的思路
———————————————————————
解决与电、磁场有关的实际问题,首先应通过分析将其提炼成纯粹的物理问题,然后用解决物理问题的方法进行分析。对于带电粒子在磁场中的运动,还应特别注意运用几何知识寻找关系。
5.(多选)(2020·吉林省吉林市高三下学期四调)如图所示是医用回旋加速器示意图,其核心部分是两个D形金属盒,两金属盒置于匀强磁场中,并分别与高频电源相连。现分别加速氘核(H)和氦核(He)。下列说法中正确的是( )
A.氘核(H)的最大速度较大
B.它们在D形盒内运动的周期相同
C.氦核(He)的最大动能较大
D.仅增大高频电源的频率可增大粒子的最大动能
解析:根据qvB=m,得v=,两粒子的比荷相等,所以最大速度相等,故A错误;带电粒子在磁场中运动的周期T=,两粒子的比荷相等,所以周期相等,故B正确;最大动能Ek=mv2=,则有氦核的最大动能较大,粒子的最大动能与电源的频率无关,故C正确,D错误。
答案:BC
6.(多选)(2021·江苏启东高三联考)响应国家号召,我省启动“263”专项行动,打响碧水蓝天保卫战。暗访组在某化工厂的排污管末端安装了如图所示的流量计,测量管由绝缘材料制成,其长为L、直径为D,左、右两端开口,匀强磁场方向竖直向下,在前后两个内侧面a、c固定有金属板作为电极。污水充满管口从左向右流经测量管时,a、c两端电压为U,显示仪器显示污水流量Q(单位时间内排出的污水体积)。则( )
A.a侧电势比c侧电势高
B.污水中离子浓度越高,显示仪器的示数将越大
C.若污水从右侧流入测量管,显示器显示为负值,将磁场反向则显示为正值
D.污水流量Q与U成正比,与L、D无关
解析:根据左手定则可知,正离子向a侧偏转,则仪器显示a侧电势比c侧电势高,选项A正确;根据qvB=q可得U=BDv,可知显示仪器的示数与污水中离子浓度无关,选项B错误;若污水从右侧流入测量管,则受磁场力使得正离子偏向c侧,则c端电势高,显示器显示为负值,将磁场反向,则受磁场力使得正离子偏向a侧,则显示为正值,选项C正确;污水流量Q=Sv=πD2×=,则污水流量Q与U成正比,与D有关,与L无关,选项D错误。
答案:AC
7.(多选)(2020·湖南怀化质检)磁流体发电是一项新兴技术。如图所示,平行金属板之间有一个很强的磁场,将一束含有大量正、负带电粒子的等离子体,沿图中所示方向喷入磁场。图中虚线框部分相当于发电机。把两个极板与用电器相连,则( )
A.用电器中的电流方向从B到A
B.用电器中的电流方向从A到B
C.若只减小磁场,发电机的电动势增大
D.若只增大喷入粒子的速度,发电机的电动势增大
解析:首先对等离子体进行动态分析:开始时由左手定则判断正离子所受洛伦兹力方向向上,负离子所受洛伦兹力方向向下,则正离子向上板聚集,负离子则向下板聚集,两板间产生了电势差,即金属板变为一电源,且上板为正极,下板为负极,所以通过用电器的电流方向从A到B,故B正确,A错误;此后的正离子除受到向上的洛伦兹力f外还受到向下的电场力F,最终两力达到平衡,即最终等离子体将匀速通过磁场区域,因f=qvB,F=q,则qvB=q,解得E=Bdv,所以电动势E与速度v及磁感应强度B成正比,故D正确,C错误。
答案:BD
授课提示:对应学生用书第185页
一、带电粒子在复合场中的运动
1.叠加场与组合场
叠加场
电场、磁场、重力场在同一区域共存,或其中两场在同一区域共存
组合场
电场与磁场各位于一定的区域内,并不重叠;或在同一区域分时间段交替出现
2.带电体在复合场中常见的几种运动情况
(1)静止或匀速直线运动:带电粒子在复合场中所受合力为零。
(2)匀速圆周运动:带电粒子所受重力与电场力大小相等、方向相反,洛伦兹力提供向心力。
(3)其他变加速曲线运动:带电粒子所受合力的大小和方向均变化,且与初速度不在一条直线上。
如图,匀强磁场垂直于纸面向里,匀强电场竖直向下。一带负电粒子从左边沿水平方向射入复合场区域。
①若不计重力,且qvB=Eq,粒子做匀速直线运动。
②若考虑重力,且mg=Eq,粒子做匀速圆周运动。
③若不计重力,且qvB≠Eq,粒子做变速曲线运动。
二、带电粒子在复合场中运动的应用实例
装置
原理图
规 律
质谱仪
粒子由静止被加速电场加速qU=mv2,在磁场中做匀速圆周运动qvB=m,则比荷=
回旋加速器
交流电的周期和粒子做圆周运动的周期相等,粒子做圆周运动过程中每次经过D形盒缝隙都会被加速。由qvB=得Ekm=,R为D形盒半径
速度选择器
若qv0B=Eq,即v0=,粒子做匀速直线运动
授课提示:对应学生用书第185页
师生互动
1.组合场:电场与磁场各位于一定的区域内,并不重叠,或在同一区域,电场、磁场分时间段或分区域交替出现。
2.带电粒子在匀强电场、匀强磁场中可能的运动性质
在电场强度为E的匀强电场中
在磁感应强度为B的匀强磁场中
初速度为零
做初速度为零的匀加速直线运动
保持静止
初速度垂直场线
做匀变速曲线运动(类平抛运动)
做匀速圆周运动
初速度平行场线
做匀变速直线运动
做匀速直线运动
力学特点
受恒力作用,做匀变速运动
洛伦兹力不做功,动能不变
3.常见模型
(1)从电场进入磁场
⇓
⇓
(2)从磁场进入电场
⇓
⇓
带电粒子从电场进入磁场
[典例1] (2021·湖南怀化高三模拟)如图所示,在平面直角坐标系xOy中的第一象限内存在磁感应强度大小为B、方向垂直于坐标平面向里的有界矩形匀强磁场区域(图中未画出);在第二象限内存在沿x轴负方向的匀强电场。一粒子源固定在x轴上坐标为(-L,0)的A点,粒子源沿y轴正方向释放出速度大小为v0的电子,电子通过y轴上的C点时速度方向与y轴正方向成α=45°角,电子经过磁场偏转后恰好垂直通过第一象限内与x轴正方向成 β=15°角的射线OM。已知电子的质量为m,电荷量为e,不考虑粒子的重力和粒子之间的相互作用。求:
(1)匀强电场的电场强度E的大小;
(2)电子在电场和磁场中运动的总时间t;
(3)矩形磁场区域的最小面积Smin。
[解析] (1)电子从A到C的过程中,由动能定理得
eEL=mv-mv,
又有vCcos α=v0,
联立解得E=。
(2)电子在电场中做类平抛运动,沿电场方向有
L=t1,其中vC=,
由数学知识知电子在磁场中的速度偏向角等于圆心角,θ=π-α-β=,
电子在磁场中的运动时间t2=T,其中T=,
电子在电场和磁场中运动的总时间t=t1+t2,联立解得
t=+。
(3)电子在磁场中做匀速圆周运动,洛伦兹力提供向心力,则有evCB=m,
最小矩形区域如图所示,
由数学知识得CD=2r·sin ,CQ=r-rcos ,矩形区域的最小面积Smin=CD·CQ,
联立解得Smin=()2。
[答案] (1) (2)+ (3)()2
带电粒子从磁场进入电场
[典例2] 在如图所示的坐标系中,第一和第二象限(包括y轴的正半轴)内存在磁感应强度大小为B、方向垂直xOy平面向里的匀强磁场;第三和第四象限内存在平行于y轴正方向、大小未知的匀强电场。p点为y轴正半轴上的一点,坐标为(0,l);n点为y轴负半轴上的一点,坐标未知。现有一质量为m、电荷量为q的带正电的粒子由p点沿y轴正方向以一定的速度射入匀强磁场,该粒子经磁场偏转后以与x轴正半轴成45°角的方向进入匀强电场,在电场中运动一段时间后,该粒子恰好垂直于y轴经过n点。粒子的重力忽略不计。求:
(1)粒子在p点的速度大小;
(2)第三和第四象限内的电场强度的大小;
(3)带电粒子从由p点进入磁场到第三次通过x轴的总时间。
[解析] 粒子在复合场中的运动轨迹如图所示。
(1)由几何关系可知rsin 45°=l,解得r=l。
又因为qv0B=m,
可解得v0=。
(2)粒子进入电场在第三象限内的运动可视为平抛运动的逆过程,设粒子射入电场坐标为(-x1,0),从粒子射入电场到粒子经过n点的时间为t2,由几何关系知x1=(+1)l,在n点有v2=v1=v0。
由类平抛运动规律有
(+1)l=v0t2,
v0=at2=t2,
联立以上方程解得t2=,E=。
(3)粒子在磁场中的运动周期为T=,
粒子第一次在磁场中运动的时间为t1=T=,
粒子在电场中运动的时间为2t2=,
粒子第二次在磁场中运动的时间为t3=T=,
故粒子从开始到第三次通过x轴所用时间为
t=t1+2t2+t3=(+2+2)。
[答案] (1) (2)
(3)(+2+2)
规律总结
“5步”突破带电粒子在组合场中的运动问题
———————————————————————
1.在如图所示的平面直角坐标系中,存在一个半径R=0.2 m的圆形匀强磁场区域,磁感应强度B=1.0 T,方向垂直纸面向外,该磁场区域的右边缘与y坐标轴相切于原点O点。y轴右侧存在一个匀强电场,方向沿y轴正方向,电场区域宽度l=0.1 m。现从坐标为(-0.2 m,-0.2 m)的P点发射出质量m=2.0×10-9kg、带电荷量q=5.0×10-5C的带正电粒子,沿y轴正方向射入匀强磁场,速度大小v0=5.0×103m/s(粒子重力不计)。
(1)带电粒子从坐标为(0.1 m,0.05 m)的点射出电场,求该电场强度的大小;
(2)为了使该带电粒子能从坐标为(0.1 m,-0.05 m)的点回到电场,可在紧邻电场的右侧区域内加匀强磁场,试求所加匀强磁场的磁感应强度大小和方向。
解析:(1)带正电粒子在磁场中做匀速圆周运动,根据洛伦兹力提供向心力有qv0B=m,
可得r=0.20 m=R。
根据几何关系可以知道,带电粒子恰从O点沿x轴进入电场,带电粒子做类平抛运动,设粒子到达电场边缘时,竖直方向的位移为y。
根据类平抛规律可得l=v0t,y=at2,
根据牛顿第二定律可得Eq=ma,
联立可得E=1.0×104N/C。
(2)粒子飞离电场时,沿电场方向速度
vy=at=·=5.0×103m/s=v0,
粒子射出电场时速度v=v0,
根据几何关系可知,粒子在匀强电场右侧所加磁场区域中做圆周运动半径r′=y,
根据洛伦兹力提供向心力可得qvB′=m,
联立可得所加匀强磁场的磁感应强度大小B′==4 T,
根据左手定则可知所加磁场方向垂直纸面向外。
答案:(1)1.0×104N/C (2)4 T 方向垂直纸面向外
2.(2021·山东潍坊检测)在平面坐标系第Ⅰ、Ⅱ象限内有垂直坐标平面向里的匀强磁场,在第Ⅲ象限内有M、N两个竖直平行金属板,板间的电压为U,在第Ⅳ象限内有沿y轴正方向的匀强电场。一质量为m、电荷量为q的带正电的粒子(不计粒子重力)从靠近M板的S点由静止开始做加速运动,从y轴上y=-l处的A点垂直于y轴射入电场,从x=2l的C点离开电场,经磁场后再次到达x轴时刚好从坐标原点O处经过。求:
(1)粒子运动到A点的速度大小;
(2)电场强度E和磁感应强度B的大小;
(3)带正电粒子从A运动到O经历的时间。
解析:(1)设粒子运动到A点的速度大小为v0,由动能定理得qU=mv
可得粒子运动到A点的速度大小v0=。
(2)粒子在电场中做类平抛运动,设经历时间为t1,则
2l=v0t1
l=×t
整理得E==
设粒子离开电场时速度大小为v,与x轴夹角为α,
则qEl=mv2-mv
cos α=
设粒子在磁场中做圆周运动的半径为R,则
2Rsin α=2l,qvB=m
整理得B==。
(3)由(2)可知α=,所以粒子在磁场中运动的时间
t2=×
故tAO=t1+t2
解得tAO==。
答案:见解析
师生互动
1.带电粒子在包含匀强磁场的叠加场中无约束情况下运动的几种常见形式
受力特点
运动性质
方法规律
其他场力的合力与洛伦兹力等大反向
匀速直线运动
平衡条件
除洛伦兹力外,其他力的合力为零
匀速圆周运动
牛顿第二定律、圆周运动的规律
除洛伦兹力外,其他力的合力既不为零,也不与洛伦兹力等大反向
较复杂的曲线运动
动能定理、能量守恒定律
2.带电粒子在叠加场中有约束情况下的运动
带电粒子在叠加场中受轻杆、轻绳、圆环、轨道约束的情况下,常见的运动形式有直线运动和圆周运动,分析时应注意:
(1)分析带电粒子所受各力尤其是洛伦兹力的变化情况,分阶段明确物体的运动情况。
(2)根据物体各阶段的运动特点,选择合适的规律求解。
①匀速直线运动阶段:应用平衡条件求解。
②匀加速直线运动阶段:应用牛顿第二定律结合运动学公式求解。
③变加速直线运动阶段:应用动能定理、能量守恒定律求解。
3.是否考虑重力的判断
(1)对于微观粒子,如电子、质子、离子等,若无特殊说明,一般不考虑重力;对于宏观带电小物体,如带电小球、尘埃、油滴、液滴等,若无特殊说明,一般需要考虑重力。
(2)题目中已明确说明则需要考虑重力。
(3)不能直接判断是否需要考虑重力的,在进行受力分析和运动分析时,由分析结果确定是否考虑重力。
带电粒子在叠加场中无约束情况下的运动
[典例3] 如图所示,区域Ⅰ内有与水平方向成45°角的匀强电场,区域宽度为d1,区域Ⅱ内有正交的有界匀强磁场和匀强电场,区域宽度为d2,磁场方向垂直纸面向里,电场方向竖直向下。一质量为m、电荷量为q的微粒在区域Ⅰ左边界的P点由静止释放后水平向右做直线运动,进入区域Ⅱ后做匀速圆周运动,从区域Ⅱ右边界上的Q点穿出,其速度方向改变了60°,重力加速度为g,求:
(1)区域Ⅰ和区域Ⅱ内匀强电场的电场强度E1、E2的大小;
(2)区域Ⅱ内匀强磁场的磁感应强度B的大小;
(3)微粒从P运动到Q的时间。
[解析] (1)微粒在区域Ⅰ内水平向右做直线运动,则在竖直方向上,有qE1sin 45°=mg,
解得E1=,
微粒在区域Ⅱ内做匀速圆周运动,则在竖直方向上,有
mg=qE2,解得E2=。
(2)设微粒在区域Ⅰ内水平向右做直线运动时加速度为a,离开区域Ⅰ时速度为v,在区域Ⅱ内做匀速圆周运动的轨道半径为R,则a==g,
v2=2ad1,Rsin 60°=d2,
qvB=m,解得B= 。
(3)微粒在区域Ⅰ内做匀加速直线运动,t1= ,
在区域Ⅱ内做匀速圆周运动的圆心角为60°,
而T=,
则t2== ,
微粒从P运动到Q的时间
t=t1+t2= + 。
[答案] (1) (2)
(3) +
带电粒子在叠加场中有约束情况下的运动
[典例4] 如图所示,与水平面成37°的倾斜轨道AC,其延长线在D点与半圆轨道DF相切,轨道半径R=1 m,轨道均为绝缘材料制成且位于竖直面内,整个空间存在水平向左的匀强电场,MN的右侧存在垂直于纸面向里的匀强磁场(C点在MN边界上)。一质量为0.4 kg的带电小球沿轨道AC下滑,至C点时速度v0= m/s,接着沿直线CD运动到D处进入半圆轨道,进入时无动能损失,且恰好能通过F点,在F点速度vF=4 m/s,不计空气阻力,g取10 m/s2,cos 37°=0.8,求:
(1)小球带何种电荷;
(2)小球在半圆轨道部分克服摩擦力所做的功;
(3)小球从F点飞出的同时磁场消失,小球离开F点后的运动轨迹与轨道AC所在直线的交点为G(G点未标出),求G点到D点的距离。
[解析] (1)在MN右侧,小球受到重力、电场力与洛伦兹力作用,如果小球带负电荷,电场力水平向右,洛伦兹力指向左下方,重力竖直向下,小球受到的合力不可能为零,小球不可能做直线运动,则小球带正电荷。
(2)小球在C、D间做匀速直线运动,则在D点的速度与C点的速度大小相等,即vD= m/s,
电场力与重力的合力F0==5 N。
从D到F的过程,对小球,
由动能定理可得-Wf-F0·2R=mv-mv,
代入数据解得Wf≈27.6 J。
(3)小球离开F点后做类平拋运动,加速度a=,
2R=at2,代入数据解得t= s,
G点到D点的距离x=vFt=4× m≈2.26 m。
[答案] (1)带正电荷 (2)27.6 J (3)2.26 m
3.(多选)如图所示,竖直放置的两块很大的平行金属板a、b,相距为d,ab间的电场强度为E,有一带正电的微粒从a板下边缘以初速度v0竖直向上射入电场,当它飞到b板时,速度大小不变,而方向变为水平方向,且刚好从高度也为d的狭缝穿过b板而进入bc区域,bc区域的宽度也为d,所加电场强度大小为E,方向竖直向上,磁感应强度方向垂直纸面向里,磁场磁感应强度大小等于,重力加速度为g,则下列关于粒子运动的有关说法正确的是( )
A.粒子在ab区域的运动时间为
B.粒子在bc区域中做匀速圆周运动,圆周半径r=2d
C.粒子在bc区域中做匀速圆周运动,运动时间为
D.粒子在ab、bc区域中运动的总时间为
解析:粒子在ab区域,竖直方向上做匀减速运动,由v0=gt得t=,故A正确;水平方向上做匀加速运动,a==g,则qE=mg,进入bc区域,电场力大小未变,方向竖直向上,电场力与重力平衡,粒子做匀速圆周运动,由qv0B=,得r=,代入数据得r=,又v=2gd,解得r=2d,故B正确;在bc区域,粒子运动轨迹所对圆心角为α,sin α=,α=,运动时间:t===,故C错误;粒子在ab区域的运动时间也可以表示为:t==,所以总时间t总=+=,故D正确。
答案:ABD
4.(2021·河北衡水高三调研)如图所示,在平面直角坐标系中,AO是∠xOy的角平分线,x轴上方存在水平向左的匀强电场,下方存在竖直向上的匀强电场和垂直纸面向里的匀强磁场,两电场的电场强度大小相等。一质量为m、电荷量为+q的质点从OA上的M点由静止释放,质点恰能沿AO运动且通过O点,经偏转后从x轴上的C点(图中未画出)进入第一象限内并击中AO上的D点(图中未画出)。已知OM的长度L1=20 m,匀强磁场的磁感应强度大小为B=(T),重力加速度g取10 m/s2。求:
(1)两匀强电场的电场强度E的大小;
(2)OC的长度L2;
(3)质点从M点出发到击中D点所经历的时间t。
解析:(1)质点在第一象限内受重力和水平向左的电场力,沿AO做匀加速直线运动,所以有mg=qE
解得E=。
(2)质点从M到O做匀加速直线运动,设质点到达O点的速度为v
由运动学规律知v2=2aL1
由牛顿第二定律得 mg=ma
解得v=20 m/s
质点在x轴下方,重力与电场力平衡,质点做匀速圆周运动,从C点进入第一象限后做类平抛运动,设圆周运动的半径为R,其轨迹如图所示
由牛顿定律有Bqv=m
解得R=20 m
由几何知识可知OC的长度L2=2Rcos 45°=40 m。
(3)质点从M到O的时间t1==2 s
质点做圆周运动时间
t2=T=×=π s=4.71 s
质点做类平抛运动时间t3==1 s
质点全过程所经历的时间t=t1+t2+t3=7.71 s。
答案:(1) (2)40 m (3)7.71 s
教材直通高考
模型一 “组合场”实例模型(质谱仪和回旋加速器)
装置
原理图
规律
质谱仪
带电粒子由静止被加速
电场加速,qU=mv2,
在磁场中做匀速圆周运
动,qvB=m,则比荷
=
回
旋
加
速
器
交变电流的周期和带电粒子做圆周运动的周期相同,带电粒子在圆周运动过程中每次经过D形盒缝隙都会被加速。由qvB=m得Ekm=
模型二 “叠加场”实例模型(速度选择器等)
装置
原理图
规律
速度选择器
若qv0B=Eq,即v0=,粒子做匀速直线运动
磁流体发电机
等离子体射入,受洛伦兹力偏转,使两极板带正、负电,两极电压为U时稳定,q=qv0B,U=Bdv0
电磁流量计
q=qvB,所以v=,所以流量Q=vS=
霍尔
元件
当磁场方向与电流方向垂直时,导体在与磁场、电流方向都垂直的方向上出现电势差
带电粒子在复合场中的实例模型是近几年高考联系科技、生活问题的命题热点,分析高考题可以发现,每年的考题都是源于教材习题的拓展提升。教材习题多是以质谱仪或回旋加速器为背景的简单分析与计算,而高考题通常会拓展为带电粒子在复合场中的实例模型原理的理解及应用,考查学生灵活应用物理知识解决实际问题的能力。同学们可通过以下示例认真体会,研究高考真题与教材习题间的溯源关系,以便在新高考复习中做到有的放矢。
[典例5] [人教版选修3-1·P100·例题]
一个质量为m、电荷量为q的粒子,从容器A下方的小孔S1飘入电势差为U的加速电场,其初速度几乎为0,然后经过S3沿着与磁场垂直的方向进入磁感应强度为B的匀强磁场中,最后打到照相底片D上。
(1)求粒子进入磁场时的速率。
(2)求粒子在磁场中运动的轨道半径。
[解析] (1)带电粒子在加速电场中运动,由动能定理有
qU=mv2,粒子进入磁场时的速率:v= 。
(2)粒子在磁场中做匀速圆周运动,由洛伦兹力提供向心力,则有qvB=m,解得R== 。
[答案] (1) (2)
拓展❶ “电磁偏转”在科技中的应用
(2018·高考全国卷Ⅲ)如图,从离子源产生的甲、乙两种离子,由静止经加速电压U加速后在纸面内水平向右运动,自M点垂直于磁场边界射入匀强磁场,磁场方向垂直于纸面向里,磁场左边界竖直。已知甲种离子射入磁场的速度大小为v1,并在磁场边界的N点射出;乙种离子在MN的中点射出;MN长为l。不计重力影响和离子间的相互作用。求:
(1)磁场的磁感应强度大小;
(2)甲、乙两种离子的比荷之比。
【真题命题立意】 本题在典例5中直接应用公式计算速度和半径的基础上,拓展为根据质谱仪原理分析计算磁感应强度和比荷,但考查的核心知识点都是带电粒子在电场中的加速运动与磁场中圆周运动的组合。
解析:(1)设甲种离子所带电荷量为q1、质量为m1,在磁场中做匀速圆周运动的半径为R1,磁场的磁感应强度大小为B,由动能定理有
q1U=m1v,①
由洛伦兹力公式和牛顿第二定律有
q1v1 B=m1,②
由几何关系知
2R1=l,③
由①②③式得
B=。④
(2)设乙种离子所带电荷量为q2、质量为m2,射入磁场的速度为v2,在磁场中做匀速圆周运动的半径为R2。同理有
q2U=m2v,⑤
q2v2B=m2,⑥
由题给条件有
2R2=,⑦
由①②③⑤⑥⑦式得,甲、乙两种离子的比荷之比为
∶=1∶4。⑧
答案:(1) (2)1∶4
拓展❷ “电磁偏转”在医疗中的应用
(2020·高考全国卷Ⅱ)CT扫描是计算机X射线断层扫描技术的简称,CT扫描机可用于对多种病情的探测。图(a)是某种CT机主要部分的剖面图,其中X射线产生部分的示意图如图(b)所示。图(b)中M、N之间有一电子束的加速电场,虚线框内有匀强偏转磁场;经调节后电子束从静止开始沿带箭头的实线所示的方向前进,打到靶上,产生X射线(如图中带箭头的虚线所示);将电子束打到靶上的点记为P点。则( )
A.M处的电势高于N处的电势
B.增大M、N之间的加速电压可使P点左移
C.偏转磁场的方向垂直于纸面向外
D.增大偏转磁场磁感应强度的大小可使P点左移
【真题命题立意】 本题在典例5中直接应用公式计算速度和半径的基础上,拓展为根据“电磁偏转”原理分析计算电子做匀速圆周运动的半径,医学上利用X射线探测人体病情,但考查的核心知识点都是带电粒子在电场中的加速运动与磁场中圆周运动的组合。
解析:电子在M、N间受向右的电场力,电场方向向左,故M处的电势低于N处的电势,A错误;加速电压增大,可使电子获得更大的速度,根据r=可知,电子在磁场中做圆周运动的半径变大,P点右移,B错误;电子受洛伦兹力方向向下,根据左手定则,可判断磁场方向垂直于纸面向里,C错误;根据r=可知,B增大,可使电子在磁场中做圆周运动的半径变小,P点左移,D正确。
答案:D
规律总结
解决电磁场科学技术问题的思路
———————————————————————
解决与电、磁场有关的实际问题,首先应通过分析将其提炼成纯粹的物理问题,然后用解决物理问题的方法进行分析。对于带电粒子在磁场中的运动,还应特别注意运用几何知识寻找关系。
5.(多选)(2020·吉林省吉林市高三下学期四调)如图所示是医用回旋加速器示意图,其核心部分是两个D形金属盒,两金属盒置于匀强磁场中,并分别与高频电源相连。现分别加速氘核(H)和氦核(He)。下列说法中正确的是( )
A.氘核(H)的最大速度较大
B.它们在D形盒内运动的周期相同
C.氦核(He)的最大动能较大
D.仅增大高频电源的频率可增大粒子的最大动能
解析:根据qvB=m,得v=,两粒子的比荷相等,所以最大速度相等,故A错误;带电粒子在磁场中运动的周期T=,两粒子的比荷相等,所以周期相等,故B正确;最大动能Ek=mv2=,则有氦核的最大动能较大,粒子的最大动能与电源的频率无关,故C正确,D错误。
答案:BC
6.(多选)(2021·江苏启东高三联考)响应国家号召,我省启动“263”专项行动,打响碧水蓝天保卫战。暗访组在某化工厂的排污管末端安装了如图所示的流量计,测量管由绝缘材料制成,其长为L、直径为D,左、右两端开口,匀强磁场方向竖直向下,在前后两个内侧面a、c固定有金属板作为电极。污水充满管口从左向右流经测量管时,a、c两端电压为U,显示仪器显示污水流量Q(单位时间内排出的污水体积)。则( )
A.a侧电势比c侧电势高
B.污水中离子浓度越高,显示仪器的示数将越大
C.若污水从右侧流入测量管,显示器显示为负值,将磁场反向则显示为正值
D.污水流量Q与U成正比,与L、D无关
解析:根据左手定则可知,正离子向a侧偏转,则仪器显示a侧电势比c侧电势高,选项A正确;根据qvB=q可得U=BDv,可知显示仪器的示数与污水中离子浓度无关,选项B错误;若污水从右侧流入测量管,则受磁场力使得正离子偏向c侧,则c端电势高,显示器显示为负值,将磁场反向,则受磁场力使得正离子偏向a侧,则显示为正值,选项C正确;污水流量Q=Sv=πD2×=,则污水流量Q与U成正比,与D有关,与L无关,选项D错误。
答案:AC
7.(多选)(2020·湖南怀化质检)磁流体发电是一项新兴技术。如图所示,平行金属板之间有一个很强的磁场,将一束含有大量正、负带电粒子的等离子体,沿图中所示方向喷入磁场。图中虚线框部分相当于发电机。把两个极板与用电器相连,则( )
A.用电器中的电流方向从B到A
B.用电器中的电流方向从A到B
C.若只减小磁场,发电机的电动势增大
D.若只增大喷入粒子的速度,发电机的电动势增大
解析:首先对等离子体进行动态分析:开始时由左手定则判断正离子所受洛伦兹力方向向上,负离子所受洛伦兹力方向向下,则正离子向上板聚集,负离子则向下板聚集,两板间产生了电势差,即金属板变为一电源,且上板为正极,下板为负极,所以通过用电器的电流方向从A到B,故B正确,A错误;此后的正离子除受到向上的洛伦兹力f外还受到向下的电场力F,最终两力达到平衡,即最终等离子体将匀速通过磁场区域,因f=qvB,F=q,则qvB=q,解得E=Bdv,所以电动势E与速度v及磁感应强度B成正比,故D正确,C错误。
答案:BD
相关资料
更多

