


所属成套资源:新人教版高中物理选择性必修第二册成套练习含解析
新人教版高中物理选择性必修第二册课时练16电能的输送含解析
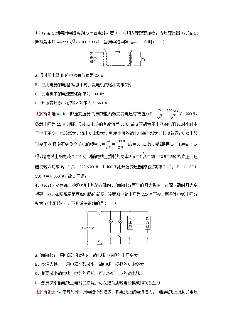
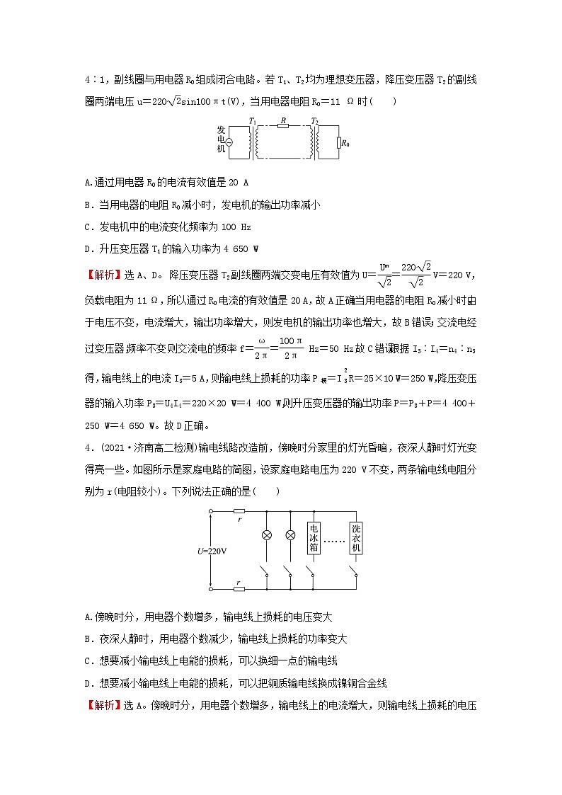
展开电能的输送 (25分钟·60分)一、选择题(本题共6小题,每题6分,共36分)1.某校为了确保教学的正常进行,学校领导决定对全校的旧电网进行改造并购置了一台备用发电机。发电机房到教学区距离较远,为了减少输电线路上的电能损耗,以下措施中切实可行的是( )A.提高输电电压 B.用超导材料做输电线C.提高输送功率 D.减小输电线的横截面【解析】选A。 提高输电电压,根据I=,知输送电流较小,根据P损=I2R,知损失的功率较小,故A正确;应用超导材料做输电线,根据P损=I2R,知损失的功率为0,但成本太高且常温超导暂不能实现,故B错误;提高输送功率,根据I=,知输送电流较大,根据P损=I2R,知损失的功率较大,故C错误;减小输电线导线的横截面积,增大了电阻,根据P损=I2R,知损失的功率较大,故D错误。2.每年冬季,我国北方总会迎来冰冻雨雪天气,如图为电力公司工作人员监测高压电线覆冰厚度,为清除高压输电线上的凌冰,有人设计了这样的融冰思路,利用电流的热效应除冰,若在正常供电时,高压线上输电电压为U,电流为I,热损耗功率为ΔP;除冰时,输电功率,输电线电阻不变,输电线上的热损耗功率为4ΔP,则除冰时( )A.输电电压为 B.输电电流为C.输电电压为4U D.输电电流为4I【解析】选A。高压线上的热耗功率ΔP=I2R线,电阻不变,若热耗功率变为4ΔP,则4ΔP=I′2R线,解得I′=2I,B、D错误;输送功率不变,由P=UI=U′I′,解得U′=U,C错误,A正确。3.(多选)如图为某小型水电站的电能输送示意图,发电机通过升压变压器T1和降压变压器T2向用户供电,已知输电线的总电阻R=10 Ω,降压变压器T2的原、副线圈匝数之比为4∶1,副线圈与用电器R0组成闭合电路。若T1、T2均为理想变压器,降压变压器T2的副线圈两端电压u=220sin100πt(V),当用电器电阻R0=11 Ω时( )A.通过用电器R0的电流有效值是20 AB.当用电器的电阻R0减小时,发电机的输出功率减小C.发电机中的电流变化频率为100 HzD.升压变压器T1的输入功率为4 650 W【解析】选A、D。 降压变压器T2副线圈两端交变电压有效值为U== V=220 V,负载电阻为11 Ω,所以通过R0电流的有效值是20 A,故A正确;当用电器的电阻R0减小时,由于电压不变,电流增大,输出功率增大,则发电机的输出功率也增大,故B错误;交流电经过变压器,频率不变,则交流电的频率f== Hz=50 Hz,故C错误;根据I3∶I4=n4∶n3得,输电线上的电流I3=5 A,则输电线上损耗的功率P损=IR=25×10 W=250 W,降压变压器的输入功率P3=U4I4=220×20 W=4 400 W,则升压变压器的输出功率P=P3+P=4 400+250 W=4 650 W。故D正确。4.(2021·济南高二检测)输电线路改造前,傍晚时分家里的灯光昏暗,夜深人静时灯光变得亮一些。如图所示是家庭电路的简图,设家庭电路电压为220 V不变,两条输电线电阻分别为r(电阻较小)。下列说法正确的是( )A.傍晚时分,用电器个数增多,输电线上损耗的电压变大B.夜深人静时,用电器个数减少,输电线上损耗的功率变大C.想要减小输电线上电能的损耗,可以换细一点的输电线D.想要减小输电线上电能的损耗,可以把铜质输电线换成镍铜合金线【解析】选A。傍晚时分,用电器个数增多,输电线上的电流增大,则输电线上损耗的电压变大,选项A正确;夜深人静时,用电器个数减少,输电线上的电流减小,则输电线损耗的功率变小,选项B错误;想要减小输电线上电能的损耗,要减小输电线的电阻,即增加输电线的横截面积,即可以换粗一点的输电线,选项C错误;想要减小输电线上电能的损耗,要减小输电线的电阻,把铜质输电线换成镍铜合金线电阻变得更大,输电线的电能损耗更大,选项D错误。 【加固训练】照明供电线路的路端电压基本上是保持不变的,可是我们在晚上七八点钟用电高峰时开灯,电灯比深夜时要显得暗些,这是因为此时( )A.总电阻比深夜时大,干路电流小,每盏灯分到的电压就小B.总电阻比深夜时大,干路电流小,每一支路的电流就小C.总电阻比深夜时小,干路电流大,输电线上损失的电压大D.干路电流一定,支路比深夜时多分去了一部分电流【解析】选C。晚上七八点钟用电高峰时开灯,由于负载增多,各个负载是并联,则总电阻减小,根据欧姆定律,输电线上的电流增大,输电线上损失的电压变大,由于照明供电线路的路端电压基本上是保持不变的,所以用电高峰时用户获得的电压减小,每盏灯两端的电压降低,故C正确,A、B、D错误。5.小型水力发电站的发电机有稳定的输出电压,它发出的电先通过电站附近的升压变压器T1升压,然后通过输电线路把电能输送到远处用户附近的降压变压器T2,经降低电压后再输送至各用户。设T1、T2都是理想变压器,那么在用电高峰期,随用电器电功率的增加将导致( )A.升压变压器初级线圈中的电流变小B.升压变压器次级线圈两端的电压变小C.高压输电线路的电压损失变大D.降压变压器次级线圈两端的电压变大【解析】选C。由于升压变压器的输入电压不变,随用电器总功率的增加,则输入功率也增加,所以升压变压器初级线圈中的电流变大,故A错误;升压变压器的目的是提高电线上的电压从而降低电线上的消耗,由于升压变压器的输入电压不变,原、副线圈匝数不变,则副线圈的电压不变,故B错误;当用户用电处于高峰期时,降压变压器的输出功率会增大,从而导致降压变压器的输入电流变大,所以输电线路损失的电压变大,故C正确;当用户用电处于高峰期时,降压变压器的输出功率会增大,从而导致降压变压器的输入电流变大,所以输电线路的电压变大,最终使得降压变压器的次级线圈上的电压变小,故D错误。6.随着5G网络建设热潮的开启,中国5G基站的数量快速增长,实现5G网络覆盖的城市也越来越多。但是5G基站单系统功耗量为4 kW(基站用电器功率),而在4G时代,基站单系统功耗仅为1 kW。目前困扰5G发展的大难题是供电。如图所示。某基站距离100 kV主供电线路约为5 km,线路电阻为40 Ω。现要将4G基站改造为5G基站,而且线路损耗为总功耗的20%,在只更换变压器(均为理想变压器)的前提下,高压变压器的原、副线圈匝数比应变为( )A.25∶1 B.50∶1 C.100∶1 D.400∶3【解析】选C。总功耗=线路损耗+基站功耗,线路损耗为总功耗的20%,5G基站功耗为4 kW,则总功耗为P总= kW=5 kW,设线路电流为I2,则线路损耗P损=IR线,得I2=5 A,原线圈电流I1== A=0.05 A,高压变压器的原、副线圈匝数比==,故选C。二、计算题(本题共1小题,共24分。要有必要的文字说明和解题步骤,有数值计算的要标明单位)7.如图1所示,一个小型水力发电站,发电机输出电压U0=315 V,内电阻可以忽略不计,最大输出功率为Pm=30 kW,它通过总电阻r线=2.0 Ω的输电线直接向远处的居民区供电,设居民区所有用电器都是额定电压U用=220 V的白炽灯,额定总功率为P用=22 kW,不计灯丝电阻随温度的变化。试求:(1)当居民区的电灯全部使用时,电灯两端的实际电压是多少伏?发电机实际输出的电功率多大?(2)若采用高压输电,在发电机端用升压变压器,在用户端用降压变压器,且不计变压器和用户线路的损耗,如图2所示已知用户变压器的降压比为40∶1。当全部用户电灯正常发光时,输电线上损耗的功率多大?【解析】(1)由P用=,求得用户总的电阻R用=2.2 Ω,电路中的电流为I== A=75 AU灯=IR用=165 V,P输=U0I=23 625 W;(2)用户的总功率为P用=U4I4,U4=220 V用户的总电流I4==100 A,根据==可得输电电流I3==2.5 A,输电线上损耗的功率P损=Ir线=12.5 W。答案:(1)165 V 23 625 W (2)12.5 W (15分钟·40分)8.(9分)(多选)(2020·大同高二检测)交流发电机的输出电压为U,采用图示理想变压器输电,升压变压器原、副线圈匝数比为m,降压变压器原、副线圈匝数比为n,输电导线电阻为r,用户的工作电压为U。下列说法正确的是( )A.m<1B.n<1C.输电线上损失的功率为D.输电线上损失的功率为【解析】选A、C。升压变压器原线圈匝数小于副线圈匝数,可知原、副线圈匝数比m<1;降压变压器原线圈匝数大于副线圈匝数,可知原、副线圈匝数比n>1,选项A正确,B错误;根据变压器的规律,升压变压器副线圈的电压U2=U,降压变压器原线圈电压U3=nU,线路损失的电压ΔU=U2-U3,损失的功率ΔP=,由以上式子代入求得ΔP=,故选项C正确,D错误。 【加固训练】某实验小组模拟远距离输电的原理图如图所示,A、B为理想变压器,R为输电线路的电阻,灯泡L1、L2规格相同,保持变压器A的输入电压不变,开关S断开时,灯泡L1正常发光,则( )A.仅将滑片P上移,A的输入功率不变B.仅将滑片P上移,L1变暗C.仅闭合S,L1变亮D.仅闭合S,A的输入功率变小【解析】选B。仅将滑片P上移,变压器A的副线圈匝数变小,变压器A的输出电压变小,又因为远距离输电的输送功率不变,根据P=UI可知,输电线上的电流变大,输电线上损失的电压变大,所以B变压器的输入电压降低,输出电压也降低,所以L1两端电压变小,灯泡L1的实际功率变小,灯泡变暗;A变压器的输入功率也变小,A错误,B正确;仅闭合S,则B变压器的负载电阻变小,变压器B输出总电流变大,输出功率变大,则升压变压器A的输入功率也变大;输电线上的电流变大,输电线上损失的电压变大,B变压器的输入电压变小,输出电压也变小,即灯泡两端的电压变小,灯泡实际功率减小,灯泡变暗,C、D错误。故选B。9.(9分)(2021·海口高二检测)如图为远距离输电示意图,两变压器均为理想变压器,升压变压器T的原、副线圈匝数分别为n1、n2。在T的原线圈两端接入一电压u=Umsinωt的交流电源,若输送电功率为P,输电线的总电阻为2r,不考虑其他因素的影响,则输电线上损失的电功率为( )A.() B.()C.4()2()2r D.4()2()2r【解析】选C。加在原线圈上的电压U1=,根据电压比与匝数比关系=,所以U2=,根据I=可知,输电线上的电流I=,输电线上消耗的功率P耗=I2·2r=4()2()2r。故C正确,A、B、D错误。10.(22分)(2021·德州高二检测)人们利用发电机把天然存在的各种形式的能(水流能、煤等燃料的化学能)转化为电能。有条河流,流量Q=2 m3/s,落差h=50 m,现利用其发电,已知发电机总效率为η=50%,输出电压为U=5 000 V。现直接将发电机和用户连接,测得安装在输电线路的起点和终点的电度表一昼夜读数相差2 400 kW·h(一昼夜是24 h)。重力加速度g取10 m/s2,水的密度ρ=1×103 kg/m3,试求:(1)发电机可输送的功率P;(2)输电线的电阻r;(3)若要使输电线损失的功率降到输送功率的0.2%,所加的升压变压器原、副线圈的匝数比;(4)实施(3)后若用户端需要的电压是100 V,则所加的降压变压器原、副线圈的匝数比为多少?【解析】(1)依题意发电机可输送的功率为P==5×105 W(2)依题意输电线上损失的功率为P损= kW=100 kW又P=UI得I=100 A,根据P损=I2r,所以r=10 Ω(3)输电线上损失的功率为P′损=I′2r=P×0.2%=1 000 W得I′=10 A设升压至U′可满足要求,且U′=得U′=5×104 V则升压变压器原、副线圈匝数比==(4)输电线上损失的电压为U′损=I′r=100 V则降压变压器原线圈两端的电压U3=U′-U′损=49 900 V则降压变压器原、副线圈匝数比为==答案:(1)5×105 W (2)10 Ω (3)1∶10 (4)499∶1
