





所属成套资源:2022年中考物理二轮复习核心素养专题讲义
第46讲 中考电学3类重点实验-2022年中考物理二轮复习核心素养专题讲义
展开
这是一份第46讲 中考电学3类重点实验-2022年中考物理二轮复习核心素养专题讲义,文件包含第46讲中考电学3类重点实验原卷版docx、第46讲中考电学3类重点实验解析版docx等2份试卷配套教学资源,其中试卷共62页, 欢迎下载使用。
2022年中考物理二轮复习核心素养专题讲义
第46讲 中考电学3类重点实验
专题知识概述
重点实验1:探究电流与电压、电阻的关系
一、探究电流与电压、电阻的关系实验命题点
(一)探究电流与电压的关系
1.实验中提出的问题以及方法和结论
①提出问题:电流与电压有什么定量关系?
②采用的研究方法是:控制变量法。即:保持电阻不变,改变电压研究电流随电压的变化关系;
③得出结论:在电阻一定的情况下,导体中的电流与导体两端的电压成正比(说法固定,不能更改)。
2.电路连接注意事项:开关断开,滑动变阻器滑片移至阻值最大处
3.电表异常偏转原因:
①指针反向偏转,原因是正负接线柱接反;
②正向偏转幅度过小,原因是量程选择过大;
③正向偏转幅度过大超过最大刻度,原因是量程选择过小;
4.滑动变阻器的作用:
①保护电路;
②改变电阻两端电压。
5.调节滑动变阻器不能使电压达到指定示数的原因是:滑动变阻器的最大阻值过小
6.换不同规格的电阻多次测量的目的是:得出普遍规律,避免偶然性。
7.此实验不能用灯泡代替电阻进行探究的原因:灯丝的电阻随温度的升高而增大。
(二)探究电流与电阻的关系
V
A
Rx
R′
1.滑动变阻器的作用:
①保护电路;
②使电阻两端电压保持不变。
2.更换大电阻后如何滑动滑动变阻器的阻值:应使滑动变阻器的阻值变大,滑动变阻器分的的电压变大,保证定值电阻上分的的电压不变。
3.电路中滑动变阻器阻最大值Rx的确定方法:UR/R=(U-UR)/RX
4.实验方法:控制变量法:保持电压不变,改变电阻研究电流随电阻的变化关系。
5.结论:在电压一定时,导体中的电流与导体的电阻成反比。
二、探究电流与电压、电阻的关系实验程序步骤解读
1.清楚实验目标(题目、提出问题):探究理解:
(1)为什么要探究电流与电压、电阻的关系?
电压时产生电流的原因,可能电压越大电流也越大;电阻表示导体对电流的阻碍作用,所以电阻越大电流越小。那么它们之间有怎样的定量关系呢?这是我们学习电学必须研究清楚的问题。
(2)探究谁的电流与电压、电阻的关系?
是某一定值电阻的,电流、电压、电阻都是对同一导体在同一时间的对应值而言,即I是定值电阻两端电压是U时的电流。所以我们要测的电流是定值电阻R的电流,电流表要与R串联;要测的电压也是定值电阻的电压,电压表要并联在R两端。
(3)实验思维导向:电路中电压变化可能会导致电流的变化,电阻的变化可能会导致电压、电流同时变化,所以,要研究电流与电压的定量关系就要保证电阻不变,要研究电流与电阻的关系就要保证电阻两端的电压不变;要研究导体的电流与其两端电压的定量关系,我们需要知道导体两端电压数值和导体电流的对应数值怎样变化;要研究电流与电阻的定量关系,我们需要知道在同一电压下导体电阻值变化时导体中对应电流怎样变化。所以我们需要电流、电压表来测量准确的电流、电压数值,不仅如此,我们还需要同一导体的电压产生变化,也需要同一电压是导体电阻值产生变化,所以,需要滑动变阻器和不同阻值的电阻。
2.明了实验原理;
(1)探究同一导体中电流与电压的关系:电压是形成电流的原因。
(2)探究同一电压时不同阻值的导体中电流与导体阻值的关系:导体阻值不同对电流阻碍作用不同。
3.合理选择器材:电源、开关、电流表、电压表、滑动变阻器、三个不同阻值的定值电阻、若干导线。
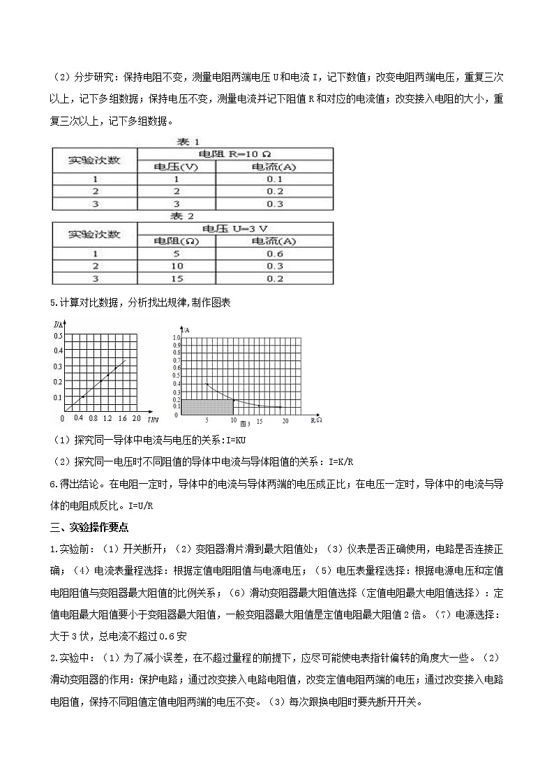
4.科学设计实验步骤,准确收集数据:
(1)设计电路,并按照电路图连接实物
(2)分步研究:保持电阻不变,测量电阻两端电压U和电流I,记下数值;改变电阻两端电压,重复三次以上,记下多组数据;保持电压不变,测量电流并记下阻值R和对应的电流值;改变接入电阻的大小,重复三次以上,记下多组数据。
5.计算对比数据,分析找出规律,制作图表
(1)探究同一导体中电流与电压的关系:I=KU
(2)探究同一电压时不同阻值的导体中电流与导体阻值的关系:I=K/R
6.得出结论。在电阻一定时,导体中的电流与导体两端的电压成正比;在电压一定时,导体中的电流与导体的电阻成反比。I=U/R
三、实验操作要点
1.实验前:(1)开关断开;(2)变阻器滑片滑到最大阻值处;(3)仪表是否正确使用,电路是否连接正确;(4)电流表量程选择:根据定值电阻阻值与电源电压;(5)电压表量程选择:根据电源电压和定值电阻阻值与变阻器最大阻值的比例关系;(6)滑动变阻器最大阻值选择(定值电阻最大电阻值选择):定值电阻最大阻值要小于变阻器最大阻值,一般变阻器最大阻值是定值电阻最大阻值2倍。(7)电源选择:大于3伏,总电流不超过0.6安
2.实验中:(1)为了减小误差,在不超过量程的前提下,应尽可能使电表指针偏转的角度大一些。(2)滑动变阻器的作用:保护电路;通过改变接入电路电阻值,改变定值电阻两端的电压;通过改变接入电路电阻值,保持不同阻值定值电阻两端的电压不变。(3)每次跟换电阻时要先断开开关。
3.在理解电流与电压、电阻关系时应注意的四个问题:
(1)导体中的电流和导体两端的电压都是针对同一个导体而言,不能拿一根导体的电流与另一个导体的电压进行分析。
(2)电压是产生电流的原因,不能说电压和电流成正比。
(3)电阻是导体的性质,不能说导体电阻与电压成正比,与电流成反比。
(4)在叙述电流与电压、电阻的关系时,一定要注意两个前提:“电阻一定”、“电压一定”。
重点实验2:伏安法测电阻
1.实验原理:利用R=U/I(即:用电压表和电流表分别测出待测电阻两端的电压和通过它的电流,最后算出电阻R)。
2.实验电路图与实物图如图1、2所示
3.实验器材:待测电阻、电压表、电流表、电源、开关、滑动变阻器和导线若干。
4.实验步骤:
a.根据电路图正确连接电路,注意连接电路时开关要断开;
b.移动滑片,使滑动变阻器的电阻全部接入电路,然后闭合开关,在移动滑片,记下对应的
电压值和电流值若干组;
c.根据伏安法的原理,算出这几组电阻的大小,最后求出电阻的平均值,这是多次测量求平
均值的方法,目的是为了减小实验误差。
重点实验3:测量小灯泡的电功率
【实验原理】P=UI
【实验器材】电源、开关、导线、小灯泡、电压表、电流表、滑动变阻器。
【实验电路图】
【实验步骤】
①按电路图连接实物。
②检查无误后,闭合开关。移动滑片,使小灯泡在额定电压下发光,观察小灯泡的亮度,并记下电压表和电流表的示数,代入公式P=UI计算出小灯泡的额定功率。
③调节滑动变阻断器,使小灯泡两端的电压约为额定电压的1.2倍,观察小灯泡的亮度,并记下电压表和电流表的示数,代入公式P=UI计算出小灯泡此时的实际功率。
④调节滑动变阻断器,使小灯泡两端的电压小于额定电压,观察小灯泡的亮度,并记下电压表和电流表的示数,代入公式P=UI计算出小灯泡此时的实际功率。
【实验表格】
次数
电压U/V
电流I/A
电功率P/W
发光情况
1
2
3
【注意事项】
①接通电源前应将开关处于断开状态,将滑动变阻器的阻值调到最大;
②连好电路后要通过试触的方法选择电压表和电流表的量程;
③滑动变阻器的作用:改变电阻两端的电压和通过的电流;保护电路;
④不需要计算电功率的平均值。
中考典型例题解析
【例题1】(2021陕西)在探究通过导体的电流与导体两端电压的关系时,小明设计了如图-1所示电路。电源电压为3V且保持不变,R为定值电阻。
(1)连接电路时,开关应处于______状态;闭合开开关前滑动变阻器的滑片P应处于______处;
(2)闭合开关S,发现电压表示数接近3V,电流表指针几乎不偏转,移动滑片P的过程中,两表示数均无变化。已知导线、仪表均完好,且接触良好,则故障原因是______;
(3)排除故障后,闭合开关S,小明改变电阻R两端电压,进行了多次实验,实验数据记录如下表。
试验次数
1
2
3
4
电压表示数U/V
1.0
1.5
2.0
2.5
电流表示数I/A
0.10
0.15
0.20
0.25
①请根据表中数据,在图-2中用描点法画出导体中的电流I与导体两端电压U的关系图象;( )
②分析数据可得:当导体电阻一定时,导体中的电流与导体两端的电压成______;
(4)在此实验中改变电阻R两端的电压是通过改变______来实现的;
(5)此实验中多次测量寻找普遍规律的目的与下面的______(选填“A”或“B”)实验中多次测量的目的相同。
A.探究电流与电阻的关系
B.测量未知电阻的阻值
【答案】 ① 断开 ②最大阻值 ③ 电阻R断路
④.
⑤ 正比 ⑥ 滑动变阻器接入电路的阻值 ⑦ A
【解析】(1)连接电路时,开关应处于断开状态,才能保护电路。
闭合开关前,滑动变阻器的滑片P应处于阻值最大处。
(2)实验所用电路是串联连接,电压表测定值电阻R两端的电压,电流表测电路中的电流,闭合开关,电流表无示数,则电路中出现了断路,而电压表的示数接近3V,说明电压表与电源是接通的,那么出现的故障应是电阻R断路了。
(3)由表格数据在坐标中描出各,并用线将各点连接,作出是导体中电流I与导体两端电压U的关系图象如答案所示。
由表格数据知,各组电压与电流的比值为定值10,所以两者成正比关系,即:当是导体电阻一定时,导体中的电流与导体两端的电压成正比。
(4)据串联电路的分压特点,变阻器的滑片移动时,接入电路的阻值发生变化,则分去的电压也变化,那么电阻R两端的电压也随之变化,所以实验中通过改变变阻器接入电路的阻值来改变电阻R两端的电压。
(5)探究电流与电阻的关系,进行多次测量是寻找普遍规律,避免偶然性,而测量未知电阻的阻值进行多次实验是为了减小实验误差,故A选项正确。
【例题2】(2021福建)用两节干电池、两个开关、一个电压表、一只阻值为20 Ω的定值电阻R0,导线若干,测量未知电阻Rx的阻值,电路实物图如图甲所示。
(1)用笔画线代替导线将图甲中的电压表接在R0两端______;
(2)正确连接电路,闭合开关S1和S。电压表示数如图乙,为______V;
(3)断开S1,闭合S,电压表示数为1.4 V,则Rx=______Ω;
(4)若没有电压表,只有一个电流表,其余元件不变,设计并在方框内丽出测量Rx阻值的电路图______(要求电路连接后不能再拆接)。
【答案】 (1)
(2) 2.8 (3) 20 (4)
【解析】(1)电压表接入电路使用时,应并联在被测用电器两端,且电流要从电压表的“+”接线柱流进,“—”接线柱流出。该电源由两节干电池组成,所以电压表选0~3V量程接入电路,如图所示:
(2)电压表所选量程为0~3V,分度值为0.1V,读出其读数为2.8V。
(3)闭合开关S1和S,电路中只有R0接入电路,电压表测电源电压U=2.8V;断开S1,闭合S,R0和Rx串联接入电路,电压表测R0两端电压U0=1.4V,此时电路中电流
Rx两端电压
Rx的电阻
(4)用电流表测流过R0的电流,计算出R0两端电压,将未知电阻Rx与R0并联,因为并联电路各支路两端电压都相等。设计如图所示电路:
【例题3】(2021四川眉山)在测量额定电压为小灯泡额定功率的实验中,电源电压恒定不变。
(1)请用笔画线代替导线,将图甲中电路连接完整,要求实验时向右移动滑片P小灯泡亮度变暗;_______
(2)实验过程中,某小组的同学将所测得相关数据和现象记录如下表:
物理量
次数
电压
电流
灯泡亮度
灯泡实际
电功率
灯泡电功率的
平均值
1
0.5
0.18
不亮
2
1
0.2
发暗光
3
2
0.3
发较亮光
4
2.5
0.32
正常发光
5
2.8
0.34
发光强烈
①小灯泡的额定功率为_______;
②表格中有一处设计不合理,请指出不合理的设计是_______;
③分析表中数据还发现灯丝电阻跟_______有关。
(3)测量额定电压为的小灯泡额定功率,物理科代表设计了图乙所示的电路(为已知的定值电阻,R为滑动变阻器)。
①断开开关,闭合开关,移动滑动变阻器滑片P,当电流表示数为_______时,小灯泡恰好正常发光;
②保持滑动变阻器滑片P位置不变,闭合开关,断开开关,记下电流表示数为;
③推导出小灯泡L的额定功率表达式_______(用物理量、和表示)。
【答案】 ①. ②. 0.8 ③. 灯泡电功率的平均值的一栏 ④. 温度 ⑤. ⑥.
【解析】(1)将图甲中电路连接完整,要求实验时向右移动滑片P,小灯泡亮度变暗,说明接入的电阻阻值需要变大,总电阻需要变大,电流需要变小,故滑动变阻器需要接到下面的接线柱,向右滑时,电阻变大,电流变小,灯泡变暗,故用一根导线将滑动变阻器的左端的下面的接线柱和和电流表的负接线柱,故如下图所示:
。
(2)小灯泡的额定功率为
故小灯泡的额定功率为0.8W;不合理的是求灯泡电功率的平均值的一栏,因为不同电压下,不同的电功率,求平均功率没有任何意义;分析表中数据还发现灯丝电阻跟温度的关系,因为电压变大,实际功率变大,灯泡变亮,温度变高,电阻变小。
(3)断开开关,闭合开关,移动滑动变阻器滑片P,定值电阻和灯泡并联,此时电流表测量定值电阻的电流,为了测量小灯泡的额定电压,故可以用电流表的示数和定值电阻组合成电压表,为了测量额定功率,故需要灯泡为额定电压,故此时的电流为
故此时的电流为;保持滑动变阻器滑片P位置不变,闭合开关,断开开关,记下电流表示数为,此时灯泡和定值电阻仍然并联,电流表测干路电流,那么通过灯泡的额定电流为
那么小灯泡额定功率为
故小灯泡的额定功率为。
专题问题综合训练
1. (2021辽宁阜新)小亮在“探究电流与电阻的关系”实验中,使用的实验器材有:电池组、电流表、电压表、开关、5Ω、10Ω、15Ω、20Ω的定值电阻、滑动变阻器各一个、导线若干。
(1)先将5Ω的电阻接入如图甲所示电路中,将滑动变阻器的滑片放到______端;小亮在检查电路时,发现错接了一根导线,请你在这根导线上打“×”,并补画出正确的那根导线______。
(2)电路正确后,闭合开关,同时调节滑动变阻器,当电压表示数如图乙所示时,此时记下的电流表示数应为______A。
(3)断开开关,将电阻由5Ω换成10Ω;再闭合开关,同时调节滑动变阻器,______,记下电流表示数(将实验过程补充完整);更换不同阻值电阻重复实验
(4)小亮用如图丙所示电路,测量额定电压为U额的小灯泡正常发光时的电阻,(U额小于电源电压),电阻R0已知,将下面实验步骤补充完整。
①只闭合开关______,移动滑动变阻器滑片使电压表示数为U额;
②只闭合开关______,保持滑动变阻器滑片位置不变,读出电压表示数为U1;
③小灯泡电阻RL =______。(用物理量符号表示)
【答案】 ①左
②
③0.44 ④保持电压表示数不变 ⑤ S、S2 ⑥. S、S1 ⑦
【解析】(1)在连接电路时,应将滑动变阻器的滑片移动到阻值最大处以保护电路,即将滑动变阻器的滑片放到左端,由图甲的电路可知,电流表并联接入而电压表串联接入,改正如下图所示:
(2)由图乙可知,电压表的量程为0~3V,分度值为0.1V,故此时电压表示数应为2.2V,故由欧姆定律可知,此时电流表的示数应为
(3)因探究的是电流与电阻的关系,故应控制电阻两端电压不变,将电阻由5换成10后,应调节滑动变阻器,保持电压表示数不变,记下电流表示数,更换不同阻值电阻重复实验。
(4)只闭合开关S、S2,此时电压表测小灯泡两端电压,移动滑动变阻器滑片使电压表示数为U额,则由欧姆定律可得,此时电路中的电流为
只闭合开关S、S1,此时电压表测小灯泡与电阻R0两端电压之和,此时电路中的电流为
因电路中的电流不变,故有
解得小灯泡电阻
2.(2021云南)用如图甲所示的电路探究“通过导体的电流与电压的关系”,电源电压为3V,定值电阻R的阻值为10Ω,滑动变阻器R′的最大阻值为20Ω。
(1)用笔画线代替导线把图乙所示的实物图连接完整,要求滑片P向右移动时电流表示数变小。
(2)闭合开关前将滑动变阻器的滑片调至B端的目的是 。闭合开关,移动滑片,发现电流表无示数,电压表示数接近电源电压。若电路仅有一处故障,故障是 。
(3)排除故障后,调节滑动变阻器,记录数据如表。请在图丙所示的坐标纸中把未标出的两个点描出来并画出I﹣U图像。
序号
1
2
3
4
5
电压U/N
1.2
2.0
2.2
2.4
2.8
电流I/A
0.12
0.20
0.22
0.24
0.28
分析图像可得:电阻一定时,通过导体的电流与导体两端的电压成正比。
(4)若探究“通过导体的电流与电阻的关系”,需要用到阻值为5Ω、10Ω、15Ω、20Ω、25Ω的电阻。将10Ω的电阻换成15Ω后,若保持电压表的示数为1.5V不变,应将滑动变阻器的滑片向 端移动。换用25Ω的电阻进行实验时,发现无论怎样移动滑片,都无法使电压表的示数达到1.5V,原因是滑动变阻器的最大阻值 (选填“过大”或“过小”)。
【答案】(1)如上图;(2)保护电路;定值电阻断路;(3)如上图;(4)B;过小。
【解析】(1)滑片P向右移动时电流表示数变小,说明电阻变大,滑动变阻器要接左半段,故接入滑动变阻器的A接线柱。
如图,从电源正极出发,经开关、滑动变阻器,先经过电流表的正接线柱,从电流表负接线柱流出,再经过定值电阻,回到电源的负极,此时电压表与定值电阻并联,电压表测量定值电阻两端的电压,电路连接如下图。
(2)闭合开关前将滑动变阻器的滑片调至B端,滑动变阻器接入电路的电阻最大,电路电流最小,滑动变阻器起到保护电路的作用。
闭合开关,移动滑片,发现电流表无示数,说明电路是断路,电压表示数接近电源电压,说明电压表并联的部分是断路,故障是定值电阻断路。
(3)在I﹣U图像上描出(2.0V,0.20A),(2.4V,0.24A),用线连接各点,如图。
根据图像可以得到:电阻一定时,通过导体的电流与导体两端的电压成正比。
(4)定值电阻和滑动变阻器串联在3V电源上,定值电阻两端的电压是1.5V,则滑动变阻器两端的电压是1.5V,滑动变阻器和定值电阻的阻值之比是1:1,当定值电阻是10Ω时,滑动变阻器的电阻是10Ω,当定值电阻是15Ω时,滑动变阻器的电阻也是15Ω,故滑动变阻器滑片向B端移动使滑动变阻器的阻值变大。
当定值电阻是25Ω时,滑动变阻器的电阻也应该是25Ω,才能保持电压表示数是1.5V,由于滑动变阻器的阻值是20Ω,电压表的示数总是大于1.5V,所以无法使电压表的示数达到1.5V。
3.(2021湖南湘潭)科技小组用如图1所示电路测量定值电阻的阻值。
(1)请用笔画线代替导线,将图中的器材连接成完整电路。要求:
①滑片P向B端移动时,电流表示数变小;
②连线不能交叉;
(2)在连接电路时,开关应处于 (选填“断开”或“闭合”)状态,滑动变阻器滑片P应位于 (选填“A”或“B”)端;
(3)闭合开关前,发现电流表指针在零刻度线右端,其原因可能是 (选填“A”或“B”);
A.电流表没调零
B.电流表正负接线柱接反了
(4)问题解决后,闭合开关,滑片P移动到某一位置时,电压表的示数为2.5V,电流表的示数如图2所示,为 A,则R的阻值是 Ω;
(5)改变电阻两端电压,多次测量求平均值,分析数据,还可得出:导体电阻一定时,通过导体的电流与导体两端的电压成 (选填“正”或“反”)比;
(6)另一小组的同学利用已知电阻R0,设计并连接了如图3所示的电路来测量未知定值电阻Rx的阻值。主要步骤如下:
①闭合开关S1和S2,电压表的示数为U1;
②只断开开关S2,电压表的示数为U2,此时通过Rx的电流为 ;
由此可得Rx的阻值为 (以上两空均用字母U1、U2、R0表示)。
【答案】(1)如解答图所示;(2)断开;B;(3)A;(4)0.5;5;
(5)正;(6)Ix=;R0。
【解析】(1)要求当滑动变阻器的滑片向B滑动时,电流表的示数减小,即电阻变大,故滑片左侧电阻丝连入电路中,如下所示:
(2)连接电路时,开关应断开,滑动变阻器的滑片P应放在B端。
(3)A、若电流表没调零,开关闭合前,电流表的指针不在零刻度线可能在右端,故A符合题意;
B、若电流表正负接线柱接反,闭合开关后,电流表的指针会方向偏转,故B不符合题意;
故选:A;
(4)如图2所示,电流表选用小量程,分度值为0.02A,其读数为0.5A,由欧姆定律,则R的阻值:R===5Ω;
(5)有欧姆定律可知:导体电阻一定时,通过导体的电流与导体两端的电压成正比;
(6)利用已知电阻R0,设计并连接了如图3所示的电路来测量未知定值电阻Rx的阻值。主要步骤如下:
①闭合开关S1和S2,电压表的示数为U1,电压表测量电源电压;
②只断开开关S2,电压表的示数为U2,
由串联电路的电压特点可知,R0两端的电压:U0=U1﹣U2,
通过R0的电流:I0==,
由串联电路电流特点可知,通过Rx的电流为 Ix=I0=;
由此可得Rx的阻值为:Rx===R0。
4.(2021江苏连云港)在“测定额定电压为2.5V小灯泡电功率”的实验中,电源电压保持不变。
(1)请你用笔画线代替导线,将图中的实物电路连接完整(导线不得交叉)。
(2)实验时,移动滑动变阻器的滑片,发现小灯泡始终不亮,电压表无示数,电流表有示数,则故障可能是____________。
(3)故障排除后,闭合开关将滑动变阻器滑片P移至某处时,电压表示数如图甲所示,若想测量小灯泡的额定功率应将滑动变阻器滑片P向__________端(选填“左”或“右”)移动,直到电压表的示数为2.5V。此时电流表示数如图乙所示,则小灯泡的额定功率为___________W。
(4)在该实验结束后,将小灯泡换成一个定值电阻,还可探究__________的关系(选填“A”或“B”)。
A.电流与电阻 B.电流与电压
【答案】(1)
(2)小灯泡短路 (3)右 0.75 (4)B
【解析】考点是电功率。
(1)电路的连线,因为小灯泡的额定电压为2.5V,所以电压表的量程选择0~3V,与灯泡相并联,如图所示;(2)因为小灯泡不亮,电压表无示数,两者并联且均不工作,而电流表有示数,所以灯泡或电压表短路;(3)由于小灯泡两端的电压偏小,故要减小滑动变阻器的阻值来增大小灯泡两端的电压,所以向右调节滑动变阻器的滑片P;小灯泡的额定电流为0.3A,所以P额=U额I额=2.5V×0.3A=0.75W;(3)探究电流与电阻的关系,要更换不同规格的电阻,所以不行,探究电流与电压的关系只需调节滑动变阻器滑片来改变电阻两端的电压即可,故选B。
5.(2020辽宁盘锦)创新小组用如图甲所示的电路来探究“电流与电阻的关系”,选用了阻值为5Ω、10Ω的定值电阻R1和R2,电压恒为6V的电源,“50Ω 1A”的滑动变阻器R,多挡开关S0等器材。
(1)闭合开关S,S0接某挡位,使R1单独接入ab间,发现电流表指针几乎不动,电压表示数接近6V,原因可能是R1______(填“短路”或“断路”)。排除故障后,调节滑动变阻器的滑片P,当电压表示数如图乙所示时,记录电流表的示数。
(2)保持滑片位置不动,改变S0接入2挡位,使R2单独接入ab间,向______(填“左”或“右”)调节滑片P,直至电压表示数为______V,记录电流表的示数。
(3)闭合开关S,S0接______挡时,使ab间接入阻值最大,重复前面的实验,记录数据。通过实验数据得出:电压一定时,通过导体的电流与导体的电阻成反比。
(4)该组同学选用上述部分器材设计了如图丙所示的电路,测量额定电流为0.3A的小灯泡的额定功率,请将实验过程补充完整
①S0接2挡,调节R的滑片P,使电压表示数为______V,小灯泡正常发光;
②S0接3挡,保持滑片P位置不动,读出此时电压表示数为3V;
③小灯泡的额定功率P额=______W。
【答案】 (1)断路 (2)右 1.8 (3) 3 (4)1.5 0.9
【解析】(1)闭合开关S,S0接“1”处,使R1单独接入ab间,发现电流表指针几乎不动,可能电路中出现断路,电压表示数接近6V,可能电阻R1断路。
(2)由图乙可知,电压表的量程是0-3V,分度值是0.1V,电压表的示数是1.8V,保持滑片位置不动,改变S0接入2挡位,使R2单独接入ab间,由于R2的阻值较大,由串联分压可知,R2两端的电压变大,为了保持电压表的示数为1.8V,由串联分压可知增大变阻器的阻值,滑片向右移动。
(3)闭合开关S,S0接3挡时,两个电阻串联接入电路中,ab间接入阻值最大。
(4)①当电路中的电流为0.3A时,R1两端的电压
U1=IR1=0.3A×5Ω=1.5V
S0接2挡,灯泡、变阻器和R1串联,调节R的滑片P,使电压表示数为1.5V,小灯泡正常发光。
③S0接3挡,变阻器和R1串联,保持滑片P位置不动,读出此时电压表示数为3V,变阻器两端的电压
U滑=6V-3V=3V
根据串联分压原理可知,滑动变阻器连入电路的阻值与R1相同,故在S0接“2”时,
小灯泡的额定电压U额=6V-1.5V-1.5V=3V
小灯泡的额定功率P额=I额U额=0.3A×3V=0.9W
6.(2020•广西)用伏安法测R的电阻实验中:
(1)图甲中,有一根导线未连接,请用笔画线代替导线将电路连接完整。
(2)实验前,滑动变阻器的滑片P应置于最 (选填“左”或“右”)端。
(3)闭合开关后,发现电流表示数为零,电压表示数接近电源电压,则故障原因可能是电阻R (选填“断路”或“短路”)。
(4)排除故障后,当电流表的示数为1A时,电压表的示数如图乙所示,待测电阻R的阻值为 欧。
(5)电流表的电阻虽然很小,但也会影响本实验中R的测量结果。用图丙的电路进行测量可消除这个影响,R0为定值电阻。实验步骤如下:
①按照图丙的电路图连接电路,将滑动变阻器的滑片置于最大阻值处;
②闭合开关S1,S2,移动滑动变阻器滑片,读出电压表的示数U1和电流表的示数I1,
③ 移动滑动变阻器滑片,读出电压表的示数U2和电流表的示数I2;
④可得待测电阻Rx= 。
【答案】(1)如上所示;(2)左;(3)断路;(4)5;(5)断开S2;﹣。
【解析】(1)电压表与灯并联,如下所示:
(2)实验前,滑动变阻器的滑片P应置于阻值最大处,即最左端;
(3)闭合开关后,发现电流表示数为零,电路可能断路,电压表示数接近电源电压,电压表与电源连通,则故障原因可能是电阻R断路;
(4)排除故障后,当电流表的示数为1A时,电压表的示数如图乙,电压表选用大量程,分度值为0.5V,电压为5V,由欧姆定律,待测电阻:R===5Ω;
(5)②闭合开关S1,S2,读出电压表的示数U1和电流表的示数I1,
③断开S2,移动滑动变阻器滑片,读出电压表的示数U2和电流表的示数I2;
在②中,此时待测电阻短路,电流表测定值电阻的电流,电压表测电流表和定值电阻的总电压;移动滑动变阻器滑片,由欧姆定律,定值电阻和电流表的总电阻:R0A=﹣﹣﹣﹣﹣﹣①;
在③中,电流表测待测电阻和定值电阻串联后的电流,电压表测待测电阻和定值电阻及电流表的总电压,由欧姆定律,测待测电阻和定值电阻及电流表的串联的总电阻:Rx0a=﹣﹣﹣﹣﹣﹣②,
②﹣①得:故待测电阻:Rx=﹣。
7.(2020•山西)实践小组的同学们进行“伏安法测定小灯泡电阻”的实验,小灯泡的额定电压为2.5V(阻值约为10Ω),滑动变阻器规格为“20Ω 1A”。
(1)请你用笔画线代替导线,将图甲中的电路连接完整(导线不得交叉)。
(2)滑动变阻器在实验中除保护电路外,还有 作用。同学们把电路元件接入电路,刚接好最后一根导线,灯泡就立即发光,发生这种现象的原因可能是 。
(3)经检查无误后,接通电路,向左移动滑动变阻器的滑片P,观察到 ,表明小灯泡正常发光,此时电流表示数如图乙所示,则小灯泡正常发光时的阻值为 Ω.继续向左移动滑片,则可能出现的现象有 (写出一条即可)。
(4)实验结束后,小组同学根据实验数据,绘制了如图丙所示的图象,分析图象可得出结论: 。
【答案】(1)见解析图;(2)改变小灯泡两端的电压;电路连接过程中开关没有断开;(3)电压表示数为2.5V;8.3;小灯泡变亮;(4)小灯泡两端的电压和电流之比不是定值。
【解析】(1)因为小灯泡的额定电压为2.5V,所以电压表选用0﹣3V的量程,电压表与灯泡并联且正接线柱与小灯泡的进接线柱相连,如下所示:
(2)滑动变阻器的基本作用是保护电路,此实验中主要作用是改变小灯泡两端的电压及通过电阻的电流,算出多组电阻;
连接好最后一根导线,灯泡立即发光,可能是连接电路时没有断开开关;
(3)灯在额定电压下正常发光,所以检查无误后,接通电路,向左移动滑动变阻器的滑片P,观察到电压表的示数为2.5V时,表明小灯泡正常发光;
图乙中电流表选用小量程,分度值为0.02A,示数为0.3A,
小灯泡的电阻为:R==≈8.3Ω;
滑片向左移动,滑动变阻器的电阻减小,根据I=知,电路的电流增大,小灯泡两端的电压变大,根据P=UI知小灯泡的实际功率变大,灯泡变亮;
(4)由图知图象不是直线表示小灯泡两端的电压和电流之比不是定值。
8.(2022山东潍坊模拟)小军做测量小灯泡电功率的实验中,所用小灯泡的额定电压为2.5V.
(1)请用笔画线代替导线,将如图甲所示的实验电路连接完整.
(2)丙图中阴影部分面积表示的物理量是_______.
(3)实验时闭合开关,小军发现小灯泡不发光,且电流表有示数,而电压表无示数,则电路的故障可能是:_______.
(4)故障排除后,闭合开关,小军发现电压表的示数为2V,若想测量小灯泡的额定电功率,应再调节滑动变阻器的滑片P,使P向_______移动(选填“左”或“右”),当电压表的示数为2.5V时,对应电流表的示数如图乙所示,则小灯泡的额定电功率是______W.这时小灯泡正常发光20s,产生的焦耳热为________J.
【答案】(1)如图所示(2)灯两端电压(3)小灯泡短路(4)右 0.75。 15J
【解析】(1)灯泡的额定电压为2.5V<3V,所以选择电压表的量程为0~3V读数精度高,且与灯泡并联,滑动变阻器按一上一下的原则与灯泡串联。具体做法是将灯泡右接线柱与滑动变阻器的A接线柱相连,再与电压表的“3”接线柱相连,如图所示。
(2)由图可知:横坐标表示通过电阻的电流,纵坐标表示该电阻的阻值.由U=IR得阴影部分面积表示的物理量为电流和电阻的乘积,应该为定值电阻两端的电压值。
(3)由实验现象,开关闭合后,灯泡不亮,电流表有示数,说明电路没有断路;电压表无示数,说明与电压表并联的灯泡短路。因此只能是灯泡处出现短路。
(4)要测灯泡的额定功率,应使灯泡两端的电压为2.5V,根据欧姆定律可知应增大电路中的电流,减小滑动变阻器接入电路的电阻,故滑片应向右移动;电流表的量程为0~0.6A,分度值为0.02A,灯泡的额定电流为0.3A;灯泡的额定功率P=UI=2.5V×0.3A=0.75W.
Q=Pt=0.75W×20s=15J
9.(2020•内江)一个物理课外实验小组用如图甲所示的电路来测量某待测电阻Rx的阻值,其中定值电阻R0=20Ω.请你帮实验小组完成:
(1)按照甲图的实验电路图,用笔画线代替导线将乙图连接完整(部分导线已连好);
(2)在连接电路时,开关应 ,闭合开关前,滑动变阻器的滑片应置于 (选填“左”或“右”)端;
(3)闭合开关S1,将开关S2掷于“1”时,调节滑动变阻器的滑片到适当位置,记下此时电压表的示数为U1;保持滑片位置不变,将开关S2掷于“2”时,记下此时电压表的示数为U2.则待测电阻Rx阻值的表达式Rx= (用R0、U1、U2表示)。
(4)重复步骤(3),共得到5组U1、U2的数据,并计算出的值,如下表所示,则5组数据的平均值为 ;利用的平均值,求出待测电阻Rx为 Ω。
1
2
3
4
5
U1/V
0.25
0.30
0.36
0.40
0.44
U2/V
0.86
1.03
1.22
1.36
1.49
3.44
3.43
3.39
3.40
3.39
(5)实验中,采用了多次测出U1和U2的值,并由的平均值,求待测电阻Rx阻值的目的是为了 。
【答案】(1)见解析;(2)断开;右;(3)•R0;(4)3.41;48.2;(5)减小误差。
【解析】(1)按照甲图的实验电路图,滑动变阻器滑片P向右移时其接入电阻变大,连接如图所示:
。
(2)为保护电路元器件,在连接电路时,开关应断开,闭合开关前,滑动变阻器的滑片应置于右端,使接入电阻最大;
(3)闭合开关S1,将开关S2掷于“1”时,三个电阻串联,电压表测量电阻R0两端电压,调节滑动变阻器的滑片到适当位置,记下此时电压表的示数为U1;保持滑片位置不变,将开关S2掷于“2”时,此时电压表测量电阻R0与Rx的两端电压之和,记下此时电压表的示数为U2;由于电路电流保持不变,即
=,
则待测电阻Rx阻值的表达式为:
Rx=•R0;
(4)重复步骤(3),共得到5组U1、U2的数据,并计算出的值,则5组数据的平均值为:==3.41;
利用组平均值,求出待测电阻Rx为:
Rx=R0=(﹣1)R0=(3.41﹣1)×20Ω=48.2Ω;
(5)实验中,采用了多次测出U1和U2的值,并由的平均值,求待测电阻Rx阻值的目的是为多次测量以减小误差。
10.(2020•湘潭)如图甲,是研究小灯泡电阻的实验装置,灯泡的额定电压为2.5V,滑动变阻器最大阻值是50Ω,电源电压保持6V不变。
(1)用笔画线代替导线,将图中的器材连接成完整的电路。
(2)连接完电路后,闭合开关,发现小灯泡发光较暗,且无论怎样移动滑动变阻器滑片P,小灯泡的亮度都不变,则原因可能是 。
A.开关开路 B.电压表短路 C.滑动变阻器接的是下端两接线柱
(3)正确连接后,闭合开关,移动滑片P,记下多组对应的电压表和电流表的示数。当滑片P移到某处,电压表示数为1.5V时,要使小灯泡正常发光,应 (选填“增大”或“减小”)滑动变阻器接入电路中的阻值。
(4)将所测数据绘制成如图乙所示的U﹣I图象。由图可知:小灯泡的电阻是变化的,主要是因为小灯泡灯丝的 (选填“温度”、“长度”或“横截面积”)发生了变化;此小灯泡的额定功率是 W。
(5)利用此装置还可以探究电流与电阻的关系,只需将图甲中的小灯泡换成不同阻值的定值电阻,并使定值电阻两端的电压保持不变,即可进行实验。
①接入某定值电阻后,闭合开关,移动变阻器的滑片P,当电压表的示数为2V时,电流表的示数如图丙所示,为 A,则接入的定值电阻的阻值为 Ω。
②实验时,为了确保不同定值电阻两端的电压能达到并保持2V不变,换用的定值电阻阻值不能大于 Ω。
【答案】(1)如解析所示;(2)C;(3)减小;(4)温度;0.75;(5)①0.4;5;②25。
【解析】(1)因为灯的额定电压为2.5V,电压表选用小量程与灯并联,滑动变阻器一上一下的串联在电路中,如下所示:
(2)连好电路闭合开关后,发现小灯泡发光较暗,说明电路为通路,电流较小,电阻较大,无论如何移动滑动变阻器滑片P,小灯泡亮度都不变,说明变阻器没有变阻的作用,则原因可能是:将变阻器的下面两个接线柱连入了电路,故C符合题意;故选:C;
(3)当电压表示数为1.5V时,电压表示数小于灯泡额定电压,要使灯泡正常发光,向右端移动滑动变阻器滑片来减小滑动变阻器的电阻,从而增大灯泡两端的电压,直到电压表示数等于灯泡额定电压2.5V为止;
(4)小灯泡灯丝的电阻随温度的变化而变化;
如图乙所示的U﹣I图象知,灯的电压为2.5V时,电流大小为0.3A,小灯泡的额定功率是:
PL=ULIL=2.5V×0.3A=0.75W;
(5)①闭合开关,移动变阻器的滑片P,使定值电阻两端的电压为2V,此时电流表的示数如图丙,图中电流表选用小量程,分度值为0.02A,大小为为0.4A,由欧姆定律,则定值电阻的阻值为:
R===5Ω。
②探究电流与电阻的关系,应保持电阻两端的电压不变,即实验时控制定值电阻两端的电压保持2V不变,根据串联电路电压的规律,变阻器分得的电压为:
6V﹣2V=4V,由分压原理,电阻的电压为变阻器电压的 =,则更换的定值电阻的阻值不能大于 ×50Ω=25Ω。
11.(2022广西桂林模拟)在“测小灯泡电功率实验”中,电源电压为3V,小灯泡额定电压为2.5V。
甲 乙 丙
(1)请用笔画线代替导线将图甲所示的实物电路连接完整(要求:滑动变阻器的滑片
向右移动时小灯变亮)。
(2)闭合开关前,滑动变阻器的滑片应调至最_________(填“左”或“右”)端。
(3)闭合开关后,发现灯泡不亮,电流表没有示数,电压表有示数,则电路故障原因是_______。
(4)故障排除后,闭合开关,移动滑片,当电压表示数为1.5V时,电流表示数如图乙
所示,则此时小灯泡的功率为____W。若使小灯泡正常发光,应将滑片向___(填“左”或“右”)端移动。
完成上述实验后,小聪向老师要了一个已知阻值为R0的电阻和一个单刀双掷开关,借助部分现有的实验器材,设计了如图丙所示的电路,也测出了灯泡的功率.请完成下列实验步骤:
①闭合开关S1,将S2拨到触点2,移动滑片,使电压表的示数为U1;
②再将开关S2拨到触点1,保持滑片的位置不动,读出电压表的示数U;
③灯泡实际功率表达式为_________(用测得量表示)。
【答案】(1)见下图(2)左(3)小灯泡断路(4)0.48 右。 U1(U-U1)/R0
+
-
【解析】(1)电压表要并联接在灯泡两端,电源电压为3V,小灯泡额定电压为2.5V,使用“—、 3”两个接线柱,也就是使用“0——3”量程读数准确度高。所以标3的接线柱与灯座右侧接线柱连接。滑动变阻器的滑片向右移动时小灯变亮,说明滑动变阻器接入电路的电阻变小,这时可以知道滑动变阻器的下面接线柱与灯泡左侧接线柱连接。
(2)闭合开关前,滑动变阻器接入电路的电阻要保持最大,滑片应调至最左端。
(3)闭合开关后,发现灯泡不亮,说明电路有断路存在或者灯泡被短路。电流表无示数,说明电路处于断路,电压表有示数,说明灯泡断路。
(4)P=UI=1.5V×0.32A=0.48W 若使小灯泡正常发光,电路电流要增大,就得让滑动变阻器的电阻减小,这样将滑片向右移动。
①闭合开关S1,将S2拨到触点2,移动滑片,使电压表的示数为U1;只要求出这时流经灯泡电流即可;②再将开关S2拨到触点1,保持滑片的位置不动,读出电压表的示数U;这个示数等于灯泡两端电压U1加上R0的两端电压U2=U-U1,灯泡电流等于流经R0的电流。
I1=(U-U1)/R0;灯泡实际功率的表达式可求。
相关试卷
这是一份中考物理二轮复习核心素养专题讲义第47讲 中考磁学1类重点实验(含解析),共12页。
这是一份中考物理二轮复习核心素养专题讲义第45讲 中考力学7类重点实验(含解析),共31页。试卷主要包含了原理,用天平测质量,用量筒测物体体积,转换法应用,由前两结论可概括为,比较乙、丙实验结论是,比较丙、丁实验结论是,实验推理与假设,超载、超速问题判断等内容,欢迎下载使用。
这是一份第47讲 中考磁学1类重点实验-2022年中考物理二轮复习核心素养专题讲义,文件包含第47讲中考磁学1类重点实验原卷版docx、第47讲中考磁学1类重点实验解析版docx等2份试卷配套教学资源,其中试卷共24页, 欢迎下载使用。