所属成套资源:-2022学年人教版九年级物理下册同步练习+培优篇(含答案)
初中物理人教版九年级全册第1节 家庭电路课时作业
展开
这是一份初中物理人教版九年级全册第1节 家庭电路课时作业,共16页。
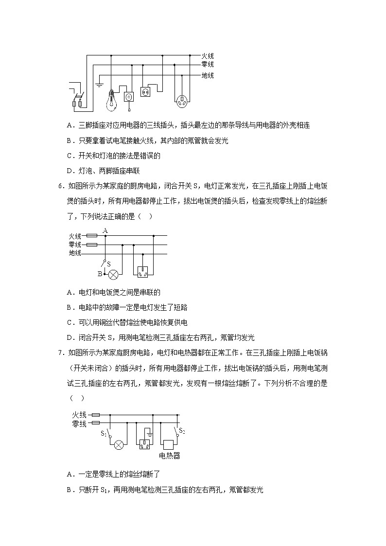
(培优篇)2021-2022学年下学期初中物理人教新版九年级同步分层作业19.1 家庭电路一.选择题(共7小题)1.欢欢家的电路简化后如图所示,由该电路可知( )A.a 线是零线,b 线是火线 B.电能表是测量用电器总功率的 C.电路中的用电器都是并联在电路中的 D.三孔插座中上边的那个孔可以不接地2.如图是现在一般标准住宅户内配电系统方框图,在图中1、2、3位置应该装配( ) A.空气开关、空气开关、漏电保护器 B.空气开关、漏电保护器、空气开关 C.漏电保护器、空气开关、空气开关 D.保险盒、空气开关、漏电保护器3.如图是一个试电笔,下列说法正确的是( ) A.人手不能接触试电笔上的任何金属部分 B.人手可以接触试电笔上的任何金属部分 C.人用试电笔检查电路时,若氖管发光说明有电流流过人体 D.氖管发光说明电路断路4.一款塔式多孔插座如图所示,其技术参数为:最大电压250V,最大电流10A,关于该插座的接线和使用方法正确的是( ) A.插座通电后可用湿布擦去表面灰尘 B.插座内可以只接火线和零线 C.手机充电器使用后应与插座断开 D.标有“220V 3000W”的电热水器可使用该插座5.“从生活走向物理从物理走向社会”是我们学习物理的基本理念。根据所学的知识,图中关于家庭电路的说法正确的是( ) A.三脚插座对应用电器的三线插头,插头最左边的那条导线与用电器的外壳相连 B.只要拿着试电笔接触火线,其内部的氖管就会发光 C.开关和灯泡的接法是错误的 D.灯泡、两脚插座串联6.如图所示为某家庭的厨房电路,闭合开关S,电灯正常发光,在三孔插座上刚插上电饭煲的插头时,所有用电器都停止工作,拔出电饭煲的插头后,检查发现零线上的熔丝断了,下列说法正确的是( ) A.电灯和电饭煲之间是串联的 B.电路中的故障一定是电灯发生了短路 C.可以用铜丝代替熔丝使电路恢复供电 D.闭合开关S,用测电笔检测三孔插座左右两孔,氖管均发光7.如图所示为某家庭厨房电路,电灯和电热器都在正常工作。在三孔插座上刚插上电饭锅(开关未闭合)的插头时,所有用电器都停止工作,拔出电饭锅的插头后,用测电笔测试三孔插座的左右两孔,氖管都发光,发现有一根熔丝熔断了。下列分析不合理的是( ) A.一定是零线上的熔丝熔断了 B.只断开S1,再用测电笔检测三孔插座的左右两孔,氖管都发光 C.只断开S2,再用测电笔检测三孔插座的左右两孔,氖管都不发光 D.同时闭合S1、S2,再用测电笔检测开关S1的两个接线柱,氖管都发光二.填空题(共4小题)8.在家庭电路安装中,电灯与插座应该 联;将控制某用电器的开关与用电器 联,且开关应该接在 线上;熔断器应该安装在闸刀开关之 (选填“前”或“后”),电能表在家庭电路中起 作用,因此应该 联在电路中。9.我国照明电路电压是 V,在初二某班教室里,一个开关同时控制着三盏照明灯,这三盏灯是 (选填“串联”或“并联”)的。10.如图所示家庭电路,在闭合开关S,电路没有任何故障的情况下,小明同学用测电笔测试b点时,测电笔的氖管 发光。(选填“会”或“不会”) 11.家里某用电器发生短路,熔丝立即熔断,用下列方法进行检测,如图所示,断开所有用电器的开关,用一个普通的白炽灯L作为“校验灯”,与熔断的熔丝并联,然后只闭合S、S1,若 L发出暗红色的光(发光不正常),说明L1 ;只闭合S、S2,若L正常发光,说明L2 ,若此时L无反应,说明L2 。(选填“正常”、“短路”或“断路”)。 三.作图题(共1小题)12.如图所示,在符合安全用电原则的前提下,请将控制螺口灯泡的开关、螺口灯泡和三孔插座接入电路中。
(培优篇)2021-2022学年下学期初中物理人教新版九年级同步分层作业19.1 家庭电路参考答案与试题解析一.选择题(共7小题)1.欢欢家的电路简化后如图所示,由该电路可知( )A.a 线是零线,b 线是火线 B.电能表是测量用电器总功率的 C.电路中的用电器都是并联在电路中的 D.三孔插座中上边的那个孔可以不接地【分析】(1)根据图示可判断火线与零线;(2)电能表是测量电路中消耗电能的仪器;(3)家庭电路中各个用电器是互不影响的,所以是并联的关系;(4)三孔插座的接法是左零右火上接地;【解答】解:A、据题意和图中的标注可知,用电器的开关应该接在火线上,所以和开关相连的那根线是火线,即a 线是火线,b 线是零线,故A错误;B、电能表是测量电路中消耗电能的仪器,不是测量电功率的,故B错误;C、家庭电路中各个用电器是互不影响的,所以是并联的关系,故C正确;D、三孔插座的接法是左零右火上接地,故三孔插座中上边的那个孔接地线,故D错误。故选:C。【点评】知道并熟悉家庭电路的连接特点是解决该题的关键。2.如图是现在一般标准住宅户内配电系统方框图,在图中1、2、3位置应该装配( ) A.空气开关、空气开关、漏电保护器 B.空气开关、漏电保护器、空气开关 C.漏电保护器、空气开关、空气开关 D.保险盒、空气开关、漏电保护器【分析】(1)为了用电安全,家庭电路的组成,一定要注意进户线、电能表、总开关、保险装置的顺序不能颠倒。(2)灯泡的开关接在火线和灯泡之间。(3)漏电保护器原理就是检测火线和零线的电流,一般情况下火线电流应该与零线电流差不多,当检测到通过火线和零线上的电流不相等时,漏电保护器会断开电路。【解答】解:根据家庭电路的组成可知,家庭电路的连接要按照进户线→电能表→总空气开关及漏电保护开关→用电器的安装顺序,即在1位置应安装总开关;空调接入电路时,空气的功率过大或空调发生短路时,会使得该支路的电流过大,空气开关会断开电路,所以2处是空气开关;三孔插座接的是有金属外壳的用电器,当用电器的外壳漏电时,通过火线和零线上的电流不相等,则漏电保护器会断开电路,故3处是漏电保护器。故选:A。【点评】解答本题需要掌握家庭电路的组成、家庭电路的连接方式以及开关与用电器的连接方式、插座的接法等,属于基础题。3.如图是一个试电笔,下列说法正确的是( ) A.人手不能接触试电笔上的任何金属部分 B.人手可以接触试电笔上的任何金属部分 C.人用试电笔检查电路时,若氖管发光说明有电流流过人体 D.氖管发光说明电路断路【分析】(1)使用试电笔时,笔尖接触要检测的导线,手接触笔尾金属体,才能在接触火线时氖管发光,接触零线时氖管不发光;(2)试电笔的内部有一个阻值很大的电阻,当人接触试电笔的笔尾金属体,人和测电笔是串联在电路中,如果两者串联在零线和大地之间,加在两者之间的电压是0V,氖管不发光;(4)用测电笔接触火线,氖管发光,用测电笔接触零线,氖管不发光。测电笔被短路时,测电笔的氖管不发光。【解答】解:AB、使用试电笔时,笔尖接触要检测的导线,手指接触笔尾金属体,不能接触笔尖金属体(若接触则会触电),故AB错误;C、在使用试电笔时,试电笔的高值电阻和人串联在火线和大地之间,加在两者之间的电压是220V,此时试电笔的高值电阻分担的电压很大,人体分担的电压很小,通过人体的电流很小,氖管发光,不会发生触电事故,故C正确;D、氖管发光,说明此时测电笔和火线接触,电路断路氖管不发光,故D错误。故选:C。【点评】本题考查试电笔的使用,难度不大。4.一款塔式多孔插座如图所示,其技术参数为:最大电压250V,最大电流10A,关于该插座的接线和使用方法正确的是( ) A.插座通电后可用湿布擦去表面灰尘 B.插座内可以只接火线和零线 C.手机充电器使用后应与插座断开 D.标有“220V 3000W”的电热水器可使用该插座【分析】(1)湿物体是导体,接触带电体容易发生触电;(2)大功率或带有金属外壳的用电器,其金属外壳一定要接地;(3)为了安全,手机充电器使用后要拔离插座;(4)不能在插线排上同时使用大功率用电器,否则电路中电流过大,容易引起火灾。【解答】解:A、湿抹布是导体,用湿布擦通电的插座时,容易发生触电,故不能用湿抹布擦灰尘,故A错误;B、大功率或带有金属外壳的用电器,其金属外壳一定要接地,可防止金属外壳漏电时发生触电事故,所以插座内除了接火线和零线外,还要接地线,故B错误;C、为了安全,手机充电器使用后要拔离插座,故C正确;D、标有“220V 3000W”的电热水器属于大功率用电器,正常工作时的电流I==≈13.6A>10A,应该使用专用插座;若使用多孔插座,容易因电路中电流过大,引起火灾,故D错误。故选:C。【点评】本题考查了安全用电的要求,我们在生活中要严格遵守安全用电原则,预防发生危险。5.“从生活走向物理从物理走向社会”是我们学习物理的基本理念。根据所学的知识,图中关于家庭电路的说法正确的是( ) A.三脚插座对应用电器的三线插头,插头最左边的那条导线与用电器的外壳相连 B.只要拿着试电笔接触火线,其内部的氖管就会发光 C.开关和灯泡的接法是错误的 D.灯泡、两脚插座串联【分析】(1)三孔插座的接法:左零右火,中间接地线,对应的三线插头的该插头与用电器的金属外壳相连;(2)测电笔的正确使用方法:手一定接触笔尾金属体,一定不要接触笔尖金属体;(3)灯泡的接法:开关与灯泡顶部接线柱相连,同时与火线连接,螺旋套与零线相连;(4)家庭电路中各用电器之间、用电器与插座之间以及插座与插座之间都是并联连接。【解答】解:A、图中的三脚插座对应用电器的三线插头,插头最上面的那条导线与用电器的外壳相连,这样可以防止因外壳漏电而发生触电事故,故A错误;B、只有测电笔使用正确(即手指接触笔尾金属体),测电笔接触火线时,氖管才能发光,如果测电笔的使用方法不正确,则氖管不能发光,故B错误;C、开关应接在火线与灯泡之间,则图中开关和灯泡的接法是错误的,故C正确;D、家庭电路中各用电器在工作过程中互不影响,所以用电器、插座之间都是并联连接的,故D错误。故选:C。【点评】解答本题需要掌握:家庭电路中用电器之间、插座之间、用电器和插座之间、开关和用电器之间的连接方式以及测电笔的正确使用方法。6.如图所示为某家庭的厨房电路,闭合开关S,电灯正常发光,在三孔插座上刚插上电饭煲的插头时,所有用电器都停止工作,拔出电饭煲的插头后,检查发现零线上的熔丝断了,下列说法正确的是( ) A.电灯和电饭煲之间是串联的 B.电路中的故障一定是电灯发生了短路 C.可以用铜丝代替熔丝使电路恢复供电 D.闭合开关S,用测电笔检测三孔插座左右两孔,氖管均发光【分析】(1)家庭电路中的用电器是并联的;(2)保险丝熔断是因为电流过大,电流过大的原因是短路或用电器的总功率过大;闭合开关S,电灯正常发光,在三孔插座上刚插上电饭煲的插头时,所有用电器都停止工作,零线上的熔丝断了,说明电路中的电流过大;(3)家庭电路要安装符合安全要求的保险丝,不能用铁丝或铜丝代替保险丝;(4)测电笔可以辨别火线和零线。【解答】解:A、电灯和电饭煲工作时互不影响,是并联的,故A错误;B、由题意可知,闭合开关S时,电灯正常发光,说明电路正常;在三孔插座上刚插上电饭煲的插头时,所有用电器都停止工作,且零线上的熔丝断了,说明电饭煲的插头短路造成家庭电路断路,故B错误;C、当电路电流过大时,保险丝容易熔断而保护电路,如果用铜丝代替保险丝后,由于铜的熔点高,电流过大时,铜丝不会熔化,就起不到保护作用了,故C错误;D、闭合S,由于零线是断路的,所以三孔插座左孔通过灯泡与火线相连,右孔与火线相连,所以用测电笔检测三孔插座左右的两个孔,氖管都发光,故D正确。故选:D。【点评】本题考查了家庭电路故障、用测电笔检测电路的故障。在正常情况下,测电笔测火线应亮,测零线应不亮。7.如图所示为某家庭厨房电路,电灯和电热器都在正常工作。在三孔插座上刚插上电饭锅(开关未闭合)的插头时,所有用电器都停止工作,拔出电饭锅的插头后,用测电笔测试三孔插座的左右两孔,氖管都发光,发现有一根熔丝熔断了。下列分析不合理的是( ) A.一定是零线上的熔丝熔断了 B.只断开S1,再用测电笔检测三孔插座的左右两孔,氖管都发光 C.只断开S2,再用测电笔检测三孔插座的左右两孔,氖管都不发光 D.同时闭合S1、S2,再用测电笔检测开关S1的两个接线柱,氖管都发光【分析】(1)保险丝熔断是因为电流过大,电流过大的原因是短路或用电器的总功率过大;(2)在插上电饭锅(开关未闭合)的插头前,电灯和电热器都在正常工作,在插上电饭锅(开关未闭合)的插头,所有用电器都停止工作,说明电路中干路上有断路,测电笔测试插座的两孔,氖管都发光,说明两孔与火线是连通的,故只可能是零线断了。【解答】解:A、在插上电饭锅(开关未闭合)的插头前,电灯和电热器都在正常工作,但插上电饭锅(开关未闭合)的插头,所有用电器都停止工作,说明电路中干路上有断路,测电笔测试插座的两孔,氖管都发光,说明两孔与火线是连通的,故只可能是零线断了,故A合理。B、断开S1,如图,三孔插座的左右孔分别通过红色线和蓝色线和火线相连,所以用试电笔接触三孔插座的左右两孔氖管都发光,故B合理。 C\只断开S2,如图,三孔插座的左右孔分别通过红色线和蓝色线和火线相连,所以用试电笔接触三孔插座的左右两孔氖管都发光,故C不合理; D、同时闭合S1、S2,如图,开关S1的两个接线柱分别通过红色线和蓝色线和火线相连,所以再用测电笔检测开关S1的两个接线柱,氖管都发光,故D合理。 故选:C。【点评】本题考查了用测电笔检测电路的故障。在正常情况下,测电笔测火线应亮,测零线应不亮。二.填空题(共4小题)8.在家庭电路安装中,电灯与插座应该 并 联;将控制某用电器的开关与用电器 串 联,且开关应该接在 火 线上;熔断器应该安装在闸刀开关之 后 (选填“前”或“后”),电能表在家庭电路中起 测量电路消耗电能 作用,因此应该 串 联在电路中。【分析】(1)根据家庭电路的特点进行分析,即家庭电路的各用电器既可以单独工作,又互不影响;开关与被控制的用电器是串联的;(2)从安全用电原则进行分析,开关和电灯串联,且开关接在火线上,即开关断开后,用电器不再带电;(3)熔断器相当于电路的总保护开关,因此应安装在各用电器及插座之前;(4)电能表可以测量家庭电路中消耗的电能。【解答】解:(1)因为家庭电路的用电器既可以单独工作,又互不影响,所以电灯和插座应该是并联连接;(2)安装家庭电路时,用电器和开关串联后连在火线上,这样开关能控制用电器,为了用电的安全,开关要控制火线;(3)熔断器应当安装在闸刀开关之后,用电器之前;(4)电能表在家庭电路中起测量电路消耗电能的作用,因此应该串联在电路中。故答案为:并;串;火;后;测量电路消耗电能;串。【点评】本题考查了家庭电路的连接、家庭电路的组成,属于基础题目。9.我国照明电路电压是 220 V,在初二某班教室里,一个开关同时控制着三盏照明灯,这三盏灯是 并联 (选填“串联”或“并联”)的。【分析】(1)我国照明电路电压是220V;(2)用电器串联时,各用电器相互影响,不能独立工作;用电器并联时,各用电器互不影响,能独立了工作。【解答】解:(1)我国照明电路电压是220V;(2)教室里的灯独立工作、互不影响(其中一灯坏,其余能亮),因此三盏灯是并联的;开关之所以能同时控制三盏灯,是因为开关接在三盏灯并联后的干路上。故答案为:220;并联。【点评】本题考查了我国照明电路电压、灯泡的连接方式,看灯能不能独立工作是正确判断灯连接方式的关键。10.如图所示家庭电路,在闭合开关S,电路没有任何故障的情况下,小明同学用测电笔测试b点时,测电笔的氖管 不会 发光。(选填“会”或“不会”) 【分析】闭合开关S,电灯发光,人拿测电笔测试b点时,由于b点与零线相连,所以b点与大地之间的电压为0V,氖管不发光,据此进行解答。【解答】解:由图知,b点与零线相连,所以b点与大地之间的电压为0V,故用测电笔测试b点时氖管不会发光。故答案为:不会。【点评】本题考查了测电笔的使用,关键是知道测电笔的氖管在什么情况下发光,什么情况下不发光。11.家里某用电器发生短路,熔丝立即熔断,用下列方法进行检测,如图所示,断开所有用电器的开关,用一个普通的白炽灯L作为“校验灯”,与熔断的熔丝并联,然后只闭合S、S1,若 L发出暗红色的光(发光不正常),说明L1 正常 ;只闭合S、S2,若L正常发光,说明L2 短路 ,若此时L无反应,说明L2 断路 。(选填“正常”、“短路”或“断路”)。 【分析】当检验灯泡发光而亮度不够,则加在灯泡上必有电压,但此电压应小于220V,则此时应该是检验灯泡与另一电阻(如另一灯泡)串联接在火线与零线之间。当检验灯泡正常发光时,该灯泡两端的电压应为220V,则此时一定是灯泡的一端与火线相接,另一端与零线相接。【解答】解:家用电器工作电压为220V,将一个普通的白炽灯L与熔断的熔丝并联,闭合闸刀开关,然后逐个合上各用电器的开关;只闭合S、S1,若 L发出暗红色的光(发光不正常),则此时应该是检验灯泡与另一灯泡串联接在火线与零线之间,故该支路没有短路,故L1正常。只闭合S、S2,若L正常发光,当检验灯泡正常发光时,说明另一灯泡L2没有分到电压,该检验灯泡两端的电压应为220V,则此时一定是灯泡L2发生了短路;若此时L无反应(即不发光),说明L2断路;故答案为:正常;短路;断路;【点评】此题使用检验灯来检验电路故障,要知道判断方法,在生活中要会运用。三.作图题(共1小题)12.如图所示,在符合安全用电原则的前提下,请将控制螺口灯泡的开关、螺口灯泡和三孔插座接入电路中。 【分析】对于电灯接线的基本要求是:“火线零线并排走,零线直接进灯口,火线接在开关上,通过开关进灯头”。三孔插座的接法:上孔接地线;左孔接零线;右孔接火线。【解答】解:由图知,三根电线分别为火线、零线和地线。灯泡接法:火线进入开关,再进入灯泡顶端的金属点,零线直接接入灯泡的螺旋套;安装三孔插座的方法:上孔接地线,左孔接零线,右孔接火线。如图所示: 故答案为:见上图。【点评】掌握家庭电路的灯泡、开关、三孔插座、两孔插座、保险丝的接法,同时考虑使用性和安全性。
相关试卷
这是一份初中物理人教版九年级全册第1节 家庭电路优秀课时训练,文件包含培优分级练人教版物理九年级191《家庭电路》同步分级练解析版docx、培优分级练人教版物理九年级191《家庭电路》同步分级练原卷版docx等2份试卷配套教学资源,其中试卷共16页, 欢迎下载使用。
这是一份人教版九年级全册第5节 磁生电习题,共17页。试卷主要包含了导线a是闭合电路的一部分等内容,欢迎下载使用。
这是一份人教版九年级全册第2节 电生磁课后复习题,共16页。试卷主要包含了如图所示,下列说法中错误的是等内容,欢迎下载使用。

