




初中物理人教版九年级全册第1节 家庭电路优秀课时训练
展开19.1 家庭电路
培优第一阶——基础过关练
1.在家庭用电中,如果闭合开关后,灯泡不亮,可能的原因有:①灯泡的灯丝断了;②灯头的电线断了;③灯头、开关头处接触松动.从电路的组成看,这些故障的原因概括起来应是
A.短路 B.无电源
C.开路 D.以上说法都不对
【答案】C
【解析】
【分析】
电路有以下三种状态:通路(电路处处连通,电路中有电流,用电器工作)、断路(电路某处断开,电路中无电流,用电器不工作)、短路(不经用电器,导线直接连在电源两极上,此时电路中电流过大,会烧坏电源甚至引起火灾),据此即可解答.
【详解】
①灯泡的灯丝断了;②灯头的电线断了;③灯头、开关头处接触松动,这些故障都会造成电路接触不良而断开,形成了开路,故选C.
2.关于家庭电路和安全用电,下列说法正确的是
A.家庭电路中的空气开关跳闸,一定是发生了短路
B.三孔插座不需要接地
C.螺丝刀式试电笔使用时,手指不能接触上端的金属帽
D.控制用电器的开关必须安装在火线上
【答案】D
【解析】
【详解】
A. 空气开关跳闸时因为电流过大,主要原因有两个,一是短路,而是同时工作用电器过多;
B. 三孔插座为“左零右火上接地”,上方接地线,以防金属外壳漏电发生危险;
C. 使用试电笔时应按住笔后的金属,不能触碰试点笔前端金属,以防触电;
D. 家庭电路连接,开关应接火线,因为接火线时,当开关断开,用电器与火线断开连接,避免触电危险.
3.一般家用电器的三脚插头上都有标有一些符号和数字(标有“E”字的插脚比其它两插脚稍长一些),如图所示,从安全用电角度出发,下列有关解释中错误的是
A.此插头能承受的最大电压是250V
B.标有“E”字的插脚一定接地线
C.当拔下插头的瞬间用电器外壳首先与地线断开
D.当插头插入插座的瞬间,用电器外壳先接地
【答案】C
【解析】
【分析】
根据三脚插头上标的字样可知插头能承受的最大电压;从安全用电方面分析标有“E”字的插脚接哪根线;根据三脚插头的特点分析拔下插头的瞬间用电器外壳与哪根线断开.
【详解】
A、三脚插头上标有数字是250V,表示此插头能承受的最大电压是250V;该项说法正确,不符合题意.
B、标有“E”字的插脚是三脚插头的中上脚,根据三孔插座的接法,一定是接地线;该项说法正确,不符合题意.
C、拔插头时,火线和零线刚刚断开时,由于接地线插脚比其它两脚稍长一些,金属外壳仍未离开地线;所以当拔下插头的瞬间用电器外壳首先与地线断开的说法错误,符合题意;
D、当插头插入插座的瞬间,由于接地线插脚比其它两脚稍长一些,使金属外壳先接触地线;该项说法正确,不符合题意.
故选C.
4.下列家庭电路中,连接符合安全用电要求的是( )
A.B.C. D.
【答案】B
【解析】
【详解】
AC.家庭电路中灯和插座之间应该是并联的,而这两幅图中灯和插座串联,故AC不符合题意;
BD.为了用电安全,开关应接在火线与电灯之间,插座接线时应遵循“左零右火”的原则,故B符合题意、D不符合题意.
5.如图所示的家庭电路,插座不能正常工作,经检测发现b、d间断路,闭合开关S,下列说法正确的是( )
A.灯不会发光
B.正确使用试电笔接触图中a点,试电笔会发光
C.若此时站在地上的人接触c点,漏电保护器会切断电路
D.若将开关和灯互换位置,仍然符合安全用电原则
【答案】B
【解析】
【详解】
AB.由图知,灯泡和插座是并联的;已知b、d间断路,但火线上的a点仍然带电,所以正确使用试电笔接触图中a点,试电笔会发光;开关闭合后,灯所在的电路构成通路,所以灯泡能够发光;故A错误,B正确;
C.若站在地上的人接触c点,c点接触的是零线,则电流不会经过人体,即没有发生漏电现象,所以漏电保护器不会切断电路,故C错误;
D.若将开关和灯泡位置互换,则容易使人触电,不符合安全用电原则,故D错误.
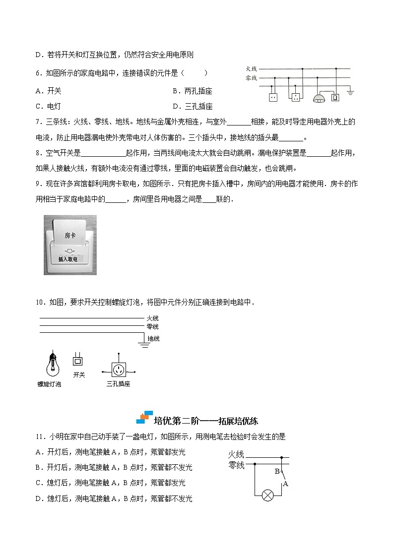
6.如图所示的家庭电路中,连接错误的元件是( )
A.开关 B.两孔插座
C.电灯 D.三孔插座
【答案】B
【解析】
【详解】
AC.开关控制电灯时,开关要接在火线和电灯之间,这样在断开开关时,能切断火线,便于维修或更换灯泡,所以开关、电灯的连接方法正确,故AC不符合题意;
B.两孔插座的左孔应接零线,右孔应接火线,所以图中两孔插座的接法错误,故B符合题意;
D.三孔插座的上孔接地线,左孔接零线,右孔接火线,所以图中三孔插座的接法正确,故D不符合题意.
7.三条线:火线、零线、地线。地线与金属外壳相连,与室外_______相接,能及时导走用电器外壳上的电流,防止用电器漏电使外壳带电对人体伤害的。三个插头中,接地线的插头最_______。
【答案】 大地 长
【解析】
【详解】
[1][2]地线一端与金属外壳相连,一端与室外大地相连,能及时导走用电器外壳上的电流。三个插头中,地线的插头最长,这样地线插头最先接入电路,可以预先把金属外壳上的电流导走,防止触电伤害。
8.空气开关是______________起作用,当两线间电流太大就会自动跳闸。漏电保护装置是_______起作用,如果人接触火线,有额外电流没有通过零线,里面的电磁装置会自动触发,也会跳闸。
【答案】 零线与火线 火线
【解析】
【详解】
[1][2]空气开关是零线与火线起作用,当两线间电流太大就会自动跳闸。漏电保护装置是火线起作用,如果人接触火线,有额外电流没有通过零线,里面的电磁装置会自动触发,也会跳闸。
9.现在许多宾馆都利用房卡取电,如图所示.只有把房卡插入槽中,房间内的用电器才能使用.房卡的作用相当于家庭电路中的______,房间里各用电器之间是____联的.
【答案】 总开关(开关) 并
【解析】
【详解】
房卡可以控制整个房间的电的通断,相当于总开关;
房间里各用电器 工作与否相互独立,互不干扰,所以是并联的.
10.如图,要求开关控制螺旋灯泡,将图中元件分别正确连接到电路中.
【答案】
【解析】
【详解】
根据家庭电路的连接要求画图.
开关应控制火线,所以灯泡接法:火线进入开关,再进入灯泡顶端的金属点,零线直接接入灯泡的螺旋套;
三孔插座:上孔接地线,左孔接零线,右孔接火线,如图所示:
培优第二阶——拓展培优练
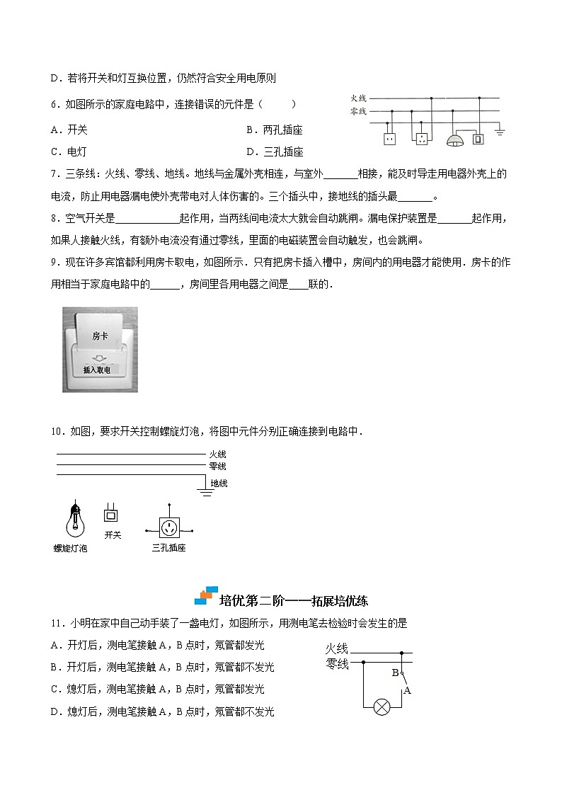
11.小明在家中自己动手装了一盏电灯,如图所示,用测电笔去检验时会发生的是
A.开灯后,测电笔接触A,B点时,氖管都发光
B.开灯后,测电笔接触A,B点时,氖管都不发光
C.熄灯后,测电笔接触A,B点时,氖管都发光
D.熄灯后,测电笔接触A,B点时,氖管都不发光
【答案】A
【解析】
【详解】
AB.开灯后,开关闭合,A、 B两点和电路中的火线接触,所以测电笔接触A、B两点氖管会发光,所以选项A会发生,选项B不会发生;
CD.熄灯后,开关断开,B点接触火线,测电笔接触B点时,氖管会发光;A点通过灯泡和零线接触,所以测电笔接触A点时,氖管不会发光,故C、D不会发生;
故选A。
12.如图所示是某同学设计的家庭电路,电灯开关已断开.下列说法正确的是( )
A.灯泡和两孔插座是串联的 B.试电笔接触M点,氖管不发光
C.开关和三孔插座的连接都是错误的 D.试电笔插入两孔插座的左孔,氖管发光
【答案】C
【解析】
【详解】
灯泡和两孔插座是互不影响的,所以是并联的,故A错误;
M点通过灯泡与火线连接,所以试电笔接触M点,氖管发光,故B错误;
据图可知,开关接到了零线和用电器之间;三孔插座的左孔接的是地线,故均错误,故C说法正确;
两孔插座的左孔是零线,所以试电笔插入两孔插座的左孔氖管不发光,故D错误,
故选C.
13.关于安全用电,下列说法正确的是( )
A.家用电路中的保险装置应装在零线上
B.冬天使用烤火器,在人离开时,应将其关闭
C.可以私自将工厂的动力电路的电接到家中使用
D.雷雨天气可以打着雨伞在开阔地上行走
【答案】B
【解析】
【详解】
A.家庭电路中的保险装置应控制在火线上,当保险装置断开时,用电器不带电,故A错误;
B.冬天使用烤火器,在人离开时,应将其关闭,否则容易引发火灾,故B正确;
C.工厂用的动力电路的电压是380V,家庭电路是220V,不能混合使用,故C错误;
D.突出于地面的物体更容易受到雷击,所以雷雨天气不能撑着雨伞在户外行走,故D错误.
【点睛】
理解与开关要控制火线一样,保险装置也要安装在火线上,这样保险装置断开时,用电器也火线断开,更安全.
14.对照明电路,下列哪一个说法是正确的
A.火线与零线间的电压通常是36V
B.电灯的开关一定要安装在零线上
C.站在干燥的木凳上一手接触火线,另一手同时接触零线,一般不会发生触电事故
D.有金属外壳的家用电器应接在三孔插座上使用
【答案】D
【解析】
【详解】
A.火线与零线间的电压通常是220V,A错误;
B.电灯的开关一定要安装在火线和电灯之间,以保证安全,B错误;
C.站在干燥的木凳上一手接触火线,另一手同时接触零线,会发生触电事故。C错误;
D.有金属外壳的家用电器应接在三孔插座上使用,以防漏电时人触电,D正确。
故选D。
15.图是某家庭电路的一部分,下列说法正确的是
A.电冰箱接入三孔插座后其外壳与零线相连
B.断开开关S时,用试电笔接触A点氖管发光,接触B点时氖管不会发光
C.保险丝烧断后可用铜丝代替
D.闭合开关S时,电灯不亮,保险丝未烧断,可能是电灯短路
【答案】B
【解析】
【详解】
A、电冰箱接入三孔插座能使电冰箱金属外壳接地,防止由于冰箱的外壳漏电而使人发生触电事故,故A错误;
B、断开开关S时,A点在火线上,所以接触A点时氖管会发光,B点与火线没有直接接触也没有间接接触,所以接触B点时氖管不会发光,故B正确;
C、当电路电流过大时,保险丝容易熔断而保护电路,如果用铜丝代替保险丝后,就起不到保护作用了,故C错误;
D、若闭合开关S时,电灯不亮,保险丝未烧断,可能是电灯断路,若电灯短路,则保险丝烧断,故D错误.
16.图为试电笔的结构及使用方法.下列说法正确的是( )
A.试电笔可以判断物体是带正电还是带负电
B.若氖管发光,说明人体成为了电流的通路
C.笔尖、电阻和氖管是导体,外壳、弹簧和笔卡是绝缘体
D.在两种使用试电笔的方法中,甲是正确的,乙是错误的
【答案】B
【解析】
【详解】
A. 试电笔可以判断火线和零线,故A错误;
B. 若氖管发光,说明有电流通过,是火线、测电笔、人体、大地成为了电流的通路,故B正确;
C. 笔尖、电阻、氖管、弹簧和笔卡都是导体,外壳是绝缘体,故C错误;
D. 手应该接触笔尾的笔卡,在所以两种使用试电笔的方法中,甲是错误的,乙是正确的,故D错误;
【点睛】
要理解测电笔使用时,人手必须接触笔尾的金属体,以形成通路,氖管才可能发光,但不能接触笔尖的金属体,这样相当于手直接接触到了输电线,会触电.
17.家用电灯的开关要接到____________(选填“零线”或“火线”)和灯泡之间.造成家庭电路中电流过大的原因是________________________(只填写一种即可).
【答案】 火线 短路(或用电器的总功率过大)
【解析】
【详解】
在家庭电路中,控制电灯的开关应该接在火线和灯泡之间,当开关断开时,电路中不但没有电流通过,而且电灯与火线断开连接,人接触灯泡时不会发生触电事故.家庭电路中短路或用电器总功率过大是造成电流过大的原因.
18.小青同学想在家里安装一盏照明灯,如图所示是他设计的电路.图中虚线框1和2应连入开关和电灯;则开关应装在________虚线框中(选填“1“或“2”).安装完毕后,用一只额定电压为220V的灯泡L0(检验灯泡)取代保险丝来检查新安装的照明灯是否正常,闭合开关后,发现灯泡L0发光呈暗红色,则说明安装的照明灯________(选填“正常”“断路”或“短路”)
【答案】 2 正常
【解析】
【分析】
(1)为了用电的安全,开关应接在火线与电灯之间.
(2)检验灯安在保险丝处后,当开关闭合时若电灯正常,则检验灯与电灯串联,得到的电压小于220V,实际功率小于额定功率,发暗红色光,若电灯短路,则检验灯得到额定电压,正常发光,若电灯断路,则检验灯不亮.
【详解】
(1)为了用电的安全,开关应接在火线与电灯之间,因此开关应装在2处;
(2)若保险丝处用一只额定电压为220V的灯泡L0替换,此时两灯泡串联;
闭合开关后,发现灯泡L0发光呈暗红色,说明检验灯两端的电压小于220V,也说明新安装的照明灯分得一部分电压,则安装的照明灯是正常的.
19.声控开关在静音时处于断开状态,在接收到一定响度的声音时会自动闭合一段时间;某地下通道两端的入口处各装有一个声控开关来控制同一盏电灯,为确保行人不管从那端进入,电灯都能接通电源发光;请用笔画线代替导线,按题意要求将图中的电路连接完整.
( )
【答案】
【解析】
【详解】
两个声控开关串联会相互影响,只有都闭合时灯才发光;两个声控开关并联会互不影响,可以独立控制灯的亮灭,根据“不管行人从哪端进入,电灯都能接通电源发光”,可知两开关应并联,另外注意开关控制火线,如下图所示:
初中物理人教版九年级全册第2节 电生磁优秀随堂练习题: 这是一份初中物理人教版九年级全册第2节 电生磁优秀随堂练习题,文件包含培优分级练人教版物理九年级202《电生磁》同步分级练解析版docx、培优分级练人教版物理九年级202《电生磁》同步分级练原卷版docx等2份试卷配套教学资源,其中试卷共18页, 欢迎下载使用。
人教版九年级全册第1节 家庭电路精品课时训练: 这是一份人教版九年级全册第1节 家庭电路精品课时训练,文件包含培优分级练人教版物理九年级192《家庭电路中电流过大的原因》同步分级练解析版docx、培优分级练人教版物理九年级192《家庭电路中电流过大的原因》同步分级练原卷版docx等2份试卷配套教学资源,其中试卷共18页, 欢迎下载使用。
2020-2021学年第十六章 电压 电阻第4节 变阻器精品同步测试题: 这是一份2020-2021学年第十六章 电压 电阻第4节 变阻器精品同步测试题,文件包含培优分级练人教版物理九年级164《变阻器》同步分级练解析版docx、培优分级练人教版物理九年级164《变阻器》同步分级练原卷版docx等2份试卷配套教学资源,其中试卷共17页, 欢迎下载使用。