


高中物理粤教版 (2019)选择性必修 第一册第五节 用双缝干涉实验测定光的波长练习题
展开4.5用双缝干涉实验测定光的波长同步练习2021—2022学年高中物理粤教版(2019)选择性必修第一册
一、选择题(共15题)
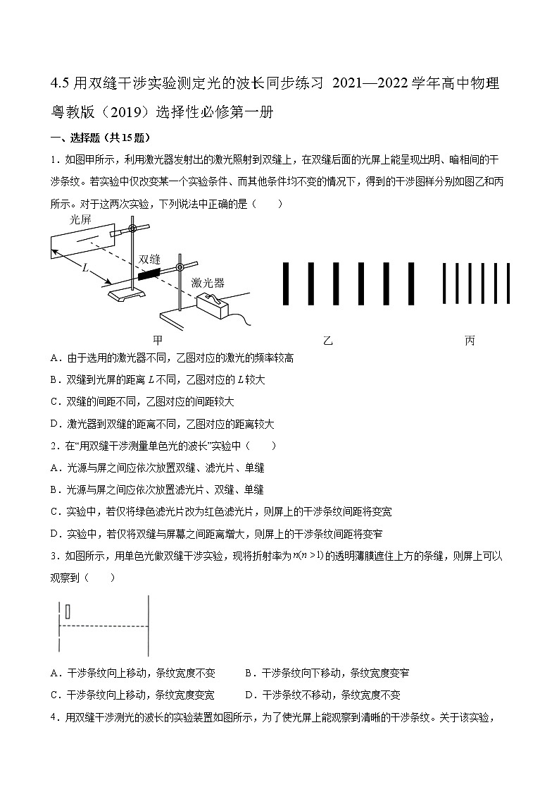
1.如图甲所示,利用激光器发射出的激光照射到双缝上,在双缝后面的光屏上能呈现出明、暗相间的干涉条纹。若实验中仅改变某一个实验条件、而其他条件均不变的情况下,得到的干涉图样分别如图乙和丙所示。对于这两次实验,下列说法中正确的是( )
A.由于选用的激光器不同,乙图对应的激光的频率较高
B.双缝到光屏的距离L不同,乙图对应的L较大
C.双缝的间距不同,乙图对应的间距较大
D.激光器到双缝的距离不同,乙图对应的距离较大
2.在“用双缝干涉测量单色光的波长”实验中( )
A.光源与屏之间应依次放置双缝、滤光片、单缝
B.光源与屏之间应依次放置滤光片、双缝、单缝
C.实验中,若仅将绿色滤光片改为红色滤光片,则屏上的干涉条纹间距将变宽
D.实验中,若仅将双缝与屏幕之间距离增大,则屏上的干涉条纹间距将变窄
3.如图所示,用单色光做双缝干涉实验,现将折射率为的透明薄膜遮住上方的条缝,则屏上可以观察到( )
A.干涉条纹向上移动,条纹宽度不变 B.干涉条纹向下移动,条纹宽度变窄
C.干涉条纹向上移动,条纹宽度变宽 D.干涉条纹不移动,条纹宽度不变
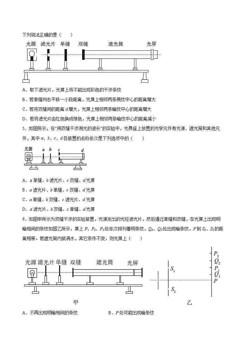
4.用双缝干涉测光的波长的实验装置如图所示,为了使光屏上能观察到清晰的干涉条纹。关于该实验,下列说法正确的是( )
A.取下滤光片,光屏上将不能出现彩色的干涉条纹
B.若单缝向右平移一小段距离,光屏上相邻两条亮纹中心的距离增大
C.若将双缝间的距离d增大,光屏上相邻两条暗纹中心的距离增大
D.若将滤光片由红色换成绿色,光屏上相邻两条暗纹中心的距离减小
5.如图所示,在“用双缝干涉测光的波长”的实验中,光具座上放置的光学元件有光源、遮光筒和其他元件,其中a、b、c、d各装置的名称依次是下列选项中的( )
A.a单缝、b滤光片、c双缝、d光屏
B.a滤光片、b单缝、c双缝、d光屏
C.a单缝、b双缝、c滤光片、d光屏
D.a滤光片、b双缝、c单缝、d光屏
6.如图甲所示为双缝干涉的实验装置,光源发出的光经滤光片,然后通过单缝和双缝,在光屏上出现明暗相间的条纹如图乙所示,屏上P、P1、P2处依次排列着明条纹,Q1、Q2处出现暗条纹,P到S1、S2的距离相等。若遮光筒内装满水,其它条件不变,则光屏上( )
A.不再出现明暗相间的条纹 B.P处可能出现暗条纹
C.P1处一定为明条纹 D.明暗相间的条纹间距变小
7.图为“用双缝干涉测光的波长”的实验装置,实验装置使光屏上能观察到清晰的干涉条纹。从左到右依次放置①光源、②红色滤光片、③、④、⑤遮光筒、⑥光屏。下列说法正确的是( )
A.③、④分别是双缝、单缝
B.减小双缝之间的距离,可以增大相邻暗条纹间的距离
C.应先放上单缝和双缝,再调节光源高度使光沿遮光筒轴线照在屏中心
D.测出条亮条纹间的距离,则相邻两条亮条纹间距为
8.在杨氏干涉实验中,从两个狭缝到达像屏上的某点的光走过的路程相等,该点即为中央亮条纹的位置(即k=0对应的那条亮条纹),双缝屏上有上下两狭缝,设想在双缝屏后用一块极薄的玻璃片遮盖上方的缝,则屏上中央亮条纹的位置将( )
A.向上移动 B.向下移动
C.不动 D.可能向上移动,也可能向下移动
9.用图甲所示装置测量某单色光的波长时,所得图样如图乙所示,调节仪器使分划板的中心刻线对准一条亮条纹A的中心,测量头卡尺的示数为11.4mm,移动手轮使分划板中心刻线对准另一条亮条纹B的中心,测量头卡尺的示数为15.2mm。已知双缝挡板与光屏间距为0.4m,双缝相距0.1mm,则所测单色光的波长为( )
A.2.38×10-7m B.2.38×10-9m C.9.5×10-7m D.9.5×10-9m
10.用单色光做双缝干涉实验,下列说法正确的是( )
A.相邻两亮条纹或暗条纹的中心间距相等
B.中央亮条纹宽度是两边亮条纹宽度的2倍
C.屏与双缝之间的距离减小,则屏上条纹间的距离增大
D.在实验装置不变的情况下,红光的条纹间距小于蓝光的条纹间距
11.如图所示,两种单色光组成的复色光照射到三棱镜上,从另一边射出,则下列说法中正确的是( )
A.a光的波长大于b光的波长
B.这种材料对a光的折射率大于对b光的折射率
C.若从同一介质射向空气发生全反射时,a光的临界角大于b光的临界角
D.若用同一装置观察双缝干涉图样,a光的条纹间距大于b光的条纹间距
12.如图1所示,a、b两束单色光分别从左侧中点处射入后与玻璃砖上表面成角,两束射向上表面单色光的折射光线强度与角的关系如图2所示,已知玻璃砖的长为4L,宽为2L,光速为c,下列说法正确的是( )
A.a光的折射率为2
B.a光频率比b光的大
C.两单色光分别通过同一双缝干涉装置,a光产生的相邻条纹间距较小
D.若,则b光从开始射入玻璃砖到再次回到入射点时的传播时间为
13.在“用双缝干涉测量光的波长”的实验中,将双缝干涉实验仪按要求安装在光具座上,如图所示,并选用缝间距的双缝屏。从仪器注明的规格可知,像屏与双缝屏间的距离。接通电源使光源正常工作。M、N、P三个光学元件依次为( )
A.滤光片、单缝片、双缝片 B.滤光片、双缝片、单缝片
C.偏振片、单缝片、双缝片 D.双缝片、偏振片、单缝片
14.如图所示,在“用双缝干涉测量光的波长”的实验中,将实验仪器按要求安装在光具座上,一同学观察到清晰的干涉条纹。若他对实验装置进行改动后,在像屏上仍能观察到清晰的干涉条纹,但条纹间距变窄。以下改动可能会实现这个效果的是( )
A.仅将滤光片向右移动靠近单缝 B.仅将单缝与双缝的位置互换
C.仅将红色滤光片换成绿色滤光片 D.仅将单缝向左移动少许
15.如图所示是一双缝干涉实验装置的示意图,其中S为单缝,S1、S2为双缝,P为光屏.实验时用白光从左边照射单缝S,可在光屏P上观察到彩色的干涉条纹.现在S1、S2的左边分别加上红色和蓝色滤光片,则在光屏P上可观察到 ( )
A.红光和蓝光两套干涉条纹
B.红、蓝相间的条纹
C.两种色光相叠加,但不出现干涉条纹
D.屏的上部为红光,下部为蓝光,不发生叠加
二、填空题(共4题)
16.在某次双缝干涉实验中,如图所示,Q处是中央亮纹P往上数的第二条暗纹,已知从双缝S1和S2发出的两束相干光到Q点的路程差是9×10-7m,则实验所使用的单色光源发出光的频率是______.
17.如图所示为双缝干涉实验的原理图,光源S到缝、的距离相等,为、连线中垂线与光屏的交点。用波长为500nm的光实验时,光屏中央处呈现中央亮条纹(记为第0条亮条纹),P处呈现第2条亮条纹。当改用波长为400nm的光实验时,P处呈现第___________条__________(填“明条纹”或“暗条纹”)。为使P处呈现第2条亮条纹,可把光屏适当________(填“向左平移”或“向右平移”)。
18.如图甲所示,在“用双缝干涉测光的波长”实验中,将双缝干涉仪按要求安装在光具座上,已知双缝与屏的距离为L,双缝间距为d。
①调节仪器使分划板的中心刻度对准一条亮条纹的中心A,示数如图乙所示,其读数为x1=____________mm。移动手轮至另一条亮条纹的中心B,读出其读数为x2.
②写出计算波长的表达式λ=____________(用x1、x2、L、d表示)。
③若将滤光片由绿色换成红色,其他条件不变,则屏上干涉条纹的间距将____________(填“增大”“减小”或“不变”)。
19.我们用以下装置来做“用双缝干涉测量光的波长”的实验:
(1)在本实验中,需要利用关系式来求解某色光的波长,其中L和d一般为已知量,所以测量是本实验的关键,观察下面的图像,你认为在实际操作中应选下列图中的________图(填写“甲”、“乙”)更为合适?
(2)而在实际操作中,我们通常会通过测n条亮纹间的距离取平均值的方法来减小测量误差。已知实验所用的测量头由分划板、滑块、目镜、手轮等构成,使用50分度的游标卡尺。某同学在成功观察到干涉图像后,开始进行数据记录,具体操作如下:从目镜中观察干涉图像同时调节手轮,总共测量了5条亮纹之间的距离,初末位置游标卡尺的示数如图所示,则相邻两条亮纹的间距________mm。
(3)若在实验当中,某同学观察到以下图像,即测量头中的分划板中心刻线与干涉条纹不在同一方向上。若继续移动目镜观察,将会使测量结果出现偏差,所以需要对仪器进行调整,使干涉条纹与分划板中心刻线在同一方向上。下面操作中可行的有________。
A.调节拨杆方向
B.其他不动,测量头旋转一个较小角度
C.其他不动,遮光筒旋转一个较小角度
D.将遮光筒与测量头整体旋转一个较小角度
(4)在写实验报告时,实验要求学生将目镜中所观察到的现象描绘出来,甲同学和乙同学分别画了移动目镜时的所观察到的初末两个视场区,你觉得__________的图像存在造假现象。
三、综合题(共4题)
20.(1) 在双缝干涉实验中, 要减小相邻两条明条纹间的距离, 正确的做法是______
A.改用频率较大的光
B.改用在真空中波长较大的光
C.减小双缝到屏之间的距离
D.改用在同一介质中传播速度较小的光
E. 增强入射光强度
(2) 如图所示, 实线是某时刻的波形图像, 虚线是0.25 s后的波形图.
① 若波向左传播, 求它传播的可能距离;
② 若波向右传播, 求它的最大周期;
③ 若波速是68 m/s, 判断波的传播方向.
21.利用双缝干涉测量光的波长实验中,双缝间距d=0.3mm,双缝到光屏的距离L=1.0m,用红色光照射双缝得到干涉条纹,将测量头的分划板中心刻线与某条亮纹中心对齐,如图甲所示,将该亮纹定为第1条亮纹,此时手轮上的示数如图乙所示,然后同方向转动测量头,使分划板中心刻线与第8条亮纹中心对齐,此时手轮上的示数如图丙所示。
(i)求相邻亮条纹的中心间距Δx
(ii)求红色光的波长入(结果保留3位有效数字)
(ii)在其他条件不变的情况下,仅将红色光改成绿色光,条纹间距将变大还是变小?
22.某同学按双缝干涉实验装置安装好仪器后,观察光的干涉现象,获得了成功,若他在此基础上将遮光筒内的光屏向靠近双缝的方向移动少许,其他不动,实验仍能成功吗?为什么?
23.某同学在“用双缝干涉测激光的波长”实验中;如图甲所示,若将激光束照在双缝上,在光屏上观察到的现象是图乙图样的平行且等宽的明暗相间的条纹,为测量该激光的波长,测得双缝间距为d(每个缝的宽度很窄,宽度可忽略),光屏到双缝距离为L,现使测量头的分划板中心刻线与条纹的中心对齐,经测量得出5条亮条纹之间的距离为a,求该激光的波长。
参考答案:
1.B
2.C
3.A
4.D
5.B
6.D
7.B
8.A
9.C
10.A
11.B
12.D
13.A
14.C
15.C
16.5×1014
17. 3 暗条纹 向右平移
18. 19. 4 增大
19. 甲图 BC 甲同学
20.)ACD
①若波向左传播,它传播的可能距离为: x = (4n + 3) m (n = 0,1,2,…)
②若波向右传播,最大周期 Tmax = 1 s
③波向右传播.
21.(ⅰ)2.364mm;(ⅱ);(ⅲ)变小
22.能,
实验仍能成功,因为干涉条纹是双缝发出的光叠加的结果,双缝后面的区域处处存在叠加,遮光筒内的光屏向靠近双缝的方向移动少许时,根据
L变小、d、λ均没变,只是条纹间距变小
23.
粤教版 (2019)选择性必修 第一册第五节 用双缝干涉实验测定光的波长课堂检测: 这是一份粤教版 (2019)选择性必修 第一册第五节 用双缝干涉实验测定光的波长课堂检测,共9页。试卷主要包含了选择题,填空题,综合题等内容,欢迎下载使用。
2020-2021学年第五节 用双缝干涉实验测定光的波长练习: 这是一份2020-2021学年第五节 用双缝干涉实验测定光的波长练习,共10页。试卷主要包含了选择题,填空题,综合题等内容,欢迎下载使用。
粤教版 (2019)选择性必修 第一册第五节 用双缝干涉实验测定光的波长课后复习题: 这是一份粤教版 (2019)选择性必修 第一册第五节 用双缝干涉实验测定光的波长课后复习题,共9页。试卷主要包含了选择题,填空题等内容,欢迎下载使用。