初中物理沪科版九年级全册第二节 电流的磁场教课内容课件ppt
展开仔细观察下面几幅图:电与磁的应用
在图中所示电器设备中,它们均利用了磁性。磁跟电有什么关系呢?电会产生磁吗?
丹麦物理学家奥斯特是第一个成功揭开电与磁之间奥秘的物理学家。
1820年4月的一天,丹麦物理学家奥斯特在课堂上演示物理实验当他给导线通电时.导线附近的磁针发生轻微偏转。
一根直导线、电池、小磁针
2、实验步骤:①、如图连接电路。
②、接通电路,导线中有电流通过,观察小磁针是否发生偏转,并注意偏转方向。③断开电路,导线中没有电流通过,观察小磁针是否发生偏转。④接通电路,改变电流方向,观察小磁针偏转方向。
3、通电直导线周围的磁场视频
(1)思考:①通电后磁针能偏转说明了什么?
通电后磁针能偏转说明了通电导线周围存在磁场。
② 改变电流方向后,磁针转向不同说明了什么?
说明了电流磁场方向与导线上电流方向有关。
实验中注意:导线与磁针平行摆放通电时间不易太长。
进一步的研究发现,直导线产生的磁场中,磁感线是以导线为圆心排列的一层一层的同心圆。
奥斯特的发现揭示了电与磁的联系,打开了电磁学领域的一扇大门,使人类对磁与电现象的研究进人了一个新的发展时期.
将导线绕在圆筒上,可做成一个螺线管(也叫线圈)。下面,我们探究一下通电螺线管的磁场是什么样的?
实验探究一:通电螺线管外部的磁场。
1、实验器材:有机玻璃板、电源、导线、铁屑
2、实验步骤:①、在一块有机玻璃板上安装一个用导线绕成的螺线管;②板面上均匀地撒满铁屑,再给螺线管通以电流;③轻轻敲击玻璃板面,观察玻璃板面上铁屑的分布情况。
3、视频:用铁屑研究通电螺线管外部的磁场。
通电螺线管的外部磁场和条形磁体的磁场相似,通电螺线管也有N极和S极。
实验探究二:通电螺线管的磁场方向
1、实验器材:螺线管、导线、小磁针、电源。2、实验步骤:①在螺线管周围放上小磁针,如图连接成串联电路。
②闭合开关,观察小磁针的偏转情况;③改变电流方向,观察小磁针的偏转情况,并把观察到的现象和分析的结论记录下来.
3、实验探究:通电螺线管的磁场方向
这说明通电螺线管周围存在着_____a端为____极。b端为____极.
4、螺线管的a端和小磁针的N极_____螺线管的b端和小磁针的S极______ (选填“相吸”或“排斥”)
用右手握住螺线管,让四指指向螺线管中电流的方向,则大拇指所指的那端就是螺线管的N极。
5、(1)、安培定则(右手螺旋定则)
注意:1、用右手;2、四指弯向螺线管电流的方向;3、大拇指所指的那端就是螺线管的N极。
通电螺线管周围存在着磁场;通电螺线管相当于条形磁体。通电螺线管两端的极性与电流方向有关。
(2)、通电螺线管的磁场特点:
练习:1、根据实验,在小圆内画出通电螺线管周围的磁场方向.
2、根据电流方向判定极性判断N,S极
3、根据极性判定电流方向在下图中小磁针静止,标出通电螺线管的N、S极和电源的正负极.
4、根据极性画出导线的绕法在下图中已知通电螺线管的磁极的极性和电池正负极,请画出线圈的绕线。
5、根据极性判定周围小磁针的指向图为通电螺线管和一小磁针静止时的情形,请在图中标出电流方向、通电螺线管的磁极名和小磁针的磁极名。
三、电磁铁1、定义:内部带有铁心的通电螺线管称为电磁铁。
你知道电磁铁的磁性跟什么因素有关吗?
(1)、与线圈的匝数有关:当电流和铁芯一定时匝数越多磁性越强;即表现为:吸引小铁钉的数目就越多.
2、与电磁铁的磁性有关的因素
(2)、与电流的强弱有关
要保持匝数和铁芯相同,移动滑动变阻器改变电流大小。
实验现象表明:保持匝数和铁芯相同电流越大,电磁铁的磁性越强。
(3)电磁铁磁性强弱与是否带铁芯有关
铁芯使通电螺线管的磁性增强
电磁铁在生产生活中有很多应用,如在电磁起重机、磁浮列车和电磁继电器中都用到了电磁铁。
电磁继电器是一种电子控制器件,是用较小的电流、较低的电压去控制较大电流、较高电压的一种“自动开关” 电磁继电器通常应用于自动控制电路中,可以实现远距离控制和自动化控制。
电磁继电器一般由电磁铁、衔铁、弹簧片、触点等组成,其工作电路包括低压控制电路和高压工作电路两个部.
电磁继电器工作原理视频
1、当电磁铁线圈中有电流通过时,小磁针静止在如图所示的位置上,则电源的A端是____极.
2、如图所示,以下两个通电螺线管一定互相_______(填吸引或排斥)
3、下列四幅图中,通电螺线管中电流的方向标注正确的是( )
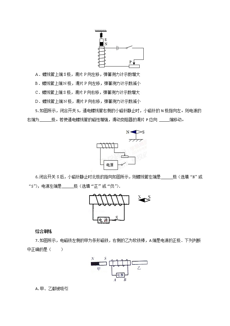
5、如图所示,a是弹簧下端挂的一根条形磁体(其中黑色端为N极),b是电磁铁。当开关闭合后,把滑动变阻器的滑片P向右滑动时,关于电磁铁b的磁性强弱和弹簧长度的变化,下列说法中正确的是( )A. b的磁性增强,弹簧伸长 B. b的磁性减弱,弹簧伸长 C. b的磁性减弱,弹簧缩短 D. b的磁性增强,弹簧缩短
1.奥斯特的实验表明:通电导体和磁体一样,周围也存在着磁场。2.通电螺线管周围存在磁场;通电螺线管周围的磁感线的分布与条形磁铁的十分相似;通电螺线管的极性跟电流方向之间的关系可用右手螺旋定则来定.
3、安培定则:用右手握螺线管,让四指弯向螺线管中电流的方向,则大拇指所指的那端就是螺线管的北极。
4、与电磁铁的磁性有关的因素匝数越多磁性越强;电流越大,电磁铁的磁性越强。铁芯使通电螺线管的磁性增强。
初中物理沪科版九年级全册第二节 电流的磁场精品课件ppt: 这是一份初中物理沪科版九年级全册第二节 电流的磁场精品课件ppt,文件包含172电流的磁场备课件pptx、172电流的磁场备作业解析版docx、172电流的磁场备作业原卷版docx等3份课件配套教学资源,其中PPT共43页, 欢迎下载使用。
2021学年第二节 电流的磁场公开课ppt课件: 这是一份2021学年第二节 电流的磁场公开课ppt课件,文件包含172电流的磁场备课件pptx、172电流的磁场备作业解析版docx、172电流的磁场备作业原卷版docx等3份课件配套教学资源,其中PPT共43页, 欢迎下载使用。
初中物理沪科版九年级全册第二节 电流的磁场集体备课ppt课件: 这是一份初中物理沪科版九年级全册第二节 电流的磁场集体备课ppt课件,文件包含172电流的磁场课件pptx、172电流的磁场练习doc、172电流的磁场教案doc、探究通电直导线周围的磁场mp4、电磁继电器mp4、自制电磁铁mp4、通电螺线管的磁场mp4、通电螺线管的磁场方向mp4等8份课件配套教学资源,其中PPT共30页, 欢迎下载使用。

