


所属成套资源:2022届高考化学一轮复习教案
2022高考化学一轮复习教案:专题突破(十六) 晶体结构的分析与计算
展开
这是一份2022高考化学一轮复习教案:专题突破(十六) 晶体结构的分析与计算,共15页。
专题突破(十六) 晶体结构的分析与计算
晶体结构的分析与计算是高考命题的重点和热点,涉及晶体的化学式确定、晶体密度的计算、空间利用率的计算、原子坐标等,侧重考查考生的阅读理解能力、信息加工能力、空间想象能力、数学思维能力等,要求根据对晶胞结构的分析,运用实证数据分析事物的内部结构和问题的内在联系,以抽象的概念来反映客观事物的本质特征和内在联系,运用抽象与联想、归纳与概括、推演与计算模型与建模等思维方法来组织、调动相关的知识与能力,解决有关晶体的结构分析及计算问题。
1.确定晶体中原子的空间坐标
⇒确定待求坐标的原子与坐标原点的空间位置⇒按(x、y、z)顺序写出待求原子坐标。
2.计算晶胞中微粒间距离的常用关系式
有关晶胞中微粒间距离的计算通常是计算体心立方堆积和面心立方堆积两种结构模型中微粒间的距离,计算中通常用到如下几组公式(设棱长为a,原子半径为r):
(1)面对角线长=a;
(2)体对角线长=a;
(3)体心立方堆积4r=a;
(4)面心立方堆积4r=a。
3.计算晶体的密度
(1)计算思路
Ⅰ.根据晶胞结构确定各种粒子的数
(2)计算关系
若1个晶胞中含有x个微粒,则1 mol晶胞中含有x mol微粒,其质量为xM g(M为微粒的相对分子质量);又1个晶胞的质量为ρ a3 g(a为立方体晶胞的棱长),则1 mol晶胞的质量为ρ a3NA g,因此有xM=ρ a3NA。
4.计算晶胞的空间利用率
(1)基本概念:空间利用率=×100%。
(2)分析思路:①根据“均摊法”确定晶胞中的微粒个数;
②根据原子半径计算所有微粒的体积;
③根据晶胞参数或晶胞密度计算晶胞体积。
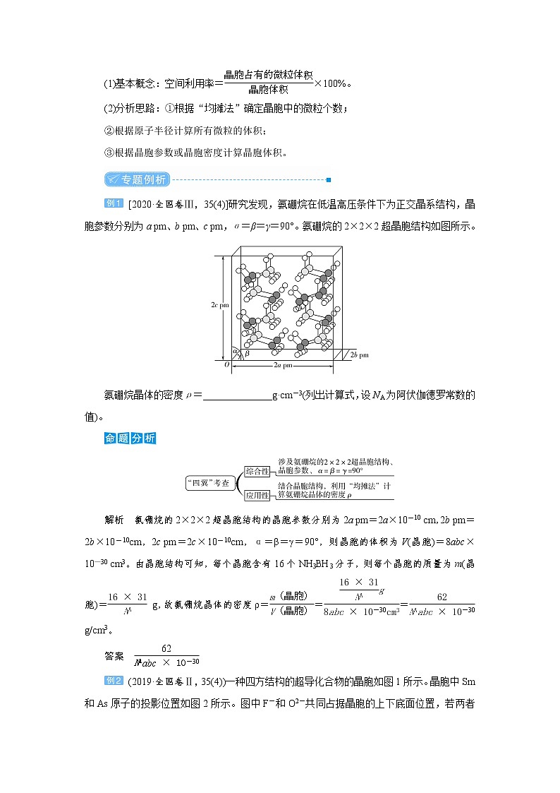
[2020·全国卷Ⅲ,35(4)]研究发现,氨硼烷在低温高压条件下为正交晶系结构,晶胞参数分别为a pm、b pm、c pm,α=β=γ=90°。氨硼烷的2×2×2超晶胞结构如图所示。
氨硼烷晶体的密度ρ=______________g·cm-3(列出计算式,设NA为阿伏伽德罗常数的值)。
解析 氨硼烷的2×2×2超晶胞结构的晶胞参数分别为2a pm=2a×10-10 cm,2b pm=2b×10-10cm,2c pm=2c×10-10cm,α=β=γ=90°,则晶胞的体积为V(晶胞)=8abc×10—30 cm3。由晶胞结构可知,每个晶胞含有16个NH3BH3分子,则每个晶胞的质量为m(晶胞)= g,故氨硼烷晶体的密度ρ=== g/cm3。
答案
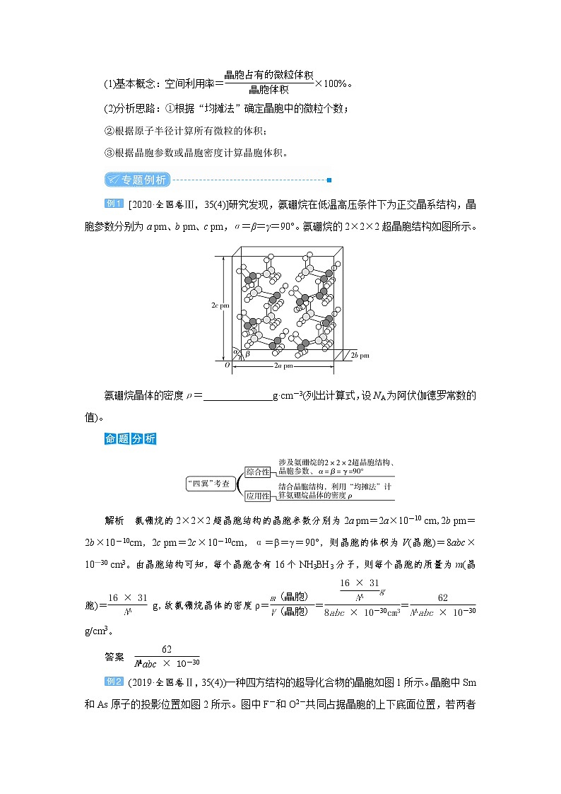
(2019·全国卷Ⅱ,35(4))一种四方结构的超导化合物的晶胞如图1所示。晶胞中Sm和As原子的投影位置如图2所示。图中F-和O2-共同占据晶胞的上下底面位置,若两者的比例依次用x和1-x代表,则该化合物的化学式表示为________;通过测定密度ρ和晶胞参数,可以计算该物质的x值,完成它们关系表达式:ρ=_______________________g·cm-3。
以晶胞参数为单位长度建立的坐标系可以表示晶胞中各原子的位置,称作原子分数坐标,例如图1中原子1的坐标为,则原子2和3的坐标分别为________、________。
解析 由晶胞结构中各原子所在位置可知,该晶胞中Sm的原子个数为4×=2,Fe的原子个数为1+4×=2,As的原子个数为4×=2,O或F的原子个数为8×+2×=2,即该晶胞中O和F的个数之和为2,F-的比例为x,O2-的比例为1-x,故该化合物的化学式为SmFeAsO1-xFx。1个晶胞的质量为= g=g,1个晶胞的体积为a2c pm3=a2c×10-30cm3,故密度ρ=g·cm-3。原子2位于底面面心,其坐标为;原子3位于棱上,其坐标为。
答案 SmFeAsO1-xFx
(2019·全国卷Ⅰ,35(4))图(a)是MgCu2的拉维斯结构,Mg以金刚石方式堆积,八面体空隙和半数的四面体空隙中,填入以四面体方式排列的Cu。图(b)是沿立方格子对角面取得的截图。可见,Cu原子之间最短距离x=______pm,Mg原子之间最短距离y=________pm。设阿伏加德罗常数的值为NA,则MgCu2的密度是________g·cm-3(列出计算表达式)。
(a)
(b)
解析 根据晶胞结构可知Cu原子之间最短距离为面对角线的1/4,由于边长是a pm,则面对角线是a pm,则x=a pm;Mg原子之间最短距离为体对角线的1/4,由于边长是a pm,则体对角线是a pm,则y=a。根据晶胞结构可知晶胞中含有镁原子的个数是8×+6×+4=8,则Cu原子个数为16,晶胞的质量是 g。由于边长是a pm,则MgCu2的密度是 g·cm-3。
答案 a a
1.(2020·全国卷Ⅱ,35(4))一种立方钙钛矿结构的金属卤化物光电材料的组成为Pb2+、I-和有机碱离子CH3NH,其晶胞如图(b)所示,其中Pb2+与图(a)中________的空间位置相同;若晶胞参数为a nm,则晶体密度为____________g·cm-3(列出计算式)。
答案 Ti4+ ×1021
2.(2020·天津卷,13(2))CoO的面心立方晶胞如图甲所示。设阿伏伽德罗常数的值为NA,则CoO晶体的密度为________g·cm-3。
解析 根据晶胞结构计算出O2-个数为8×+6×=4,Co2+个数为12×+1=4,CoO晶体的密度为ρ===×1023g·cm-3。
答案
3.(2018·全国卷Ⅱ,35(5))FeS2晶体的晶胞如图所示。晶胞边长为a nm、FeS2相对式量为M、阿伏加德罗常数的值为NA,其晶体密度的计算表达式为________________g·cm-3;晶胞中Fe2+位于S所形成的正八面体的体心,该正八面体的边长为________nm。
解析 分析晶胞结构可知,Fe2+位于棱边和体心,S位于顶点和面心,因此每个晶胞中含有的Fe2+个数=12×1/4+1=4,每个晶胞中含有的S个数=6×1/2+8×1/8=4,即每个晶胞中含有4个FeS2。一个晶胞的质量=4M/NA g,晶胞的体积=(a×10-7)3 cm3,该晶体密度= g·cm-3=×1021 g·cm-3。正八面体的边长即为两个面心点的距离,因此正八面体的边长为a nm。
答案 ×1021 a
4.(2020·山东实验中学检测)S与Zn所形成化合物晶体的晶胞如图所示。
(1)在该晶胞中,Zn的配位数为________。
(2)原子坐标参数可表示晶胞内部各原子的相对位置。如图晶胞中,原子坐标参数a为(0,0,0);b为;c为。则d的坐标参数为________。
解析 (1)该晶胞中Zn的原子个数为8×+6×=4,S的原子个数为4,故Zn、S的配位数相同,根据S的配位数为4,可知Zn的配位数为4。
(2)根据d的位置,可知其坐标参数为。
答案 (1)4 (2)
5.(2021·湖南长沙检测)NiAs的晶胞结构如图所示。
(1)镍离子的配位数为__________。
(2)若阿伏加德罗常数的值为NA,晶体密度为ρ g·cm-3,则该晶胞中最近的Ni2+之间的距离为________ cm。(写出计算表达式)
解析 (1)根据图示,砷离子周围有4个镍离子,构成正四面体,配位数为4,晶体中Ni和As的数目比为1∶1,因此镍离子周围也有4个砷离子,配位数为4;(2)根据图示,晶胞中含有的砷离子为4个,镍离子数目为8×+6×=4,晶胞的质量== g,晶体密度为ρ g·cm-3,则晶胞的边长= cm,晶胞中最近的Ni2+之间的距离为面对角线的一半,为× cm。
答案 (1)4 (2)×
章末综合检测(十一) 物质结构与性质
一、选择题:本题包括5小题,每小题只有一个选项最符合题意。
1.(2020·山东威海一模)下列叙述错误的是( )
A.C2H4分子中有π键
B.CH4 的中心原子是sp3杂化
C.HCl和HI化学键的类型和分子的极性都相同
D.价电子构型为3s23p4的粒子,其基态原子轨道表示式为:
D [C2H4的结构简式为CH2=CH2,碳碳双键中含有1个π键,A项正确;CH4的中心碳原子价电子对数为4,VSEPR模型和分子的空间构型均为正四面体形,则中心碳原子采取sp3杂化,B项正确;HCl和HI都只含σ键,都是极性分子,C项正确;价电子构型为3s23p4的粒子是S原子,其基态原子核外电子排布式为[Ne]3s23p4,根据洪特规则,3p轨道的4个电子要占据3个p轨道,其基态原子轨道表示式为,D项错误。]
2.(2021·山东泰安调研)下列说法或表达方式中不正确的是( )
A.电子从激发态到基态产生的光谱是发射光谱
B.HClO的电子式:
C.NH3、H2O、CO2分子中,中心原子孤电子对数最多的是H2O
D.基态氯原子的价电子轨道表示式为
B [电子由基态跃迁到激发态,吸收能量产生吸收光谱;由激发态跃迁到基态,释放能量产生发射光谱,A项正确;HClO的电子式为,B项错误;NH3、H2O、CO2的电子式分别为,中心原子孤电子对数分别为1、2、0,孤电子对数最多的是H2O,C项正确;基态氯原子的价电子排布式为3s23p5,轨道表示式为,D项正确。]
3.(2021·辽宁辽阳四校联考)镍的配合物常用于镍的提纯以及药物合成,如Ni(CO)4、[Ni(CN)4]2-、[Ni(NH3)6]2+等。下列说法正确的是( )
A.CO与CN-结构相似,CO分子内σ键和π键个数之比为1∶2
B.[Ni(NH3)6]2+中含有非极性共价键和配位键
C.Ni2+的电子排布式为[Ar]3d10
D.CN-中C原子的杂化方式是sp2
A [CO与CN-结构相似,二者的成键方式相似,CO的分子结构为C≡O,分子内σ键和π键个数之比为1∶2,A正确;[Ni(NH3)6]2+中含有极性共价键和配位键,不含非极性键,B错误;基态Ni原子核外电子排布为[Ar]3d84s2,失去4s轨道的2个电子变成Ni2+,则Ni2+的电子排布式为[Ar]3d8,C错误;CO与CN-结构相似,碳原子的成键方式相同,均采取sp杂化,D错误。]
4.(2021·天津南开中学检测)有5种元素X、Y、Z、Q、T,基态X原子M能层p能级上有2个未成对电子且无空轨道;Y原子的价电子构型为3d64s2;Z原子的L电子层的p能级上有一个空轨道;Q原子的L电子层的p能级上只有一对成对电子;T原子的M电子层上p轨道半充满。下列叙述不正确的是( )
A.X和Q形成的化合物为直线形
B.T和Z分别可与Q形成两种化合物
C.Y和X可形成化合物YX、YX2
D.X和Z可形成非极性分子ZX2
A [基态X原子M能层p能级上有2个未成对电子且无空轨道,则X的价电子排布式为3s23p4,X是S;Y原子的价电子构型为3d64s2,则Y是Fe;Z原子的L电子层的p能级上有一个空轨道,则Z的价电子排布式为2s22p2,Z是C;Q原子的L电子层的p能级上只有一对成对电子,其价电子排布式为2s22p4,则Q是O;T原子的M电子层上p轨道半充满,其价电子排布式为3s23p3,则T是P。S和O形成的化合物有SO2、SO3,前者是V形,后者是平面三角形,A项错误;P、C分别可与O形成P2O3、P2O5、CO、CO2等化合物,B项正确;Fe和S可形成化合物FeS、FeS2,C项正确;ZX2是CS2,C原子采取sp杂化,属于非极性分子,D项正确。]
5.(2021·山东肥城质检)氮化硼(BN)是一种重要的功能陶瓷材料。以天然硼砂为起始物,经过一系列反应可以得到BF3和BN,如图所示。下列叙述错误的是( )
A.H3BO3在水溶液中发生H3BO3+H2O⇌H++[B(OH)4]-,可知H3BO3是一元弱酸
B.六方氮化硼在高温高压下,可以转化为立方氮化硼,其结构与金刚石相似,立方氮化硼晶胞中含有4个氮原子、4个硼原子
C.NH4BF4(氟硼酸铵)是合成氮化硼纳米管的原料之一,1 mol NH4BF4含有配位键的数目为NA
D.由B2O3可制备晶体硼,晶体硼的熔点2 573K,沸点2823K,硬度大,属于原子晶体
C [由H3BO3在水溶液中的电离方程式H3BO3+H2O⇌H++[B(OH)4]-可知,H3BO3是一元弱酸,A项正确;金刚石晶胞是立方体,其中8个顶点有8个碳原子,6个面各有6个碳原子,立方体内部还有4个碳原子,金刚石的一个晶胞中含有的碳原子数8×+6×+4=8,则立方氮化硼晶胞中应该含有4个N和4个B原子,B项正确;NH4BF4中,NH中含有氮氢配位键,BF中含有硼氟配位键,则1 mol NH4BF4含有配位键的数目为2NA,C项错误;原子晶体具有很高的熔沸点和很大的硬度,晶体硼的熔点2 573K,沸点2 823K,硬度大说明晶体硼属于原子晶体,D项正确。]
二、非选择题:本题包括4小题。
6.(2021·四川“蓉城名校联盟”联考)2019年的化学诺贝尔奖颁给了为锂电池研究作出贡献的三位科学家。有两种常见锂电池:一种是采用镍钴锰酸锂Li(NiCoMn)O2或镍钴铝酸锂为正极的“三元材料锂电池”;另一种是采用磷酸铁锂为正极的磷酸铁锂电池。请回答下列问题:
(1)基态钴原子的价电子排布式为____,Mn位于元素周期表的________区(填“s”或“p”或“d”或“ds”或“f”)。
(2)磷元素可以形成多种含氧酸H3PO4、H3PO2、H3PO3、HPO3,这四种酸中酸性最强的是________。PO的空间构型是______________,中心原子的杂化方式是________。
(3)PH3是____分子(填“极性”或“非极性”),其在水中的溶解性比NH3小,原因是________。
(4)硫化锂Li2S(摩尔质量M g·mol-1)的纳米晶体是开发先进锂电池的关键材料,硫化锂的晶体为反萤石结构,其晶胞结构如图。若硫化锂晶体的密度为a g·cm-3,则距离最近的两个S2—的距离是________nm。(用含a、M、NA的计算式表示)
解析 (1)基态Co原子核外有27个电子,电子排布式为[Ar]3d74s2,则价电子排布式为3d74s2。Mn原子的核外电子排布式为[Ar]3d34s2,处于周期表的d区。
(2)PO离子中P原子最外层价电子对数为4+1/2(5+3-2×4)=4,不含孤电子对,VSEPR模型为正四面体形,则PO的空间构型是正四面体形,中心原子P采取sp3杂化。
(3)PH3和NH3都是极性分子,NH3能与水形成分子间氢键,PH3则不能,故NH3在水中的溶解度大于PH3。
(4)硫化锂的晶体为反萤石结构,由晶胞结构可知,X的配位数为8,Y的配位数为4,其比值为2∶1,则Y是Li+,X是S2—。S2—位于面心位置,距离最近的两个S2—的距离为晶胞面对角线的一半,设晶胞边长为x,则距离最近的两个S2-的距离为x;该晶胞的质量m=,晶胞体积V=x3,则=ax3,x=cm,所以距离最近的两个S2-的距离为× cm=× ×107nm
答案 (1)3d74s2 d (2)HPO3 正四面体形 sp3
(3)极性 NH3能与水分子形成分子间氢键,而PH3不能,所以PH3在水中溶解度小
(4) ××107
7.(2021·山东师大附中检测)目前我国研制的稀土催化剂催化转化汽车尾气示意图如下:
图1
(1)Zr原子序数为40,价电子排布式为________。上图中属于非极性的气体分子是__________。
(2)①氟化硼(BF3)是石油化工的重要催化剂。BF3 中B—F比BF中B—F的键长短,原因是____________________。
②乙硼烷(B2H6)是用作火箭和导弹的高能燃料,氨硼烷(H3NBH3)是最具潜力的储氢材料之一。
图2
图3
B2H6的分子结构如图2所示,其中B原子的杂化方式为________。
③H3NBH3的相对分子质量与B2H6相差不大,但是H3NBH3的沸点却比B2H6高得多,原因是______________________________。
④硼酸盐是重要的防火材料。图3是硼酸钠晶体中阴离子(含B、O、H三种元素)的结构,该晶体中含有的化学键有________。
A.离子键 B.极性键 C.非极性键
D.配位键 E.金属键
(3)CO与Ni可生成羰基镍[Ni(CO)4],已知其中镍的化合价为0,[Ni(CO)4]的配体中配位原子是____________。
图4 图5
(4)为了节省贵金属并降低成本,也常用钙钛矿型复合氧化物作为催化剂。一种复合氧化物结构如图4所示,则与每个Sr2+紧邻的O2-有__________个。
(5)与Zr相邻的41号元素Nb金属的晶格类型为体心立方晶格(如图5所示),原子半径为a pm,相对原子质量为b,阿伏加德罗常数为NA,试计算晶体铌的密度为_______________
________________________________________g·cm-3(用a、b、NA表示计算结果)。
解析 (1)Zr原子序数为40,基态原子核外电子排布式为[Kr]4d25s2,故其价电子排布式为4d25s2。图中气体分子,属于非极性分子的是O2、N2、CO2,属于极性分子的是C3H8、NO、CO、H2O(g)。
(2)①BF3中B原子采用sp2杂化,BF中B原子采用sp3杂化,s轨道成分越多,电子云重叠程度越大,键长越短。
②由B2H6的分子结构可知,每个B原子形成4个单键,则B原子采取sp3杂化。
③H3NBH3的相对分子质量与B2H6相差不大,由于H3NBH3分子间存在氢键,分子间作用力更大,故H3NBH3的沸点却比B2H6高得多。
④硼酸钠晶体中存在离子键、极性键(H—O、B—O)、配位键(B←O),故答案选A、B、D。
(4)Sr2+位于晶胞的体心,O2-位于晶胞的棱中点,则与每个Sr2+紧邻的O2-有12个。
(5)金属Nb的晶格类型为体心立方晶格,则每个晶胞含有Nb原子数为1+×8=2个;相对原子质量为b,阿伏加德罗常数为NA,则每个晶胞的质量为 g。原子半径为a pm,设晶胞的棱长为x ,体对角线长度等于原子半径的4倍,则有x=4a pm,x=pm=×
10—10 cm,晶胞的体积为(×10—10 cm)3,故晶体铌的密度为(g)/(×10-10 cm)3=
g/cm3。
答案 (1)4d25s2 O2、N2、CO2
(2)①BF3中B采用sp2杂化,BF中B采用sp3杂化,s轨道成分越多,电子云重叠程度越大,键长越短(或BF3中除了σ键,还有()大π键)
②sp3 ③H3NBH3分子间存在氢键,分子间作用力更大 ④A、B、D
(3)C(或碳) (4)12 (5)
8.(2020·山东济宁三模)氮、铬及其相关化合物用途非常广泛。回答下列问题:
(1)基态N原子的核外电子排布式为__________,Cr位于元素周期表第四周期________族。
(2)Cr与K位于同一周期且最外层电子数相同,两种元素原子第一电离能的大小关系为________;CrCl3的熔点(83 ℃)比CrF3的熔点(1 100 ℃)低得多,这是因为________________。
(3)Cr的一种配合物结构如图所示:
①阴离子ClO的空间构型为______形。
②配离子中,中心离子的配位数为________,N与中心原子形成的化学键称为______键。
③配体H2NCH2CH2NH2(乙二胺)中碳原子的杂化方式是______,分子中三种元素电负性从大到小的顺序为______。
(4)氮化铬的熔点为1 770 ℃,它的一种晶体的晶胞结构如图所示,其密度为5.9 g·cm -3,氮化铬的晶胞边长为______(列出计算式)nm。
解析 (1)N是7号元素,故基态N原子的核外电子排布式为1s22s22p3,Cr是24号元素,在周期表第四周期ⅥB族。
(2)K最外层只有一个电子,易失去电子,Cr的价电子为3d54s1,较稳定,故第一电离能:K<Cr。CrCl3的熔点(83 ℃),典型的分子晶体性质,CrF3的熔点(1 100 ℃),典型的离子晶体性质。
(3)①阴离子C1O的价层电子对数为4+=4,没有孤电子对,所以其空间构型为正四面体。②由图可知,与中心Cr形成的配位数为6;N提供孤电子对,Cr提供空轨道,所以N与中心原子形成的化学键称为配位键。③由H2NCH2CH2NH2可知,C原子周围形成了4个单键,即价层电子对数为4,碳原子的杂化方式为sp3;根据电负性在周期表中的变化规律,C、N、H的电负性关系为:N>C>H。
(4)结合晶胞结构图示,根据均摊法计算,晶胞中Cr的原子数目为×8+×6=4;N的原子数目为×12+1=4,则晶胞的质量为m=,密度为ρ=,从而可得a= cm= nm
答案 (1)1s22s22p3 ⅥB
(2) KC>H
(4)
9.(2021·天津大港一中检测)氮族元素在化学领域具有重要的地位。请回答下列问题:
(1)基态氮原子的价电子轨道表示式为__________;第二周期的元素中,第一电离能介于B和N之间的元素有________种。
(2)雌黄的分子式为As2S3,其分子结构为,As原子的杂化类型为__________。
(3)1 mol中所含σ键的物质的量为________mol。已知NF3与NH3分子的空间构型都是三角锥形,但NF4不易与Cu2+形成配离子,原因是_____________________。
(4)红镍矿是一种重要的含镍矿物,其主要成分的晶胞如下图所示,则每个Ni原子周围与之紧邻的As原子数为________。以晶胞参数为单位长度建立的坐标系可以表示晶胞中各原子的位置,称作原子分数坐标。磷化硼(BP)是一种硬耐磨涂层材料,晶胞为正方体形,晶胞参数为a pm。下图沿y轴投射的晶胞中所有硼原子的分布图和原子分数坐标。设NA为阿伏伽德罗常数的值,1,2,3,4四点原子分数坐标分别为(0.25,0.25,0.75),(0.75,0.25,0.25),(0.25,0.75,0.25),(0.75,0.75,0.75)据此推断BP晶体的密度为________g·cm-3(用代数式表示)
解析 (1)基态氮原子的核外电子排布式为1s22s22p3,则其价电子轨道表示式为。同周期主族元素中第一电离能从左到右呈增大趋势,Be原子的2s处于全满状态,其第一电离能大于B;N原子2p轨道处于半充满状态,其第一电离能大于O,故第一电离能介于B和N之间的元素有Be、C、O共3种元素。
(2)由雌黄的分子结构可知,As原子形成3个As—S键,且含1对孤电子对,则As原子的杂化类型是sp3。
(3)有机物分子中单键是σ键,双键中含有1个σ键,故1 mol 中含有15 mol σ键。
由于F的电负性比N大,N—F成键电子对偏向于F原子,N原子形成正电中心,N原子核对其孤电子对的吸引能力增强,难以形成配位键,故NF3不易与Cu2+形成配离子。
(4)结合红镍矿的晶胞结构及晶胞“平行并置”的特点推知,每个Ni原子周围与之紧邻的As原子有6个。磷化硼是一种超硬耐磨涂层材料,则磷化硼属于共价晶体。观察晶胞结构投影图可知,其晶胞结构与金刚石相似,4个B原子位于晶胞内部,则P原子位于晶胞的8个顶角和6个面心,一个晶胞含有4个磷原子,则每个晶胞的质量为m(晶胞)= g;晶胞参数为a pm=a×10-10 cm,每个晶胞的体积为V(晶胞)=(a×10—10 cm)3,故BP晶体的密度为ρ=m(晶胞)/V(晶胞)=(g)/(a×10-10 cm)3= g·cm—3。
答案 (1) 3 (2)sp3
(3)15 F的电负性比N大,N—F成键电子对向F偏移,导致NF3中N原子核对其孤对电子的吸引能力增强,难以形成配位键,故NF3不易与Cu2+形成配离子
(4)6
相关教案
这是一份高考化学二轮复习教案专题突破(十六) 晶体结构的分析与计算(含解析),共15页。
这是一份2022高考化学一轮复习教案:专题突破(十五) 分子或离子的空间构型的判断,共5页。
这是一份2022高考化学一轮复习教案:专题突破(十三) 化学实验操作的规范描述,共6页。