所属成套资源:新教材2022版高考物理人教版一轮总复习训练(共63份)
新教材2022版高考物理人教版一轮总复习训练:实验8 练习使用多用电表
展开这是一份新教材2022版高考物理人教版一轮总复习训练:实验8 练习使用多用电表,共7页。
(建议用时:40分钟)
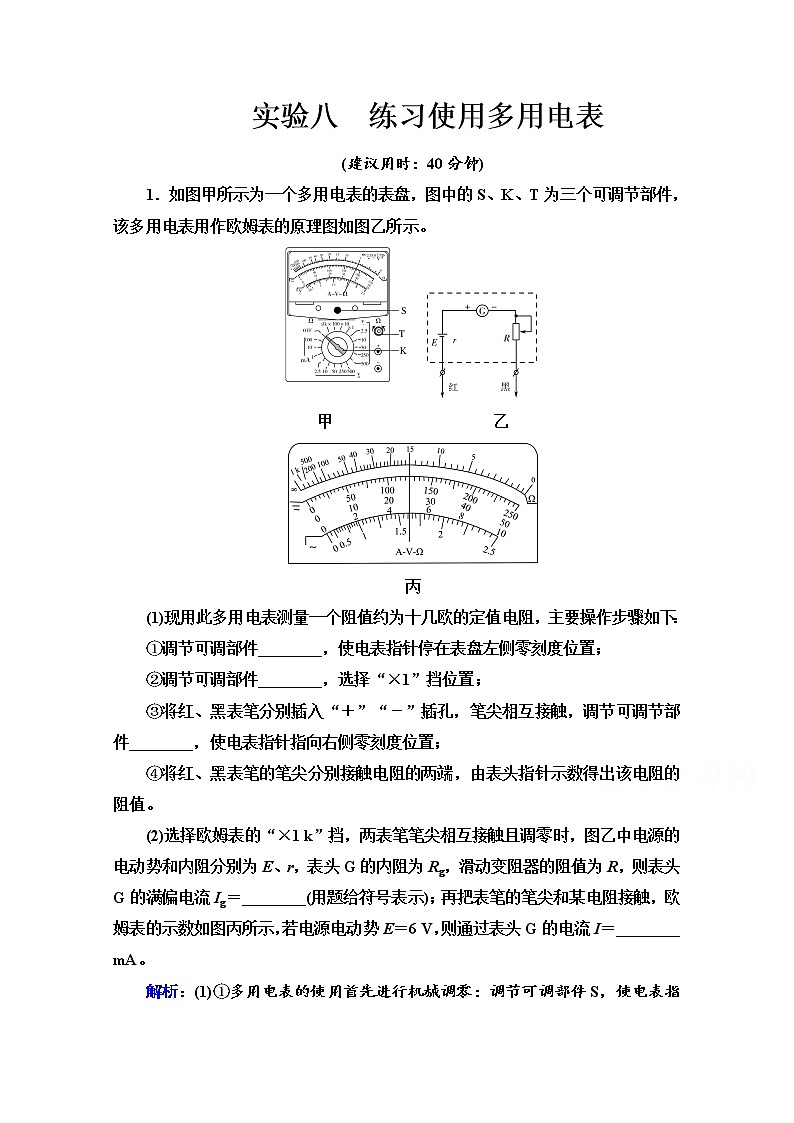
1.如图甲所示为一个多用电表的表盘,图中的S、K、T为三个可调节部件,该多用电表用作欧姆表的原理图如图乙所示。
甲 乙
丙
(1)现用此多用电表测量一个阻值约为十几欧的定值电阻,主要操作步骤如下:
①调节可调部件________,使电表指针停在表盘左侧零刻度位置;
②调节可调部件________,选择“×1”挡位置;
③将红、黑表笔分别插入“+”“-”插孔,笔尖相互接触,调节可调节部件________,使电表指针指向右侧零刻度位置;
④将红、黑表笔的笔尖分别接触电阻的两端,由表头指针示数得出该电阻的阻值。
(2)选择欧姆表的“×1 k”挡,两表笔笔尖相互接触且调零时,图乙中电源的电动势和内阻分别为E、r,表头G的内阻为Rg,滑动变阻器的阻值为R,则表头G的满偏电流Ig=________(用题给符号表示);再把表笔的笔尖和某电阻接触,欧姆表的示数如图丙所示,若电源电动势E=6 V,则通过表头G的电流I=________ mA。
解析:(1)①多用电表的使用首先进行机械调零:调节可调部件S,使电表指针停在表盘左端的零刻度位置。
②调节可调部件K,选择合适的挡位:因电阻约为十几欧,为使指针指在中央刻度附近,则选择欧姆表的“×1”挡位。
③欧姆表选好挡位后要进行欧姆调零,短接红、黑表笔,调节T,使得电表指针指向右端的零刻度位置。
(2)两表笔笔尖相互接触且调零时,Rx=0,此时电流为满偏电流Ig,由闭合电路的欧姆定律有E=Ig(R+Rg+r),则可得Ig= eq \f(E,R+Rg+r)。
欧姆表选择“×1 k”挡,中值电阻值为15×1 000 Ω=1.5×104 Ω,则RΩ=R+Rg+r=1.5×104 Ω,而E=6 V,现接待测电阻后,由题图丙读得Rx=1.5×104 Ω,则I= eq \f(E,RΩ+Rx)=0.2 mA。
答案:(1)①S ②K ③T (2) eq \f(E,R+Rg+r) 0.2
2.(2020·佛山模拟)小明手里有一块多用电表A,其功能完好,但刻度值已不清晰。他想通过实验测定该多用电表(简称A表,下同)“×10”挡欧姆调零后的内阻R0和内置电源的电动势E。
他找来了另一个多用电表B(简称B表,下同)、一个电阻箱、一个开关和若干导线作为实验的器材。
甲
乙
实验的操作如下:
(1)小明将A表调到“×10”挡,将B表调到“mA”挡,准备按如图甲所示将所有的器材串联起来作为实验电路。请你在图中连好剩余的导线。
(2)先使用B表的电流挡测量A表“×10”挡的满偏电流。将电阻箱阻值调为0,将A表调到欧姆挡“×10”挡位置。几次试测后,确定B表应使用“10 mA”挡,调节A表的欧姆调零旋钮直至A表满偏,此时B表的读数如图乙所示,记录下B表读数为________ mA。
(3)断开开关,保持A、B表挡位不变,将A表________短接进行欧姆调零,然后重新连入原来电路。
(4)调节电阻箱,闭合开关,当B表读数为6.0 mA时,读出电阻箱阻值为R1(Ω);继续调节电阻箱阻值,当B表读数为4.0 mA时,读出电阻箱阻值为R2(Ω)。
(5)断开电路,整理器材。
根据以上测量数据,可算出A表内置电源的电动势E=_______V,A表“×10”挡欧姆调零后的内阻R0=_______ Ω,B表“10 mA”挡的内电阻RB=_______ Ω。(以上结果均用R1、R2表示)
解析:(1)电路连线如图所示。
(2)因为B表使用“10 mA”挡,则B表读数为 8.0 mA。
(3)断开开关,保持A、B表挡位不变,将A表红、黑表笔短接进行欧姆调零,然后重新连入原来电路。
(5)设A表“×10”挡欧姆调零后的内阻为R0,则有
I0= eq \f(E,R0)=8 mA
设B表“10 mA”挡的内阻为RB,则
eq \f(E,R0+RB+R1)=6 mA
eq \f(E,R0+RB+R2)=4 mA
联立解得E= eq \f(3(R2-R1),250) V
R0= eq \f(3(R2-R1),2) Ω
RB= eq \f(R2-3R1,2) Ω。
答案:(1)见解析图 (2)8.0 (3)红、黑表笔
(5) eq \f(3(R2-R1),250) eq \f(3(R2-R1),2) eq \f(R2-3R1,2)
3.为探究一块多用电表欧姆“×100”挡的工作原理及内部参数,设计了如下实验过程:
(1)将多用电表挡位旋钮拨到欧姆“×100”挡,然后将两表笔短接,进行________________。
(2)如图甲所示,若将多用电表、电压表、电阻箱进行连接,与电压表的“+”接线柱相连接的是多用电表的________(选填“红”或“黑”)表笔。
(3)闭合开关S,调节电阻箱的阻值为R1=750 Ω,此时多用电表的指针指到刻度盘满偏的 eq \f(2,3) 位置,可知欧姆“×100”挡的内阻r=________ Ω。
(4)现用该多用电表的电阻挡分析只有一处发生断路故障的电路(电源已断开),如图乙所示。将多用电表的两个表笔接在电路的不同部位,多用电表的读数如表格所示,可知断路故障一定为________。(填选项字母)
A. 1、2间电阻断路
B. 2、3间导线断路
C. 3、4间电阻断路
解析:(1)将多用电表挡位旋钮拨到欧姆“×100”挡,然后将两表笔短接,进行欧姆调零。
(2)若将多用电表、电压表、电阻箱进行连接,由“红进黑出”可知,与电压表的“+”接线柱相连接的是多用电表的黑表笔。
(3)闭合开关S,调节电阻箱的阻值为R1=750 Ω,此时多用电表的指针指到刻度盘满偏的 eq \f(2,3) 位置,由Ig= eq \f(E,r), eq \f(2,3)Ig= eq \f(E,R1+r),解得欧姆“×100”挡的内阻 r=1 500 Ω。
(4)多用电表的读数如题中表格所示,可知断路故障一定为2、3间导线断路,即选B。
答案:(1)欧姆调零 (2)黑 (3)1 500 (4)B
4.(2020·浙江模拟)钱华同学的爸爸是个电气工程师,钱华经常看到爸爸用多用电表进行一些测量。在高中物理课堂上学习了多用电表的用法之后,爸爸给他出了一道题目,让他通过测量找到发光二极管的负极。
(1)钱华同学做了如下两步具体的操作:第一,将多用电表选择开关旋转到电阻挡的“×1”挡,经过____________之后,他把红表笔接在二极管的短管脚上,把黑表笔接在二极管的长管脚上,发现二极管发出了耀眼的白光;然后他将两表笔的位置互换以后,发现二极管不发光。这说明二极管的负极是________(选填“长管脚”或“短管脚”)所连接的一极。
甲
(2)钱华同学的好奇心一下子就被激发起来了。他琢磨了一下,然后又依次用电阻挡的“×1”挡、“×10”挡、“×100”挡、“×1 k”挡分别进行了二极管导通状态的准确测量,他发现二极管发光的亮度越来越________(选填“大”或“小”),请帮助他分析一下具体的原因:__________________________________。
(3)钱华同学的兴趣越来越浓厚,他思考这个发光二极管是否像普通电阻一样,两端电压与通过的电流成正比呢?他求助物理实验室老师探究该二极管的伏安特性,测绘它的伏安特性曲线,通过实验,测得发光二极管两端电压U和通过它的电流I的数据如表:
①请在图乙中以笔画线代替导线,按实验要求将实物图中的连线补充完整。
②请你根据钱华同学实验时收集到的数据,在图丙所示的坐标纸中画出该发光二极管的伏安特性曲线(IU图线)。
解析:(1)在测量电阻时,选择挡位后首先要进行欧姆调零;根据题干所述内容进行全面判定后发现,二极管发光时处于正向导通状态,因为黑表笔所接为二极管的正极,故短管脚为负极。
(2)从“×1”挡、“×10”挡、“×100”挡到“×1 k” 挡,多用电表的内阻越来越大,根据闭合电路欧姆定律I= eq \f(E,R+RΩ) 可知,通过二极管的电流越来越小,根据P=I2R可知二极管的发光亮度越来越小。
(3)①电路连线如图甲所示。
②发光二极管的伏安特性曲线(IU图线)如图乙所示。
甲 乙
答案:(1)欧姆调零 短管脚 (2)小 电路中的总电阻越来越大,电流越来越小
(3)①见解析图甲 ②见解析图乙
两表笔位置
接1、4
接1、2
接1、3
接2、4
多用电表读数
无穷大
1 200 Ω
无穷大
无穷大
U/V
0
1.50
1.80
1.90
2.00
2.08
2.19
2.33
I/mA
0
0
0.01
0.02
0.04
0.06
0.09
0.20
U/V
2.43
2.51
2.56
2.62
2.70
2.82
2.87
I/mA
0.50
0.80
1.00
3.00
5.00
9.00
11.01
相关试卷
这是一份人教版高考物理一轮总复习实验8练习使用多用电表习题含答案,共7页。
这是一份实验十 练习使用多用电表-2022高考物理 新编大一轮总复习(word)人教版,共11页。
这是一份实验8 知能达标训练-2022高考物理 新编大一轮总复习(word)人教版,共8页。

