人教版新课标A必修3第二章 统计综合与测试随堂练习题
展开www.ks5u.com
重点列表:
重点 | 名称 | 重要指数 |
重点1 | 频率分布直方图 | ★★★★ |
重点2 | 茎叶图 | ★★★ |
重点3 | 抛物线 | ★★★★ |
重点详解:
用样本的频率分布估计总体分布
(1)通常我们对总体作出的估计一般分成两种:一种是用样本的__________估计总体的__________;另一种是用样本的________估计总体的__________.
(2)在频率分布直方图中,纵轴表示________,数据落在各小组内的频率用________________表示.各小长方形的面积总和等于________.
(3)连接频率分布直方图中各小长方形上端的中点,就得到频率分布________.随着样本容量的增加,作图时所分的________增加,组距减小,相应的频率折线图会越来越接近于一条光滑曲线,统计中称之为______________________,它能够更加精细地反映出____________________________________.
(4)当样本数据较少时,用茎叶图表示数据的效果较好,它不但可以____________________,而且可以______________,给数据的记录和表示都带来方便.
【参考答案】
(1)频率分布 分布 数字特征 数字特征
(2) 各小长方形的面积 1
(3)折线图 组数 总体密度曲线
总体在各个范围内取值的百分比
(4)保留所有信息 随时记录
重点1:频率分布表、频率分布直方图及其应用
【要点解读】
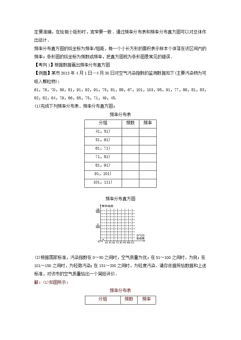
用样本频率分布来估计总体分布的重点是频率分布表和频率分布直方图的绘制及用样本频率分布估计总体分布;难点是频率分布表和频率分布直方图的理解及应用.在计数和计算时一定要准确,在绘制小矩形时,宽窄要一致.通过频率分布表和频率分布直方图可以对总体作出估计.
频率分布直方图的纵坐标为频率/组距,每一个小长方形的面积表示样本个体落在该区间内的频率;条形图的纵坐标为频数或频率,把直方图视为条形图是常见的错误.
【考向1】根据数据画出频率分布直方图
【例题】某市2013年4月1日—4月30日对空气污染指数的监测数据如下(主要污染物为可吸入颗粒物):
61,76,70,56,81,91,92,91,75,81,88,67,101,103,95,91,77,86,81,83,82,82,64,79,86,85,75,71,49,45.
(1)完成下列频率分布表、频率分布直方图;
频率分布表
分组 | 频数 | 频率 |
41,51) |
|
|
51,61) |
|
|
61,71) |
|
|
71,81) |
|
|
81,91) |
|
|
91,101) |
|
|
101,111) |
|
|
频率分布直方图
(2)根据国家标准,污染指数在0~50之间时,空气质量为优;在51~100之间时,为良;在101~150之间时,为轻微污染;在151~200之间时,为轻度污染.请你依据所给数据和上述标准,对该市的空气质量给出一个简短评价.
解:(1)如图所示:
频率分布表
分组 | 频数 | 频率 |
41,51) | 2 | |
51,61) | 1 | |
61,71) | 4 | |
71,81) | 6 | |
81,91) | 10 | |
91,101) | 5 | |
101,111) | 2 |
频率分布直方图
(2)答对下述两条中的一条即可:
①该市一个月中空气污染指数有2天处于优的水平,占当月天数的,有26天处于良的水平,占当月天数的,处于优或良的天数共有28天,占当月天数的.说明该市空气质量基本良好.
②轻微污染有2天,占当月天数的,污染指数在80以上的接近轻微污染的天数有15天,加上处于轻微污染的天数,共有17天,占当月天数的,超过50%,说明该市空气质量有待进一步改善.
【评析】首先根据题目中的数据完成频率分布表,作出频率分布直方图,根据污染指数,确定空气质量为优、良、轻微污染、轻度污染的天数;对于开放性问题的解答,要选择适当的数据特征进行考察,根据数据特征分析得出实际问题的结论.本题主要考查运用统计知识解决简单实际问题的能力、数据处理能力和应用意识.
【考向2】频率分布直方图的逆用
【例题】某校100名学生期中考试语文成绩的频率分布直方图如图所示,其中成绩分组区间是:, ,,,.
(1)求图中a的值;
(2)根据频率分布直方图,估计这100名学生语文成绩的平均分;
(3)若这100名学生的语文成绩在某些分数段的人数(x)与数学成绩在相应分数段的人数(y)之比如下表所示,求数学成绩在之外的人数.
分数段 | ||||
x∶y | 1∶1 | 2∶1 | 3∶4 | 4∶5 |
解:(1)由×10=1,
解得a=0.005.
(2)=0.05×55+0.4×65+0.3×75+0.2×85+0.05×95=73.
(3)由频率分布直方图及已知的语文成绩、数学成绩分布在各分数段的人数比,可得下表:
分数段 | 50,60) | 60,70) | 70,80) | 80,90) |
x | 5 | 40 | 30 | 20 |
x∶y | 1∶1 | 2∶1 | 3∶4 | 4∶5 |
y | 5 | 20 | 40 | 25 |
于是数学成绩在50,90)之外的人数为100-(5+20+40+25)=10.
重点2:茎叶图
【要点解读】
茎叶图、频率分布表和频率分布直方图都是用来描述样本数据的分布情况的.茎叶图由所有样本数据构成,没有损失任何样本信息,可以随时记录;而频率分布表和频率分布直方图则损失了样本的一些信息,必须在完成抽样后才能制作.
【考向1】根据茎叶图求方差
【例题】以下茎叶图记录了甲、乙两组各四名同学的植树棵数.乙组记录中有一个数据模糊,无法确认,在图中以X表示.
如果X=8,求乙组同学植树棵数的平均数和方差;
注:方差s2=(x1-)2+(x2-)2+…+(xn-)2],其中x为x1,x2,…,xn的平均数.
解:当X=8时,由茎叶图可知,乙组同学的植树棵数是8,8,9,10,
所以平均数为==;
方差为s2=2++2+2]=.
【考向2】根据茎叶图求平均数
【例题】某车间共有12名工人,随机抽取6名,他们某日加工零件个数的茎叶图如图所示,其中茎为十位数,叶为个位数.
1 | 7 | 9 |
|
2 | 0 | 1 | 5 |
3 | 0 |
|
|
(1)根据茎叶图计算样本平均值;
(2)日加工零件个数大于样本均值的工人为优秀工人,根据茎叶图推断该车间12名工人中有几名优秀工人?
难点列表:
难点 | 名称 | 难度指数 |
难点1 | 用样本的数字特征估计总体的数字特征 | ★★★★ |
难点2 | 导数与函数的极值、最值 | ★★★ |
难点详解:
用样本的数字特征估计总体的数字特征
(1)众数,中位数,平均数
众数:在一组数据中,出现次数________的数据叫做这组数据的众数.
中位数:将一组数据按大小依次排列,把处在最中间位置的一个数据(或者最中间两个数据的________)叫做这组数据的中位数.
平均数:样本数据的算术平均数,即=_______.
在频率分布直方图中,中位数左边和右边的直方图的面积应该________.
(2)样本方差,样本标准差
标准差
s=,其中xn是__________________,n是________,是________.标准差是反映总体__________的特征数,________是样本标准差的平方.通常用样本方差估计总体方差,当样本容量接近总体容量时,样本方差很接近总体方差.
【答案】 (1)最多 平均数 (x1+x2+…+xn) 相等
(2)样本数据的第n项 样本容量 平均数
波动大小 样本方差
难点1:用样本的数字特征估计总体的数字特征
【要点解读】
能从一组数据中求出中位数、平均数和众数
【考向1】平均数、中位数
【例题】某汽车制造厂分别从A,B两种轮胎中各随机抽取了8个进行测试,列出了每一个轮胎行驶的最远里程数(单位:1000 km):
轮胎A 96 112 97 108 100
103 86 98
轮胎B 108 101 94 105 96
93 97 106
(1)分别计算A,B两种轮胎行驶的最远里程的平均数、中位数;
(2)分别计算A,B两种轮胎行驶的最远里程的极差、标准差;
(3)根据以上数据,你认为哪种型号轮胎的性能更加稳定?
(2)A轮胎行驶的最远里程的极差为:112-86=26,
标准差为:
s=
=≈7.43;
B轮胎行驶的最远里程的极差为:108-93=15,
标准差为:
s=
=≈5.43.
(3)虽然A轮胎和B轮胎的最远行驶里程的平均数相同,但B轮胎行驶的最远里程的极差和标准差相对于A轮胎较小,所以B轮胎性能更加稳定.
【评析】在理解平均数、中位数、众数、极差、标准差、方差的统计意义和数学表达式的情况下,不难作出解答.
【考向2】平均数、标准差
【例题】某学员在一次射击测试中射靶10次,命中环数如下:
7,8,7,9,5,4,9,10,7,4.
则(1)平均命中环数为____________;
(2)命中环数的标准差为____________.
难点2:根据频率分布直方图计算样本的数字特征
【要点解读】
会从频率分布直方图中求出中位数、平均数和众数
【考向1】中位数
【例题】如图所示是一容量为100的样本的频率分布直方图,则由图形中的数据,可知其中位数为( )
A.12.5 B.13
C.13.5 D.14
【答案】 B
【考向2】平均数
【例题】某市为了节约能源,拟出台“阶梯电价”制度,即制订住户月用电量的临界值a.若某住户某月用电量不超过a度,则按平价计费;若某月用电量超过a度,则超出部分按议价计费,未超出部分按平价计费.为确定a的值,随机调查了该市100户的月用电量,工作人员已将90户的月用电量填在了下面的频率分布表中,最后10户的月用电量(单位:度)为:18,63,43,119,65,77,29,97,52,100.
组别 | 月用电量 | 频数统计 | 频数 | 频率 |
① | 0,20) |
|
| |
② | 20,40) | 正正 |
|
|
③ | 40,60) | 正正正正 |
|
|
④ | 60,80) | 正正正正正 |
|
|
⑤ | 80,100) | 正正正正 |
|
|
⑥ | 100,120] |
|
|
(1)完成频率分布表并绘制频率分布直方图;
(2)根据已有信息,试估计全市住户的平均月用电量(同一组数据用该区间的中点值作代表);
(3)若该市计划让全市75%的住户在“阶梯电价”出台前后缴纳的电费不变,试求临界值a.
解] (1)
组别 | 月用电量 | 频数统计 | 频数 | 频率 |
① | 0,20) | 4 | 0.04 | |
② | 20,40) | 正正 | 12 | 0.12 |
③ | 40,60) | 正正正正 | 24 | 0.24 |
④ | 60,80) | 正正正正正正 | 30 | 0.30 |
⑤ | 80,100) | 正正正正正 | 25 | 0.25 |
⑥ | 100,120] | 正 | 5 | 0.05 |
(2)由题意,用每小组的中点值代表该小组的平均月用电量,则100户住户组成的样本的平均月用电量为10×0.04+30×0.12+50×0.24+70×0.30+90×0.25+110×0.05=65(度).
用样本估计总体,可知全市居民的平均月用电量约为65度.
(3)计算累计频率,可得下表:
分组 | 0,20) | 20,40) | 40,60) | 60,80) | 80,100) | 100,120] |
频率 | 0.04 | 0.12 | 0.24 | 0.30 | 0.25 | 0.05 |
累计频率 | 0.04 | 0.16 | 0.40 | 0.70 | 0.95 | 1.00 |
由此可知临界值a应在区间80,100)内,且频率分布直方图中,在临界值a左侧小矩形的总面积(频率)为0.75,故有0.7+(a-80)×0.012 5=0.75,解得a=84,由样本估计总体,可得临界值a为84.
【趁热打铁】
1.容量为20的样本数据,分组后的频数如下表:
分组 | 10,20) | 20,30) | 30,40) | 40,50) | 50,60) | 60,70) |
频数 | 2 | 3 | 4 | 5 | 4 | 2 |
则样本数据落在区间10,40)的频率为( )
A.0.35 B.0.45
C.0.55 D.0.65
2.为了普及环保知识,增强环保意识,某大学随机抽取30名学生参加环保知识测试,得分(十分制)如图所示,假设得分的中位数为me,众数为mo,平均值为,则( )
A.me=mo= B.me=mo<
C.me<mo< D.mo<me<
3.某班级有50名学生,其中有30名男生和20名女生,随机询问了该班五名男生和五名女生在某次数学测验中的成绩,五名男生的成绩分别为86,94,88,92,90,五名女生的成绩分别为88,93,93,88,93.下列说法一定正确的是( )
A.这种抽样方法是一种分层抽样
B.这种抽样方法是一种系统抽样
C.这五名男生成绩的方差大于这五名女生成绩的方差
D.该班男生成绩的平均数小于该班女生成绩的平均数
4.小波一星期的总开支分布如图1所示,一星期的食品开支如图2所示,则小波一星期的鸡蛋开支占总开支的百分比为( )
图1
图2
A.30% B.10%
C.3% D.不能确定
5.从甲乙两个城市分别随机抽取16台自动售货机,对其销售额进行统计,统计数据用茎叶图表示(如图所示),设甲乙两组数据的平均数分别为甲,乙,中位数分别为m甲,m乙,则( )
甲 |
| 乙 |
8 6 5 | 0 |
|
8 8 4 0 0 | 1 | 0 2 8 |
7 5 2 | 2 | 0 2 3 3 7 |
8 0 0 | 3 | 1 2 4 4 8 |
3 1 | 4 | 2 3 8 |
A.甲<乙,m甲>m乙 B.甲<乙,m甲<m乙
C.甲>乙,m甲>m乙 D.甲>乙,m甲<m乙
6.样本(x1,x2,…,xn)的平均数为,样本(y1,y2,…,ym)的平均数为(≠),若样本(x1,x2,…,xn,y1,y2,…,ym)的平均数=α+(1-α) ,其中0<α<,则n,m的大小关系为( )
A.n<m B.n>m
C.n=m D.不能确定
7.甲、乙两人在10天中每天加工零件的个数用茎叶图表示如下.中间一列的数字表示零件个数的十位数,两边的数字表示零件个数的个位数,则这10天中甲、乙两人日加工零件的平均数分别为________和________.
甲 |
| 乙 |
9 8 | 1 | 9 7 1 |
0 1 3 2 0 | 2 | 1 4 2 4 |
1 1 5 | 3 | 0 2 0 |
8.如图是根据部分城市某年6月份的平均气温(单位:℃)数据得到的样本频率分布直方图,其中平均气温的范围是20.5,26.5],样本数据的分组为20.5,21.5),21.5,22.5),22.5,23.5),23.5,24.5),24.5,25.5),25.5,26.5].已知样本中平均气温低于22.5℃的城市个数为11,则样本中平均气温不低于25.5℃的城市个数为________.
9.为了了解高一学生的体能情况,某校抽取部分学生进行一分钟跳绳次数测试,将所得数据整理后,画出频率分布直方图(如图所示),图中从左到右各小长方形面积之比为2∶4∶17∶15∶9∶3,第二小组频数为12.
(1)第二小组的频率是多少?样本容量是多少?
(2)若次数在110以上(含110次)为达标,试估计该学校全体高一学生的达标率是多少?
(3)在这次测试中,学生跳绳次数的中位数落在哪个小组内?请说明理由.
10.为了比较两种治疗失眠症的药(分别称为A药,B药)的疗效,随机地选取20位患者服用A药,20位患者服用B药,这40位患者在服用一段时间后,记录他们日平均增加的睡眠时间(单位:h),试验的观测结果如下:
服用A药的20位患者日平均增加的睡眠时间:
0.6 1.2 2.7 1.5 2.8 1.8 2.2 2.3 3.2
3.5 2.5 2.6 1.2 2.7 1.5 2.9 3.0 3.1
2.3 2.4
服用B药的20位患者日平均增加的睡眠时间:
3.2 1.7 1.9 0.8 0.9 2.4 1.2 2.6 1.3
1.4 1.6 0.5 1.8 0.6 2.1 1.1 2.5 1.2
2.7 0.5
(1)分别计算两组数据的平均数,从计算结果看,哪种药的疗效更好?
(2)根据两组数据完成下面茎叶图,从茎叶图看,哪种药的疗效更好?
A药 |
| B药 |
| 0. |
|
| 1. |
|
| 2. |
|
| 3. |
|
第三章
1解:由频率分布表可知:样本数据落在区间10,40)内的频数为2+3+4=9,样本总数为20,故样本数据落在区间10,40)的频率为=0.45.故选B.
2解:中位数为5.5,众数为5,平均值为.
故选D.
3解:这种抽样方法为简单随机抽样,该班这五名男生成绩的平均数为=90,方差为(86-90)2+(94-90)2+(88-90)2+(92-90)2+(90-90)2]=8;
该班这五名女生成绩的平均数为
=91,
方差为(88-91)2+(93-91)2+(93-91)2+(88-91)2+(93-91)2]=6.故选C.
5解:易知甲=21.5625,乙=28.5625,m甲=20,m乙=29,∴甲<乙,m甲<m乙.故选B.
6解:∵x1+x2+…+xn=n,
y1+y2+…+ym=m,
∴x1+x2+…+xn+y1+y2+…+ym=(m+n)
=(m+n)α+(1-α)]
=(m+n)α+(m+n)(1-α),
∴n+m=(m+n)α+(m+n)(1-α).
∴
故n-m=(m+n)α-(1-α)]=(m+n)(2α-1).
∵0<α<,∴2α-1<0.
∴n-m<0,即n<m.故选A.
7解:设甲、乙在这10天中日加工零件的平均数分别为a,b,则
a=20+
=24,
b=20+
=23.
故填24;23.
8解:平均气温低于22.5℃的城市所占频率为最左边两个矩形面积之和,即0.10×1+0.12×1=0.22,又其频数为11,故总城市数为=50,故样本中平均气温不低于25.5℃的城市共有50×0.18=9(个).
故填9.
9解:(1)由于频率分布直方图以面积的形式反映了数据落在各小组内的频率大小,因此第二小组的频率为=0.08.又因为第二小组频率=,所以样本容量===150.
(2)由图可估计该学校高一学生的达标率约为
×100%=88%.
(3)由已知可得各小组的频数依次为6,12,51,45,27,9,所以前三组的频数之和为69,前四组的频数之和为114,所以跳绳次数的中位数落在第四小组内.
10解:(1)计算得A=2.3, B=1.6,从计算结果来看,A药的疗效更好.
(2)
A药 |
| B药 |
6 | 0. | 5 5 6 8 9 |
8 5 5 2 2 | 1. | 1 2 2 3 4 6 7 8 9 |
9 8 7 7 6 5 4 3 3 2 | 2. | 1 4 5 6 7 |
5 2 1 0 | 3. | 2 |
从以上茎叶图可以看出,A药疗效的试验结果有的叶集中在茎2,3上,而B药疗效的试验结果有的叶集中在茎0,1上,由此可看出A药的疗效更好.
湘教版(2019)必修 第一册第6章 统计学初步6.3 统计图表习题: 这是一份湘教版(2019)必修 第一册第6章 统计学初步6.3 统计图表习题,共6页。
高中数学湘教版(2019)必修 第一册第6章 统计学初步6.1 获取数据的途径及统计概念精练: 这是一份高中数学湘教版(2019)必修 第一册第6章 统计学初步6.1 获取数据的途径及统计概念精练,共4页。
人教版新课标A必修1第三章 函数的应用综合与测试练习题: 这是一份人教版新课标A必修1第三章 函数的应用综合与测试练习题,共14页。试卷主要包含了选择题等内容,欢迎下载使用。

