


2022高考化学一轮专题复习 第32讲 常见气体的实验室制备
展开
第32讲 常见气体的实验室制备
目标要求
核心素养
1.掌握常见气体的实验室制法(包括所用试剂、反应原理、仪器和收集方法)。
2.识别典型的实验仪器装置图。
3.以上各部分知识与技能的综合应用。
1.科学探究与创新意识:能根据题给信息,明确探究实验的目的和原理,设计实验方案,进行实验探究,分析解决实验中出现的问题,得出正确的实验结论。
2.证据推理与模型认知:从实验的本质对实验题进行分类建模。能运用模型解释化学现象,依据答题模板快速准确地回答问题。
考点1 气体的制备和收集
授课提示:对应学生用书第231页
1.常见气体的实验室制法
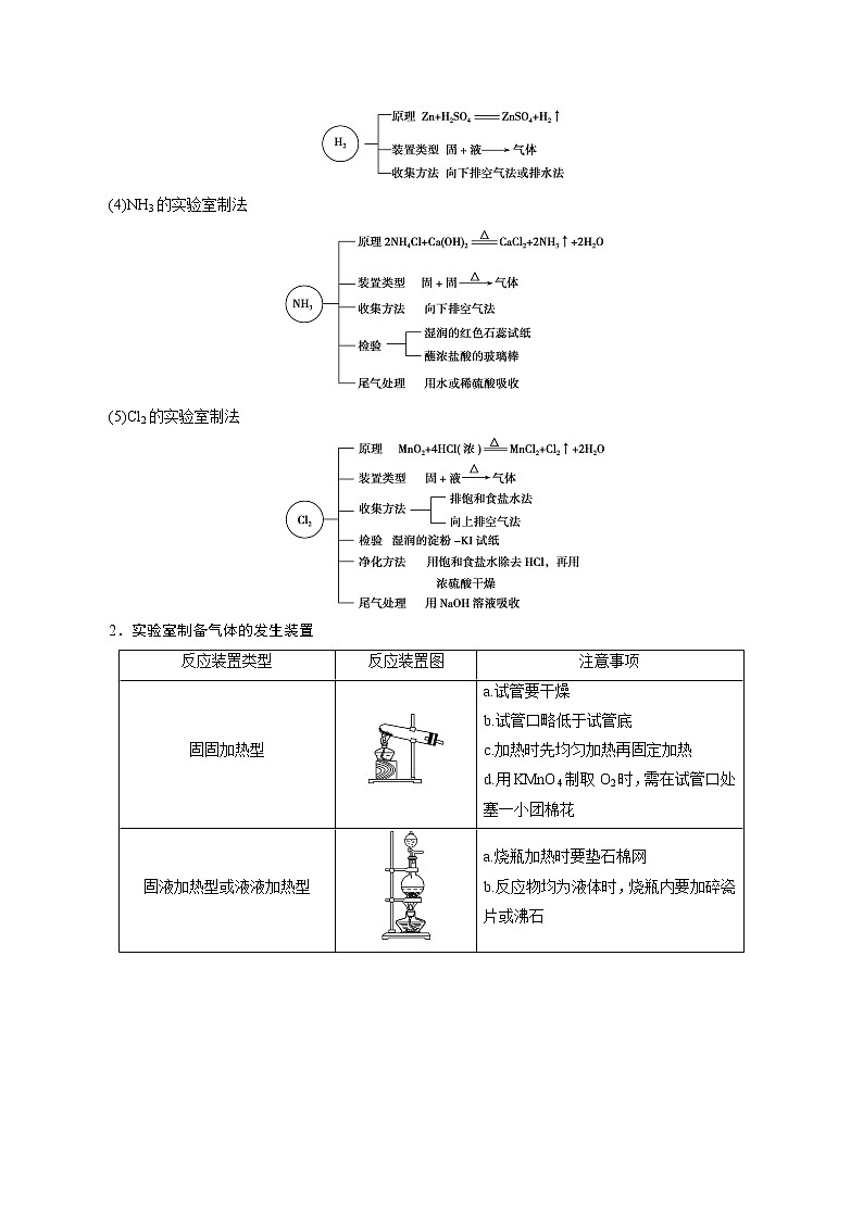
(1)O2的实验室制法
(2)CO2的实验室制法
(3)H2的实验室制法
(4)NH3的实验室制法
(5)Cl2的实验室制法
2.实验室制备气体的发生装置
反应装置类型
反应装置图
注意事项
固固加热型
a.试管要干燥
b.试管口略低于试管底
c.加热时先均匀加热再固定加热
d.用KMnO4制取O2时,需在试管口处塞一小团棉花
固液加热型或液液加热型
a.烧瓶加热时要垫石棉网
b.反应物均为液体时,烧瓶内要加碎瓷片或沸石
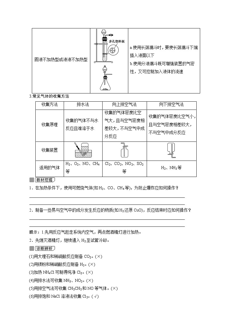
固液不加热型或液液不加热型
a.使用长颈漏斗时,要使长颈漏斗下端插入液面以下
b.使用分液漏斗既可增强装置的气密性,又可控制加入液体的流速
3.常见气体的收集方法
收集方法
排水法
向上排空气法
向下排空气法
收集原理
收集的气体不与水反应且难溶于水
收集的气体密度比空气大,且与空气密度相差较大,不与空气中成分反应
收集的气体密度比空气小,且与空气密度相差较大,不与空气中成分反应
收集装置
适用的气体
H2、O2、NO、CH4等
Cl2、CO2、NO2、SO2等
H2、NH3等
1.在加热条件下,使用可燃烧气体(如H2、CO、CH4等),为防止爆炸应如何操作?
2.制备一些易与空气中的成分发生反应的物质(如H2还原CuO),反应结束时应如何操作?
提示:1.先用反应气赶走系统内空气,再点燃酒精灯进行加热。
2.先熄灭酒精灯,继续通入H2至试管冷却。
(1)用大理石和稀硫酸反应制备CO2。(×)
(2)用镁粉和稀硝酸反应制备H2。(×)
(3)加热NH4Cl可制得纯净Cl2。(×)
(4)用排水法可收集NH3、NO2。(×)
(5)用排空气法可收集CH2CH2和NO等气体。(×)
(6)用排饱和NaCl溶液法收集Cl2。(√)
1.“固(液)+液气体”装置的创新
图A的改进优点是能控制反应液的温度。
图B的改进优点是使圆底烧瓶和分液漏斗中的气体压强相等,便于液体顺利流下。
2.百变的“启普发生器”
启普发生器(如图a所示)
①用启普发生器制取气体的三个条件:块状固体与液体反应;不需加热;生成的气体难溶于水。
②使用方法:使用时,打开导气管上的旋塞,球形漏斗中的液体进入容器与固体反应,气体的流速可用旋塞调节。停止使用时,关闭旋塞,容器中的气体压强增大,将液体压回球形漏斗中,使液体和固体脱离,反应停止。
3.集气装置的创新——排液集气装置
装置(Ⅰ)从a管进气b管出水可收集难溶于水的气体,如H2、O2等。若将广口瓶中的液体更换,还可以收集以下气体。
①饱和食盐水——收集Cl2。
②饱和NaHCO3溶液——收集CO2。
③饱和NaHS溶液——收集H2S。
④四氯化碳——收集HCl或NH3。
装置(Ⅱ)储气式集气。气体从橡胶管进入,可将水由A瓶排入B瓶,在瓶A中收集到气体。
4.化学实验操作中的先后原则
(1)“从下往上”原则
以Cl2的实验室制法为例,组装发生装置的顺序是放好铁架台→摆好酒精灯→根据酒精灯位置固定好铁圈→垫上石棉网→固定好圆底烧瓶。
(2)“从左到右”原则
组装复杂装置应遵循从左到右的原则,如气体制取实验中装置连接顺序为发生装置→除杂装置→集气装置→尾气吸收装置。
(3)先“塞”后“定”原则
带导管的塞子在烧瓶固定前塞好,以免烧瓶固定后因不宜用力而塞不紧或因用力过猛而损坏烧瓶。
(4)“固体先放,液体后加”原则
固体试剂应在固定仪器前加入,而液体药品在仪器固定后加入。如实验室用MnO2和浓盐酸制取Cl2,MnO2应在烧瓶固定前装入,而浓盐酸应在烧瓶固定后从分液漏斗中缓慢加入。
(5)“先验气密性”原则
进行与气体有关的实验时,应在装入药品前进行气密性检查。
(6)“先验纯”原则
可燃性气体在点燃前,必须先检验气体的纯度,否则可能会发生爆炸。
题组一 气体的制备原理及发生装置的选择
1.实验室对制备气体反应的基本要求是:反应条件易满足、能平稳地产生气流、所得气体中尽可能不含杂质成分(除少量水蒸气及少量原料汽化形成的物质)。下列反应一般能用于实验室制备气体的是( )
A.Na2O2与CO2反应制备O2
B.H2O2溶液与MnO2混合制备O2
C.加热浓硝酸制备NO2
D.加热NH4Cl固体制备NH3
解析:A项,制备的O2中易混入CO2杂质;C项,4HNO3(浓)4NO2↑+O2↑+2H2O,即NO2中易混入O2;D项,应使用Ca(OH)2和NH4Cl共热制备NH3。
答案:B
2.用KMnO4和浓盐酸可制备Cl2:2KMnO4+16HCl(浓)===2KCl+2MnCl2+5Cl2↑+8H2O。下列装置可用于上述反应制备Cl2的是( )
解析:由题给反应及化学方程式,可排除A、D两项;KMnO4为粉末状固体,故不能选用B装置。
答案:C
题组二 气体收集装置的选择和利用
3.某学生想利用如图装置(烧瓶不能移动)收集下列气体:①H2;②Cl2;③SO2;④HCl;⑤NH3;⑥NO;⑦NO2。下列说法正确的是( )
A.若烧瓶是干燥的,由b进气,可收集②③④⑥⑦
B.若烧瓶是干燥的,由a进气,可收集①⑤
C.在烧瓶中充满水,由a进气,可收集①⑤⑦
D.在烧瓶中充满水,由b进气,可收集⑥
解析:NO不能用排空气法收集,A错误;由a进气可以收集比空气密度小且与空气中的成分不反应的气体,B正确;NH3、NO2不能用排水法收集,C错误;用排水法集气不能由b进气,D错误。
答案:B
4.如图为中学化学实验中的常见实验装置。
(1)装置A可用于制备多种气体,请写出用装置A制备下列气体时,圆底烧瓶和分液漏斗中应装的化学试剂。
气体
O2
CO2
NH3
SO2
试剂
(2)装置B可用于收集多种气体,若要用于收集氨气,则进气管为________;若要收集NO,简述用装置B收集NO的方法:___________________________________________
________________________________________________________________________。
答案:(1)
MnO2和H2O2溶液(或Na2O2和H2O)
CaCO3和稀盐酸
碱石灰和浓氨水(或NaOH固体和浓氨水等)
Na2SO3固体和浓硫酸
(2)b 将集气瓶中装满水,塞上塞子,从b端通入NO气体,从a端排出水
题组三 常见仪器的组装使用
5.如图是实验室常用的气体制备、净化和收集装置。若依据反应H2C2O4CO↑+CO2↑+H2O制取一氧化碳。则合理的装置组合为( )
A.①⑤⑧ B.③⑤⑦
C.②⑤⑥ D.③④⑧
解析:由反应物的状态和反应条件可知只能选用③作为发生装置,除去CO2可选用④或⑤装置,收集CO选用⑧装置,故合理的装置组合为③④⑧或③⑤⑧。
答案:D
6.如图所示装置可用于实验室制备少量无水FeCl3,仪器连接顺序正确的是( )
A.a—b—c—d—e—h—j—f
B.a—e—d—c—b—h—j—g
C.a—d—e—c—b—h—j—g
D.a—c—b—d—e—h—j—f
解析:先制备氯气,再除去氯气中的HCl和水蒸气,将得到的纯净、干燥的氯气通入装有铁粉的玻璃管中,最后要有尾气吸收装置,正确的连接顺序是a—e—d—c—b—h(j)—j(h)—g。故选B。
答案:B
考点2 气体的净化和尾气处理
授课提示:对应学生用书第234页
1.气体的净化
(1)原理:酸性杂质用碱性物质吸收;碱性杂质用酸性物质吸收;易溶于水或能与水反应的用水吸收;还原性杂质可用氧化性较强的物质来吸收或转化;氧化性杂质可用还原性较强的物质来吸收或转化。
(2)装置
(3)常见干燥剂
液态干燥剂
固态干燥剂
装置
常见干燥剂
浓硫酸(酸性、强氧化性)
无水氯化钙(中性)
碱石灰(碱性)
不可干燥的气体
NH3、H2S、HBr、HI等
NH3
Cl2、H2S、HCl等
2.尾气的处理
通常有毒和有污染的尾气必须适当处理。常见仪器装置有:
(1)吸收溶解度较小的尾气(如Cl2等)用A装置。
(2)吸收溶解度较大的尾气(如HCl、NH3等)用B或C装置。
(3)CO等气体可用点燃或收集于塑料袋(气球)中的方法除去,如D装置或E装置。
欲对Cl2进行干燥、吸收,需选用下列装置中的________(填序号)。
答案:②④
(1)用五氧化二磷可干燥H2、NH3。(×)
(2)用饱和Na2CO3溶液可除去Cl2中混有的HCl。(×)
(3)用灼热的铜粉可除去CO中混有的O2。(×)
(4)用碱石灰干燥氨气,用浓硫酸干燥SO2。(√)
(5)实验室制备Cl2时,可用石灰水进行尾气处理。(×)
(6)实验制备NH3时,可用CCl4吸收多余的NH3。(×)
1.气体除杂原则
(1)不引入新的杂质。如除去甲烷中的乙烯不能用酸性高锰酸钾溶液,因为酸性高锰酸钾溶液氧化乙烯会生成二氧化碳,又引入了新的杂质。
(2)不减少被净化气体的量。如除去CO2中混有的SO2,不能用NaOH溶液,而应该用饱和NaHCO3溶液。
2.气体的净化和尾气处理操作的注意事项
(1)有氧化性的干燥剂(如浓硫酸)不能干燥有还原性的气体(如H2S、HI等)。
(2)不能用无水CaCl2干燥NH3,因为无水CaCl2与NH3能反应。
(3)当气体中含有多种杂质时,若采用洗气装置除杂,通常是除杂在前,干燥在后。若用加热装置除杂,通常是干燥在前,除杂在后。
(4)尾气处理装置应与大气相通,如图所示装置不能作为尾气处理装置。
3.常见改进的尾气吸收装置
题组一 常见气体的净化
1.有关气体的除杂或收集方法。下列说法合理的是 ( )
A.要除去NO中混有的NO2,可以将混合气体先通过足量水,然后用无水CaCl2干燥
B.CO2中混有的CO气体可用点燃法除去
C.除去H2S中混有的水蒸气,用浓硫酸干燥即可
D.如图装置只能用来收集CO2,不能收集H2、NH3等
解析:A项,NO中混有NO2时,先通过足量水,NO2与水发生反应得到稀硝酸和NO,然后通过无水CaCl2干燥即可得到纯净的NO,正确;B项,由于CO2不支持燃烧,无法用点燃法除去CO2中混有的CO,可将混合气体通过灼热的CuO,利用CO的还原性将CO除去,错误;C项,H2S具有还原性,能被浓硫酸氧化,错误;D项,用题图装置收集气体时,从a端进气可收集CO2等密度比空气大的气体,从b端进气可收集H2、NH3等密度比空气小的气体,错误。
答案:A
2.(2021·山西孝义联考)已知饱和氯化铵溶液与亚硝酸钠晶体混合加热可制备氮气。利用如下装置制取氮气,并用氮气制备Ca3N2,Ca3N2遇水发生水解反应。下列说法错误的是( )
A.①中发生反应的化学反应为NaNO2+NH4ClNaCl+N2↑+2H2O
B.④、⑥中依次盛装的试剂可以是浓硫酸、碱石灰
C.③中盛放的试剂是NaOH溶液
D.实验结束,取⑤中的少量产物于试管中,加适量蒸馏水。可以使试管口湿润的红色石蕊试纸变蓝
解析:A项,根据题给信息可知,装置①为制备氮气的装置,饱和氯化铵溶液与亚硝酸钠晶体混合加热生成氮气、氯化钠和水,反应的化学方程式为NaNO2+NH4ClNaCl+N2↑+2H2O,正确。B项,Ca3N2遇水发生水解,所以产生的氮气需要干燥才能进入玻璃管中反应,装置④应为干燥装置,可选用浓硫酸作干燥剂;装置⑥中也应装有干燥剂,防止空气中的水蒸气进入,装置⑥中可盛放碱石灰,正确。C项,装置中有氧气,为防止氧气与钙反应,应利用装置③除去氧气,而NaOH与O2不反应,错误。D项,实验结束,装置⑤中有生成的Ca3N2,Ca3N2遇水发生水解反应生成NH3和Ca(OH)2,NH3可以使湿润的红色石蕊试纸变蓝,正确。
答案:C
题组二 尾气处理方法
3.双球洗气管是一种多用途仪器,常用于除杂、气体干燥、气体吸收等实验操作。如图是一个以双球洗气管为尾气处理装置,用吸收剂X吸收气体Y的情形,其中符合事实的组合是 ( )
选项
A
B
C
D
气体Y
Cl2
HCl
SO2
NO
吸收剂X
饱和NaCl溶液
水
浓硫酸
NaOH溶液
解析:A项,Cl2在饱和NaCl溶液中的溶解度很小,不能被吸收,错误;B项,因HCl极易溶于水,则极易被吸收,正确;C项,SO2能用浓硫酸干燥,但不能被吸收,错误;D项,NO有毒,不能直接排放到大气中,且NO不能与NaOH反应,不能被吸收,错误。
答案:B
4.(2021·广州期末联考)MnSO4·H2O是一种易溶于水的微红色斜方晶体,某同学设计下列装置制备硫酸锰:
下列说法错误的是( )
A.装置Ⅰ烧瓶中放入的药品X为铜屑
B.装置Ⅱ中用“多孔球泡”可增大SO2的吸收速率
C.装置Ⅲ用于吸收未反应的SO2
D.用装置Ⅱ反应后的溶液制备MnSO4·H2O需经历蒸发结晶、过滤、洗涤及干燥的过程
解析:Cu与浓硫酸常温下不反应,X不可能为Cu,A项错误;装置Ⅱ中用“多孔球泡”,增大接触面积,可增大SO2的吸收速率,B项正确;装置Ⅲ中NaOH溶液可吸收尾气,C项正确;用装置Ⅱ反应后的溶液制备MnSO4·H2O,需要经过蒸发结晶、过滤、洗涤及干燥的过程,D项正确。
答案:A
巧记四个“3”
3类气体发生装置,3种气体净化装置、3种气体收集装置,3类尾气处理装置。
授课提示:对应学生用书第236页
1.(2019·高考全国卷Ⅲ)下列实验不能达到目的的是( )
选项
目的
实验
A
制取较高浓度的次氯酸溶液
将Cl2通入碳酸钠溶液中
B
加快氧气的生成速率
在过氧化氢溶液中加入少量MnO2
C
除去乙酸乙酯中的少量乙酸
加入饱和碳酸钠溶液洗涤、分液
D
制备少量二氧化硫气体
向饱和亚硫酸钠溶液中滴加浓硫酸
解析:A错:将Cl2通入碳酸钠溶液中发生反应:Cl2+2Na2CO3+H2O===NaCl+NaClO+2NaHCO3,不能制取较高浓度的次氯酸溶液。B对:在过氧化氢溶液中加入少量二氧化锰作催化剂,可加快氧气的生成速率。C对:加入饱和碳酸钠溶液可以中和乙酸,降低乙酸乙酯在水中的溶解度,便于析出。D对:向饱和亚硫酸钠溶液中滴加浓硫酸,应用强酸制弱酸的原理,可以制备二氧化硫气体。
答案:A
2.(2017·全国高考卷Ⅰ)实验室用H2还原WO3制备金属W的装置如图所示(Zn粒中往往含有硫等杂质,焦性没食子酸溶液用于吸收少量氧气)。下列说法正确的是( )
A.①、②、③中依次盛装KMnO4溶液、浓H2SO4、焦性没食子酸溶液
B.管式炉加热前,用试管在④处收集气体并点燃,通过声音判断气体纯度
C.结束反应时,先关闭活塞K,再停止加热
D.装置Q(启普发生器)也可用于二氧化锰与浓盐酸反应制备氯气
解析:装置Q是启普发生器,是氢气的发生装置,装置排列顺序是氢气发生装置→安全瓶→除去HCl、O2装置→除去H2S装置→干燥氢气装置→氢气还原氧化钨装置→尾气处理装置。Zn+2HCl===ZnCl2+H2↑、ZnS+2HCl===ZnCl2+H2S↑,用装置Q制得的氢气中含有H2S、O2、HCl、H2O等杂质,由于酸性高锰酸钾溶液氧化氯化氢生成氯气,所以,应先用焦性没食子酸溶液吸收氧气,同时除去氯化氢(易溶于水),再用酸性高锰酸钾溶液吸收硫化氢,最后用浓硫酸干燥,试剂盛放顺序依次为焦性没食子酸溶液、酸性高锰酸钾溶液、浓硫酸,A项错误;类似氢气还原氧化铜,实验完毕后,先停止加热,再继续通入氢气一段时间,C项错误;装置Q不能加热,适合块状固体与液体在常温下反应,而实验室用二氧化锰与浓盐酸反应制氯气需要加热,且二氧化锰是粉末状固体,故不能用装置Q制备氯气,D项错误。
答案:B
3.(2016·高考全国卷Ⅰ)氮的氧化物(NOx)是大气污染物之一,工业上在一定温度和催化剂条件下用NH3将NOx还原生成N2。某同学在实验室中对NH3与NO2反应进行了探究。回答下列问题:
(1)氨气的制备
①氨气的发生装置可以选择上图中的________,反应的化学方程式为
________________________________________________________________________。
②欲收集一瓶干燥的氨气,选择上图中的装置,其连接顺序为发生装置→________(按气流方向,用小写字母表示)。
(2)氨气与二氧化氮的反应
将上述收集到的NH3充入注射器X中,硬质玻璃管Y中加入少量催化剂,充入NO2(两端用夹子K1、K2夹好)。在一定温度下按图示装置进行实验。
操作步骤
实验现象
解释原因
打开K1,推动注射器活塞,使X中的气体缓慢通入Y管中
①Y管中____________________
②反应的化学方程式_____________________
将注射器活塞退回原处并固定,待装置恢复到室温
Y管中有少量水珠
生成的气态水凝聚
打开K2
③__________________________
④_____________________
解析:(1)①图中给出了两种气体制备装置,一种是固固加热制气装置,一种是固液加热制气装置。如果选择A装置制取氨气,则反应的化学方程式为2NH4Cl+Ca(OH)2CaCl2+2NH3↑+2H2O;如果选择B装置制取氨气,则反应的化学方程式为NH3·H2ONH3↑+H2O。②欲收集一瓶干燥的氨气,首先要除去杂质,制备氨气的杂质只有水蒸气,由于氨气溶于水显碱性,因此要选用碱石灰作干燥剂,干燥管的进出口方向为粗进细出,因此先接d后接c;其次要收集氨气,由于氨气的密度小于空气,要从短管进气,因此先接f再接e;最后要进行尾气处理,由于氨气极易溶于水,因此可以选择水吸收尾气,还要注意防倒吸,所以接i。
(2)由题干内容“工业上在一定温度和催化剂条件下用NH3将NOx还原生成N2”,结合实验条件可知反应为8NH3+6NO27N2+12H2O,NO2为红棕色气体,发生反应后变成无色气体,因此现象为红棕色气体逐渐变浅。反应后气体分子数减少,Y管中的压强小于外压,因此产生倒吸现象。
答案:(1)①A 2NH4Cl+Ca(OH)22NH3↑+CaCl2+2H2O(或B NH3·H2ONH3↑+H2O) ②dcfei (2)①红棕色气体慢慢变浅
②8NH3+6NO27N2+12H2O
③Z中NaOH溶液产生倒吸现象 ④反应后气体分子数减少,Y管中压强小于外压
课时作业 单独成册 对应学生用书第367页
[A组 基础题组]
1.已知NH3、HCl极易溶于水,Cl2能溶于水。下列各装置不能达到实验目的的是( )
A.利用装置1吸收多余的氨气
B.装置2可用于除去CO2中的HCl
C.装置3可用于干燥氨气
D.装置4可用于排空气法收集H2、CO2、Cl2、HCl等气体
解析:氯化氢和二氧化碳都能和氢氧化钠溶液反应而被除去,最终得不到二氧化碳,故B错误。
答案:B
2.(2021·福建龙岩模拟)某兴趣小组采用如图实验装置及相应操作制取纯碱。实验时,广口瓶中反应的化学方程式为NH3+CO2+H2O+NaCl===NaHCO3↓+NH4Cl。下列分析正确的是( )
A.导气管乙应该通入氨气
B.导气管甲应先于乙通入气体
C.干燥管中应盛装碱石灰
D.广口瓶最好置于热水浴中
解析:A项,氨气极易溶于水,为防止倒吸,应该从导气管甲通入氨气,错误;C项,氨气是污染性气体,但氨气是碱性气体,不能被碱石灰吸收,可用无水氯化钙或P2O5吸收,错误;D项,制取碳酸氢钠不需要加热,若将广口瓶置于热水浴中,反而会减小氨气、二氧化碳的溶解度,使纯碱产率降低,错误。
答案:B
3.下列有关物质的制备装置、制备时使用的原料与收集方法均正确的是( )
选项
A
B
C
D
物质
O2
NO
Cl2
CH2CH2
制备装置
制备时使用的原料
H2O2溶液和二氧化锰粉末
浓硝酸和铜粉
浓盐酸与高锰酸钾固体
乙醇和3 mol/L的H2SO4溶液
收集方法
排水法
排空气法
排饱和食盐水法
排水法
解析:制取氧气时如果选用A中装置,选用的药品应该是氯酸钾与二氧化锰,A项错误;制取NO时应选用稀硝酸和铜粉,收集方法应为排水法,B项错误;因为C中无加热装置,所以可以选用具有强氧化性的高锰酸钾与具有强还原性的浓盐酸反应制取氯气,C项正确;制取乙烯时应选用浓硫酸,D项错误。
答案:C
4.用如图所示装置和相应试剂能达到实验目的的是( )
选项
实验目的
试剂a
试剂b
试剂c
装置
A
验证非金属性:S>C>Si
稀硫酸
Na2CO3
Na2SiO3溶液
B
制备纯净的NO
浓硝酸
Cu
水
C
检验溶液X中含有CO
盐酸
溶液X
澄清石灰水
D
除去Na2SO3中的Na2SO4
氯水
混合物
NaOH溶液
解析:稀硫酸能和碳酸钠反应制得二氧化碳,二氧化碳和硅酸钠溶液反应生成不溶性的硅酸,该实验证明酸性:H2SO4>H2CO3>H2SiO3,则非金属性:S>C>Si,A项正确;Cu与浓硝酸反应生成NO2,B项错误;二氧化硫和二氧化碳都能使澄清石灰水变浑浊,无法检验溶液X中含有CO,C项错误;氯水把Na2SO3氧化成Na2SO4,且反应后引进入杂质氯离子,无法达到实验目的,D项错误。
答案:A
5.(2021·江西宜春模拟)用如图所示装置测定水中氢、氧元素的质量比,其方法是分别测定通氢气前、后玻璃管的质量差和U形管的质量差,实验测得m(H)∶m(O)>1∶8。下列对导致这一结果的原因分析中,一定错误的是( )
A.装置Ⅰ、Ⅱ之间缺少干燥装置
B.装置Ⅲ之后缺少干燥装置
C.装置Ⅱ中玻璃管内有水冷凝
D.CuO没有全部被还原
解析:用H2还原CuO时,装置Ⅲ中CaCl2吸收的是生成的水,而装置Ⅱ中玻璃管通H2前后的质量差为反应时消耗CuO中氧元素的质量,即生成的水中氧元素的质量,而m(水)-m(氧)=m(氢)。Zn和稀硫酸反应产生的H2不干燥,会使m(水)偏大,进而使氢元素的质量增加,而氧元素的质量不变;装置Ⅲ之后不加干燥装置,会导致CaCl2吸收空气中的水分,会使m(水)偏大,进而使氢元素的质量增加,而氧元素的质量不变;装置Ⅱ中玻璃管内有水冷凝,会使m(氧)偏小,以上情况都会造成测得的m(H)∶m(O)>1∶8。测得的H2O的组成与CuO是否完全反应无关,只与通H2前、后玻璃管的质量差(氧元素的质量)和U形管的质量差(水的质量)有关。
答案:D
6.(2021·河北唐山模拟)文献报道,H2能还原FeCl2。某学习小组设计实验探究“文献”的真实性,下列各步实验装置错误的是( )
解析:氢气还原氯化亚铁生成铁、氯化氢,检验氯化氢可以确认氢气是否能还原氯化亚铁。A装置用于制备氢气;B装置用于还原氯化亚铁;C装置用于检验氯化氢,因为氯化氢极易溶于水,必须采用防倒吸装置;D装置用于干燥气体。
答案:C
7.(2021·河南郑州模拟)用如图装置制取并收集气体,对应的装置和试剂均正确的是( )
选项
Ⅲ中收集的气体
Ⅰ中试剂a、b
Ⅱ中试剂c
Ⅳ中试剂d
A
SO2
稀硫酸与铜片
浓硫酸
NaOH溶液
B
Cl2
浓盐酸与二氧化锰
饱和氯化钠溶液
NaOH溶液
C
HBr
浓硫酸与溴化钠
浓硫酸
水
D
CO
甲酸与浓硫酸
浓硫酸
酸性KMnO4溶液
解析:Cu与稀硫酸不反应,不能制备二氧化硫,故A错误;在加热条件下,浓盐酸与二氧化锰反应生成氯气,氯气的密度比空气的大,氯气能与NaOH反应,图中装置可制备、收集氯气,且NaOH溶液可吸收尾气,故B正确;浓硫酸与NaBr发生氧化还原反应生成Br2,不能用于制备和干燥HBr,故C错误;甲酸在浓硫酸的作用下反应生成CO、H2O,CO不与酸性高锰酸钾溶液反应,且CO不能选用向上排空气法收集,故D错误。
答案:B
8.Cl2O是黄棕色具有强烈刺激性气味的气体,是一种强氧化剂,易溶于水且会与水反应生成次氯酸,与有机物、还原剂接触或加热时会发生燃烧并爆炸。一种制取Cl2O的装置如图所示。
已知:Cl2O的熔点为-116 ℃,沸点为3.8 ℃;Cl2的沸点为-34.6 ℃;HgO+2Cl2===HgCl2+Cl2O。
下列说法不正确的是( )
A.装置②、③中盛装的试剂依次是饱和食盐水和浓硫酸
B.通入干燥空气的目的是将生成的Cl2O稀释,减小爆炸危险
C.从装置⑤中逸出气体的主要成分是Cl2O
D.装置④与⑤之间不用橡胶管连接,是为了防止橡胶管燃烧和爆炸
解析:制取Cl2O需要干燥纯净的氯气,所以②、③中盛装的试剂依次是饱和食盐水和浓硫酸,A项正确;Cl2O易爆炸,所以通入干燥空气的目的是将生成的Cl2O稀释,减小爆炸危险,B项正确;装置⑤是为了收集Cl2O,所以温度低于3.8 ℃,此时氯气是气体,逸出的气体主要是空气和反应剩余的Cl2,C项错误;Cl2O与有机物接触会发生燃烧并爆炸,装置④与⑤之间不用橡胶管连接,是为了防止橡胶管燃烧和爆炸,D项正确。
答案:C
9.如图是用于气体的制备、干燥、性质实验、尾气处理的常用装置。请根据要求回答下列问题。
(1)检查装置A的气密性的操作为___________________________________________
________________________________________________________________________
________________________________________________________________________。
(2)同学甲将仪器按顺序A→B→C→D连接,以此证明实验室制取Cl2的过程中有HCl和水蒸气挥发出来。
①A中反应的离子方程式是_________________________________________________。
②B中盛放的试剂是________,C中盛放的是CCl4溶液,其作用是_______________,D中盛放的试剂是______________,实验时看到的现象是_________________________。
③同学乙认为该实验有缺陷,应该在C、D之间增加E装置,你认为该装置中应放入
________________________________________________________________________。
(3)同学丙用上述除B以外的装置组装了一套可以制出纯净、干燥氯气的装置,按气流方向填出接口顺序:a→________→g→h→f(不能选用B装置,其他装置可以重复使用)。并按顺序写出所填接口对应仪器盛放的试剂:________________________。
解析:(2)①实验室制氯气的原理为MnO2+4HCl(浓)MnCl2+Cl2↑+2H2O,离子方程式为MnO2+4H++2Cl-Mn2++Cl2↑+2H2O。②检验制取Cl2的过程中有HCl和水蒸气挥发出来,应先检验水的存在,所以B中的试剂是无水硫酸铜;C中四氯化碳的作用是吸收氯气,因为氯气在四氯化碳中的溶解度较大,且氯气的存在对后面HCl的检验有干扰,所以必须除去氯气;D的作用是检验HCl,所以D中的试剂是AgNO3溶液或紫色石蕊试液,实验现象是产生白色沉淀或紫色石蕊试液变红色。③实验的缺陷是不能证明氯气是否除尽,所以在C与D之间加一个检验氯气的装置,该装置中放入湿润的淀粉KI试纸,若试纸不变蓝色,则证明氯气已除尽。(3)若要得到干燥、纯净的氯气,应先除去HCl,再除去水蒸气,除HCl用饱和食盐水,除水蒸气用浓硫酸,氯气的密度大于空气,所以用向上排空气法收集,最后多余的氯气用氢氧化钠溶液吸收,所以装置的连接顺序是a→d→e→d→e→g→h→f,两个C装置中放入的试剂分别是饱和食盐水、浓硫酸。
答案:(1)先将a接口封闭,然后向分液漏斗中注入水,打开分液漏斗活塞,分液漏斗中水的液面下降一段后不再下降,证明装置A的气密性良好
(2)①MnO2+4H++2Cl-Mn2++Cl2↑+2H2O
②无水硫酸铜 吸收氯气,防止对HCl的检验造成干扰 AgNO3溶液 产生白色沉淀(答案合理即可) ③湿润的淀粉KI试纸或湿润的有色布条
(3)d→e→d→e 饱和食盐水、浓硫酸
[B组 提升题组]
10.(2021·安徽安庆调研)某合作学习小组的同学验证文献上用乙烯气脱除氮氧化物。回答下列问题:
(1)甲组同学设计实验制取纯净的乙烯气体和NO。
①设计制备C2H4的装置如图所示:
资料:C2H5OHCH2===CH2↑+H2O(主)
C2H5OH+2H2SO4(浓)2C+2SO2↑+5H2O(副)
C+2H2SO4(浓)CO2↑+2SO2↑+2H2O(副)
写出乙烯的电子式:______________;
装置B中盛放的试剂为________(填字母)。
a.KMnO4溶液 b.Br2/CCl4溶液
c.浓NaOH溶液 d.浓硫酸
②设计如图装置制备NO
装置D烧瓶中的实验现象为________________________________________________
________________________________________________________________________。
装置E盛放的试剂是________。
(2)乙组利用甲组制得的C2H4和NO并选用下列装置进行催化反应,同时检验乙烯的氧化产物CO和CO2(部分装置可重复使用,已知C2H4可被热的CuO氧化为碳的氧化物,酸性高锰酸钾溶液可氧化NO和C2H4,不氧化CO)。
①各装置的连接顺序为
(按顺序填一个或多个字母)。
②K后接的G的作用是________________________________________。
③酸性高锰酸钾溶液的作用是________________________________________。
④证明乙烯的氧化产物中有CO的现象是________________________________;若NO被还原为N2,乙烯被氧化为等物质的量的CO和CO2,则反应的化学方程式为___________。
答案:(1)① c ②铜片溶解,溶液由无色变成蓝色,有无色气体产生,该气体在烧瓶上方变成红棕色 H2O (2)①I J→L→G(或J→L→G→H) ②检验乙烯的氧化产物中是否有CO2 ③除去未反应的乙烯与一氧化氮 ④L中黑色粉末变为红色,其后的澄清石灰水变浑浊 10NO+2C2H45N2+2CO+2CO2+4H2O
2024届高考化学一轮复习专题10第56讲常见气体制备方法及装置的研究能力学案: 这是一份2024届高考化学一轮复习专题10第56讲常见气体制备方法及装置的研究能力学案,共24页。
鲁科版高考化学一轮复习第4章第23讲常见气体制备方法及装置的研究课时学案: 这是一份鲁科版高考化学一轮复习第4章第23讲常见气体制备方法及装置的研究课时学案,共20页。
新高考化学一轮复习精品学案 第5章 第29讲 常见气体的实验室制备、净化和收集(含解析): 这是一份新高考化学一轮复习精品学案 第5章 第29讲 常见气体的实验室制备、净化和收集(含解析),共19页。