


2021年中考物理三轮冲刺过关 专题18 三类必考的电学实验问题突破(教师版含解析)
展开解决专题问题策略
重点实验1:探究电流与电压、电阻的关系
一、实验类型
实验类型1:探究电流与电压的关系
1.实验中提出的问题以及方法和结论
①提出问题:电流与电压有什么定量关系?
②采用的研究方法是:控制变量法。即:保持电阻不变,改变电压研究电流随电压的变化关系;
③得出结论:在电阻一定的情况下,导体中的电流与导体两端的电压成正比(说法固定,不能更改)。
2.电路连接注意事项:开关断开,滑动变阻器滑片移至阻值最大处
3.电表异常偏转原因:
①指针反向偏转,原因是正负接线柱接反;
②正向偏转幅度过小,原因是量程选择过大;
③正向偏转幅度过大超过最大刻度,原因是量程选择过小;
4.滑动变阻器的作用:
①保护电路;
②改变电阻两端电压。
5.调节滑动变阻器不能使电压达到指定示数的原因是:滑动变阻器的最大阻值过小
6.换不同规格的电阻多次测量的目的是:得出普遍规律,避免偶然性。
7.此实验不能用灯泡代替电阻进行探究的原因:灯丝的电阻随温度的升高而增大。
实验类型2:探究电流与电阻的关系
V
A
Rx
R′
1.滑动变阻器的作用:
①保护电路;
②使电阻两端电压保持不变。
2.更换大电阻后如何滑动滑动变阻器的阻值:应使滑动变阻器的阻值变大,滑动变阻器分的的电压变大,保证定值电阻上分的的电压不变。
3.电路中滑动变阻器阻最大值Rx的确定方法:UR/R=(U-UR)/RX
4.实验方法:控制变量法:保持电压不变,改变电阻研究电流随电阻的变化关系。
5.结论:在电压一定时,导体中的电流与导体的电阻成反比。
二、探究电流与电压、电阻的关系实验程序步骤解读
1.清楚实验目标(题目、提出问题):探究理解:
(1)为什么要探究电流与电压、电阻的关系?
电压时产生电流的原因,可能电压越大电流也越大;电阻表示导体对电流的阻碍作用,所以电阻越大电流越小。那么它们之间有怎样的定量关系呢?这是我们学习电学必须研究清楚的问题。
(2)探究谁的电流与电压、电阻的关系?
是某一定值电阻的,电流、电压、电阻都是对同一导体在同一时间的对应值而言,即I是定值电阻两端电压是U时的电流。所以我们要测的电流是定值电阻R的电流,电流表要与R串联;要测的电压也是定值电阻的电压,电压表要并联在R两端。
(3)实验思维导向:电路中电压变化可能会导致电流的变化,电阻的变化可能会导致电压、电流同时变化,所以,要研究电流与电压的定量关系就要保证电阻不变,要研究电流与电阻的关系就要保证电阻两端的电压不变;要研究导体的电流与其两端电压的定量关系,我们需要知道导体两端电压数值和导体电流的对应数值怎样变化;要研究电流与电阻的定量关系,我们需要知道在同一电压下导体电阻值变化时导体中对应电流怎样变化。所以我们需要电流、电压表来测量准确的电流、电压数值,不仅如此,我们还需要同一导体的电压产生变化,也需要同一电压是导体电阻值产生变化,所以,需要滑动变阻器和不同阻值的电阻。
2.明了实验原理;
(1)探究同一导体中电流与电压的关系:电压是形成电流的原因。
(2)探究同一电压时不同阻值的导体中电流与导体阻值的关系:导体阻值不同对电流阻碍作用不同。
3.合理选择器材:电源、开关、电流表、电压表、滑动变阻器、三个不同阻值的定值电阻、若干导线。
4.科学设计实验步骤,准确收集数据:
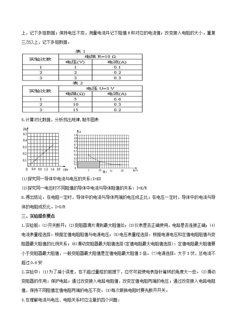
(1)设计电路,并按照电路图连接实物
(2)分步研究:保持电阻不变,测量电阻两端电压U和电流I,记下数值;改变电阻两端电压,重复三次以上,记下多组数据;保持电压不变,测量电流并记下阻值R和对应的电流值;改变接入电阻的大小,重复三次以上,记下多组数据。
5.计算对比数据,分析找出规律,制作图表
(1)探究同一导体中电流与电压的关系:I=KU
(2)探究同一电压时不同阻值的导体中电流与导体阻值的关系:I=K/R
6.得出结论。在电阻一定时,导体中的电流与导体两端的电压成正比;在电压一定时,导体中的电流与导体的电阻成反比。I=U/R
三、实验操作要点
1.实验前:(1)开关断开;(2)变阻器滑片滑到最大阻值处;(3)仪表是否正确使用,电路是否连接正确;(4)电流表量程选择:根据定值电阻阻值与电源电压;(5)电压表量程选择:根据电源电压和定值电阻阻值与变阻器最大阻值的比例关系;(6)滑动变阻器最大阻值选择(定值电阻最大电阻值选择):定值电阻最大阻值要小于变阻器最大阻值,一般变阻器最大阻值是定值电阻最大阻值2倍。(7)电源选择:大于3伏,总电流不超过0.6安
2.实验中:(1)为了减小误差,在不超过量程的前提下,应尽可能使电表指针偏转的角度大一些。(2)滑动变阻器的作用:保护电路;通过改变接入电路电阻值,改变定值电阻两端的电压;通过改变接入电路电阻值,保持不同阻值定值电阻两端的电压不变。(3)每次跟换电阻时要先断开开关。
3.在理解电流与电压、电阻关系时应注意的四个问题:
(1)导体中的电流和导体两端的电压都是针对同一个导体而言,不能拿一根导体的电流与另一个导体的电压进行分析。
(2)电压是产生电流的原因,不能说电压和电流成正比。
(3)电阻是导体的性质,不能说导体电阻与电压成正比,与电流成反比。
(4)在叙述电流与电压、电阻的关系时,一定要注意两个前提:“电阻一定”、“电压一定”。
重点实验2:伏安法测电阻
1.实验原理:利用R=U/I(即:用电压表和电流表分别测出待测电阻两端的电压和通过它的电流,最后算出电阻R)。
2.实验电路图与实物图如图1、2所示
3.实验器材:待测电阻、电压表、电流表、电源、开关、滑动变阻器和导线若干。
4.实验步骤:
a.根据电路图正确连接电路,注意连接电路时开关要断开;
b.移动滑片,使滑动变阻器的电阻全部接入电路,然后闭合开关,在移动滑片,记下对应的
电压值和电流值若干组;
c.根据伏安法的原理,算出这几组电阻的大小,最后求出电阻的平均值,这是多次测量求平
均值的方法,目的是为了减小实验误差。
重点实验3:测量小灯泡的电功率
伏安法测小灯泡的功率
【实验原理】P=UI
【实验器材】电源、开关、导线、小灯泡、电压表、电流表、滑动变阻器。
【实验电路图】
【实验步骤】
①按电路图连接实物。
②检查无误后,闭合开关。移动滑片,使小灯泡在额定电压下发光,观察小灯泡的亮度,并记下电压表和电流表的示数,代入公式P=UI计算出小灯泡的额定功率。
③调节滑动变阻断器,使小灯泡两端的电压约为额定电压的1.2倍,观察小灯泡的亮度,并记下电压表和电流表的示数,代入公式P=UI计算出小灯泡此时的实际功率。
④调节滑动变阻断器,使小灯泡两端的电压小于额定电压,观察小灯泡的亮度,并记下电压表和电流表的示数,代入公式P=UI计算出小灯泡此时的实际功率。
【实验表格】
【注意事项】
①接通电源前应将开关处于断开状态,将滑动变阻器的阻值调到最大;
②连好电路后要通过试触的方法选择电压表和电流表的量程;
③滑动变阻器的作用:改变电阻两端的电压和通过的电流;保护电路;
④不需要计算电功率的平均值。
中考典型例题解析
【例题1】(2020辽宁盘锦)创新小组用如图甲所示的电路来探究“电流与电阻的关系”,选用了阻值为5Ω、10Ω的定值电阻R1和R2,电压恒为6V的电源,“50Ω 1A”的滑动变阻器R,多挡开关S0等器材。
(1)闭合开关S,S0接某挡位,使R1单独接入ab间,发现电流表指针几乎不动,电压表示数接近6V,原因可能是R1______(填“短路”或“断路”)。排除故障后,调节滑动变阻器的滑片P,当电压表示数如图乙所示时,记录电流表的示数。
(2)保持滑片位置不动,改变S0接入2挡位,使R2单独接入ab间,向______(填“左”或“右”)调节滑片P,直至电压表示数为______V,记录电流表的示数。
(3)闭合开关S,S0接______挡时,使ab间接入阻值最大,重复前面的实验,记录数据。通过实验数据得出:电压一定时,通过导体的电流与导体的电阻成反比。
(4)该组同学选用上述部分器材设计了如图丙所示的电路,测量额定电流为0.3A的小灯泡的额定功率,请将实验过程补充完整
①S0接2挡,调节R的滑片P,使电压表示数为______V,小灯泡正常发光;
②S0接3挡,保持滑片P位置不动,读出此时电压表示数为3V;
③小灯泡的额定功率P额=______W。
【答案】 (1)断路 (2)右 1.8 (3) 3 (4)1.5 0.9
【解析】(1)闭合开关S,S0接“1”处,使R1单独接入ab间,发现电流表指针几乎不动,可能电路中出现断路,电压表示数接近6V,可能电阻R1断路。
(2)由图乙可知,电压表的量程是0-3V,分度值是0.1V,电压表的示数是1.8V,保持滑片位置不动,改变S0接入2挡位,使R2单独接入ab间,由于R2的阻值较大,由串联分压可知,R2两端的电压变大,为了保持电压表的示数为1.8V,由串联分压可知增大变阻器的阻值,滑片向右移动。
(3)闭合开关S,S0接3挡时,两个电阻串联接入电路中,ab间接入阻值最大。
(4)①当电路中的电流为0.3A时,R1两端的电压
U1=IR1=0.3A×5Ω=1.5V
S0接2挡,灯泡、变阻器和R1串联,调节R的滑片P,使电压表示数为1.5V,小灯泡正常发光。
③S0接3挡,变阻器和R1串联,保持滑片P位置不动,读出此时电压表示数为3V,变阻器两端的电压
U滑=6V-3V=3V
根据串联分压原理可知,滑动变阻器连入电路的阻值与R1相同,故在S0接“2”时,
小灯泡的额定电压U额=6V-1.5V-1.5V=3V
小灯泡的额定功率P额=I额U额=0.3A×3V=0.9W
【例题2】(2020•重庆)图甲是“探究电流与电压关系”的实验电路,三个小组的同学分别用5Ω、10Ω、15Ω的定值电阻和两节干电池进行探究。
(1)请用笔画线代替缺少的2根导线,将图甲的电路连接完整(要求:导线不能交叉,滑片P向B端移动时,电路中的电流变大)。
(2)正确连接电路,闭合开关,移动滑片P,发现电流表无示数,电压表有示数。可能的故障是定值电阻R (选填“断路”或“短路”);排除故障,缓慢移动滑片P到某位置时。电压表的示数如图乙所示,为 V。
(3)将不同小组的数据汇总后,得到表的数据,分所可得:在电阻一定的情况下,通过导体的电流和导体两端的电压成 比。
(4)在进一步探究“电流与电阻的关系”实验中:
①若保持定值电阻两端的电压为1.5V不变,在上表的数据中有 组可用于分析;
②为得到更多的实验数据,老师给每个小组再提供一个30Ω的定值电R0.某小组在实验中,无论怎样移动滑片P都不能将R0两端电压调为1.5V,其原因是滑动变阻器的最大阻值太 (选填“大”或“小”)。该小组所使用的滑动变阻器的规格可能 (选填下列选项前的字母)。
A.10Ω 3A B.20Ω 2A C.50Ω 1A
【答案】(1)如解析所示;(2)断路;1.8;(3)正;(4)①2;②小;B。
【解析】(1)滑片P向B端移动时,电路中的电流变大,即电阻变小,故变阻器右下接柱连入电路中,电源电压为3V,由欧姆定律,电路的最大电流:
I大===0.6A,故电流表选用小量程与电阻串联;
(2)正确连接电路,闭合开关,移动滑片P,发现电流表无示数,电路可能断路,电压表有示数,电压表与电源连通,可能的故障是定值电阻R断路;
排除故障,缓慢移动滑片P到某位置时,电压表的示数如图乙所示,电压表选用小量程,分度值为0.1V,为1.8V;
(3)将不同小组的数据汇总后,对R1而言,=﹣﹣﹣﹣=5Ω,同理,对R2、R3也有类似的结论,即电压与对应的电流之比为一定值,故可得:在电阻一定的情况下,通过导体的电流和导体两端的电压成正比;
(4)在进一步探究“电流与电阻的关系”实验中:
①若保持定值电阻两端的电压为1.5V不变,由上表的数据中有2组可用于分析;
②当R3=15Ω时,若电压表为1.5V,因电源电压为3V,则变阻器的电压为1.5V,由分压原理,变阻器连入电路的电阻为15Ω;
同理,当用一个30Ω的定值电阻R0实验时,要控制电压不变,变阻器的电阻为30Ω,故无论怎样移动滑片P都不能将R0两端电压调为1.5V(大于1.5V),其原因是滑动变阻器的最大阻值太小(小于30Ω);
该小组所使用的滑动变阻器的规格可能20Ω 2A,选B。
【例题3】(2020•广西)用伏安法测R的电阻实验中:
(1)图甲中,有一根导线未连接,请用笔画线代替导线将电路连接完整。
(2)实验前,滑动变阻器的滑片P应置于最 (选填“左”或“右”)端。
(3)闭合开关后,发现电流表示数为零,电压表示数接近电源电压,则故障原因可能是电阻R (选填“断路”或“短路”)。
(4)排除故障后,当电流表的示数为1A时,电压表的示数如图乙所示,待测电阻R的阻值为 欧。
(5)电流表的电阻虽然很小,但也会影响本实验中R的测量结果。用图丙的电路进行测量可消除这个影响,R0为定值电阻。实验步骤如下:
①按照图丙的电路图连接电路,将滑动变阻器的滑片置于最大阻值处;
②闭合开关S1,S2,移动滑动变阻器滑片,读出电压表的示数U1和电流表的示数I1,
③ 移动滑动变阻器滑片,读出电压表的示数U2和电流表的示数I2;
④可得待测电阻Rx= 。
【答案】(1)如上所示;(2)左;(3)断路;(4)5;(5)断开S2;﹣。
【解析】(1)电压表与灯并联,如下所示:
(2)实验前,滑动变阻器的滑片P应置于阻值最大处,即最左端;
(3)闭合开关后,发现电流表示数为零,电路可能断路,电压表示数接近电源电压,电压表与电源连通,则故障原因可能是电阻R断路;
(4)排除故障后,当电流表的示数为1A时,电压表的示数如图乙,电压表选用大量程,分度值为0.5V,电压为5V,由欧姆定律,待测电阻:R===5Ω;
(5)②闭合开关S1,S2,读出电压表的示数U1和电流表的示数I1,
③断开S2,移动滑动变阻器滑片,读出电压表的示数U2和电流表的示数I2;
在②中,此时待测电阻短路,电流表测定值电阻的电流,电压表测电流表和定值电阻的总电压;移动滑动变阻器滑片,由欧姆定律,定值电阻和电流表的总电阻:
R0A=﹣﹣﹣﹣﹣﹣①;
在③中,电流表测待测电阻和定值电阻串联后的电流,电压表测待测电阻和定值电阻及电流表的总电压,由欧姆定律,测待测电阻和定值电阻及电流表的串联的总电阻:
Rx0a=﹣﹣﹣﹣﹣﹣②,
②﹣①得:故待测电阻:
Rx=﹣。
【例题4】(2020•山西)实践小组的同学们进行“伏安法测定小灯泡电阻”的实验,小灯泡的额定电压为2.5V(阻值约为10Ω),滑动变阻器规格为“20Ω 1A”。
(1)请你用笔画线代替导线,将图甲中的电路连接完整(导线不得交叉)。
(2)滑动变阻器在实验中除保护电路外,还有 作用。同学们把电路元件接入电路,刚接好最后一根导线,灯泡就立即发光,发生这种现象的原因可能是 。
(3)经检查无误后,接通电路,向左移动滑动变阻器的滑片P,观察到 ,表明小灯泡正常发光,此时电流表示数如图乙所示,则小灯泡正常发光时的阻值为 Ω.继续向左移动滑片,则可能出现的现象有 (写出一条即可)。
(4)实验结束后,小组同学根据实验数据,绘制了如图丙所示的图象,分析图象可得出结论: 。
【答案】(1)见解析图;(2)改变小灯泡两端的电压;电路连接过程中开关没有断开;(3)电压表示数为2.5V;8.3;小灯泡变亮;(4)小灯泡两端的电压和电流之比不是定值。
【解析】(1)因为小灯泡的额定电压为2.5V,所以电压表选用0﹣3V的量程,电压表与灯泡并联且正接线柱与小灯泡的进接线柱相连,如下所示:
(2)滑动变阻器的基本作用是保护电路,此实验中主要作用是改变小灯泡两端的电压及通过电阻的电流,算出多组电阻;
连接好最后一根导线,灯泡立即发光,可能是连接电路时没有断开开关;
(3)灯在额定电压下正常发光,所以检查无误后,接通电路,向左移动滑动变阻器的滑片P,观察到电压表的示数为2.5V时,表明小灯泡正常发光;
图乙中电流表选用小量程,分度值为0.02A,示数为0.3A,
小灯泡的电阻为:R==≈8.3Ω;
滑片向左移动,滑动变阻器的电阻减小,根据I=知,电路的电流增大,小灯泡两端的电压变大,根据P=UI知小灯泡的实际功率变大,灯泡变亮;
(4)由图知图象不是直线表示小灯泡两端的电压和电流之比不是定值。
【例题5】(2021山东潍坊二模)小军做测量小灯泡电功率的实验中,所用小灯泡的额定电压为2.5V.
(1)请用笔画线代替导线,将如图甲所示的实验电路连接完整.
(2)丙图中阴影部分面积表示的物理量是_______.
(3)实验时闭合开关,小军发现小灯泡不发光,且电流表有示数,而电压表无示数,则电路的故障可能是:_______.
(4)故障排除后,闭合开关,小军发现电压表的示数为2V,若想测量小灯泡的额定电功率,应再调节滑动变阻器的滑片P,使P向_______移动(选填“左”或“右”),当电压表的示数为2.5V时,对应电流表的示数如图乙所示,则小灯泡的额定电功率是______W.这时小灯泡正常发光20s,产生的焦耳热为________J.
【答案】(1)如图所示(2)灯两端电压(3)小灯泡短路(4)右 0.75。 15J
【解析】(1)灯泡的额定电压为2.5V<3V,所以选择电压表的量程为0~3V读数精度高,且与灯泡并联,滑动变阻器按一上一下的原则与灯泡串联。具体做法是将灯泡右接线柱与滑动变阻器的A接线柱相连,再与电压表的“3”接线柱相连,如图所示。
(2)由图可知:横坐标表示通过电阻的电流,纵坐标表示该电阻的阻值.由U=IR得阴影部分面积表示的物理量为电流和电阻的乘积,应该为定值电阻两端的电压值。
(3)由实验现象,开关闭合后,灯泡不亮,电流表有示数,说明电路没有断路;电压表无示数,说明与电压表并联的灯泡短路。因此只能是灯泡处出现短路。
(4)要测灯泡的额定功率,应使灯泡两端的电压为2.5V,根据欧姆定律可知应增大电路中的电流,减小滑动变阻器接入电路的电阻,故滑片应向右移动;电流表的量程为0~0.6A,分度值为0.02A,灯泡的额定电流为0.3A;灯泡的额定功率P=UI=2.5V×0.3A=0.75W.
Q=Pt=0.75W×20s=15J
临门一脚预测练
1.(2021福州一模)在“探究电流与电阻的关系”实验中:
(1)如图甲所示,请你用笔画线代替导线,将图中电路连接完整(请勿更改原有导线,导线不得交叉),要求:当滑动变阻器的滑片P向左移动时,电路中的电流变大。连接电路时,开关必须 。
(2)闭合开关后,发现电压表有示数且接近电源电压,电流表无示数,其原因是 。
(3)实验过程中,将5Ω的电阻接入电路中,闭合开关,调节滑动变阻器滑片P至适当位置,此时电流表示数如图乙所示,则电流表示数为 A.将5Ω的电阻更换为10Ω的电阻,
闭合开关,应将滑动变阻器的滑片P向 (选填“左”或“右”)端移动,使电压表示
数为 V。
【答案】(1)如上;断开;(2)电阻R断路;(3)0.3;右;1.5。
【解析】(1)当滑动变阻器的滑片P向左移动时,电路中的电流变大,即电阻变小,故变阻器左下接线柱连入电路中,如下所示:
连接电路时,开关必须断开;
(2)闭合开关后,发现电压表有示数且接近电源电压,电流表无示数,其原因是电阻R断路。
(3)实验过程中,将5Ω的电阻接入电路中,闭合开关,调节滑动变阻器滑片P至适当位置,此时电流表示数如图乙所示,则电流表示数为0.3A;
由定律定律,电压表示数:U=IR=0.3A×5Ω=1.5V;
根据串联分压原理可知,将定值电阻由5Ω改接成10Ω的电阻,电阻增大,其分得的电压增大;
探究电流与电阻的实验中应控制电压不变,应保持电阻两端的电压不变,根据串联电路电压的规律可知应增大滑动变阻器分得的电压,由分压原理,应增大滑动变阻器连入电路中的电阻,所以滑片应向右端移动,使电压表的示数为1.5V。
2.(2020•烟台)如图甲所示是小明“探究电流与电压、电阻的关系”的实验电路图。选用的实验器材是:电源(3V)、电流表(0~0.6A)、电压表(0~3V),定值电阻R1=5Ω、R2=10Ω、R3=20Ω,滑动变阻器(40Ω 2A)、开关、导线若干。
(1)探究电流与电压关系:
①探究电流与电压的关系时,要保持 不变,采用的科学方法是 。
②小明在实验中进行多组数据测量的目的是什么?
③小明选用5Ω和10Ω的两只电阻分别进行实验后,由实验数据画出的图象如图乙所示,其中M图象对应的是哪只电阻? 由M图象得到的实验结论是什么?
(2)探究电流与电阻的关系:
①小明在实验中,首先确定一个保持不变的电压值U,当AB间的电阻R由5Ω换成10Ω时,闭合开关,应将滑动变阻器的滑片向 (选填“a”或“b”)移动,才能使电压表示数变为U。
②当AB间换接20Ω的电阻时,小明无论怎样移动滑动变阻器的滑片,电压表的示数都无法达到U.请你告诉他,为完成实验,U的取值范围是 。
【答案】(1)①电阻;控制变量法;②得出普遍性的结论;③5Ω;电阻一定时,电流与电压成正比;(2)①b;②1V~3V
【解析】(1)探究电流与电压关系:
①探究电流与电压的关系时,要保持电阻不变,采用的科学方法是控制变量法;
②小明在实验中进行多组数据测量的目的是得出普遍性的结论;
③小明选用5Ω和10Ω的两只电阻分别进行实验后,由图乙作图如下所示:
由图可知,当电压相等时,M对应的电流大,由欧姆定律,R=,M图象对应的电阻小,故M图象对应的是5Ω;
由M图线为过原点的直线,故由M图象得到的实验结论是:电阻一定时,电流与电压成正比;
(2)探究电流与电阻的关系:
①根据串联分压原理可知,将定值电阻由5Ω改接成10Ω的电阻,电阻增大,其分得的电压增大;
探究电流与电阻的实验中应控制电压不变,即应保持电阻两端的电压不变,根据串联电路电压的规律可知应增大滑动变阻器分得的电压,由分压原理,应增大滑动变阻器连入电路中的电阻,所以滑片应向b端移动,才能使电压表示数变为U;
②由串联电路电压的规律和分压原理有:
=,
方程左边为一定值,故右边也为一定值,当变阻器连入的电阻最大时对应的定值电阻也最大,
此时电压表的示数最小,
即=,
U=1V,即控制的最小电压为1V,最大电压为3V,U的取值范围是1V~3V。
3.(2020•大连)在探究“电阻一定时,通过导体的电流与导体两端电压的关系”的实验中,所用的实验器材有:电流表、电压表、10Ω的定值电阻、滑动变阻器、开关各一个,1.5V的干电池两节,导线若干。
(1)用笔画线,将图1所示的电路补充完整。
(2)闭合开关前,应将滑动变阻器的滑片移动到 端(选填“a”或“b”)。
(3)用开关“试触”时,电压表和电流表均无示数,这说明电路中存在故障。若故障是某一个元件发生了断路,则发生断路的元件可能是 (只有一个选项正确,请将正确选项的宇母填在横线上)。
A.开关或定值电阻 B.定值电阻或电流表
C.开关、滑动变阻器或电流表 D.滑动变阻器、电压表或电流表
(4)排除故障后,继续进行实验,并将实验数据记录在下表。请在图2画出电流I与电压U的关系图象。
(5)根据图象,可得出的探究结论是: 。
【答案】(1)见图1;(2)a;(3)C;(4)见图2;(5)在电阻一定,电流与电压成正比。
【解析】(1)电源电压为3V,故电压表选用小量程与电阻并联,如下图所示:
(2)为了保护电路,闭合开关前,应将滑动变阻器的滑片移动到阻值最大处,即滑到a端;
(3)因为电压表并联在电路中,如果电压表断路,电路中应该有电流,电流表有示数,所以电压表没有断路,电路中其他电路元件都是串联的,如何一个断路电路中都没有电流,通过以上分析可知选项C正确,ABD错误;
(4)根据描点法作图,如下图所示:
(5)分析数据可知,在电阻一定时,电阻两端的电压增大为原来的几倍,通过电阻的电流也增大为原来的几倍,得出的结论是:在电阻一定,电流与电压成正比。
4.(2020•呼伦贝尔)某物理学习小组为了探究“电流与电阻的关系”,设计了如图甲所示的实验电路。他们在学校实验室找来了如下一些实验器材:电压恒为3V的电源,电流表、电压表各一只,一个开关,阻值分别为5Ω、10Ω、15Ω、20Ω的定值电阻各一个,滑动变阻器“20Ω 1A”一个,导线若干。实验时连接的电路如图乙所示。
(1)连接电路前,开关应 (选填“断开”或“闭合”);
(2)实验中,改变滑动变阻器阻值的目的是使定值电阻两端的电压 ;
(3)将5Ω、10Ω、15Ω、20Ω的定值电阻分别接入电路中,每一次都控制定值电阻两端的电压为2.5V;当拆下5Ω的定值电阻换成10Ω的定值电阻接入电路时,如果保持滑动变阻器滑片的位置不变,会发现电压表的示数 (选填“大”或“小”)于2.5V,接下来应该移动滑片,使电压表示数回到2.5V,读出电流表的示数并记录数据……通过多次实验测得多组数据,并利用这些数据得到如图丙所示的电流I随电阻R变化的图象,由数据和图象可以得到的结论是 ;
(4)以上几次实验中记录电表示数时,当定值电阻消耗的电功率最小时,滑动变阻器接入电路的阻值
为 Ω。
【答案】(1)断开;(2)保持不变;(3)大;(4)当导体两端电压一定时,流过导体电流与导体电阻成反比;(5)4。
【解析】(1)为保护电路,连接电路前,开关应断开;
(2)探究“电流与电阻的关系”实验中,要控制电阻的电压不变,故改变滑动变阻器阻值的目的是使定值电阻两端的电压不变;
(3)将5Ω、10Ω、15Ω、20Ω的定值电阻分别接入电路中,每一次都控制定值电阻两端的电压为2.5V;当拆下5Ω的定值电阻换成10Ω的定值电阻接入电路时,如果保持滑动变阻器滑片的位置不变,由分压原理,会发现电压表的示数大于2.5V,接下来应该移动滑片,使电压表示数回到2.5V,读出电流表的示数并记录数据……通过多次实验测得多组数据,并利用这些数据得到如图丙所示的电流I随电阻R变化的图象,由数据和图象知,电阻两端的电压始终保持:
UV=IR=0.1A×25Ω=﹣﹣﹣﹣﹣=0.15A×5Ω=2.5V,电流与电阻之积为一定值,故可以得到的结论是:当导体两端电压一定时,流过导体电流与导体电阻成反比;
(4)因定值电阻的电压不变,当定值电阻消耗的电功率最小时,根据P=,即定值电阻取最大值20Ω,由欧姆定律,电路的电流为:I小===0.125A,
由串联电路的规律及欧姆定律,滑动变阻器接入电路的阻值为:
R滑===4Ω。
5.(2020•盐城)小明和小华一起探究电流与电阻的关系。器材有新干电池两节,5Ω、10Ω、20Ω的定值电阻各一只,“20Ω1A”的滑动变阻器、电压表、电流表、开关各一只,导线若干。
(1)用笔画线代替导线将甲图中电路补充完整,使滑动变阻器滑片向左移动时电阻减小;
(2)将滑动变阻器滑片移动到最 端。闭合开关,小明发现电压表示数接近电源电压,可能是定值电阻R出现了 故障;
(3)排除故障后,移动滑动变阻器滑片,直至电压表示数为1V,此时电流表示数如图乙所示,大小为 A;
(4)小明逐一将10Ω和20Ω的电阻接入电路,继续进行实验。当 Ω的电阻接入电路后,无法将电压表示数调节到1V.于是,他改变定值电阻两端电压,重新依次进行实验。调节后的电压值应该不低于 V;
(5)实验结束后,小华觉得可以通过调整顺序来避免实验中存在的问题。合理的顺序是 。
【答案】(1)如解析所示;(2)右;断路;(3)0.24;(4)20;1.5;
(5)先后将20Ω和10Ω和5Ω的定值电阻接入电路,变阻器的滑片从阻值最大处向阻值较小处滑动,控制定值电阻两端的电压不变,进行实验,可以避免实验中存在的问题。
【解析】(1)滑动变阻器滑片向左移动时电阻减小,故变阻器左下接线柱连入电路中与电阻串联,电源电压为3V,故电压表选用小量程与电阻并联,如下图所示:
(2)为了保护电路,变阻器的滑片移动到阻值最大处,将滑动变阻器滑片移动到最右端;
闭合开关,电压表示数接近电源电压,说明电压表与电源连通,则与电压表并联的电阻之外的电路是连通的,与电压表并联的电阻断路了;
(3)由图乙可知,电流表选用小量程,分度值是0.02A,电流表的示数是0.24A;
(4)若电压表示数为1V,根据串联电路电压的特点,变阻器分得的电压为:
U滑1=3V﹣1V=2V
变阻器分得的电压是电阻电压的2倍,将20Ω的电阻接入电路后,为保持电压不变,根据分压原理,变阻器连入电路中的阻值为2×20Ω=40Ω,
而题中变阻器的最大阻值为20Ω,所以,滑动变阻器连入电路中的电阻最大,也不能使电压表示数为1V。
由串联电路电压的规律及分压原理有:
=,
方程左边为一定值,故右边也为一定值,当变阻器连入电路的电阻最大时,对应的定值电阻应最大,此时,电阻的电压最小,
即:=,
UV=1.5V,所以调节后的电压值应该不低于1.5V;
(5)研究电流与电阻的关系时,要控制电阻的电压不变,由(4)知,当定值电阻连入电路的电阻越大时,变阻器连入电路的电阻越大,故为避免实验中存在的问题(因定值电阻的电压过小,导致用较大的定值电阻时,因变阻器的最大电阻过小而无法完成实验):
合理的顺序是:先后将20Ω和10Ω和5Ω的定值电阻接入电路,变阻器的滑片从阻值最大处向阻值较小处滑动,控制定值电阻两端的电压不变,进行实验,可以避免实验中存在的问题。
6.(2020•内江)一个物理课外实验小组用如图甲所示的电路来测量某待测电阻Rx的阻值,其中定值电阻R0=20Ω.请你帮实验小组完成:
(1)按照甲图的实验电路图,用笔画线代替导线将乙图连接完整(部分导线已连好);
(2)在连接电路时,开关应 ,闭合开关前,滑动变阻器的滑片应置于 (选填“左”或“右”)端;
(3)闭合开关S1,将开关S2掷于“1”时,调节滑动变阻器的滑片到适当位置,记下此时电压表的示数为U1;保持滑片位置不变,将开关S2掷于“2”时,记下此时电压表的示数为U2.则待测电阻Rx阻值的表达式Rx= (用R0、U1、U2表示)。
(4)重复步骤(3),共得到5组U1、U2的数据,并计算出的值,如下表所示,则5组数据的平均值为 ;利用的平均值,求出待测电阻Rx为 Ω。
(5)实验中,采用了多次测出U1和U2的值,并由的平均值,求待测电阻Rx阻值的目的是为了 。
【答案】(1)见解析;(2)断开;右;(3)•R0;(4)3.41;48.2;(5)减小误差。
【解析】(1)按照甲图的实验电路图,滑动变阻器滑片P向右移时其接入电阻变大,连接如图所示:
。
(2)为保护电路元器件,在连接电路时,开关应断开,闭合开关前,滑动变阻器的滑片应置于右端,使接入电阻最大;
(3)闭合开关S1,将开关S2掷于“1”时,三个电阻串联,电压表测量电阻R0两端电压,调节滑动变阻器的滑片到适当位置,记下此时电压表的示数为U1;保持滑片位置不变,将开关S2掷于“2”时,此时电压表测量电阻R0与Rx的两端电压之和,记下此时电压表的示数为U2;由于电路电流保持不变,即
=,
则待测电阻Rx阻值的表达式为:
Rx=•R0;
(4)重复步骤(3),共得到5组U1、U2的数据,并计算出的值,则5组数据的平均值为:==3.41;
利用组平均值,求出待测电阻Rx为:
Rx=R0=(﹣1)R0=(3.41﹣1)×20Ω=48.2Ω;
(5)实验中,采用了多次测出U1和U2的值,并由的平均值,求待测电阻Rx阻值的目的是为多次测量以减小误差。
7.(2020•南通)小明探究铅笔芯的电阻大小与长度的关系时,找来一支铅笔芯,测量其长度,并用两枚金属回形针夹住其两端进行实验。
(1)图甲是测铅笔芯电阻的电路,请用笔画线代替导线将其连接完整。
①闭合开关,发现两电表均无示数,为排查故障他将电压表改接在变阻器两端,发现电压表有示数,则电路故障可能是 。
②排除故障,移动滑片P,电流表示数为0.14A时,电压表示数如图乙,为 V,测出的电阻为 Ω。
(2)移动回形针,改变并测量铅笔芯接入电路的长度,实验时发现电流表损坏,他又设计了图丙电路测量电阻。
①正确连好电路,闭合开关S,将开关S1先拨至b。移动滑动变阻器滑片P,使电压表示数为U。
②再将S1拨至a,调节电阻箱旋钮至图丁位置,观察到电压表示数略大于U,他把“×1”档的旋钮又旋了一格,发现电压表示数略小于U,此时他 (选填“应”或“不应”)再调节滑动变阻器,以使电压表的示数恰好为U。
③推断铅笔芯接入电路的阻值 (填写范围)。
(3)小明由上述两次实验,得出铅笔芯电阻与长度的关系。请评价他在探究过程中的不足之处: 。
【答案】(1)如解析图所示; ①变阻器断路;②2.8; 20;(2)②不应; ③14Ω<R铅<15Ω; (3)第一次只测了一组数据,具有偶然性、误差大; 第二次不能测出铅笔芯具体的阻值,只能是一个范围值。
【解析】(1)根据测量电阻的要求,铅笔芯应串联接入电路,由题图甲,开关的右接线柱连接铅笔芯的右边的金属回形针。根据电源电压2节干电池(3V),则电压表的“3”接线柱连接铅笔芯的右边金属回形针:
①由题意,将电压表改接在变阻器两端,电压表有示数,说明此时电压表能与电源正负极相连通,故电路故障可能是变阻器断路;
②根据电压表应用的“3V”量程,乙图电压表的读数为2.8V,由欧姆定律,测出电阻为:
R===20Ω;
(2)如题图丙,当S闭合,S1拨至b时,R铅与滑动变阻器R串联,电压表测R铅两端的电压。再将S1拨至a,电阻箱R0与滑动变阻器R串联,电压表测R0两端的电压。如题图丁,电阻箱读数为15Ω,电压表的示数大于U,根据串联电路的分压原理可得:R铅<15Ω;当把“×1”挡旋转一格,即电阻箱接入的阻值为14Ω或16Ω,电压表的示数小于U,则电阻箱接入的阻值为14Ω,得R铅>14Ω,此时不能调节滑动变阻器,故铅笔芯接入的阻值是14Ω<R铅<15Ω;
(3)第一次实验,只测了一组数据,就测出铅笔芯的阻值,使误差太大,应多测出几组数据,分别计算出铅笔芯的阻值,最后计算平均值;第二次实验,电阻箱接入电路的阻值是跳跃的,只能测出铅笔芯阻值的一个范围,不能测出具体的阻值。
8.(2020•湘潭)如图甲,是研究小灯泡电阻的实验装置,灯泡的额定电压为2.5V,滑动变阻器最大阻值是50Ω,电源电压保持6V不变。
(1)用笔画线代替导线,将图中的器材连接成完整的电路。
(2)连接完电路后,闭合开关,发现小灯泡发光较暗,且无论怎样移动滑动变阻器滑片P,小灯泡的亮度都不变,则原因可能是 。
A.开关开路 B.电压表短路 C.滑动变阻器接的是下端两接线柱
(3)正确连接后,闭合开关,移动滑片P,记下多组对应的电压表和电流表的示数。当滑片P移到某处,电压表示数为1.5V时,要使小灯泡正常发光,应 (选填“增大”或“减小”)滑动变阻器接入电路中的阻值。
(4)将所测数据绘制成如图乙所示的U﹣I图象。由图可知:小灯泡的电阻是变化的,主要是因为小灯泡灯丝的 (选填“温度”、“长度”或“横截面积”)发生了变化;此小灯泡的额定功率是 W。
(5)利用此装置还可以探究电流与电阻的关系,只需将图甲中的小灯泡换成不同阻值的定值电阻,并使定值电阻两端的电压保持不变,即可进行实验。
①接入某定值电阻后,闭合开关,移动变阻器的滑片P,当电压表的示数为2V时,电流表的示数如图丙所示,为 A,则接入的定值电阻的阻值为 Ω。
②实验时,为了确保不同定值电阻两端的电压能达到并保持2V不变,换用的定值电阻阻值不能大
于 Ω。
【答案】(1)如解析所示;(2)C;(3)减小;(4)温度;0.75;(5)①0.4;5;②25。
【解析】(1)因为灯的额定电压为2.5V,电压表选用小量程与灯并联,滑动变阻器一上一下的串联在电路中,如下所示:
(2)连好电路闭合开关后,发现小灯泡发光较暗,说明电路为通路,电流较小,电阻较大,无论如何移动滑动变阻器滑片P,小灯泡亮度都不变,说明变阻器没有变阻的作用,则原因可能是:将变阻器的下面两个接线柱连入了电路,故C符合题意;故选:C;
(3)当电压表示数为1.5V时,电压表示数小于灯泡额定电压,要使灯泡正常发光,应向右端移动滑动变阻器滑片来减小滑动变阻器的电阻,从而增大灯泡两端的电压,直到电压表示数等于灯泡额定电压2.5V为止;
(4)小灯泡灯丝的电阻随温度的变化而变化;
如图乙所示的U﹣I图象知,灯的电压为2.5V时,电流大小为0.3A,小灯泡的额定功率是:
PL=ULIL=2.5V×0.3A=0.75W;
(5)①闭合开关,移动变阻器的滑片P,使定值电阻两端的电压为2V,此时电流表的示数如图丙,图中电流表选用小量程,分度值为0.02A,大小为为0.4A,由欧姆定律,则定值电阻的阻值为:
R===5Ω。
②探究电流与电阻的关系,应保持电阻两端的电压不变,即实验时控制定值电阻两端的电压保持2V不变,根据串联电路电压的规律,变阻器分得的电压为:
6V﹣2V=4V,由分压原理,电阻的电压为变阻器电压的 =,则更换的定值电阻的阻值不能大于 ×50Ω=25Ω。
9.(2021四川成都二模)小明同学利用电流表和电阻箱测量小灯泡的功率,设计并接了如图甲所示的实物电路。
(1)为了保护电路,闭合开关S1前,应将滑片P移到动变阻器的 (“A”或“B”)端。
(2)闭合开关S1,将单刀双掷开关S2扳向“1”,调节滑动变阻器调节电阻箱的阻值使电流表的示数为I1,如图乙所示,I1= A;
(3)将开关S2扳向“2”,保待滑动变阻器的阻值不变,调节滑动变阻箱的阻值R,使电流表的示数仍为I1,此时R=5Ω;则步骤(2)中小灯泡的电阻R1= Ω,测量小灯泡电阻的方法是 (选填“控制变量法”或“等效替代法”);
(4)步骤(2)小灯泡的实际功率P1= W;
(5)若小灯泡的额定电流为I0=2I1,以下关于灯泡额定功率P0与实际功率P1的数值关系,你认为最有可能的是 。
A.P0=2P1B.P0=3P1 C.P0=4P1D.P0=5P1
【答案】(1)B;(2)0.2;(3)5;等效替代法;(4)0.2;(5)D
【解析】(1)为了保护电路,闭合开关S1前,应将滑片P移到动变阻器的阻值最大处的B端。
(2)闭合开关S1,将单刀双掷开关S2扳向“1”,调节滑动变阻器调节电阻箱的阻值使电流表的示数为I1,如图乙所示,电流表选用小量程,分度值为0.02A,I1=0.2A;
(3)将开关S2扳向“2”,保待滑动变阻器的阻值不变,调节滑动变阻箱的阻值R,使电流表的示数仍为I1,此时R=5Ω;则步骤(2)中小灯泡的电阻R1=5Ω,测量小灯泡电阻的方法是等效替代法;
(4)步骤(2)小灯泡的实际功率P1=I12RL=(0.2A)2×5Ω=0.2W;
(5)若小灯泡的额定电流为I0=2I1,假设灯泡的阻值不变,
则P额=I02R=(2I1)2R=4I12R=4P1。
由于灯泡的阻值不是定值,且灯泡的阻值会随温度的升高而变大,
所以,当灯泡在正常工作时,灯泡的阻值变大,
则额定功率P0>P额=4P1,所以最有可能的额定功率值为P0=5P1。
10.(2021广西桂林二模)在“测小灯泡电功率实验”中,电源电压为3V,小灯泡额定电压为2.5V。
甲 乙 丙
(1)请用笔画线代替导线将图甲所示的实物电路连接完整(要求:滑动变阻器的滑片
向右移动时小灯变亮)。
(2)闭合开关前,滑动变阻器的滑片应调至最_________(填“左”或“右”)端。
(3)闭合开关后,发现灯泡不亮,电流表没有示数,电压表有示数,则电路故障原因是_______。
(4)故障排除后,闭合开关,移动滑片,当电压表示数为1.5V时,电流表示数如图乙
所示,则此时小灯泡的功率为_______W。若使小灯泡正常发光,应将滑片向_____(填“左”或“右”)端移动。
完成上述实验后,小聪向老师要了一个已知阻值为R0的电阻和一个单刀双掷开关,借助部分现有的实验器材,设计了如图丙所示的电路,也测出了灯泡的功率.请完成下列实验步骤:
= 1 \* GB3①闭合开关S1,将S2拨到触点2,移动滑片,使电压表的示数为U1;
= 2 \* GB3②再将开关S2拨到触点1,保持滑片的位置不动,读出电压表的示数U;
= 3 \* GB3③灯泡实际功率表达式为_________(用测得量表示)。
【答案】(1)见下图(2)左(3)小灯泡断路(4)0.48 右。 U1(U-U1)/R0
+
-
【解析】(1)电压表要并联接在灯泡两端,电源电压为3V,小灯泡额定电压为2.5V,使用“—、 3”两个接线柱,也就是使用“0——3”量程读数准确度高。所以标3的接线柱与灯座右侧接线柱连接。滑动变阻器的滑片向右移动时小灯变亮,说明滑动变阻器接入电路的电阻变小,这时可以知道滑动变阻器的下面接线柱与灯泡左侧接线柱连接。
(2)闭合开关前,滑动变阻器接入电路的电阻要保持最大,滑片应调至最左端。
(3)闭合开关后,发现灯泡不亮,说明电路有断路存在或者灯泡被短路。电流表无示数,说明电路处于断路,电压表有示数,说明灯泡断路。
(4)P=UI=1.5V×0.32A=0.48W 若使小灯泡正常发光,电路电流要增大,就得让滑动变阻器的电阻减小,这样将滑片向右移动。
= 1 \* GB3①闭合开关S1,将S2拨到触点2,移动滑片,使电压表的示数为U1;只要求出这时流经灯泡电流即可;= 2 \* GB3②再将开关S2拨到触点1,保持滑片的位置不动,读出电压表的示数U;这个示数等于灯泡两端电压U1加上R0的两端电压U2=U-U1,灯泡电流等于流经R0的电流。
I1=(U-U1)/R0;灯泡实际功率的表达式可求。
次数
电压U/V
电流I/A
电功率P/W
发光情况
1
2
3
R1
5Ω
R2
10Ω
R3
15Ω
U/V
0.8
1.0
1.5
2.0
U/V
1.2
1.8
2.2
2.6
U/V
1.5
1.8
2.1
2.4
I/A
0.16
0.20
0.30
0.40
I/A
0.12
0.18
0.22
0.26
I/A
0.10
0.12
0.14
0.16
实验次数
1
2
3
4
5
6
电阻R/Ω
10
电压U/V
0.4
0.8
1.2
1.6
2.0
2.4
电流I/A
0.04
0.08
0.12
0.16
0.20
0.24
1
2
3
4
5
U1/V
0.25
0.30
0.36
0.40
0.44
U2/V
0.86
1.03
1.22
1.36
1.49
3.44
3.43
3.39
3.40
3.39
2021年中考物理三轮冲刺过关 专题18 三类必考的电学实验问题突破(学生版): 这是一份2021年中考物理三轮冲刺过关 专题18 三类必考的电学实验问题突破(学生版),共16页。教案主要包含了实验类型,探究电流与电压,实验操作要点等内容,欢迎下载使用。
2021年中考物理三轮冲刺过关 专题10 浮力实验问题解决思路 (教师版含解析): 这是一份2021年中考物理三轮冲刺过关 专题10 浮力实验问题解决思路 (教师版含解析),共13页。
2021年中考物理三轮冲刺过关 专题08 重要考点压强问题突破训练题(教师版含解析): 这是一份2021年中考物理三轮冲刺过关 专题08 重要考点压强问题突破训练题(教师版含解析),共22页。教案主要包含了选择题,填空题,简答题,实验与探究题,综合计算题等内容,欢迎下载使用。