2021届安徽省滁州市定远县育才学校高三下学期4月周测(19日)化学试题
展开
这是一份2021届安徽省滁州市定远县育才学校高三下学期4月周测(19日)化学试题,共15页。试卷主要包含了三氯化氮易与水反应,1 ml NCl3中质子数为6,常温下,用0等内容,欢迎下载使用。
选择题(42分)
1.下列涉及的化学相关知识说法错误的是( )
A.医用镍钛形状记忆合金属于新型金属材料
B.新能源可燃冰大量进入大气会引起温室效应
C.补铁剂与维生素同时服用有助于增加药物的吸收和利用
D.新型氮化镓可替代传统半导体材料二氧化硅制造芯片
2.三氯化氮(NCl3)易与水反应:2NCl3+3H2O=3HCl+N2↑+3HClO。若NA代表阿伏加德罗常数的值。下列说法正确的是( )
A.0.1 ml NCl3中质子数为6.5NA
B.每生成36.5 g HCl转移电子数为2NA
C.标准状况下,2.24 LN2中含σ键数为0.2NA
D.100 mL1 ml/LHClO溶液中阴、阳离子总数为0.2NA
3.我国自主研发的对二甲苯绿色合成项目取得新进展,其合成过程如图所示。
下列说法不正确的是
A. 异戊二烯所有碳原子可能共平面
B. 可用溴水鉴别M和对二甲苯
C. 对二甲苯的一氯代物有2种
D. M的某种同分异构体含有苯环且能与钠反应放出氢气
4.下列解释实验现象的反应方程式不正确的是
A.切开的金属 Na 暴露在空气中,光亮表面逐渐变暗:4Na+O2=2Na2O
B.向 AgCl 悬浊液中滴加 Na2S 溶液,白色沉淀变为黑色:2AgCl(s)+S2–(aq)= Ag2S(s)+2Cl–(aq)
C.向 Na2CO3 溶液中滴入酚酞,溶液变红: CO+2H2OH2CO3+2OH–
D.向NaHSO4溶液中逐滴加入 Ba(OH)2 溶液恰好至溶液呈中性: H++SO+Ba2++OH–=BaSO4↓+H2O
5.已知短周期元素W、X、Y、Z原子序数依次增大,已知W的简单氢化物与其最高价含氧酸可以化合成盐,Y与W同主族,X、Z形成的双聚分子结构如图。下列说法正确的是( )
A.简单离子半径:X>W
B.最简单气态氢化物的稳定性:W<Y
C.电解X与Z形成的化合物可制备X单质
D.YZ3分子中所有原子均达到8电子稳定结构
6.一种固定CO2的电化学装置如图,该电化学装置放电时可将CO2转化为Li2CO3和C,充电时选用合适催化剂,只有Li2CO3发生氧化反应,释放出CO2和O2。下列说法正确的是
A.放电时,Li+向电极X方向移动
B.充电时,电极Y应与外接直流电源的负极相连
C.充电时,阳极的电极反应式为C +2Li2CO3-4e- =3CO2 ↑+4Li +
D.充电时,每转移0.4ml电子,理论上阳极生成标准状况下4.48LCO2
7.常温下,用0.1ml/LKOH溶液滴定10mL0.1ml/LHA溶液的滴定曲线如图所示。下列说法不正确的是( )
A.a点pH约为3,可以判断HA是弱酸
B.b点溶液:c(A-)>c(K+)>c(HA)>c(H+)>c(OH-)
C.c点溶液:c(K+)=c(A-)
D.水的电离程度:c点>d点
二、非选择题
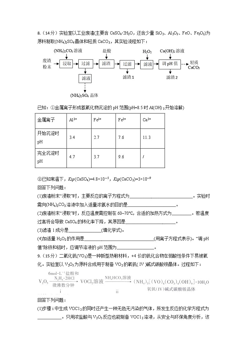
8.(14分)实验室以工业废渣(主要含CaSO4∙2H2O,还含少量SiO2、Al2O3、FeO、Fe2O3)为原料制取(NH4)2SO4晶体和轻质CaCO3,其实验流程如下:
已知:①金属离子形成氢氧化物沉淀的pH范围(pH=8.5时Al(OH)3开始溶解)
②已知常温下,Ksp(CaSO4)=4.8×10-5,Ksp(CaCO3)=3×10-9
回答下列问题:
(1)废渣粉末“浸取”时,主要反应的离子方程式为_____________________________。实验时需向(NH4)2CO3溶液中加入适量浓氨水的目的是______________________。
(2)废渣粉末“浸取”时,反应温度需控制在60~70℃,合适的加热方式为_________。若温度过高将会导致CaSO4的转化率下降,其原因是_______________________。
(3)滤渣1成分是_______________(填化学式)。
(4)加适量H2O2的作用是________________________________(用离子方程式表示)。“调pH值”除铁和铝时,应调节溶液的pH范围为_________________。
9.(15分)二氧化钒(VO2)是一种新型热敏材料,+4 价的钒化合物在弱酸性条件下易被氧化。实验室以V2O5为原料合成用于制备VO2的氧钒( IV )碱式碳酸铵晶体。过程如下:
回答下列问题:
(1)步骤i中生成VOC12的同时还产生一种无色无污染的气体,所发生反应的化学方程式为___________。只用浓盐酸与V2O5反应也能制备VOC12溶液,从安全与环保角度分析,该反应不被推广的主要原因是___________。
(2)步骤ii可在下图装置中进行。
①向锥形瓶中滴加VOCl2溶液前应通入一段时间的CO2,目的是___________。
②装置B中的试剂是___________。
③反应结束后,将锥形瓶置于干燥器中一段时间,可得到紫红色晶体,然后抽滤洗涤,先用饱和NH4HCO3溶液洗涤3次,再用无水乙醇洗涤2次,最后用乙醚洗涤2次。用饱和NH4HCO3溶液洗涤除去的阴离子主要是___________,用无水乙醇洗涤的目的是___________。
(3)测定氧钒(IV )碱式碳酸铵晶体粗产品中钒的含量。
称量a g样品于锥形瓶中,用20mL蒸馏水与30mL混酸溶解后,加0.02ml/L KMnO4溶液至稍过量,充分反应后继续加1%NaNO2溶液至稍过量。再用尿素除去过量的NaNO2,滴入几滴铁氰化钾{K3[ Fe(CN)6]}溶液,最后用c ml/L(NH4)2Fe(SO4)2标准溶液滴定至终点,消耗体积为b mL。滴定反应为: +Fe2++2H+=VO2++Fe3++H2O
①KMnO4溶液的作用是___________
②滴定终点时的现象为___________
③粗产品中钒的质量分数的表达式为___________
10.(14分)碳的化合物在工业上应用广泛,下面有几种碳的化合物的具体应用:
(1)已知下列热化学方程式:
i. CH2=CHCH3(g)+ Cl2(g)=CH2ClCHClCH3(g) △H1= -133 kJ·ml-1
ii. CH2=CHCH3(g)+Cl2(g)=CH2 =CHCH2Cl(g)+HCl(g) △H2= -100 kJ·ml-1
又已知在相同条件下,CH2=CHCH2Cl(g)+HCl(g)=CH2ClCHClCH3(g) 的正反应的活化能Ea(正)为132 kJ∙ml-1,则逆反应的活化能Ea(逆)为________kJ∙ml-1。
(2)查阅资料得知,反应CH3CHO(aq)=CH4(g)+CO(g)在含有少量I2的溶液中分两步进行:
第I步反应为CH3CHO(aq)+I2(aq)→CH3I(l) +HI(aq)+CO(g)(慢反应);
第II步为快反应。增大I2的浓度________(填“能”或“ 不能”)明显增大总反应的平均速率,理由为______________。
(3)用催化剂Fe3(CO)12/ZSM -5催化CO2加氢合成乙烯的反应,所得产物含CH4、C3H6、C4H8等副产物,反应过程如图。
催化剂中添加Na、K、Cu助剂后(助剂也起催化作用)可改变反应的选择性,在其他条件相同时,添加不同助剂,经过相同时间后测得CO2转化率和各产物的物质的量分数如下表。
欲提高单位时间内乙烯的产量,在Fe3(CO)12/ZSM -5中添加__________助剂效果最好;加入助剂能提高单位时间内乙烯产量的根本原因是__________________。
(4)在一密闭容器中,起始时向该容器中充入H2S和CH4且n(H2S):n(CH4) =2:1,发生反应:CH4(g)+2H2S(g)CS2(g)+4H2(g)。0. 11MPa时,温度变化对平衡时产物的物质的量分数的影响如下图所示:
为提高H2S的平衡转化率,除改变温度外,还可采取的措施是______________(列举一条)。N点对应温度下,该反应的Kp=______ ( MPa)2(Kp为以分压表示的平衡常数)。
(5)合成碳酸二甲酯的工作原理如下图所示。
阳极的电极反应式为_______,离子交换膜a为__________(填“阳膜”、“阴膜”)。
三、选考题
11.(15分)碳和磷的单质和化合物在科研与生产中有许多重要用途。石墨烯是碳原子排列成一种正六边形的单层平面网状结构(如下图),熔点约为4125K,强度高,韧性好,几乎透明。石墨烯材料是目前最薄、导电性最好的材料之一。
请回答下列问题:
(1)石墨烯中每个碳原子均采取__________杂化。
(2)石墨烯具有良好导电性的原因是__________________________________________。
(3)石墨烯的晶体类型为___________________。
(4)石墨烯可作锂离子电池的负极材料,正极材料可是Li3V2(PO4)3,在Li3V2(PO4)3中的空间构型为____________,Li、V、P三种元素第一电离能由大到小的顺序为_________________。
(5)V2+能与乙二胺形成配离子如图所示,该配离子中含有的化学键类型有______(填字母)。
a.配位键 b.共价键 c.离子键 d.金属键
(6)磷化镓(GaP)材料是研制微电子器件、光电子器件的新型半导体材料。
①镓的基态原子的价电子排布图是______________________。
②GaP的晶体结构如图所示,晶胞参数anm,该晶体中,两个磷原子之间的距离为__________nm。GaP晶体的密度为(列出计算式)_________g·cm-3。(NA为阿伏加德罗常数的值)
12.(15分)香料甲和G都在生活中有很多用途,其合成路线如下:
已知:①R1—CHO+R2—CH2—CHO(R1、R2代表烃基或氢原子)
②D与A互为同系物;在相同条件下,D蒸气相对于氢气的密度为39。
(1)A的名称是____,G中含氧官能团的名称是____。
(2)②的反应类型是____,B和F的结构简式分别为______、______。
(3)写出一种能鉴别A和D的试剂:______;C有多种同分异构体,其中属于芳香族化合物的有____种。
(4)写出反应①的化学方程式:_____________。
(5)G的同分异构体是一种重要的药物中间体,其合成路线与G相似,请以为原料设计它的合成路线(其他所需原料自选)_________。
参考答案
1.D
【解析】A.镍钛形状记忆合金属于新型金属材料,A项正确;
B.可燃冰主要成分为甲烷,甲烷是温室气体,所以其大量进入大气会引起温室效应,B项正确;
C.+2价铁易吸收,维生素C可以防止+2价铁氧化为+3价,补铁剂与维生素C共同服用可提高补铁效果,C项正确;
D.制造芯片用传统半导体材料硅,D项错误;答案选D。
2.B
【解析】A.NCl3分子中含有的质子数是58,则0.1 ml NCl3中含有的质子数为5.8NA,A错误;
B.在反应2NCl3+3H2O=3HCl+N2↑+3HClO中,每反应产生3 ml HCl,转移6 ml电子,反应生成36.5 g HCl的物质的量是1 ml,则转移电子数为2NA,B正确;
C.N2中2个N原子形成共价三键,其中1个σ键,2个π键,标准状况下,2.24 LN2的物质的量是0.1 ml,因此其中含σ键数为0.1NA,C错误;
D.100 mL1 ml/LHClO中含有溶质的物质的量是n(HClO)=1 ml/L×0.1 L=0.1 ml,由于HClO是一元弱酸,主要以电解质分子存在,因此该溶液中离子数目远小于0.2NA,D错误;
故答案为B。
3.D
【解析】A. 异戊二烯中2个碳碳双键所确定的平面重合时,所有碳原子共平面,A正确;
B. M中含有碳碳双键可使溴水褪色,对二甲苯与溴水可发生萃取,使溶液分层,有机层显橙红色,可用溴水鉴别,B正确;
C. 对二甲苯的一氯代物有氯原子在苯环上1种,在甲基上1种,合计2种,C正确;
D. M的分子式为C8H12O,某种同分异构体含有苯环,则剩余基团为C2H7-,无此基团,D错误;答案为D
4.A
【解析】A.切开的金属 Na 暴露在空气中,光亮表面失去金属光泽生成白色的Na2O而逐渐变暗:4Na+O2=2Na2O,A正确;
B.向AgCl悬浊液中滴加Na2S溶液,白色沉淀变为黑色:2AgCl(s)+S2–(aq)=Ag2S(s)+2Cl–(aq),B不正确;
C.向Na2CO3溶液中滴入酚酞,溶液变红是由于CO水解而呈碱性,由于碳酸是多元弱酸,故碳酸根的水解反应为分步进行,以第一步为主,故正确CO+H2O +OH–,C错误;
D.向NaHSO4溶液中逐滴加入Ba(OH)2溶液恰好至溶液呈中性: 2H++SO+Ba2++2OH–=BaSO4↓+2H2O,D错误;故答案为:CD。
5.D
【解析】短周期元素W、X、Y、Z原子序数依次增大,已知W的简单氢化物与其最高价含氧酸可以化合成盐,W是N,Y与W同主族,Y是P,X、Z形成的双聚分子结构如上图,X形成三对共价键,还有一对配位键,是Al,Z形成一对共价键,是第ⅦA元素,原子序数大于Al,是Cl,故W、X、Y、Z分别为N、Al、P、Cl,由此分析。
A.W和X分别为N、Al,它们的离子的核外电子排布相同,核电荷数大的离子半径小,简单离子半径:W>X,故A错误;
B.W和Y分别为N和P,非金属性越强,气态氢化物的稳定性越强,最简单气态氢化物的稳定性:W>Y,故B错误;
C.X和Z分别为Al和Cl,氯化铝是共价化合物,电解氯化铝无法制备X单质,故C错误;
D.Y、Z分别为P和Cl,PCl3分子中磷原子和氯原子形成三对共价键,剩余一对孤对电子,氯原子各形成一对共价键,原子均达到8电子稳定结构,故D正确;答案选D。
6.D
【解析】根据题干分析可知,放电时,X极上Li失电子,则X为负极,Y为正极,正极上CO2得电子生成C和Li2CO3;充电时,阴极上Li+得电子生成Li,阳极上Li2CO3发生氧化反应,释放出CO2和O2,电极反应式为2Li2CO3-4e-==2CO2↑+4Li++O2↑,据此分析解答。
A.放电时,X极上Li失电子,则X为负极,Y为正极,阳离子向正极移动,即Li+向电极Y方向移动,A选项错误;
B.该电池充电时,电源的负极与外加电源的负极相连,即电极X与外接直流电源的负极相连,B选项错误;
C.阳极上Li2CO3发生氧化反应,释放出CO2和O2,电极反应式为2Li2CO3-4e-==2CO2↑+4Li++ O2↑,C选项错误;
D.电池充电时,只有Li2CO3发生氧化反应,所以反应式为2Li2CO3-4e-==2CO2↑+4Li++O2↑每转移0.4ml电子,理论上阳极产生0.2mlCO2,标准状况下的体积为4.48L,D选项正确;答案选D。
7.D
【解析】A.a点为0.1ml/LHA溶液,若是强酸,pH=1,但pH约为3,HA是弱酸,A正确;
B.b点溶液中溶质为等物质的量的KA和HA,溶液显酸性,离子浓度关系为:c(A-)>c(K+)>c(HA)>c(H+)>c(OH-),B正确;
C.c点溶液的pH=7,c(H+)=c(OH-),根据电荷守恒,c(K+)=c(A-),C正确;
D.c点溶液的pH=7,溶质为HA和KA,HA抑制水的电离,d点溶液的溶质为KA,KA促进水的电离,水的电离程度:c点
相关试卷
这是一份2021定远县育才学校高一下学期3月(3月22日)周测化学试题含答案
这是一份2021定远县育才学校高二下学期3月周测化学试题(3月3日)含答案
这是一份2021定远县育才学校高二下学期3月周测化学试题(3月3日)含答案

