课时跟踪检测(十九) 气体的制备和性质实验探究(应用课)
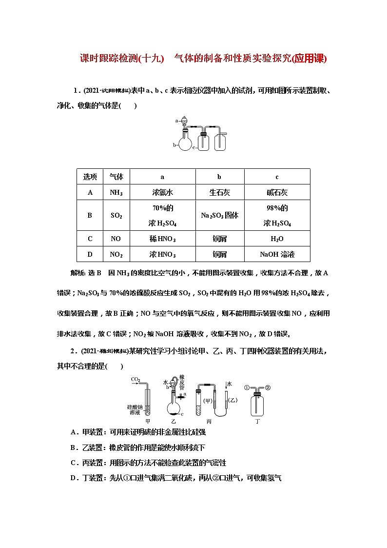
展开1.(2021·沈阳模拟)表中a、b、c表示相应仪器中加入的试剂,可用如图所示装置制取、净化、收集的气体是( )
解析:选B 因NH3的密度比空气的小,不能用图示装置收集,收集方法不合理,故A错误;Na2SO3与70%的浓硫酸反应生成SO2,SO2中混有的H2O用98%的浓H2SO4除去,收集装置合理,故B正确;NO与空气中的氧气反应,则不能用图示装置收集NO,应利用排水法收集,故C错误;NO2被NaOH溶液吸收,收集不到NO2,故D错误。
2.(2021·福州模拟)某研究性学习小组讨论甲、乙、丙、丁四种仪器装置的有关用法,其中不合理的是( )
A.甲装置:可用来证明碳的非金属性比硅强
B.乙装置:橡皮管的作用是能使水顺利流下
C.丙装置:用图示的方法不能检查此装置的气密性
D.丁装置:先从①口进气集满二氧化碳,再从②口进气,可收集氢气
解析:选C 甲装置:硅酸钠溶液中通入二氧化碳气体生成硅酸沉淀,根据强酸制弱酸,可用来证明碳的非金属性比硅强,故不选A;乙装置:橡皮管使烧瓶、分液漏斗内的压强保持一致,所以能使水顺利流下,故不选B;丙装置:向乙中加水,至甲和乙形成液面差,该液面差能较长时间保持不变,说明此装置的气密性良好,用图示的方法能检查此装置的气密性,故选C;二氧化碳的密度大于空气,采用向上排空气法收集二氧化碳;氢气的密度小于二氧化碳,所以氢气采用向下排二氧化碳法收集,故不选D。
3.(2021·忻州模拟)某实验小组拟利用如图装置制取干燥的氮气。下列说法错误的是( )
A.装置Ⅰ中发生的反应为NaNO2+NH4Cl eq \(=====,\s\up7(△)) NaCl+N2↑+2H2O
B.加热片刻后需要将酒精灯移开,说明该反应是放热反应
C.装置Ⅱ的作用是冷凝水蒸气
D.在装置Ⅲ末端收集纯净干燥的N2只能用向下排空气法
解析:选D 根据题中已知的反应物和生成物,结合原子守恒和电子得失守恒,可知装置Ⅰ中发生的反应为NaNO2+NH4Cl eq \(=====,\s\up7(△)) NaCl+N2↑+2H2O,A项正确;因移开酒精灯后反应仍能进行,说明该反应自身放热,是放热反应,B项正确;据化学方程式可知产物有水蒸气,且反应物为溶液状态,可知反应在产生N2的同时产生大量水蒸气,为便于干燥,先用装置Ⅱ将绝大多数水蒸气冷凝后再用装置Ⅲ进行干燥,故装置Ⅱ的作用是冷凝水蒸气,C项正确;N2的密度与空气密度相差太小,不适合用排空气法收集,D项错误。
4.下图是一套实验室制取气体的装置,用于发生、干燥、收集和吸收有毒气体,下列各组物质能利用这套装置进行实验的是( )
A.MnO2和浓盐酸
B.Na2SO3(s)和浓硫酸
C.Cu片和稀硝酸
D.浓氨水和生石灰
解析:选B MnO2和浓盐酸制氯气需加热;Cu片和稀硝酸生成的NO不能用排空气法收集;浓氨水和生石灰生成的NH3不能用浓硫酸干燥。
5.(2021·葫芦岛模拟)铁粉具有平肝镇心,消痈解毒之功效,主治惊痫、癫狂、脚气冲心、贫血等。某兴趣小组探究用氢气和碳酸亚铁制取铁粉并检验反应产物,实验装置如图。下列说法不正确的是( )
A.通过调节分液漏斗的活塞以控制①中气泡产生快慢
B.装置①的作用是干燥氢气
C.装置②、③中的药品分别是无水硫酸铜、碱石灰
D.加热装置Y前,应先让X反应一段时间,排除装置中的空气
解析:选C X装置为Zn和稀硫酸发生置换反应制备H2的装置,分液漏斗可调节稀硫酸的滴入速率从而控制①中气泡产生的快慢,A正确;①装置盛有浓硫酸干燥H2,防止对后面产物的检验产生干扰,B正确;由上述分析可知,②为检验产物H2O的装置,可盛装白色的无水硫酸铜固体,③装置的主要目的是吸收H2O并防止④中的H2O进入②装置中造成干扰,可以是无水CaCl2或无水硫酸铜,但碱石灰会吸收CO2,不能是碱石灰,C错误;H2与空气混合加热易发生爆炸,故在加热装置Y前,应先让X反应一段时间,排除装置中的空气,D正确。
6.(2021·武汉模拟)某研究小组将NaBO2、SiO2和Na的固体混合物与H2在500 ℃条件下反应制备NaBH4,实验装置如图所示。已知NaBH4中B为+3价,下列说法错误的是( )
A.装置甲还可以用于制取CO2、H2S
B.装置乙、丙中分别装有NaOH溶液和浓硫酸
C.管式炉加热之前应收集装置尾部气体并验纯
D.可将反应后混合物加水溶解后用重结晶法提纯
解析:选D 装置甲为块状固体与液体不加热反应制气体的装置,可以看作启普发生器的简易装置,实验室用大理石或石灰石与稀盐酸反应制取二氧化碳,用硫化亚铁固体与稀盐酸或稀硫酸反应制取硫化氢,都属于块状固体与液体不加热反应制气体,装置甲可以用于制取CO2、H2S,故A正确;根据分析装置乙、丙分别用于除去氢气中混有的氯化氢和水蒸气,NaOH溶液可与氯化氢反应,浓硫酸具有吸水性,故B正确;氢气通入管式炉中与NaBO2、SiO2和Na固体混合物在500 ℃条件下反应制备NaBH4,高温下,管式炉中若含有空气,氢气与氧气反应会引发爆炸,则管式炉加热之前应收集装置尾部气体并验纯,故C正确;根据分析,管式炉中发生反应的化学方程式为NaBO2+2SiO2+4Na+2H2 eq \(=====,\s\up7(高温)) NaBH4+2Na2SiO3,NaBH4中B为+3价,则H为-1价,将反应后混合物加水溶解,NaBH4可与水发生反应:NaBH4+2H2O===NaBO2+4H2↑,无法将NaBH4提纯,故D错误。
7.(2021·马鞍山模拟)在一定条件下,向Al2O3和过量C粉的混合物中通入氯气,可制得易水解的AlCl3,实验装置如图所示(尾气吸收略)。下列说法中正确的是( )
A.a装置分液漏斗中药品为稀盐酸
B.b装置中盛装的是浓硫酸
C.实验结束时,先熄灭d处的酒精灯
D.e装置可以用装有氢氧化钠溶液的洗气瓶代替
解析:选C 根据分析可知,a装置为二氧化锰和浓盐酸在加热条件下制取氯气的装置,故a装置分液漏斗中药品为浓盐酸,A错误;b装置为吸收挥发的HCl气体,盛装的是饱和NaCl溶液,B错误;实验结束时,为防止倒吸,应先熄灭d 处的酒精灯,C正确;由于氯化铝易水解,e中盛装碱石灰的目的是尾气处理,并防止空气中的水蒸气进入装置d中,若用装有氢氧化钠溶液的洗气瓶代替,不能达到防止空气中的水蒸气进入装置d的目的,D错误。
8.(2021·南宁模拟)ClO2是一种极易溶于水且几乎不与冷水反应的黄绿色气体(沸点11 ℃),实验室制备纯净ClO2溶液的装置如图所示:
已知下列反应:NaClO3+HCl―→NaCl+ClO2+Cl2+H2O;NaClO2+HCl―→NaCl+ClO2+H2O;NaClO2+Cl2―→NaCl+ClO2(均未配平)。下列说法正确的是( )
A.a中通入的N2可用CO2或SO2代替
B.b中NaClO2可用饱和食盐水代替
C.c中广口瓶最好放在冰水浴中冷却
D.d中吸收尾气后只生成一种溶质
解析:选C a中通入的N2的目的是氮气性质稳定且不影响实验,可将a中产生的ClO2和Cl2吹出并进入后续装置,继续实验,二氧化硫具有还原性,可将ClO2、NaClO3等物质还原,故A错误;b中NaClO2的作用是吸收ClO2中混有的氯气和氯化氢杂质气体,用饱和食盐水可吸收氯化氢,但不能吸收氯气,故B错误;ClO2是一种极易溶于水且几乎不与冷水反应的黄绿色气体,故c中广口瓶最好放在冰水浴中冷却,有利于吸收ClO2,故C正确;d中氢氧化钠和ClO2发生歧化反应生成NaCl和NaClO3,产物至少两种,故D错误。
9.(2021·滁州模拟)氨是一种重要的化工原料。
Ⅰ.某学习小组同学设计了下图所示的实验装置(部分夹持仪器未画出),进行氨气实验室制备且探究氨气的还原性及产物的检验。
实验现象为:黑色CuO变为红色;干燥管中无水CuSO4粉末变为蓝色;同时生成一种无色无味无污染的气体。
(1)请写出大试管中反应的化学方程式__________________________________
____________________。
(2)请写出氨气与CuO反应的化学方程式_________________________________
____________________。
(3)该装置存在明显缺陷,请指出存在的问题_______________________________
________________________________________________________________________。
Ⅱ.哈伯因为将氮气和氢气在一定条件下合成氨气的成果而获得1918年诺贝尔化学奖。现将1 ml N2和3 ml H2充入一恒容的密闭容器中,使其在一定条件下达到平衡N2+3H22NH3,下列哪些状态一定是达到了平衡的状态?________(填标号)。
A.混合气体的平均相对分子质量不随时间改变而改变的状态
B.N2、H2、NH3的总物质的量不随时间改变而改变的状态
C.混合气体的密度不随时间改变而改变的状态
D.单位时间内0.1 ml NH3分解的同时,有0.05 ml N2生成的状态
解析:Ⅰ.(1)实验室用氯化铵和氢氧化钙反应生成氨气,化学方程式为2NH4Cl+Ca(OH)2 eq \(=====,\s\up7(△)) CaCl2+2NH3↑+2H2O。(2)氨气和氧化铜反应,黑色CuO变为红色说明生成铜,干燥管中无水CuSO4粉末变为蓝色,说明生成水,一种无色无味无污染的气体为氮气,所以反应的化学方程式为3CuO+2NH3 eq \(=====,\s\up7(△)) 3Cu+N2+3H2O。(3)反应过程中氨气可能有剩余,此装置没有对氨气进行处理而会造成污染,缺少尾气吸收装置。Ⅱ.对于氮气和氢气合成氨气的反应来说,A.混合气体的平均相对分子质量不随时间改变而改变的状态可以说明反应达到平衡状态;B.因为反应前后气体的物质的量改变,所以N2、H2、NH3的总物质的量不随时间改变而改变的状态可以说明反应达到平衡状态;C.因为反应体系中的体积不变,气体总质量守恒,所以混合气体的密度不随时间改变而改变的状态不能说明反应达到平衡状态;D.单位时间内0.1 ml NH3分解的同时,有0.05 ml N2生成的状态,都表示逆向反应,不能说明反应到平衡状态。
答案:Ⅰ.(1)2NH4Cl+Ca(OH)2 eq \(=====,\s\up7(△)) CaCl2+2NH3↑+2H2O
(2)3CuO+2NH3 eq \(=====,\s\up7(△)) 3Cu+N2+3H2O (3)此装置没有尾气吸收装置 Ⅱ.AB
10.(2021·启东模拟)为进行某些实验的探究,某兴趣小组设计了如下装置:
(1)为探究浓硫酸与木炭反应的全部产物,分液漏斗中盛浓硫酸,圆底烧瓶中放木炭。
①装置B中试剂的名称是____________。
②装置C、D、E中所盛放的试剂分别是品红、酸性KMnO4溶液和澄清的石灰水。C装置的作用是______________,确认产物中含有CO2的实验现象是___________________
________________________________________________________________________。
(2)为了制取无水氯化铜,上述装置中的分液漏斗中盛浓盐酸,圆底烧瓶中放MnO2,B中放铜粉并在玻璃管下添加酒精灯,且将B装置平移至D与E之间。
①此时C、D中依次加入的试剂分别是__________。
②若E中为NaOH溶液用于尾气吸收,常温下发生反应的离子方程式为______。
③实验结束时,应首先熄灭装置B下面的酒精灯,其目的是______________________。
解析:(1)①由于检验二氧化硫或二氧化碳均会带出水蒸气,因此首先检验水蒸气,则装置B中试剂为无水硫酸铜,用于检验水。②二氧化硫能使品红溶液褪色,C用于检验二氧化硫。由于二氧化硫会干扰二氧化碳的检验,则需要利用D中高锰酸钾除去二氧化硫,最后用E中澄清石灰水变浑浊检验二氧化碳,因此确认产物中含有CO2的实验现象是D中溶液不完全褪色,E中产生白色沉淀。(2)①氯气和铜反应时应该是纯净干燥的氯气,而生成的氯气中含有氯化氢和水蒸气,则C为饱和食盐水,用于除去氯化氢,D为浓硫酸,起到干燥作用。②氯气与氢氧化钠反应生成氯化钠、次氯酸钠,反应的离子方程式为Cl2+2OH-===Cl-+ClO-+H2O。③实验结束时,应首先熄灭装置B下面的酒精灯,再熄灭A装置的酒精灯,可起到防止倒吸的作用。
答案:(1)①无水硫酸铜 ②检验SO2气体 D中溶液不完全褪色,E中产生白色沉淀 (2)①饱和食盐水、浓硫酸 ②Cl2+2OH-===Cl-+ClO-+H2O ③防止倒吸
11.(2021·沈阳模拟)无水四氯化锡(SnCl4)可用于制作导电玻璃,导电玻璃广泛用于液晶显示屏、薄膜太阳能电池基底等。可用如下装置制备四氯化锡(部分夹持装置已略去):
有关信息如下表:
回答下列问题:
(1)对比分液漏斗,装置甲中恒压滴液漏斗的优点是________________________。仪器A中发生反应的离子方程式为__________________________________。
(2)将装置如图连接好,检查气密性,慢慢滴入浓盐酸,待观察到____________(填现象)后,开始加热丁装置。锡熔化后适当增大氯气流量并继续加热丁装置。继续加热丁装置的目的是促进氯气与锡反应和____________________________。
(3)如果缺少乙装置可能产生的后果是______________________________。
(4)戊装置中球形冷凝管的冷水进口为____(填“a”或“b”)。
(5)己装置中碱石灰的作用是___________________________________________________
________________________________________________________________________。
(6)碘氧化法滴定分析产品中Sn(Ⅱ)的含量。准确称取m g产品于锥形瓶中,用适量浓盐酸溶解,淀粉溶液作指示剂,用c ml·L-1碘标准溶液滴定。滴入最后一
滴标准溶液,出现__________时达到滴定终点,此时消耗碘标准溶液V mL,则产品中Sn(Ⅱ)的质量分数为____________(用字母表示)。
解析:(1)对比分液漏斗,装置甲中恒压滴液漏斗的优点是平衡气压,可以使漏斗内液体顺利流下(或可以防止倒吸;或减小增加的液体对气体压强的影响;或可以在密闭条件下滴加液体,减少漏斗内液体挥发、与空气接触等;仪器A中发生的反应为浓盐酸与高锰酸钾反应生成氯气、氯化锰和水,离子方程式为10Cl-+16H++2MnO eq \\al(\s\up1(-),\s\d1(4)) ===5Cl2↑+8H2O+2Mn2+。(2)将如图装置连接好,先检查装置的气密性,再慢慢滴入浓盐酸,待观察到丁装置内充满黄绿色气体现象(或黄绿色气体充满整个装置)后,开始加热装置丁;锡熔化后适当增大氯气流量并继续加热丁装置,继续加热丁装置的目的是促进氯气与锡反应和促进四氯化锡挥发(或促进四氯化锡气化,使四氯化锡蒸气进入戊中便于收集)。(3)如果缺少乙装置,氯化氢与锡反应生成的氢气与氯气混合受热会引起装置爆炸。(4)SnCl4的沸点较低,戊装置中球形冷凝管的作用为冷凝回流,提高SnCl4的产率,则冷凝水应该下进上出,冷水进口为a。(5)制取SnCl4过程中氯气不能完全参与反应,该气体有毒,不能直接排放到大气中,需要吸收处理,制得的SnCl4遇水易水解,则己装置中碱石灰的作用是吸收未反应的氯气,防止污染空气;防止水蒸气进入戊装置的试管中使产物水解。(6)准确称取m g产品于锥形瓶中,用蒸馏水溶解,淀粉溶液作指示剂,用c ml·L-1碘标准溶液滴定,滴入最后一滴,出现溶液变蓝,且30 s内颜色不变现象时达到滴定终点,此时消耗碘标准溶液V mL,由Sn2++I2===Sn4++2I-,可知n(SnCl2)=n(I2)=cV×10-3 ml,Sn(Ⅱ)的质量分数为 eq \f(cV×10-3 ml×119 g·ml-1,m g) ×100%= eq \f(0.119cV,m) ×100%(或 eq \f(11.9cV,m) %)。
答案:(1)平衡气压,可以使漏斗内液体顺利流下(或可以防止倒吸;或减小增加的液体对气体压强的影响;或可以在密闭条件下滴加液体,减少漏斗内液体挥发、与空气接触等) 10Cl-+16H++2MnO eq \\al(\s\up1(-),\s\d1(4)) ===5Cl2↑+8H2O+2Mn2+ (2)丁中充满黄绿色气体(或黄绿色气体充满整个装置) 促进四氯化锡挥发(或促进四氯化锡气化,使四氯化锡蒸气进入戊中便于收集) (3)引起装置爆炸(氯化氢与锡反应生成的氢气与氯气混合受热引起装置爆炸) (4)a (5)吸收未反应的氯气,防止污染空气;防止水蒸气进入戊装置的试管中使产物水解 (6)溶液颜色变为蓝色,且半分钟内不变色 eq \f(0.119cV,m) ×100%(或 eq \f(11.9cV,m) %)
选项
气体
a
b
c
A
NH3
浓氨水
生石灰
碱石灰
B
SO2
70%的
浓H2SO4
Na2SO3固体
98%的
浓H2SO4
C
NO
稀HNO3
铜屑
H2O
D
NO2
浓HNO3
铜屑
NaOH溶液
化学式
SnCl2
SnCl4
熔点/℃
246
-33
沸点/℃
652
144
其他性质
无色晶体,Sn(Ⅱ)易被氧化为Sn(Ⅳ)
无色液体,易水解
2024届高考化学一轮复习 课时跟踪检测(二十) 以气体制备为主体的实验探究 (含答案): 这是一份2024届高考化学一轮复习 课时跟踪检测(二十) 以气体制备为主体的实验探究 (含答案),共11页。试卷主要包含了选择题,非选择题等内容,欢迎下载使用。
课时跟踪检测(十八) 无机物的性质、用途及转化 环境保护(应用课): 这是一份课时跟踪检测(十八) 无机物的性质、用途及转化 环境保护(应用课),共9页。
课时跟踪检测(五十九) 物质结构与性质综合题(实践课): 这是一份课时跟踪检测(五十九) 物质结构与性质综合题(实践课),共13页。试卷主要包含了根据所学内容回答下列问题等内容,欢迎下载使用。

