高考物理二轮考点精练专题13.1《测量导体的电阻实验》(含答案解析)
展开
这是一份高考物理二轮考点精练专题13.1《测量导体的电阻实验》(含答案解析),共15页。试卷主要包含了8 A);,某同学用如图所示.,0V,利用图., 所示,7 23等内容,欢迎下载使用。
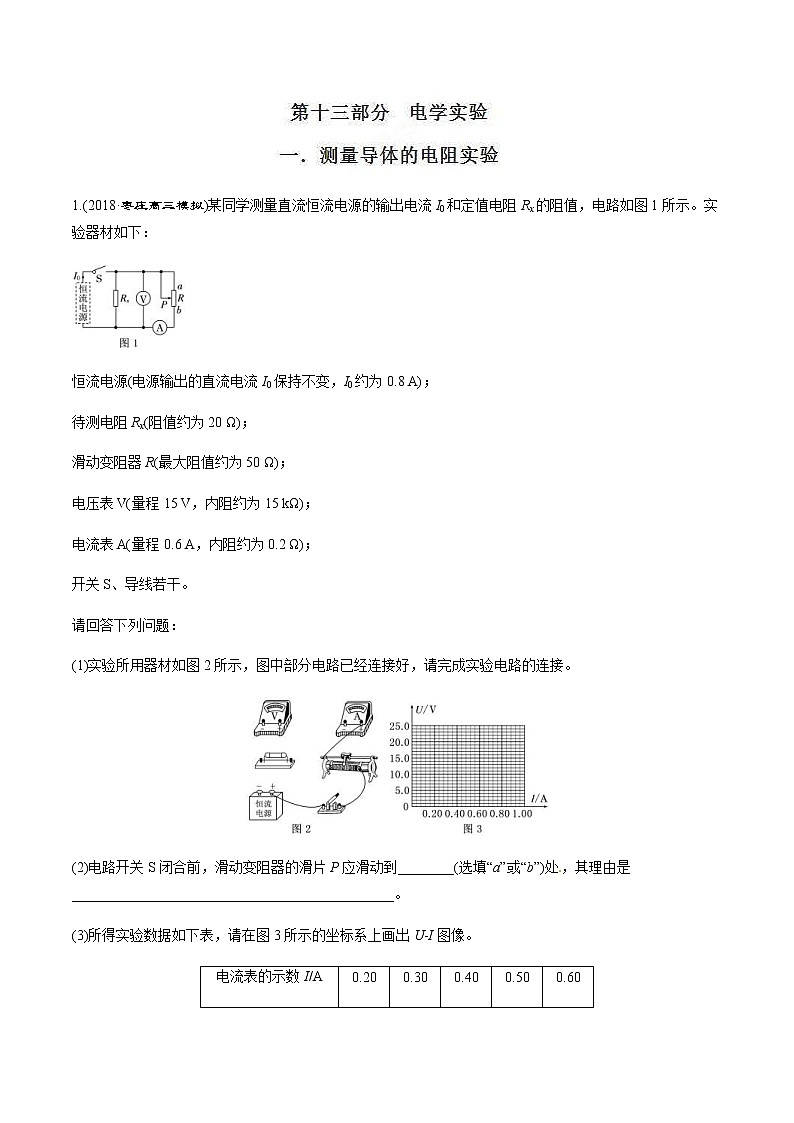
恒流电源(电源输出的直流电流I0保持不变,I0约为0.8 A);
待测电阻Rx(阻值约为20 Ω);
滑动变阻器R(最大阻值约为50 Ω);
电压表V(量程15 V,内阻约为15 kΩ);
电流表A(量程0.6 A,内阻约为0.2 Ω);
开关S、导线若干。
请回答下列问题:
(1)实验所用器材如图2所示,图中部分电路已经连接好,请完成实验电路的连接。
(2)电路开关S闭合前,滑动变阻器的滑片P应滑动到________(选填“a”或“b”)处,其理由是______________________________________________。
(3)所得实验数据如下表,请在图3所示的坐标系上画出UI图像。
(4)根据所画UI图像,可求得恒流电源输出电流I0=________A,待测电阻的阻值Rx=________Ω。(结果均保留两位有效数字)
【名师解析】(1)连线如图。
(2)电路开关S闭合前,滑动变阻器的滑片P应滑动到a处,理由是开关S闭合后,滑动变阻器接入电路的电阻最大,流过电流表的电流不会超过其量程。
(3)图像如图。
(4)由(3)中图像可知,当U=0时,可得恒流电源输出电流I0=0.90 A;当I=0时,此时电流都通过Rx,则有I0Rx=18.0 V,解得Rx=20 Ω。
【参考答案】 (1)见解析图
(2)a 开关S闭合后接入电路的阻值最大,流过电流表的电流不会超过其量程
(3)见解析图
(4)0.90 20
2.(2018江西赣中南五校联考)现要测量一个未知电阻 Rx 阻值,除 Rx 外可用的器材有:
多用电表(仅可使用欧姆挡);
一个电池组 E(电动势 6 V);
一个滑动变阻器 R(0~20 Ω,额定电流 1 A);
两个相同的电流表 G(内阻 Rg=1 000 Ω,满偏电流Ig=100 μA);
两个标准电阻(R1=29 000 Ω,R2=0.1 Ω);
一个电键 S、导线若干。
①为了设计电路,先用多用电表的欧姆挡粗测未知电阻,采用“×10”挡,调零后测量该电阻, 发现指针偏转非常大,最后几乎紧挨满偏刻度停下来,下列判断和做法正确的是( ) (填字母代号)。
A.这个电阻阻值很小,估计只有几欧姆
B.这个电阻阻值很大,估计有几千欧姆
C.如需进一步测量可换“×1”挡,调零后测量
D.如需进一步测量可换“×1 k”挡,调零后测量
②根据粗测的判断,设计一个测量电路,要求测量尽量准确并使电路能耗较小,画出实验电路图,并将各元件字母代码标在该元件的符号旁。
【参考答案】①AC②如图所示
3.(10分) (2018河北衡水六调)用伏安法测定一个待测电阻Rx的阻值(阻值约为200Ω),实验室提供如下器材:
电源E:电动势3V,内阻忽略不计;
电流表A1:量程0~15mA,内阻约为100Ω;
电流表A2:量程0~300μA,内阻为1000Ω;
电压表V:量程15V,内阻约15kΩ;
滑动变阻器R1:阻值范围0~20Ω;
定值电阻R2:阻值为9000Ω;
开关S、导线若干。
(1)(2分)在实验中要求尽可能准确地测量Rx的阻值,选择的电表为 (填写器材代号)。[来源:学科
(2)(4分)在图甲虚线框中画出完整测量Rx阻值的电路图,并在图中标明器材代号。
(3)(4分)调节滑动变阻器R1,两表的示数如图乙所示,可读出电流表A1的示数是 mA,电流表A2的示数是 μA。
【参考答案】(1)A1 A2 (2)电路如图所示。 (3)8 150
【命题意图】 本题考查伏安法测量电阻实验及其相关的知识点。
4(8分)(2018洛阳一模)某兴趣小组要精确测定额定电压为3 V的节能灯正常工作时的电阻。已知该灯正常工作时电阻约500 Ω。实验室提供的器材有:
A.电流表A(量程:0~3 mA,内阻RA=15 Ω)
B.定值电阻R1=1 985 Ω
C.滑动变阻器R(0~10 Ω)
D.电压表V(量程:0~12 V,内阻RV=1 kΩ)
E.蓄电池E(电动势为12 V,内阻r很小)
F.开关S一个
G.导线若干
(1) 要精确测定节能灯正常工作时的电阻应采用下面电路图中的( )
(2) 选择正确电路进行实验,若电压表的示数用U表示,电流表的示数用I表示,写出测量节能灯电阻的表达式Rx=________(用题目中给的相应字母表示)。当电流表中的电流强度I=________mA时,记下电压表的读数U并代入表达式,其计算结果即为节能灯正常工作时的电阻。
【参考答案】(1) C (2分);(2) (3分) 1.5(3分)
【命题意图】本题考查节能灯正常工作时的电阻测量、电路选择及其相关的知识点。
5.某实验小组计划测量一未知电阻的阻值,已经连接好实物图如图1所示。
(1)请根据实物图在图2所示方框中画出该实验的电路图___________,并标明表示各元件的字母。
(2)图3中电阻箱的读数是________;如果将电阻箱的阻值由10.0调节到9.00,应_____________。
①先使电阻箱阻值调至如图3所示,再将S2接到A,闭合S1,记录下对应的电压表示数为2.20V,然后断开S1;
②保持电阻箱示数不变,将S2切换到B,闭合S1,此时电压表的读数为2.80V,然后断开S1,不计电源内阻,电压表可视为理想电表,据此可知,定值电阻R1的阻值为________。(计算结果保留3位有效数字)。
【参考答案】(1)电路图如图所示
;
(2)20.00; 先将“×1”档调到9,再将“×10”档调到0; 5.45;
【名师解析】(1)根据实物图画出实验的电路图如图;
(2)图3中电阻箱的读数是20.00;如果将电阻箱的阻值由10.0调节到9.00,应先将“×1”档调到9,再将“×10”档调到0。
(3)由题意可知,电阻箱R与定值电阻R1两端的电压之比为:2.2:(2.8-2.2)=11:3;可得 解得
R1=
6.(2017黄冈质检)某同学用如图(a)所示的实验电路来测量未知电阻Rx的阻值.将电阻箱接入a、b之间,闭合电键S,适当调节滑动变阻器R′后保持滑片位置不变,改变电阻箱的阻值R,得到多组电压表的示数U与R的数据,并绘出的U-R图象如图(b)所示.
[来源:学_科_网]
(1)请用笔画线代替导线,根据电路图在图(c)中画出缺少的两根导线.
(2)用待测电阻Rx替换电阻箱,读得电压表示数为5.0V,利用图(b)中的U-R图象可得Rx= Ω.(保留两位有效数字).
(3)使用较长时间后,电源的电动势可认为不变,但其内阻增大,若仍使用该装置和图(b)中的U-R图象来测定某一电阻,则测定结果将 (选填“偏大”、“偏小”或“不变”) .若仍想使用该电路和(b)中测绘的U-R关系图像测量电阻,则需对电路进行简单修正:将电阻箱的阻值调到10Ω,并接入a、b之间,调整滑动变阻器滑片的位置,使电压表示数为
V,之后保持滑动变阻器阻值不变,即可用原来的方法继续测量电阻.
【参考答案】(1)见右图
(2分)
(2)25 (3分)
(3)偏小,4.0 (每空2分)
7.(2016·广东四校联考)(9分)图甲是测量电阻Rx的原理图,电流表量程选0.6 A,标有长度刻度的均匀电阻丝ab的总电阻为5 Ω,总长为50.0 cm。
图甲
(1)根据原理图连接图乙的实物图。
图乙
(2)如图甲所示,合上S1前,应将滑片P置于________(填“d”或“e”)端。
(3)断开S2,合上S1,调节滑动变阻器的滑片P,使电流表A1的示数为0.50 A时,单位长度电阻丝的电压u=________V/m。
(4)保持S1闭合,合上S2;滑动c改变ac的长度L,同时调节滑动变阻器的滑片P,使电流表A1的示数为0.50 A;①若电流表内阻不计,c点在ab的中点时,电流表A2的示数为0.50 A,则Rx=________;②若电流表的内阻不能忽略,测量多组L和I2值,描出L与I2的图线如图丙所示所示,从实验原理角度说明图线不过原点的原因是________________________________________________________________________;若L-I2图线斜率为k,电流表A1和A2的内阻均为RA,则电阻Rx=________(用“u、RA、k”表示)。
图丙
【参考答案】(1)如图 (2)d (3)5
(4)2.5 Ω 电流表A1有内阻 ku-RA
8.(10分)(2016高考浙江理综物理).某同学用伏安法测量导体的电阻,现有量程为3 V、内阻约为3 kΩ的电压表和量程为0..6 A、内阻约为0.1 Ω的电流表。采用分压电路接线,图1是实物的部分连线图,待测电阻为图2中的R1,其阻值约为5 Ω。
(1)测R1阻值的最优连接方式为导线①连接______(填a或b)、导线②连接______(填c或d)。
(2)正确接线测得实验数据如表,用作图法求得R1的阻值为______Ω。
(3)已知图2中R2与R1是材料相同、厚度相等、表面为正方形的两导体,R2的边长是R1的,若测R2的阻值,则最优的连线应选_____(填选项)。
A.①连接a,②连接c B.①连接a,②连接d
C.①连接b,②连接c D.①连接b,②连接d
【参考答案】
(1)a、d
(2)作图见右,4.4~4.7
(3)B
9. (8分)(2016福建模拟)某同学用如图(a)所示的实验电路来测量电阻的阻值。适当调节滑动变阻器R′后保持其滑片位置不变,将电阻箱接入a、b之间,闭合电键S, 改变电阻箱的阻值R,得到一组电压表的示数U与R的数据,在U-R坐标系中绘出的U-R图像如图(b)所示。
(1)请用笔画线根据电路图在图(c)中画出缺少的两根导线。
(2)(单选)在电路研究中常用某两个物理量间的关系图像来描述某个元件或某段电路的特征,图(b)中的图线反映的是( )
A.电源的特征
B.电阻箱的特征
C.a、b两点间这段电路的特征
D.待测电阻的特征
(3)用待测电阻Rx替换电阻箱,读得电压表示数为5.0V,利用图(b)中的U-R图线可得Rx=_________Ω。
(4)使用较长时间后,电源的电动势可认为不变,但其内阻增大,若仍使用该装置和图(b)中的U-R图像来测定某一电阻,则测定结果将___________(选填“偏大”或“偏小”)。
【参考答案】(8分)(1)(见右图)
(2)C(3)25.0(4)偏小
10.(1)如图甲所示的三把游标卡尺,它们的游标尺从上至下分别为9 mm长10等分、19 mm长20等分、49 mm长50 等分,它们的读数依次为_______ mm、________ mm、________ mm。
(2)使用螺旋测微器测量金属丝的直径,示数如图乙所示,则金属丝的直径是________ mm。
(3)①如图丙所示的电表使用0.6 A量程时,对应刻度盘上每一小格代表________ A,图中表针示数为________ A;当使用3 A量程时,对应刻度盘中每一小格代表__________ A,图中表针示数为__________ A。
②如图丁所示的电表使用较小量程时,每小格表示________ V,图中表针的示数为________ V。若使用的是较大量程,则这时表盘刻度每小格表示________ V,图中表针示数为________ V。
(4)旋钮式电阻箱如图戊所示,电流从接线柱A流入,从B流出,则接入电路的电阻为________ Ω。今欲将接入电路的电阻改为2 087 Ω,最简单的操作方法是________________________________。若用两个这样的电阻箱,可得到的电阻值范围为________。
【名师解析】(1)最上面图读数:整毫米是17,不足1毫米数是7×0.1 mm=0.7 mm,最后结果是17 mm+0.7 mm=17.7 mm。
中间图读数:整毫米是23,不足1毫米数是17×0.05 mm=0.85 mm,最后结果是23 mm+0.85 mm=23.85 mm。
最下面图读数:整毫米是3,不足1毫米数是9×0.02 mm=0.18 mm,最后结果是3 mm+0.18 mm=3.18 mm。
②电压表使用3 V量程时,每小格表示0.1 V,表针示数为1.70 V;使用15 V量程时,每小格表示0.5 V,表针示数为8.5 V。
(4)电阻为1 987 Ω,最简单的操作方法是将“×1 k”旋钮调到2,再将“×100”旋钮调到零。每个电阻箱的最大阻值是9 999 Ω,用这样的两个电阻箱串联可达到的最大电阻是2×9 999 Ω=19 998 Ω。故用两个这样的电阻箱,可得到的电阻值范围为0~19 998 Ω。
【参考答案】(1)17.7 23.85 3.18 (2)2.150
(3)①0.02 0.44 0.1 2.20 ②0.1 1.70 0.5 8.5
(4)1 987 将“×1 k”旋钮调到2,再将“×100”旋钮调到零
0~19 998 Ω
11.为了测量某待测电阻Rx的阻值(约为 30 Ω),有以下一些器材可供选择。
电流表(量程0~50 mA,内阻约10 Ω);
电流表(量程0~3 A,内阻约0.12 Ω);
电压表(量程0~3 V,内阻很大);
电压表(量程0~15 V,内阻很大);
电源E(电动势约为3 V,内阻约为0.2 Ω);
定值电阻R(20 Ω,允许最大电流1.0 A);
滑动变阻器R1(0~10 Ω,允许最大电流2.0 A);
滑动变阻器R2(0~1 kΩ,允许最大电流0.5 A);
单刀单掷开关S一个,导线若干。
(1)电流表应选________,电压表应选________,滑动变阻器应选________。(填字母代号)
(2)请在下面的虚线框内画出测量电阻Rx的实验电路图。(要求所测量范围尽可能大)
(3)某次测量中,电压表示数为U时,电流表示数为I,则计算待测电阻阻值的表达式为Rx=________。
[来源:学+科+网Z+X+X+K]
(3)根据欧姆定律可得Rx=eq \f(U,I)-R。
【参考答案】(1) R1 (2)见解析图 (3)eq \f(U,I)-R
电流表的示数I/A
0.20
0.30
0.40
0.50
0.60
电压表的示数U/V
13.9
12.1
10.2[来源:ZX]
7.6
6.1
相关试卷
这是一份高考物理二轮考点精练专题12.12《组合实验》(含答案解析),共7页。
这是一份高考物理二轮考点精练专题17.17《理想实验》(含答案解析),共8页。试卷主要包含了理想实验等内容,欢迎下载使用。
这是一份高考物理二轮考点精练专题13.9《与磁场相关的电学创新实验》(含答案解析),共7页。试卷主要包含了00等内容,欢迎下载使用。

