2021届高考化学黄金预测卷 新高考版 江苏地区专用
展开2021届高考化学黄金预测卷 新高考版 江苏地区专用
一、单选题
1.新材料的发展充分体现了“中国技术”“中国制造”和“中国力量”。下列成果所涉及的材料为金属材料的是( )
A.“天问一号”火星探测器太阳翼的材料——石墨纤维复合聚酰胺薄膜
B.“太阳能路灯计划”使用的太阳能电池的材料——砷化镓
C.“领雁”AG50飞机主体结构的复合材料——玻璃纤维复合材料
D.“天宫二号”航天器使用的质量轻、强度高的材料——钛合金
2.下列化学用语正确的是( )
A.碳原子的核外电子轨道表示式:
B.甲基的电子式为:
C.丙烷的比例模型:
D.氮分子的结构式:
3.下列实验操作或装置中正确的是( )
A. B.
C. D.
4.下列表示对应化学反应的离子方程式正确的是( )
A.少量二氧化硫通入漂白粉溶液中:
B.酸性碘化钾溶液中滴加适量双氧水:
C.氢氧化钡溶液与硫酸铜溶液反应:
D.向饱和碳酸钠溶液中通入二氧化碳:
5.工业合成三氧化硫的反应为,反应过程可用下图模拟(代表分子,代表分子,代表催化剂)。下列说法正确的是( )
A.过程Ⅰ和过程Ⅳ决定了整个反应进行的程度
B.过程Ⅱ为放热反应,过程Ⅲ为吸热反应
C.1 mol 和1 mol反应,放出的热量小于99 kJ
D.催化剂可降低整个反应的活化能,因此使减小
6.我国科学家发现一种可用于制造半导体材料的新物质,其结构如图所示,X、Y、Z、W为原子序数依次增大的短周期主族元素,Z、Y处于同一主族,下列说法中正确的是( )
A.原子半径:W>Z>Y>X
B.简单氢化物的稳定性:Z>Y
C.W、Z形成的化合物中各原子最外层均满足8电子稳定结构
D.W的氧化物对应的水化物为强电解质
7.阅读下列资料,完成1~3题:为了保护环境,工业废水、废气、废渣在排放前必须经过一定的处理。对于一些具有还原性的物质,常用强氧化剂进行处理,使其转化为对环境无害或可回收利用的物质。
1.工业上用发烟将潮湿的氧化为棕色的烟,来除去Cr(Ⅲ),中部分氯元素转化为最低价态。下列说法中错误的是( )
A.中Cr元素显+6价
B.HClO属于强酸,该反应还生成了另一种强酸
C.该反应中,参加反应的氧化剂与氧化产物的物质的量之比为3:8
D.该反应离子方程式为
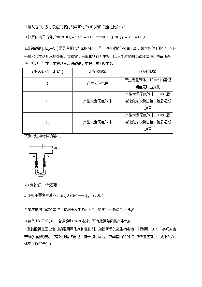
2.高铁酸钠是具有紫色光泽的粉末,是一种高效绿色强氧化剂,碱性条件下稳定,可用于废水和生活用水的处理。实验室以石墨和铁钉为电极,以不同浓度的NaOH溶液为电解质溶液,控制一定电压电解制备高铁酸钠,电解装置和现象如下:
阴极区现象
阳极区现象
1
产生无色气体
产生无色气体,10 min内溶液颜色无明显变化
10
产生大量无色气体
产生大量无色气体,3 min后溶液变为浅紫红色,随后逐渐加深
15
产生大量无色气体
产生大量无色气体,1 min后溶液变为浅紫红色,随后逐渐加深
下列说法中错误的是( )
A.a为铁钉,b为石墨
B.阴极主要发生反应:
C.高浓度的NaOH溶液,有利于发生
D.制备时,若用饱和NaCl溶液,可有效避免阳极产生气体
3.重铬酸钾是工业合成的常用氧化剂和催化剂,如图所示的微生物电池,能利用实现对含苯酚(或醛类)废水的有效处理该电池工作一段时间后,中间室内的NaCl溶液浓度减小,则下列叙述中正确的是( )
A.a电极为负极,电子从a电极经过中间室到达b电极
B.M为阳离子交换膜,处理废水过程中中间室内的减小
C.处理含苯甲醛废水时a电极反应式为
D.当b电极消耗等物质的量的时,a电极消耗的的物质的量之比为1:1
8.在中国古代,雌黄经常用来修改错字,其结构如图所示。下列说法错误的是( )
A.As原子的杂化方式为
B.简单氢化物的沸点:
C.与As同周期且基态原子核外未成对电子数目与As相同的元素只有V
D.已知分子中各原子均满足8电子结构,分子中键和键的个数比为3:1
9.炔烃的聚合反应在有机合成中具有重要的意义,苯乙炔在某催化剂作用下发生聚合反应时的选择性如图所示(Ph为苯基),下列说法中不正确的是( )
A.图中所示的二聚苯乙炔分子中,所有原子可能在同一平面上
B.图中所示苯乙炔的二聚体都可以发生氧化、加成、加聚反应
C.在题中使用的催化剂条件下,苯乙炔三聚时形成偏位结构较均位结构更容易
D.根据反应机理推测,苯乙炔三聚时,可以形成连位结构
10.℃时,将溶液分别滴加到10.00 mL 0.1KCl、10.00 mL 0.1溶液中,溶液体积与(X为或)的变化关系如图所示(忽略溶液体积变化)。下列说法正确的是( )
A.曲线表示与(溶液)的变化关系
B.℃时,铬酸银的溶度积常数为
C.若仅将改为0.05,则曲线中点移到点
D.点溶液中:
11.研究反应:。温度T时,在两个体积均为1 L的密闭容器中进行实验,测得气体混合物中碘化氢的物质的量分数与反应时间t的关系如表:
容器编号
起始物质
0
20
40
60
80
100
Ⅰ
、
0
50
68
76
80
80
Ⅱ
100
91
84
81
80
80
研究发现上述反应中,,其中为常数。下列说法正确的是( )
A.温度为T时该反应的
B.容器Ⅰ中前20 min的平均速率
C.若起始时,向容器I中加入物质的量均为0.1 mol的,反应逆向进行
D.若两容器中,且则x的值一定为1
二、填空题
12.钒钢具有高强度、弹性优良、抗磨损、抗冲击等性能,可用于汽车和飞机制造。一种从石煤(含、和少量)中提取的流程如下:
已知:
离子
P204+TBP+煤油中的溶解度
很大
较小
0
很大
请回答下列问题:
(1)“酸浸”时,为提高浸出速率,除适当增加硫酸浓度、减小石煤矿粉粒径外,还可采取的措施有_____________(任写一个);生成的离子方程式为______________。
(2)从整体流程来看,“还原”的目的为___________________。
(3)实验室模拟“萃取”时,需用到的玻璃仪器有__________________。
(4)“氧化”时发生反应的离子方程式为________________。
(5)上述流程中可以循环利用的物质有_________________。
(6)全钒液流储能电池的工作原理为:。
①充电时,阳极的电极反应式放电为__________________。
②两极区被质子交换膜隔开,放电时,若外电路转移2 mol ,则正极区溶液中_____________(填“增加”或“减少”)mol。
13.H是合成某药物的中间体,一种合成H的路线如下(部分条件和产物省略):
已知:①;
②A能发生银镜反应,遇溶液发生显色反应。
请回答下列问题:
(1)A所含官能团的名称是___________________________。1个H分子含___________________个手性碳原子(指与4个各不相同的原子或原子团相连的碳原子)。
(2)D→E的反应条件和试剂为_________________________。F的结构简式是_____________________________。
(3)设计A→B、E→F步骤的目的是_____________________________。
(4)写出B→C的化学方程式:______________________________。
(5)在B的含苯环的同分异构体中,能发生水解反应的结构有_______________________种(不考虑立体异构)。其中,核磁共振氢谱有4组峰且峰面积比为1:2:2:3的结构简式可能为_______________________(写出一种即可)。
(6)参照上述流程,以乙醇为原料合成2-丁醇(其他试剂自选),设计合成路线。
14.以、软锰矿(主要成分,少量Fe、Al、Ca及Pb的化合物等)、氨水及净化剂等为原料可制备溶液和,主要实验步骤如下:
步骤Ⅰ:如图所示装置,将通入装置B中的软锰矿浆液中()。
步骤Ⅱ:充分反应后,在不断搅拌下依次向仪器R中加入适量纯净的,最后加入适量沉铅。
步骤Ⅲ:过滤得溶液。
(1)仪器R的名称是______________________________。
(2)装置A用于制取,反应的化学方程式为_________________________________。
(3)装置B中反应需控制在90~100 ℃,适宜的加热方式是__________。
(4)装置C的作用是____________________________。
(5)“步骤Ⅱ”中加入纯净的目的是___________________________,用调节溶液pH时,需调节溶液pH的范围为________________(该实验条件下,部分金属离子开始沉淀和沉淀完全的pH如表)。
金属离子
开始沉淀的pH
7.04
1.87
3.32
7.56
沉淀完全的pH
9.18
3.27
4.9
10.2
(6)已知:①用空气氧化浊液可制备,主要副产物为MnOOH;反应温度和溶液pH对产品中Mn的质量分数的影响分别如图乙、丙所示。
②反应温度超过80 ℃时,产率开始降低。
③是白色沉淀,呈黑色;、MnOOH中锰的质量分数理论值依次为72.03%、62.5%。请补充完整由步骤Ⅲ得到的溶液,并用氨水等制备较纯净的的实验方案:____________________________________ __________________________________,真空干燥6小时得产品。
15.氮和硫的氧化物是造成大气污染的主要物质。研究它们的反应机理,对于消除环境污染有重要意义。
(1)的反应历程由两步基元反应组成,相关信息如下(为活化能,为反应速率,为速率常数):
_________________,平衡常数与上述反应速率常数的关系式为_________________________。
(2)反应过程中能量变化如图甲所示。在存在时,该反应的机理为;。
下列说法正确的是______________________(填序号)。
a.的质量不影响反应速率
b.若将更换成,也可以催化该反应
c.有催化剂存在时
d增大的浓度可显著提高反应速率
(3)已知反应,某研究小组研究发现不同温度下的平衡中,两个压强对数的关系如图乙所示,实验初始时体系中的相等、相等。
①______________________(填“>”“<”或“=”),温度为时化学平衡常数_______________________ 。
②同一温度下图像呈线性变化的理由是____________________。
参考答案
1.答案:D
解析:本题主要考查化学材料的分类。金属材料指纯金属及它们的合金,只有D选项涉及的钛合金属于金属材料。
2.答案:A
解析:A.碳原子的核外电子排布式为,按洪特规则,2个p电子分别占据2个轨道且自旋方向相同,轨道表示式:,A正确;
B.甲基的电子式为:,B错误;
C.丙烷的球棍模型:,C错误;
D.氮分子的结构式:N≡N,D错误;
答案选A。
3.答案:C
解析:本题考查实验装置和实验操作。移液时需要用玻璃棒引流,A错误;浓硫酸和铜反应后的混合液中硫酸浓度仍较大,若向混合液中倒入水,硫酸溶液稀释放热,可能会使液体飞溅,造成危险,B错误;浓盐酸和高锰酸钾混合产生黄绿色的氯气,说明高锰酸钾的氧化性强于氯气,氯气进入硫化钠溶液,反应生成硫单质,现象为产生黄色沉淀,说明氯气的氧化性强于硫,C正确;乙醇在浓硫酸作用下发生消去反应需要控制温度为170℃,题图装置缺少温度计,且题图方法制得的乙烯中混有杂质,需除杂后再用溴水检验,故D错误。
4.答案:B
解析:本题考查离子方程式的正误判断。A项,少量通入漂白粉溶液中的离子方程式为,错误;B项,酸性溶液中,被双氧水氧化为,离子方程式为,正确;C项,硫酸铜溶液与氢氧化钡溶液反应的离子方程式为,错误;D项,碳酸氢钠的溶解度小于碳酸钠的溶解度,向饱和溶液中通入,有碳酸氢钠晶体析出,其离子方程式为,错误。
5.答案:C
解析:由图可知过程Ⅲ是旧键的断裂,过程Ⅲ是新键的生成,则过程Ⅱ和过程Ⅲ决定了整个反应进行的程度,A项错误;过程Ⅱ是旧键的断裂,是吸热过程,过程Ⅲ是新键的生成,是放热过程,B项错误;该反应为可逆反应,1 mol 和1 mol不能完全反应,故放出的热量小于99 kJ,C项正确;催化剂可降低反应的活化能,但不影响,D项错误。
6.答案:C
解析:本题考查元素推断及元素周期律。由题意知,X、Y、Z、 W为原子序数依次增大的短周期主族元素,Y、Z为同主族元素,再结合题给结构知,Y、Z均形成四个单键,则Y、Z均为第ⅣA族元素,即Y为C元素,Z为Si元素;X、W均只形成一个单键,则可能为第ⅠA族或第ⅦA族元素,结合原子序数关系可知,X为H元素、W为Cl元素。原子半径:Si>Cl>C>H,A错误;元素的非金属性越强,简单氢化物的稳定性越强,由于非金属性:C>Si,则稳定性:,B错误;的电子式为,每个原子最外层均满足8电子稳定结构,C正确;Cl有多种氧化物,其对应的水化物不一定是强电解质,如HClO是弱电解质,D错误。
7.答案:1.D
2.D
3.C
解析:1.本题考查氧化还原反应计算以及方程式的书写与判断。中O为-2价、Cl为+7价,则根据化合物中各元素正负化合价代数和等于0,可知Cr元素化合价为+6价,A正确;Cl元素非金属性较强,属于强酸,将氧化为棕色的,中部分氯元素被还原成最低价态,化学方程式为,生成的HCl也属于强酸,B正确;该反应在酸性条件下进行,根据得失电子守恒、电荷守恒及原子守恒,可得该反应的离子方程式为
,氧化剂为,还原剂为,为氧化产物,Cr元素的化合价由+3价升至+6价,中C1元素变价部分的化合价由+7价降至-1价,根据得失电子守恒,氧化剂与氧化产物的物质的量之比为3:8,C正确,D错误。
2.本题考查电化学知识。NaOH溶液浓度较大时,阴、阳极产生大量无色气体,溶液颜色变为浅紫红色,由此可知,铁钉为阳极、石墨为阴极。阴极上水放电生成氢气;当NaOH溶液的浓度很大时,阳极上既有氢氧根离子放电生成氧气,又有铁被氧化为。a为铁钉,b为石墨,A正确;阴极主要发生的电极反应是,B正确;高浓度的NaOH溶液,有利于发生,C正确;制备时,若用饱和NaCl溶液,阳极上氯离子会放电产生氯气,D错误。
3.本题考查电化学综合知识。根据电池装置图可知, a极上苯酚或苯甲醛反应生成,碳元素化合价升高,发生氧化反应,故a极为负极,电子从a电极经过导线到达b电极,A错误;a极为负极,电极反应为(若为醛类废水,电极反应类似,也反应产生和),由于该装置的目的是实现对含苯酚(或醛类)废水的有效处理,故a极产生的应迁移到中间室,b极为正极,电极反应为,存在平衡:,过大时,易转化为,故b极产生的应迁移到中间室,M应为阳离子交换膜,N应为阴离子交换膜,反应生成水导致中间室NaCl溶液浓度减小,中间室内不变,B错误;处理含苯甲醛废水时,苯甲醛中碳原子失电子,化合价升高,生成,根据元素守恒和电荷守恒可得,电极反应式为,C正确;b极上,中铬元素化合价降低,生成,每消耗1 mol,转移6 mol电子,当转移6 mol电子时,根据电极反应式、可知,消耗的和的物质的量之比为,D错误。
8.答案:C
解析:由雌黄的结构可知,黑球代表As,白球代表S,雌黄 中砷原子形成3个单键,有1个孤电子对,采用杂化,A项正确;和均为分子晶体,其沸点高低与相对分子质量的大小有关,但因氨气分子间存在氢键导致其沸点偏高,B项正确;基态As原子核外电子排布式为,未成对电子数为3,与其同周期且基态原子核外未成对电子数目相同的元素有V(核外电子排布式为)、Co(核外电子排布式为),C项错误;分子中各原子均满足8电子结构,则其结构式为F,单键均为键,1个双键中有1个键、1个键,该分子中键和键的个数比为3:1,D项正确。
9.答案:D
解析:本题考查官能团的性质、有机反应机理探究等。图中所示产物中的前两种为苯乙炔的二聚体,后两种为苯乙炔的三聚体。苯环和碳碳双键为平面结构,碳碳三键为直线形结构,碳碳单键可旋转,二聚苯乙炔分子中,所有原子可能在同一平面上, A正确;苯乙炔的二聚体都含有碳碳三键和碳碳双键,均可以发生氧化、加成、加聚反应,B正确;在题中使用的催化剂条件下,苯乙炔三聚时形成偏位结构的概率为14%,形成均位结构的概率为3%,说明形成偏位结构较均位结构更容易,C正确;根据反应机理推测,苯乙炔三聚时,不可能出现三个连有苯环的碳原子相邻的结构,因此不可能形成连位结构,D错误。
10.答案:B
解析:本题考查水溶液中的离子平衡。KCl和硝酸银反应的化学方程式为,铬酸钾和硝酸银反应的化学方程式为,根据化学方程式可知向等浓度等体积的KCl和溶液中滴加相同浓度的硝酸银溶液,氯离子浓度减小得更快,所以代表与(溶液)的变化关系,A错误;℃时,点加入的溶液的体积为20 mL,恰好完全反应生成,点对应纵坐标的数值是40,则在沉淀溶解平衡中,,,B正确;若仅将改为,则加入的溶液的体积为10 mL时恰好完全反应生成,温度不变不变,,正确的对应的横坐标数值为10,纵坐标数值是4.0,C错误;点加入的硝酸银溶液体积是15 mL,根据化学方程式可知,溶液中含0.001 mol硝酸钾、0.0005 mol硝酸银,则,银离子水解使溶液表现酸性,则,所以点溶液中:,D错误。
11.答案:D
解析:温度为T时该反应的,A错误;容器Ⅰ中前,则物质的量为0.5 mol,故平均速率,B错误;容器Ⅰ平衡时浓度分别为、、,,若起始时,向容器Ⅰ中加入物质的量均为0.1 mol的,,正反应速率大于逆反应速率,平衡正向进行,C错误;若两容器中且则为恒容条件下的等效平衡,且容器Ⅰ、Ⅱ的正反应速率、逆反应速率相等,则x的值一定为1,D正确。
12.答案:(1)适当升高反应温度、适当增大通入量、搅拌(其他合理答案均可,任写一条);
(2)将还原为、还原为,利于后续萃取分离
(3)分液漏斗、烧杯
(4)
(5)P204+TBP+煤油、(或)
(6)①
②减少;2
解析:本题考查工艺流程分析,涉及无机物的制备、工艺条件的选择、氧化还原反应、电化学、物质分离提纯方法的选择、实验操作等。
(1)由流程图可知,“酸浸”时需加入,为加快反应速率,除了适当增加硫酸浓度、减小石煤矿粉粒径外,还可适当升高反应温度适当增大通入量、搅拌等;分析石煤成分知,被氧化生成,离子方程式为。
(2)分析流程图及表格信息可知,与在P204+TBP+煤油中的溶解度很大,而在萃取剂中的溶解度较小甚至不溶,要除去含铁杂质并尽可能提取含钒元素,可将还原为、将还原为,然后萃取分离。
(3)“萃取”操作中,需用到的玻璃仪器有分液漏斗、烧杯。
(4)“氧化”过程为将氧化为,反应的离子方程式为。
(5)由流程图可知,该流程进行了“萃取”与“反萃取”,故萃取剂P204+TBP+煤油可循环使用,另外“热解”产生的可配制成溶液,用于“沉钒”操作。
(6)①充电时阳极发生氧化反应,观察题给工作原理知,充电时发生氧化反应,故阳极电极反应式为。
②放电时正极发生还原反应,电极反应式为,负极发生氧化反应,电极反应式为,故当外电路转移2 mol时,正极反应消耗4 mol,为保持溶液呈电中性,负极区有2 mol通过质子交换膜移向正极区,故正极区溶液中将减少2 mol。
13.答案:(1)羟基、醛基;1
(2)/Cu;加热;
(3) 保护酚羟基
(4)
(5)6;(写出任意一种即可)
(6)
解析:本题考查有机合成与推断,涉及反应类型判断、符合条件的同分异构体的书写、合成路线的设计等。
(1)A能发生银镜反应,遇溶液发生显色反应,说明分子中含醛基、酚羟基,结合其分子式为可知,A为;1个H分子含有1个手性碳原子,如图所示(星号所标记的碳原子)。
(2)对比D、E结构,D中醇羟基经催化氧化转化成E中羰基,反应的试剂是氧气,条件是在铜催化下加热;E与HI反应生成F,F能与碱反应,说明F有活泼氢,F为。
(3)对比A和B、E和F的结构可知,设计A→B、E→F步骤的目的是保护酚羟基。
(4)对比B、C的结构简式,结合已知信息①可推出试剂R为,可得B-+C的化学方程式。
(5)B的含苯环的同分异构体可以发生水解,说明分子中还含有酯基,含有酯基的同分异构体有6种,分别为、(两个取代基可分别处于邻、间对三种位置);其中核磁共振氢谱有4组峰,且峰面积比为1:2:2:3的有3种,分别为。
(6)以乙醇为原料制备2-丁醇,首先将乙醇氧化为乙醛,再将乙醇与HCl反应生成,乙醛和在Mg/乙醚的条件下发生已知信息①的反应,后经过水解生成目标产物,由此可得具体的路线。
14.答案:(1)三颈烧瓶
(2)
(3)用90~100℃的热水浴加热
(4)吸收未反应的,防止污染环境
(5)将氧化为;4.9≤pH<7.56
(6)将滤液加热并保温在60~80℃,用氨水调节溶液pH并维持在8~9;在不断搅拌下,边通空气边滴加氨水,直至有大量黑色沉淀生成,静置,在上层清液中再滴加氨水至无沉淀;过滤,洗涤沉淀直至洗涤液中检测不出
解析:本题为实验综合题,涉及无机物的制备、实验方案的设计评价、实验条件的选择等。
(1)由仪器构造可知仪器R的名称是三颈烧瓶。
(2)装置A中亚硫酸钠固体和硫酸反应生成硫酸钠、水和,化学方程式为。
(3)由于需要控制温度在90~100℃,所以适宜的加热方式是用90~100℃的热水浴加热。
(4)装置C中盛有NaOH溶液,可吸收未反应的,防止污染环境。
(5)沉淀完全的pH为9.18,此时也部分沉淀,为避免沉淀,除杂过程中先加入纯净将氧化为;用调节溶液pH,使沉淀完全,而不沉淀,由题表知,需调节溶液pH的范围为4.9≤pH<7.56。
(6)由产物中的Mn质量分数变化图可知,应选择的反应条件是60~80℃,溶液pH为8~9。实验方案设计为将滤液加热并保温在60~80℃,用氨水调节溶液pH并维持在8~9;在不断搅拌下,边通空气边滴加氨水,直至有大量黑色沉淀生成,静置,在上层清液中再滴加氨水至无沉淀;过滤,洗涤沉淀直至洗涤液中检测不出。
15.答案:(1)-113;
(2)bd
(3)①<1; ②反应过程中气体分子总数不变,改变压强平衡不移动
解析:本题考查反应热、化学平衡影响因素及相关计算等。
(1)分别给四个反应编号为①②③④,根据①②可求得(编号为⑤)的焓变,同理由③④可求得(编号为⑥)的。根据盖斯定律可知,总反应可由⑤+⑥得到,则总反应,平衡常数,反应达到平衡时,,所以,,则有。
(2)由反应机理可得,是该反应的催化剂,该反应为气体反应,反应速率主要取决于催化剂的表面积,但与其质量也有一定关系,a错误;可与反应转化为,可催化反应,b正确;催化剂存在时反应的焓变不受影响,故,c错误;氧气是慢反应的反应物,增大的浓度可显著提高慢反应速率,进而加快反应速率,d正确。
(3)①时,由点知,平衡时、,则化学平衡常数,时,由题图知,平衡时、,P(SO3)=10,则平衡常数,该反应,温度越高越小,故;②同一温度下图像呈线性变化的理由是该反应反应过程中气体分子总数不变,改变压强平衡不移动。
2021届高考化学黄金预测卷 新高考版 山东地区专用: 这是一份2021届高考化学黄金预测卷 新高考版 山东地区专用,共20页。试卷主要包含了单选题,多选题,填空题,问答题等内容,欢迎下载使用。
2021届高考化学黄金预测卷 新高考版 福建地区专用: 这是一份2021届高考化学黄金预测卷 新高考版 福建地区专用,共15页。试卷主要包含了单选题,填空题,问答题等内容,欢迎下载使用。
2021届高考化学黄金预测卷 新高考版 辽宁地区专用: 这是一份2021届高考化学黄金预测卷 新高考版 辽宁地区专用,共18页。试卷主要包含了单选题,填空题,问答题等内容,欢迎下载使用。

