重庆市2020届九年级初中学业水平暨高中招生考试物理试卷(B卷)
展开注意事项:
1. 试题的答案书写在答题卡上,不得在试卷上直接作答。
2 . 作答前认真阅读答题卡上的注意事项。
考试结束,由监考人员将试题和答题卡一并收回。
4. 全卷取g=10Nkg,水的密度ρ=1.0x10 kg/m3
一、选择题(本题共8个小题,每小题只有一个选项最符合题意,每小题3分,共24分。)
1.下列物理量最接近实际的是( ) B
A.人体的正常体温约42℃ B.一个实心球的重力约20N
C.中学生的手掌宽度约40cm D.我国家庭电路的电压约22V
2.下列事例描述正确的是( ) A
A.仙女山大草原的积雪慢慢熔化,需要吸收热量
B.衣柜中的樟脑丸逐渐变小,是发生了凝华现象
C.将“便利贴”贴在作业纸上,利用了分子间的斥力
D.严冬,人们搓手取暖是利用热传递来增加手掌内能
3.如图1所示的事例,由于光的直线传播形成的是( )D
4.下列说法中,正确的是( )B
A.长期不使用的电视机,不用切断电源
B.发现有人触电,应立即断开电源总开关
C.小磁针的N极和磁铁的S极相互排斥
D.通电螺线管两端的极性跟电流方向无关
5.如图2所示,下列描述正确的是( )C
图甲中,滑冰运动员潜行过程中没有惯性
图乙中,压住粉笔写字是为了减小摩擦力
图丙中,园艺工人修剪花技的剪刀属于省力杠杆
图丁中,飞机起飞利用了空气流速大压强大的原理
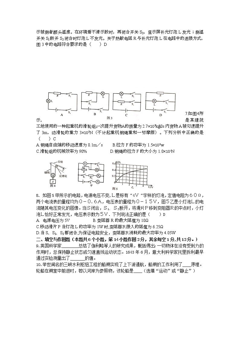
6.某种电子测温枪测靠近被测者额头,闭合测温开关S1,只有热敏电阻R工作,测温枪显示被测者额头温度。在环境看不清示数时,再闭合开关S2,显示屏补光灯泡L发光;测温开关S1断开S2闭合时灯泡L不发光。关于热敏电阻R与补光灯泡L在电路中的连接方式,图3中的电路符合要求的是( )D
7.如图4所示,是某建筑工地使用的一种起重机的滑轮组。一次提升货物A的质量为2.7×103kg,30s内货物A被匀速提升了3m,动滑轮的重力3×103N(不计起重机钢绳重和一切摩擦)。下列分析中正确的是( )C
A.钢绳自由端的移动速度为0.1m/s B.拉力F的功率为1.5×103w
C.滑轮组的机械效率为90% D.钢绳的拉力F的大小为1.0×104N
如图5甲所示的电路,电源电压不变,L是标有“4V“字样的灯泡,定值电阻为60Ω,两个电流表的量程均为0-0.6A,电压表的量程为0-15V,图5乙是小灯泡L的电流随其电压变化的图像。当S闭合,S1、 S2断开,将滑片P移到变阻器R的中点时,小灯泡L恰好正常发光,电压表示数为5V.下列说法正确的是( )D
电源电压为5V B.变阻器R的最大阻值为10Ω
C.移动滑片P当灯泡L的功率为1W时,变阻器R接入的阻值为6.25Ω
D.当S、S1、S2都闭合,为保证电路安全,变阻器R消耗的最大功率为4.05W
二、填空与作图题(本题共6个小题,第14小题作图2分,其余每空1分,共12分。)
9.英国科学家 总结了伽利略等人的研究成果,概括得出:一切物体在没有受到力的作用时,总保持静止状态或匀速直线运动状态。1643年6月,意大利科学家托里拆利最早通过实验测量出了 的值。
10.举世闻名的三峡水利枢纽工程的船闸实现了上下游通航,船闸的工作利用了 原理。轮船在闸室中前进时,若以河岸为参照物,该轮船是 (选填“运动”或“静止”)
11、如图6所示,是小静同学观察到自家电能表的情况,其显示的示数为 kw·h.他关掉了家里其他用电器,只让电饭锅处于加热状态工作,观察到电能表转盘8min内刚好转动了72转,则他家的电饭锅加热时的电功率为 W.
12.甲、乙为两个质量分布均匀的实心圆柱体,放置在水平桌面上,沿水平方向切去上部分,剩余部分对桌面的压强p与切去部分高度h的关系如图7所示,已知甲的密度为4.0×103kg/m3,则圆柱体甲的高度为 cm。当切去的高度为12cm,将各自切去部分放置在另一个圆柱体的剩余部分的上表面时,甲剩余部分和乙切去部分的组合体对桌面的压强为p1,乙剩余部分和甲切去部分的组合体对桌面的压强为p2,且p1:p2=3:2,则甲乙圆柱体的底面积之比为 。
13.2020年6月23日,我国成功将北斗导航系统最后一颗组网卫星送人预定轨道,标志着北斗三号全球卫星导航系统星座部署全面完成。发射前,搭载着卫星的火箭嬴立在发射平台上。给火箭加注低温燃料过程中,火箭周围冒出缕缕“白气”;点火后,火箭尾部喷出熊熊大焰(如图8),搭载着卫星腾空而起;在加速飞向太空的过程中,地面遥测站与火箭和卫星不停地进行着信息交换;卫星和第三级火箭脱离后,火箭上的摄像头监控到卫星缓援离去,卫星上的太阳能电池帆板缓级打开,能给卫星提供工作需要的电能。
请找出一个与上述情景相关的物理信息,并指出对应的物理知识,不得与示例重复。
示例:物理信息:火箭搭载着卫星腾空而起;物理知识:以地面为参照物,火箭和卫星是运动的。
物理信息: ;
物理知识: .
14.按要求完成下列作图:
(1)如图9所示,请画出平行于主光轴的入射光线AB经凸透镜折射后的光线。
(2)如图10所示,硬棒OB能绕支点O转动,A处用绳子拉住固定在墙壁上。画出拉力F的力臂(用l表示)
三、实验探究题((本题共3个小题,第15小题6分;第16小题8分;第17小题8分,共22分)
15.请按要求完成下列实验:
(1)他在利用图11的装置探究“平面镜成像特点”的实验中,应选取一块较 (选填“厚”或“薄”)玻璃板竖直放置在铺有白纸的水平木板上;为了比较像和物体的大小关系,应选取两支的 (选填“相同”或“不同”)蜡烛;探究中,在蜡烛所成像的位置放置一块光屏,光屏上不能承接到蜡烛的像,说明平面镜成的是 (选填“虚”或“实”)像。
(2)他在做观察水的沸腾实验中,某时刻观察到温度计示数如图12所示。则此时水的温度 ℃;为根据记录数据画出加热过程中水的温度与时间关系图像如图12乙所示,分析图像可知,被测水的沸点 ________℃,水在沸腾过程中温度_______(选填“升高”“降低”或“不变”)。
小倩同学在探究“电流与电压关系”的实验中,选用器材有:学生电源(电压恒为4.5V)电流表、电压表、定值电阻R,导线若干和标有“50Ω 0.5A”字样滑动变阻器R’.
(1)用笔画线代替导线,将图13甲中的电路连接完整。(要求:滑片P向D端移动时,电路中的电流变大,且导线不能交叉。)
(2)连接电路时,开关必须_________(选填“断开“或“闭合“)。在电路连接完整后,闭合开关S前应将滑动变阻器的滑片P移到 (选填“A”或“B”)端。
(3)闭合开关S后,移动滑片P时发现电压表无示数,电流表有示数且不断变化,则电路故障可能是定值电阻R发生了_________(选填“断路“或“短路”)。
(4)排除故障后闭合开关S,移动滑片P,当电流表的示数为0.28A时,电压表指针位置如图13所示,则定值电阻R的阻值为_________Ω。多次改变滑动变阻器滑片P的位置,记录的实验数据如下:
根据实验数据分析,可初步得出结论:在电阻一定的情况下,通过导体的电流与这段导体的两端的电压成 比 。
(5)在实验过程中,滑动变阻器R’接入电路的阻值不得小于 Ω。
17.小铭在学校期间,使用一种医用免洗洗手液对手部进行消毒过程中,闻到了浓浓的酒精味,看到该液体的流动性较差。查看了瓶身上的说明后,确定,这种洗手液的主要成分为75%的酒精。于是小铭所在的兴趣小组对这种洗手液的密度进行了测量。
(1)实验前,将托盘天平放在 工作台上,游码移到标尺的零刻度线处,指针静止在如图14甲所示的位置,此时应将右端的平衡螺母向______(选填“左“或“右“)调节,使天平平衡。
(2)将盛有适量洗手液的烧杯放在天平的左盘,天平重新平衡时,右盘所加砝码及游码位置如图14乙所示,烧杯和洗手液的总质量为_______g;将烧杯中的部分洗手液倒人量筒,测得烧杯和剩余洗手液的总质量为42.4g;经过一段时间后,观察到量筒内的液面如图14丙所示,则量简内洗手液的体积为 ml.,这种洗手液的密度为 g/cm3
小铭对洗手液的密度测量结果有疑惑,回到家后利用电子秤、烧杯、细线和一个实心铝块等器材,再次对这种洗手液的密度进行测量。具体做法如下:
①在烧杯中倒入适量洗手液放置在电子秤上(如图15甲);
②将系好细线的块缓缓浸没到洗手液中保持静止(如图15乙),洗手液未溢出;
③将铝块缓慢沉底后松开细线(如图15丙)。则这次测得洗手液的密度为_____g/cm3,对前后两次实验进行分析,发现在______(选填“学校“或“家“)所测洗手液密度的结果更接近真实值,造成另一次密度测量结果与真实值的差异较大的原因可能是______________________________________________(已知铝块的密度为2.7g/cm3,不计细线质量,细线和正方体均不吸收洗手液。)
计算论述题(本题共3个小题,第18小6分,第19小题8分第20小题8分,共22分。解题应写出必要的文字说明、步骤和公式,只写出最后结果的不能得分)
18.如图16所示,电源电压不变,定值电阻R1阻值为10Ω,定值电阻R2阻值为20Ω,当开关S闭合后,电流表为0.2A.求:
(1)R1两端的电压;
(2)在10S内,电流通过R2做的电功。
如图17所示,底面积为200cm2、重为10N的薄壁柱型容器,放在水平桌面上,把边长为10cm的实心正方体A(不吸水)用细线悬挂固定在容器正上方静止时,正方体A有3/5的体积和浸人水中,此时容器内水深12cm,已知正方体A的密度ρ=3.0g/cm3。求:
(1)水对容器底部的压强;
(2)正方体A受到的浮力大小,
(3)解开细线,将正方体A缓缓放入水中,待正方体A静止后(容器中的水未溢出),容器对桌面的压强。
20.小明家用电火锅烹饪烤肉,肉烤熟后立即将电火锅调至“低温档”,一段时间后锅内热油仍向外飞溅,容易烫伤家人。小明断开电源,看到电火锅铭牌的主要参数如图18甲所示;打开底盖,发现其工作电路原理如图18乙所示,R1、R2为阻值未知的电热丝。为了对烤熟的食物保温,同时避免锅内热油向外飞溅,小明对电火锅的工作电路进行了改进,可以分别实现“高温档”“低温档”或“保温档”功能,改进后的电路原理如图18丙所示。求:
(1)电火锅使用“高温档”正常工作时电路中的电流;
(2)在图18丙中,当S闭合,S1断开,S2接b,电火锅处于“保温档”,该状态下电火锅正常工作时消耗的电功率;
(3)用电高峰时电路的实际电压降为198V,向锅内装2kg温度为25℃的水,用“高温档”连续工作100s,水温升高到35℃,这时电火锅的加热效率ƞ是多少?(已知水的比热容c*=4.2×103/(kg·℃),电热丝的电阻不随温度变化,水吸收的热量跟电火锅消耗的电能的比值叫做加热效率。)
答案:
一、选择题
BADB CDCD
二、填空与作图题
9、牛顿 大气压 10、连通器 运动
11、1919.8 900
12. 20 9:4
13、给火箭加注低温燃料过程中,火箭周围冒出缕缕“白气” “白气”是液化形成的
(或:地面遥测站与火箭和卫星不停地进行着信息交换 利用电磁波传递信息
火箭上的摄像头监控到卫星缓援离去 摄像头相当于照相机,成倒立缩小的实像
卫星上的太阳能电池帆板缓级打开,能给卫星提供工作需要的电能 太阳能电池板将太阳能转化为电能)
14、如图所示:
三、实验探究题
15、(1)薄 相同 虚 (2)56 98 不变
16、(1)如图所示:(2)断开 A (3)短路 (4)10 正 (5)5
17.(1)水平 右 (2)72.4 30 1 (3)0.9 家 洗手液较为粘稠,站在量筒内壁上,导致所测体积偏小,密度偏大
四、计算论述题
2022年重庆市初中学业水平暨高中招生考试模拟(六)物理试题(有答案): 这是一份2022年重庆市初中学业水平暨高中招生考试模拟(六)物理试题(有答案),共10页。
重庆市2019年初中学业水平考试暨高中招生考试物理试卷B卷(有答案): 这是一份重庆市2019年初中学业水平考试暨高中招生考试物理试卷B卷(有答案),共11页。试卷主要包含了7dm D,如图5所示等内容,欢迎下载使用。
重庆市2019年初中学业水平考试暨高中招生考试物理试卷A卷(有答案): 这是一份重庆市2019年初中学业水平考试暨高中招生考试物理试卷A卷(有答案),共8页。

