2021年中考物理专项突破题集 专项16 力学探究性实验专练(通用版)
展开专题16 力学探究性实验专练
力 力和运动
1.(2020·陕西)为探究影响滑动摩擦力大小的因素,实验小组的同学用如图1所示的装置和器材进行实验。
(1)将木块平放在水平长木板上,用弹簧测力计沿______方向拉动,使其做______运动,此时弹簧测力计示数等于木块所受滑动摩擦力的大小;
(2)在木块上加放砝码,是为了探究滑动摩擦力大小与______的关系;在长木板上铺上棉布或毛巾,是为了探究滑动摩擦力大小与接触面______的关系;
(3)实验中,大家发现弹簧测力计示数很难稳定,于是设计了如图2所示的装置来进行实验。水平传送带的速度可以调节,定滑轮摩擦忽略不计;
①启动传送带,当弹資测力计的示数稳定后,木块相对于地面______,此时弹簧测力计示数等于木块所受滑动摩擦力的大小,木块所受滑动摩擦力的方向沿水平向______;
②某次实验中,当弹簧测力计的示数稳定后,改变传送带的速度大小,大家发现弹簧测力计的示数没有改变,说明木块所受滑动摩擦力的大小与传送带的速度大小______。
【答案】水平(或水平向右) 匀速直线 压力大小(或压力) 粗糙程度 静止 左 无关
【解析】
(1)只有用弹簧测力计沿水平方向拉着木块做匀速直线运动时,木块在水平方向上受到平衡力的作用,拉力大小才等于滑动摩擦力的大小。
(2)采用控制变量法在接触面粗糙程度一定时,在木块上加放砝码,是为了探究滑动摩擦力大小与压力的关系;采用控制变量法在压力一定时,在长木板上铺上棉布或毛巾,是为了探究滑动摩擦力大小与接触面粗糙程度的关系。
(3)启动传送带,当弹資测力计的示数稳定后,木块相对于地面静止,这时木块受到弹簧测力计的拉力与木块受到的滑动摩擦力是一对平衡力,弹簧测力计示数等于木块所受滑动摩擦力,木块受到的滑动摩擦力方向与拉力方向相反,即水平向左;滑动摩擦力的大小只与压力大小和接触面的粗糙程度有关,与传送带速度的大小无关。
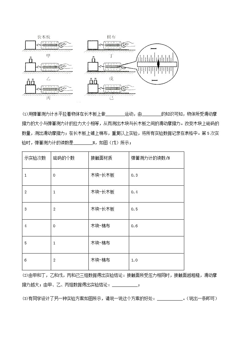
2.(2020·西藏)在“研究影响滑动摩擦力大小的因素”实验中,实验装置如图所示。
(1)用弹簧测力计水平拉着物体在长木板上做_________运动,由_________的知识可知,物体所受滑动摩擦力的大小与弹簧测力计的拉力大小相等,从而测出木块与长木板之间的滑动摩擦力。改变木块上砝码的数量,测出滑动摩擦力;在长木板上铺上棉布,重复以上实验,将所有实验数据记录在表格中。第5次实验时,弹簧测力计的读数是_________N,如图(戊)所示;
示实验次数
砝码的个数
接触面材质
弹簧测力计的读数/N
1
0
木块-长木板
0.3
2
1
木块-长木板
0.4
3
2
木块-长木板
0.5
4
0
木块-棉布
0.6
5
1
木块-棉布
6
2
木块-棉布
1.0
(2)由甲和丁,乙和戊,丙和己三组数据得出实验结论:接触面所受压力相同时,接触面越粗糙,滑动摩擦力越大;由甲、乙、丙组数据得出实验结论:____________;
(3)有同学设计了另一种实验方案如图所示,请说一说这个方案的好处:____________。(说出一条即可)
【答案】匀速直线 二力平衡 0.8 当接触面粗糙程度相同时,压力越大,滑动摩擦力越大 无需匀速拉动木板
【解析】
(1)用弹簧测力计水平拉着物体在长木板上做匀速直线运动,由二力平衡的知识可知,物体所受滑动摩擦力的大小与弹簧测力计的拉力大小相等,从而测出木块与长木板之间的滑动摩擦力;由图知,弹簧测力计的分度值为0.1N,其示数为0.8N。
(2)甲、乙、丙知,接触面粗糙程度相同,压力越大,滑动摩擦力越大,故可得出结论:当接触面粗糙程度相同时,压力越大,滑动摩擦力越大。
(3)由图知,当弹簧测力计的示数稳定后,木块相对于地面的位置没有发生改变,是静止的,故这个方案的好处是:无需匀速拉动木板。
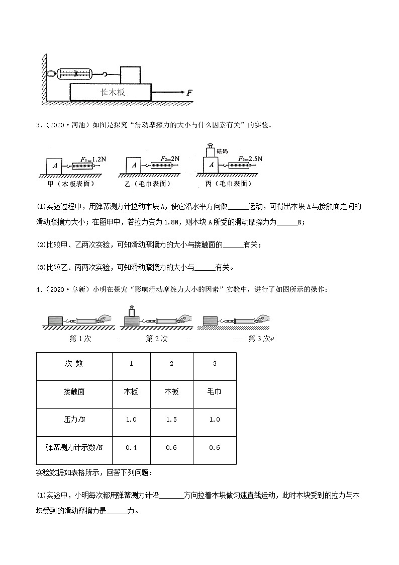
3.(2020·河池)如图是探究“滑动摩擦力的大小与什么因素有关”的实验。
(1)实验过程中,用弹簧测力计拉动木块A,使它沿水平方向做______运动,可得出木块A与接触面之间的滑动摩擦力大小;在图甲中,若拉力变为1.8N,则木块A所受的滑动摩擦力为______N;
(2)比较甲、乙两次实验,可知滑动摩擦力的大小与接触面的______有关;
(3)比较乙、丙两次实验,可知滑动摩擦力的大小与______有关。
【答案】匀速直线 1.2N 粗糙程度 正压力
【解析】
(1)使木块在水平方向上做匀速直线运动时,根据牛顿第一定律,可知物体处于平衡状态,所受的滑动摩擦力大小等于拉力的大小。此时若增大拉力,物体会加速运动,但物体所受的滑动摩擦力不变,仍为1.2N。
(2)比较甲、乙两次实验,压力相同,只改变了接触面的粗糙程度,可知滑动摩擦力的大小与接触面的粗糙程度有关。
(3)比较乙、丙两次实验,粗糙程度相同,只改变了正压力的大小,故可知滑动摩擦力的大小与正压力有关。
4.(2020·阜新)小明在探究“影响滑动摩擦力大小的因素”实验中,进行了如图所示的操作:
次 数
1
2
3
接触面
木板
木板
毛巾
压力/N
1.0
1.5
1.0
弹簧测力计示数/N
0.4
0.6
0.6
实验数据如表格所示,回答下列问题:
(1)实验中,小明每次都用弹簧测力计沿_______方向拉着木块做匀速直线运动,此时木块受到的拉力与木块受到的滑动摩擦力是______力。
(2)比较第 1、2 两次实验数据可知,在接触面的粗糙程度相同时,接触面受到的压力越______, 滑动摩擦力越大。
(3)比较第______两次实验数据可知,在接触面受到的压力相同时,接触面越粗糙, 滑动摩擦力越大。
(4)若在第 1 次实验中,木块以更大的速度做匀速直线运动,则弹簧测力计的示数______0.4N(选填“大于”“等于”或“小于”)。
(5)第 2 次实验中,砝码受到的摩擦力是______N。
【答案】水平 平衡 大 1、3 等于 0
【解析】
(1)实验过程中,弹簧测力计必须沿水平方向拉着物块做匀速直线运动,此时物块处于平衡状态,由平衡条件可知,此时木块受到的拉力与木块受到的滑动摩擦力是平衡力。
(2)比较第 1、2 两次实验数据可知,接触面的粗糙程度相同而物体间的压力不同,弹簧测力计的示数不同,可得在接触面的粗糙程度相同时,接触面受到的压力越大, 滑动摩擦力越大。
(3)比较第1、3两次实验数据可知,物体间的压力相等而接触面的粗糙程度不同,弹簧测力计的示数不同,可得在接触面受到的压力相同时,接触面越粗糙, 滑动摩擦力越大。
(4)若在第 1 次实验中,木块以更大的速度做匀速直线运动,木块仍处于平衡状态,压力不变,接触面的粗糙程度不变,摩擦力不变,弹簧测力计的示数等于0.4N。
(5)第 2 次实验中,砝码与木块之间没有相对运动,砝码不受摩擦力。
5.(2020·抚顺)下面是岳岳探究“滑动摩擦力大小与哪些因素有关”的实验。
(1)如图甲所示,将一个木块放在长木板上,用弹簧测力计沿水平方向______拉动,根据______原理可以测出木块受到的滑动摩擦力为______。
(2)如图乙所示,在木块上放一个重物,重复上面的操作,比较甲、乙两图中弹簧测力计的示数可探究滑动摩擦力大小与______的关系。
(3)为了操作方便,岳岳对实验进行了如图丙所示的改进,将弹簧测力计固定,拉动木块下的毛巾,木块相对地面保持静止,这样改进后______(填“需要”或“不需要”)匀速拉动毛巾。比较甲、丙两图可得出:压力相同时,______滑动摩擦力越大。
【答案】匀速 二力平衡 2.6 压力大小(压力) 不需要 接触面越粗糙
【解析】
(1)实验时,将木块放在水平长木板上,用弹簧测力计沿水平方向拉动木块,并使木块做匀速直线运动,根据二力平衡可知,弹簧测力计计拉力大小与摩擦力大小相等,可以测出木块在木板上滑行时受到的摩擦力;由图可知弹簧测力计的示数2.6N,滑动摩擦力的大小是2.6N。
(2)在木块上放一个重物,接触面的粗糙程度不变,压力变大,比较甲、乙两图中弹簧测力计的示数可探究滑动摩擦力大小与压力大小的关系。
(3)木块处于静止状态,受到的摩擦力与测力计拉力为平衡力,木块受到木板的摩擦力大小等于弹簧测力计的读数,与毛巾的运动状态无关,所以不需要匀速拉动毛巾比较甲、丙两图,压力相同,丙图中接触面比较粗糙,滑动摩擦力较大,所以可以得到压力相同时,接触面越粗糙,滑动摩擦力越大。
压强
1.(2020·烟台)在“探究液体压强与哪些因素有关”的实验中:
(1)实验前,小明利用U形管、软管、扎紧橡皮膜的探头等组装成压强计后,发现U形管两侧液面不相平,如图甲所示,他应做的调节是______(选填“A”或“B”);
A.取下软管重新安装
B.将右侧管中高出的液体倒出
(2)调整好压强计后,小明按图乙所示开始实验,实验记录的数据如表:
序号
液体
深度/cm
橡皮膜方向
压强计左右液面高度差/cm
①
水
5
朝上
4.9
②
水
5
朝下
4.9
③
水
5
朝侧面
4.9
④
水
10
朝侧面
9.7
⑤
水
15
朝侧面
14.6
⑥
盐水
15
朝侧面
16.7
①比较序号1、2、3三组数据,探究的问题是什么?______
②比较序号______三组数据,可以得出结论:同种液体中,深度越大,液体的压强越大;
③比较序号5、6两组数据,可得出的结论是什么?______
(3)1648年,物理学家帕斯卡做了著名的“帕斯卡裂桶实验”,如图丙所示。实验中帕斯卡只用了几杯水就让装满水的木桶向四周裂开,这个实验现象能够验证液体压强的哪些特点?______
【答案】A 液体压强大小与橡皮膜朝向的关系 3、4、5 不同液体内部同一深度的压强跟液体密度有关,深度相同,密度越大,压强越大 同一液体中,深度越深,压强越大
【解析】
(1)如图甲所示,发现U形管两侧液面不相平,说明橡皮膜受到了压强,只需要将软管取下重新安装即可,故应该选A。
(2)序号1、2、3三组数据中,液体相同、深度相同、橡皮膜朝向不同,压强计液面高度差不同,可判断比较这三组数据,探究的问题是:液体压强大小与橡皮膜朝向的关系?序号3、4、5三组数据中,液体相同、深度不同、橡皮膜朝向相同,压强计液面高度差不同,由此可得到结论:同种液体中,深度越大,液体的压强越大;序号5、6两组数据中,液体不同、深度相同、橡皮膜朝向相同,压强计液面高度差不同,由此可得到结论:不同液体内部同一深度的压强跟液体密度有关,深度相同,密度越大,压强越大。
(3)帕斯卡裂桶实验中,虽然管很细,但由于高度很大,水的深度很大,使水产生了很大的压强,验证了同一液体中,深度越深,压强越大这一特点。
2.(2020·金华)在游泳时,小金发现越往深水区走,越感到胸闷,由此猜想液体内部压强可能与液体的深度有关。于是用液体压强计对此进行了探究。
步骤一:将金属盒放入水中深度5厘米处,观察现象;
步骤二:将金属盒放入水中深度15厘米处时,发现金属盒的位置不动,但U形管两侧的液面高度差逐渐减小;
步骤三:调整好器材后,重新实验。在深度5厘米处观察到现象如图(甲)A所示,在深度15厘米处观察到现象如图(甲)B所示。
得出结论:同种液体内部压强随着深度的增加面增大。
请完成下列问题:
(1)该实验过程用到的科学方法有_____(填字母);
A.转换法
B.控制变量法
C.类比法
(2)步骤二中金属盒在水里的位置不动,但U形管两侧的液面高度差逐渐减小的原因是_____;
(3)小金反思:只进行两次实验就得出结论,结论是不可靠的。还需改变深度更换液体进行多次实验,其目的是_____;
(4)对液体内部压强大小与深度关系的进一步思考。图(乙)为一圆柱形容器,容器内装有密度为ρ的液体,a点在深度为h处的水平横截面上,横截面上方的液柱对横截面产生的压力大小等于该液柱的重力。根据压强公式,推导出a点所在横截面受到的液体压强pa与深度h之间的关系式是pa=_____。
【答案】AB 装置漏气 得出普遍性的结论 ρgh
【解析】
(1)液体内部压强的大小是通过液体压强计U形管两边液面的高度差来判断的,高度差越大说明此时的液体压强越大,采用了转换法;液体压强与液体的深度和密度有关,根据控制变量法,研究与其中一个因素的关系时,要控制另外一个因素不变;即该实验过程用到的科学方法有转换法和控制变量法。故选AB。
(2)步骤二中金属盒在水里的位置不动,但U形管两侧的液面高度差逐渐减小的原因是装置漏气。
(3)改变深度更换液体进行多次实验,其目的是得出普遍性的结论。
(4)图(乙)为一圆柱形容器,容器内装有密度为ρ的液体,a点在深度为h处的水平横截面上,高为h的液柱的重力G=mg=ρVg=ρShg,因横截面上方的液柱对横截面产生的压力大小等于该液柱的重力,由 知道,a点所在横截面受到的液体压强pa与深度h之间的关系式
3.(2020·杭州)用力将端面已锉平的两块铅柱紧压在一起,然后将它们悬挂起来,并在下方挂一重物,发现两铅柱不分开(如图甲)。对此现象,小金有疑惑:两铅柱不分开的原因是大气压力造成还是其他引力造成?于是小金将图甲所示的铅柱与重物固定在一个玻璃钟罩内(如图乙),逐渐抽出钟罩内的空气。
(1)在抽气的过程中钟罩内气体的压强_______
(2)如果在抽气过程中,钟罩内两铅柱分开了,则_______
(3)如果在抽成真空时,钟罩内两铅柱也不分开,则_______
【答案】逐渐减小 不能 能
【解析】
(1)在抽气的过程中钟罩内气体浓度逐渐降低,气压逐渐降低,即气体的压强逐渐减小。
(2)分子之间存在作用力,距离较小时表现为引力;在抽气过程中,钟罩内两铅柱分开了,不能说明分子之间存在引力。
(3)分子之间存在作用力,距离较小时表现为引力;在抽成真空时,钟罩内两铅柱也不分开,能够说明分子之间存在引力。
4.(2020·天水)在“探究液体压强的特点”实验中,小明进行了如下的猜想:
猜想一:液体内部压强大小可能与液体深度有关。
猜想二:液体内部压强大小可能与液体密度有关。
猜想三:液体内部压强大小可能与方向有关。
为了验证以上猜想,小明进行了如图所示的操作:
(1)实验过程中探头受到的液体压强大小是通过__反映的。
(2)为了验证猜想一,应选择__两组实验对比,可初步验证出猜想一是正确的。
(3)探究液体压强与液体密度的关系时,对比乙、丙两组实验,小明可得出的结论是:当液体深度相同时,液体的密度越大,液体的压强就越__。
【答案】形管两边液面的高度差 甲、乙 大
【解析】
(1)根据转换法,实验过程中探头受到的液体压强大小是通过形管两边液面的高度差反映的。
(2)为了验证猜想一,即研究液体内部压强大小可能与液体深度有关,要控制液体密度相同,故应选择甲、乙两组实验对比,可初步验证出猜想一是正确的。
(3)探究液体压强与液体密度的关系时,对比乙、丙两组实验,丙中形管两边液面的高度差大,小明可得出的结论是:当液体深度相同时,液体的密度越大,液体的压强就越大。
5.(2020·南京)用纸杯做以下物理小实验:
(1)图甲中,用两个三角板和直尺量得纸杯杯口直径为______cm;
(2)图乙中,纸杯底部有一圆孔,用塑料薄膜蒙住杯口,拍打薄膜发出声音,烛焰晃动,说明声音具有______;
(3)图丙中,在纸杯旁用吸管吹气,纸杯向______(选填“左”或“右”)滚动,这是因为气体流速越大,压强越______;
(4)图丁中,用与头发摩擦过的塑料吸管靠近纸杯一侧,纸杯被吸引。以下事例中原理与此相同的是______(填字母)。
A.磁铁吸引铁屑
B.挤压后的吸盘吸在瓷砖上
C.干手搓开的新塑料袋吸在手上
【答案】7.20 能量 右 小 C
【解析】
(1)由图甲可知,刻度尺的分度值是1mm,纸杯杯口直径为10.20cm-3.00cm=7.20cm
(2)由图乙可知,拍打薄膜发出声音,发现烛焰晃动,说明声音可以传递能量。
(3)由图丙可知,在纸杯右侧用吸管吹气,右侧空气流速大、压强小,小于左侧的压强,在压强差的作用下纸杯向右滚。
(4)用与头发摩擦过的塑料吸管靠近纸杯一侧,纸杯被吸引,因为塑料吸管被摩擦后带电,有吸引轻小物体的性质。A.磁铁吸引铁屑,因为磁体具有吸引铁、钴、镍等物质的性质,不符合题意。B.挤压后的吸盘吸在瓷砖上,是大气压的作用,不符合题意。C.干手搓开的新塑料袋吸在手上,因为摩擦起电后带静电,会吸引轻小物体,符合题意。故选C。
浮力
1.(2020·乐山)物理兴趣小组在进行“探究浮力的大小与哪些因素有关”实验中,用弹簧测力计挂着一实心圆柱体,以下图a、b、c、d、e分别为实验情景。(g取10N/kg)
(1)通过a、c两次实验,可知物体浸没在水中所受浮力大小是______N;
(2)通过______两次实验,可探究物体所受浮力大小与浸没深度的关系;
(3)通过c、e两次实验,可探究物体所受浮力大小与______的关系;
(4)在某种液体中进行探究的过程中,记录实验数据,得到如图f所示弹簧测力计读数与圆柱体下表面浸入深度的关系图像,则该液体的密度为______kg/m3。
【答案】0.5 c、d 液体密度 0.8×103
【解析】
(1)由a、c两次实验中测力计示数可知,物体浸没在水中所受的浮力为F浮水=G-Fc=2N-1.5N=0.5N
(2)由图c、d所示实验可知,物体排开液体的种类与物体排开液体的体积都相同而物体浸入液体的深度不同,这两次实验可以探究物体浸没在水中时受到的浮力大小与浸没深度是否有关。
(3)由图c、e所示实验可知,物体排开液体的体积相同而液体密度不同,该实验可以探究浮力大小与液体密度的关系。
(4)实验步骤c中,物体受到的浮力为F浮c=G-Fc=2N-1.5N=0.5N,实验步骤e中,物体受到的浮力为F浮e=G-Fe=2N-1.6N=0.4N,因物体均浸没,所以V排水=V排液,根据阿基米德原理,所以该液体的密度为
2.(2020·绵阳)小明等几位同学设计不同实验探究浮力。
(1)他们找了一段较细的红线,将其两端分别固定在乒乓球和大烧杯的底部,再向烧杯缓慢注水,直到水将乒乓球浸没,发现红线在竖直方向被拉直,如图甲所示;然后,将大烧杯倾斜,发现红线仍旧在竖直方向被拉直,如图乙所示。根据两次观察到的现象,小明他们认为:乒乓球受到的浮力_______(选填序号)。
A.大小与乒乓球的体积有关 B.大小与水的密度有关
C.方向可能竖直向上也可能斜向上 D.方向竖直向上
(2)在弹簧测力计下悬挂一个铝块,弹簧测力计示数是4.0N。然后,将铝块慢慢浸入水中,当铝块部分浸入水中,弹簧测力计示数如图丙所示,弹簧测力计示数是_______N;当铝块全部浸没在水中,弹簧测力计示数如图丁所示,此时铝块受到浮力大小是_________N。实验结果表明:铝块浸在水中的体积越大,受到浮力越大。
【答案】D 3.0 1.5
【解析】
(1)根据两次观察到的现象,乒乓球的体积不变,水的密度不变,乒乓球受到竖直向下的重力作用,但连接乒乓球的红线一直紧绷,说明乒乓球受到的浮力方向竖直向上,故选D。
(2)当铝块部分浸入水中,弹簧测力计示数如图丙所示,弹簧测力计示数是3.0N;当铝块全部浸没在水中,弹簧测力计示数如图丁所示,测力计的示数为2.5N,根据称重法可知此时铝块受到浮力大小是
3.(2020·河池)在探究“浮力的大小跟哪些因素有关”的实验中,小月做了如图所示实验。
(1)分析______(填实验序号)两次实验数据,可知浮力大小与物体浸没在液体中的深度无关;
(2)分析③⑤两次实验,可知浸在液体中的物体受到浮力的大小与______有关;
(3)若先完成实验②,再完成实验①,则测得的浮力将______(选填“偏大”或“偏小”);
(4)根据图中实验数据计算出物体的密度为______kg/m3。
【答案】①③④ 液体的密度 偏大 4×103
【解析】
(1)由图①③④三次实验可知,物体排开液体的密度与体积相同而物体浸没在液体中的深度不同,物体受到的浮力相同,由此可知:浮力大小与物体浸没在液体中的深度无关。
(2)由图③⑤所示实验可知,物体排开液体的体积相同而排开液体的密度不同,液体密度越大,物体受到的浮力越大,由此可知:该实验可以探究浮力的大小与液体密度有关。
(3)先完成实验②,再完成实验①,物体粘有水,物体的重力增大,由称重法可知浮力变大。
(4)由图①所示实验可知,物体的重力G=4N,由图①④所示实验可知,金属块浸没在水中受到的浮力F浮=G-F=4N-3N=1N,物体的体积V=V排==1×10-4m3,物体的密度=4×103kg/m3
4.(2020·吉林)在“探究浮力的大小跟哪些因素有关”的实验中,实验过程如图16所示,其中弹簧测力计示数的大小关系是:,.水的密度用表示。
(1)比较_______两图可知,浮力的大小跟物体排开液体的体积有关。
(2)比较丙、丁两图可知,浮力的大小跟______有关。
(3)分析甲、丙两图可得,物体浸没在水中时受到的浮力_____, 物体的密度______ 。
(4)深入分析丙、丁两图,比较水对烧杯底的压强和某液体对烧杯底的压强的大小关系,则_。
【答案】乙、丙 液体密度 大于(或>)
【解析】
(1)要探究浮力的大小跟物体排开液体体积的关系,需保证液体密度相同、物体排开液体体积的大小不等,故可以选择乙、丙两图中的实验进行探究。
(2)丙、丁两图中,物体排开液体的体积相等,液体的密度不等,故选择丙、丁两图中的实验,可以探究浮力的大小跟液体密度大小的关系。
(3)利用“称重法”可得物体浸没在水中时受到的浮力;根据物体受到有浮力,可计算出物体的体积;甲图中,弹簧测力计的数值等于物体重力大小,故物体的质量,由密度公式可得物体的密度
(4)因为,由“称重法”可得物体在水中和未知液体中所受浮力的大小关系①,根据丙、丁两图可判断出物体排开水和排开未知液体的体积大小相等②,由“阿基米德”原理可得液体的密度③,由①②③三式可得,又因为丙、丁两图中,杯底所处深度相等,故由液体内部压强的公式可得
5.(2020·南宁)盛有液体的容器里,放入物体后容器底部受到液体压力会増大,那么,容器底部受到液体压力的増加量F液与哪些因素有关?某实验创新小组对此问题进行实验探究。
(1)他们猜想∶F液与放入物体的重力G物有关。他们将三个重力不同、体积相同的物体先后放入盛有相等质量水的相同容器中,并測得容器底部受到水的压力増加量F水,实验示意图及相应数据见下表。
①三次实验中,容器中的水面升高的高度_____(选填“相等”或“不相等")。
②分析比较实验1、2与3,可得:F水与G物_____(选填“有关”或“无关”)。
(2)他们提出新的猜想∶F液与放入物体的体积V物有关。于是他们选用不同物体,先后放入盛有相等质量水的相同容器中,待物体静止,测得F水。实验示意图及相应数据见下表。
①分析比较实验4、5与6,得到∶V物越大,F水越___。
②进步分析比较实验6、7与8,发现∶F水与V物____(选填“有关”或“无关)。
③再通过计算比较实验4、5与6,发现∶物体受到的浮力F浮____F水(选填“>”、“=”或“<")。
④综合分析比较实验4-8,可得初步结论∶影响液体对容器底部压力的増加量F液的因素是物体______的体积。
(3)为了使实验结论更有普性,还应_______继续实验。
【答案】相等 无关 大 无关 = 浸入(或排开)液体 选用不同液体
【解析】
(1)①将体积相同的物体先后放入盛有相等质量水的相同容器中,排开的水体积相同,故水面上升高度相同。
②三个物体重力不同,而容器底部受到液体压力的増加量相同,故F水与G物无关。
(2) ①比较实验4、5与6,可知V物越大,F水越大。
②由实验6、7与8,可知F水与V物无关。
③由阿基米德原理可以算出实验4、5与6中的浮力正好等于容器底部受到液体压力的増加量,故可得物体受到的浮力F浮与F水相等。
④综上可得,影响液体对容器底部压力的増加量F液的因素是物体排开液体的体积。
(3)本实验只是用水做了实验,不具有普遍性意义,故为了使实验结论更有普性,还应换用不同的液体继续实验。
机械能
1.(2020·福建)用钢球、木块和带有斜槽的长木板,探究物体的动能跟哪些因素有关。
(1)如图甲,让钢球从斜槽上的某一高度由______开始运动,撞击水平面上的木块。钢球撞击木块时具有的动能大小可通过木块移动的距离来反映;
(2)如图乙,将钢球置于斜槽上更高的位置重复上述实验。实验表明,钢球质量一定时,从斜槽越高的位置开始运动,撞击木块的速度越大,钢球的动能越______;
(3)探究动能跟质量的关系时,应选择让质量______的钢球从斜糟______高度的位置开始运动。(选填“相同”或“不同”)。
【答案】静止 大 不同 相同
【解析】
(1)实验中需要让钢球从斜槽上的某一高度由静止开始运动,撞击水平面上的木块,木块滑动越远,说明钢球的动能越大。
(2)将钢球置于斜槽上更高的位置,运动到水平面的速度较大,木块移动的距离较远,钢球的动能较大,说明质量一定时,物体运动的速度越大,它的动能越大。
(3)探究动能跟质量的关系,根据控制变量法,速度相同,物体的质量不同,让质量不同的钢球从斜槽的同一高度开始运动。
2.(2020·郴州)小明为了研究弹簧枪能射多远(水平射程x),准备了一把可调节弹簧压缩量的弹簧枪和三种大小一样、质量不同的弹珠,并提出如下猜想:
猜想A:弹珠水平射程与弹簧压缩量有关
猜想B:弹珠水平射程与弹珠质量m有关
猜想C:弹珠水平射程与发射点距离地面高度h有关。
小明先后调整弹簧的压缩量和发射点距离地面的高度,选用不同质量的弹珠,分别进行实验,实验中弹珠均水平射出。
实验数据记录如表:
序号
弹簧压缩量/cm
弹珠质量m/g
弹簧枪离地面高度h/m
水平射程x/m
1
2
2
0.45
1.34
2
4
2
0.45
2.68
3
6
2
0.45
4.02
4
4
4
0.45
1.90
5
4
6
0.45
0.50
6
4
4
1.00
2.84
7
4
4
1.50
3.84
(1)比较实验序号1、2、3三次实验数据,可验证猜想_____,结论是其它条件相同时,弹簧压缩量越大,水平射程越远;
(2)比较实验序号_____三次实验数据,可验证猜想B,结论是其它条件相同时,_____;
(3)比较实验序号_____三次实验数据,可验证猜想_____,结论是其它条件相同时,发射点离地面越高,水平射程越远。
【答案】A 2、4、5 弹珠质量越大,水平射程越小 4、6、7 C
【解析】
(1)比较实验序号1、2、3三次实验数据知,弹簧枪离地面高度相同、弹珠质量相同,弹簧压缩量不同,且弹簧压缩量越大,水平射程越远,故可以验证猜想A。
(2)要验证猜想B,即弹珠水平射程与弹珠质量m的关系,需要控制弹簧压缩量、弹簧枪离地面高度相同,改变弹珠质量,实验2、4、5符合题意,由2、4、5实验数据知,在其它条件相同时,弹珠质量越大,水平射程越小。
(3)要探究弹珠水平射程与发射点离地面的关系,即验证猜想C,需要控制弹簧压缩量、弹珠质量相同,改变弹簧枪离地面高度,实验4、6、7符合题意,在其它条件相同时,发射点离地面越高,水平射程越远。
3.(2020·温州)在做“探究动能大小与质量关系”的实验时,小明想:小球从相同高度滚下,若小球材质和斜面倾角不同,到达水平位置时的速度会相同吗?
(1)图甲是用挡板控制大小不同的两个小球在斜面上起始位置的两种方案,小明实验时选择A方案而不能选择B方案的原因是______;
(2)小明选择大钢球、小钢球、木球以及可调整倾角的斜面进行实验。分别让球从斜面同一高度由静止开始释放,利用测速仪测出球到达水平位置时的速度如表所示。
斜面倾角
速度(米/秒)
球的类别
10°
20°
30°
40°
50°
60°
大钢球
2.67
2.67
2.67
2.75
2.88
2.97
小钢球
2.67
2.67
2.67
2.75
2.88
2.97
木球
2.67
2.67
2.67
2.67
2.74
2.89
分析表中数据可知:要使球到达水平位置时的速度与球是钢质或木质无关,则斜面倾角不可能是______;
A.15° B.25° C.35° D.45°
(3)小明利用图乙装置做“探究动能大小与质量关系“的实验时,通过观察球撞击相同塑料软片的数目来比较球的动能大小(图中未画出固定塑料软片的装置)。老师指出此装置不适合体积不同的两个球做实验,原因是______。
【答案】B方案中两球从起始位置到水平位置的高度差不同 D 塑料软片对不同体积的小球的阻力不同
【解析】
(1)图A中挡板水平放置,两小球从起始位置到水平位置的高度差相同,图B中挡板与斜面垂直放置,两小球从起始位置到水平位置的高度差不同,为来控制大小不同的两个小球在斜面上从起始位置到水平位置的高度差相同,实验时选择A方案而不能选择B方案。
(2)根据表中数据可知,斜面倾角为10°、20°、30°时,大钢球、小钢球、木球达到水平面时的速度相同,斜面倾角为40°、50°、60°时,大钢球、小钢球、木球达到水平面时的速度不同,所以要使球到达水平位置时的速度与球是钢质或木质无关,则斜面倾角不可能是40°以上,故ABC不符合题意,D符合题意。故选D。
(3)体积大的小球从塑料软片下面通过时受到的阻力大,即体积大小不同的小球从塑料软片下面通过时受到的阻力不同,无法“探究动能大小与质量关系”。
4.(2020·营口)在探究“物体动能的大小与哪些因素有关”的实验中,小欣同学设计了如图甲、乙、丙所示的三次实验。让铁球从同一斜面上某处由静止开始向下运动,然后与放在水平面上的纸盒相碰,铁球与纸盒在水平面上共同移动一段距离后静止。
(1)要探究动能大小与物体质量的关系,应保证铁球到达水平面的______相同,为了达到这一目的所采取的具体操作方法是使小球______;
(2)选用甲、丙两次实验可以得出的结论是:物体质量相同时,______;
(3)三次实验中,碰撞前动能最小的是图______(选填“甲”、“乙”或“丙”)中的小球,原因是______;
(4)小欣同学联想到“探究阻力对物体运动的影响”时,也用到了斜面,让小车从斜面顶端由静止滑下,比较在不同表面滑行的距离(如下表),小车在三个表面克服摩擦力做功______(选填“相等”或“不相等”);若水平面绝对光滑,小车将做______运动。
表面
毛巾
棉布
木板
摩擦力
最大
较大
最小
小车运动距离
最近
较远
最远
【答案】速度 从斜面的同一高度由静止滚下 速度越大,动能越大 丙 纸盒被推动的距离最小 相等 匀速直线
【解析】
(1)要探究动能大小与物体质量的关系,应保持小球的速度相同,质量不同,所以应使质量不同的小球从斜面的同一高度由静止滚下,保证铁球到达水平面的速度相同。
(2)由图示实验可知,甲、丙两次实验,球的质量相同,甲滚下的高度大于丙滚下的高度,甲到达斜面底端时的速度较大,甲将纸盒推动得更远,说明甲的动能更大,由此可得:质量相同的物体,运动速度越大,它具有的动能就越大。
(3)三次实验中,是通过观察纸盒被撞击后移动的距离来比较铁球动能大小的,这种方法是转换法,丙图中纸盒被推动的距离最小,故碰撞前动能最小。
(4)让同一小车从同一斜面、同一高度由静止下滑,根据决定重力势能大小的因素,小车的重力势能相同,下滑到水平面时的动能也相同,在不同的材料表面上运动时,最终停下来后,动能全部转化为内能,克服摩擦力做了多少功就有多少动能转化为内能,所以,在三个表面克服摩擦力做功相同;铁球从斜面上滚下,若水平面绝对光滑,铁球不受摩擦力作用,铁球所受合力为0,所以铁球将做匀速直线运动。
5.(2020·大连)某同学猜想重力势能的大小与物体的质量和高度有关,在探究“重力势能的大小与高度是否有关”时,所用的实验器材有:金属球、尖桌腿的小桌、细沙和塑料盆。实验装置如图甲所示。
(1)该实验可以通过比较______来 判断出金属球重力势能的大小。依据是金属球对小桌______越多,金属球具有的重力势能就越大。
(2)请设计出记录实验数据的表格,表中要有必要的信息。________
(3)实验时,该同学发现:由于金属球的撞击点偏离桌面中央较大,使小桌倾斜较大,甚至被撞翻。于是他改进了实验装置,如图乙所示,较好地解决了这个问题。他的主要操作是:每次实验时,先拉起金属球,将沙面抹平;__________;由静止开始释放金属球,观察实验现象。
【答案】小桌陷入细沙的深度 做功
实验次数
金属球距桌面的高度/cm
小桌桌腿陷入细沙的深度/cm
金属球的重力势能大小
1
2
3
将金属球分别拉到不同高度
【解析】
(1)金属球的重力势能越大,对小桌做功越多,小桌陷入沙子的程度越深。因此从小桌陷入沙子的程度可以看出金属球重力势能的大小。金属球对小桌做功越多,金属球重力势能越大。
(2)一般情况下,为了避免偶然性,至少要进行三次实验。要探究“重力势能的大小与高度是否有关”时,实验中通过小桌陷入细沙的程度来观察金属球重力势能大小情况,所以表格中要体现实验次数、金属球被举高的高度、小桌陷入细沙的程度以及金属球重力势能的大小。
(3)要探究“重力势能的大小与高度是否有关”,需要将金属球拉到一定高度,由静止释放,观察实验现象。所以他的主要操作是:每次实验时,先拉起金属球,将沙面抹平;将金属球拉到不同高度;由静止开始释放金属球,观察实验现象。
简单机械
1.(2020·柳州)小杰用实验探究杠杆的平衡条件。所用杠杆刻度均匀,各钩码相同。
(1)静止于支架上的杠杆如图甲示,应将杠杆右侧的螺母向______{选填“左”或“右”)调节,使杠杆处于水平平衡状态,这样做的目的是为了便于测量______(选填“力”成“力臂”)。杠杆平衡后,在实验过程中,______(选填“可以”或“不可以”)再调节螺母;
(2)在杠杆两边分别挂上数量不同的钩码,改变钩码数量和位置,使杠杆处于水平平衡状态,记录教据,总结可得杠杆的平衡条件为:动力×动力臂=阻力×阻力臂;
(3)根据结论可知,要使杠杆呈图乙中的水平平衡状态,应在B点挂______个钩码;改用弹簧测力计替换B点的钩码,始终竖直向下拉杠杆,使杠杆从水平位置缓慢转过一个小角度(图丙),此过程中弹簧测力计拉力的力臂______,拉力的大小______(后两空选填“变大”、“变小”或“不变”)。
【答案】右 力臂 不可以 4 变小 不变
【解析】
(1)杠杆向左倾斜,左侧较重,平衡螺母应向右调;使杠杆处于水平平衡状态,这样做的目的是为了便于从杠杆上直接读出力臂的长度;杠杆平衡后,在实验过程中,不可以再调节螺母。
(3)根据动力×动力臂=阻力×阻力臂,左边力臂为4,钩码数为3,右边力臂为3,故钩码数为4;始终竖直向下拉杠杆,使杠杆从水平位置缓慢转过一个小角度,力臂与杠杆不垂直,此过程中弹簧测力计拉力的力臂变小;始终竖直向下拉杠杆,使杠杆从水平位置缓慢转过一个小角度动力臂与阻力臂的比值不变,物重不变,故拉力不变。
2.(2020·淮安)在“探究杠杆的平衡条件”实验中:
(1)实验前杠杆的位置如图甲所示:若使杠杆在水平位置平衡,则应将杠杆的平衡螺母向______调节。
(2)杠杆调节平衡后,在如图乙所示A点悬挂3个钩码(每个钩码重力为0.5N),在B点用弹簧测力计竖直向下拉杠杆,使杠杆在水平位置再次平衡,此时弹簧测力计示数F1=______N。重复多次实验,进一步探究杠杆的平衡条件;
(3)某小组的实验数据如下表所示,得到与其他组不一样的结论:动力与阻力F1成正比关系。你认为该结论可靠吗?______。并说明理由:______;
实验序号
动力F1/N
动力臂L1/cm
阻力F2/N
阻力臂L2/cm
1
1
15
1.5
10
2
2
15
3
10
3
3
15
4.5
10
【答案】左 1 不可靠 没有同时改变力与力臂的大小
【解析】
(1)为了便于测量力臂,应使杠杆在水平位置平衡,由图知,左端偏高,为使杠杆在水平位置平衡,需要将平衡螺母向左调节。
(2)图中所示的弹簧测力计的分度值是0.1N,故示数为1N。
(3)由实验数据得到与其他组不一样的结论,动力与阻力F1成正比关系,该结论不可靠,因为没有同时改变力与力臂的大小。
3.(2020·郴州)小明利用如图所示的装置探究杠杆平衡条件。
(1)为排除杠杆自重对实验的影响,实验前把杠杆中心支在支架上,杠杆静止在图甲所示位置,此时应将杠杆右端的螺母向_____调节(填“左”、“右”),使杠杆在水平位置达到平衡。
(2)在杠杆两侧挂上不同数量相同规格的钩码,调节钩码位置,使杠杆重新在水平位置平衡,这样做的目的是_____。
(3)实验时,小明在杠杆左侧A位置(左边位置第四格)先挂了3个钩码,如图乙所示,则在右侧B位置(右边位置第三格)应挂_____个相同规格的钩码,杠杆可以重新在水平位置平衡。
(4)如图丙所示,小明在A位置挂一个弹簧测力计,在B位置挂了2个钩码。现将弹簧测力计从C位置移到D位置,在此过程中杠杆始终在水平位置保持平衡,则弹簧测力计示数_____(选填“变大”、“变小”或“不变”),原因是_____。
【答案】右 为了直接从杠杆上读出力臂 4 变小 见解析
【解析】
(1)为排除杠杆自重对实验的影响,实验前把杠杆中心支在支架上,杠杆静止在图甲所示位置,杠杆右端偏高,应将杠杆右端的螺母向右端移动,使杠杆在水平位置平衡。
(2)在杠杆两侧挂上不同数量相同规格的钩码,调节钩码位置,使杠杆重新在水平位置平衡,这样做的目的是为了直接从杠杆上读出力臂。
(3)一个钩码的重力为G,设杠杆的一个小格为L,由杠杆的平衡条件F1L1=F2L2知3G×4L=nG×3L,可得n=4,即在B位置挂上4个钩码,使杠杆在水平位置平衡。
(4)图丙中,当弹簧测力计绕A点从C位置转动到D位置的过程中,要保持杠杆仍在水平位置平衡,则拉力F将变小,因为当拉力由倾斜变成垂直时,阻力、阻力臂不变,拉力F的力臂变大,相应的力会变小,这样才能继续平衡。
4.(2020·天门)利用图中的装置探究杠杆平衡的条件,每个钩码的质量相等,杠杆上的刻度均匀。
(1)如图甲,不挂钩码时,出现杠杆右端下沉,应向_____(选填“左”或“右”)调节平衡螺母,直至杠杆在水平位置平衡;挂上钩码,移动钩码位置使杠杆在水平位置再次平衡,此时也要选择在水平位置平衡的目的是_____;
(2)图甲中,杠杆在水平位置已经平衡,若将杠杆两侧所挂的钩码各取下一个,杠杆会_____ (选填“顺时针”或“逆时针”)转动;
(3)三次实验数据见下表,分析数据可知,杠杆的平衡条件是_____;
次数
动力F1/N
动力臂l1/m
阻力F2/N
阻力臂l2/m
1
1.0
0.2
2.0
0.1
2
1.5
0.1
1.0
0.15
3
2.0
0.15
1.5
0.2
(4)如图乙,用弹簧测力计代替右侧钩码,沿与水平方向成60°角斜向下拉杠杆,保持杠杆在水平位置平衡。若把左侧钩码的拉力作为阻力,右侧弹簧测力计的拉力作为动力,此时的杠杆是____杠杆(选填“省力”“费力”或“等臂”);请在乙图中画出此时拉力F的力臂l。____
【答案】左 可以直接读出力臂(或“便于测量力臂”) 逆时针 F1l1=F2l2 省力
【解析】
(1)杠杆右端下沉,为了使它在水平位置平衡,应将杠杆两端的平衡螺母向左调节,使杠杆在不挂钩码时,保持水平静止;为了便于测量力臂,挂上钩码,移动钩码位置使杠杆在水平位置再次平衡,此时也要选择在水平位置平衡。
(2)设一个钩码的重力为G,一格的长度为l,将杠杆两侧所挂的钩码各取下一个,左端2G×2l=4Gl,右端G×3l=3Gl,左端力和力臂的乘积较大,杠杆逆时针转动。
(3)根据表中数据得到1.0N×0.2m=2.0N×0.1m=0.2N·m,1.5N×0.1m=1.0N×0.15m=0.15N·m,2.0N×0.15m=1.5N×0.2m=0.3N·m,可知杠杆的平衡条件为F1l1=F2l2
(4)设一格长度为l1,反向延长力F的作用线,从支点O向力F的作用线做垂线段,得到力臂l,如图所示:
动力臂l=3l1×sin60°=l1≈2.6l1,阻力臂l2=2l1,动力臂大于阻力臂,所以是省力杠杆。
5.(2020·盐城)小明做“探究杠杆平条件”实验:
(1)实验前,杠杆静止时的位置如图甲所示。要使杠杆在水平位置平衡,应将平衡螺母向______调节;
(2)使用弹簧测力计时,首先进行的操作是______;
(3)如图乙所示,在杠杆左侧挂2个钩码,每个钩码的质量为50g,为了便于在杠杆上直接读出力臂的大小,在A点沿______向下方向拉动弹簧测力计,直至杠杆在______位置平衡。并将第一次数据记录在表格中,表中F1大小为弹簧测力计示数,F2大小为钩码的重力,l1、l2分別为F1、F2对应的力臂;
(4)接下来,小明又进行了三次实验,将数据填在表中,最后总结得出律。每次实验总是在前一次基础上改变F2、l1、l2中的一个量。小华分析数据后发现,第______次实验与前一次改变的量相同,需要调整的实验步骤是______。
序号
FI/N
l1/cm
F2/N
l2/cm
1
1.5
10.0
1.0
15.0.
2
3.0
10.0
2.0
15.0
3
1.5
20.0
2.0
15.0
4
1.0
30.0
2.0
15.0
【答案】右 校零 竖直 水平 4 保持F2和l1不变,改变l2的大小
【解析】
(1)杠杆的右端上翘,要使它在水平位置平衡,平衡螺母向上翘的右端移动。
(2)使用弹簧测力计时,需要先将指针调到零刻度线处。
(3)由图可知,在杠杆左侧挂2个钩码,为了便于在杠杆上直接读出力臂的大小,由于力臂是支点到力的作用线的距离,所以在A点沿竖直向下方向拉动弹簧测力计,直至杠杆在水平位置平衡。
(4)由实验序号2、3可知,F2和l2不变,l1增大10cm,由序号4、3可知,F2和l2不变,l1增大10cm,所以第4次次实验与前一次改变的量相同。由于改变F2、l1、l2中的一个量,所以需要保持F2和l1不变,改变l2的大小。
中考物理一轮复习突破练习专项16 力学探究性实验专练(含解析): 这是一份中考物理一轮复习突破练习专项16 力学探究性实验专练(含解析),共33页。
初中物理中考复习 专项17 电学探究性实验专练(解析版)-备战2021年中考物理精选考点专项突破题集: 这是一份初中物理中考复习 专项17 电学探究性实验专练(解析版)-备战2021年中考物理精选考点专项突破题集,共42页。试卷主要包含了探究并联电路的电流规律等内容,欢迎下载使用。
初中物理中考复习 专项16 力学探究性实验专练(原卷版)-备战2021年中考物理精选考点专项突破题集: 这是一份初中物理中考复习 专项16 力学探究性实验专练(原卷版)-备战2021年中考物理精选考点专项突破题集,共22页。

