2021届高考物理二轮复习实验精解训练(13)特殊方法测电阻
展开
这是一份2021届高考物理二轮复习实验精解训练(13)特殊方法测电阻,共15页。试卷主要包含了5 V;,6 A,内阻)等内容,欢迎下载使用。
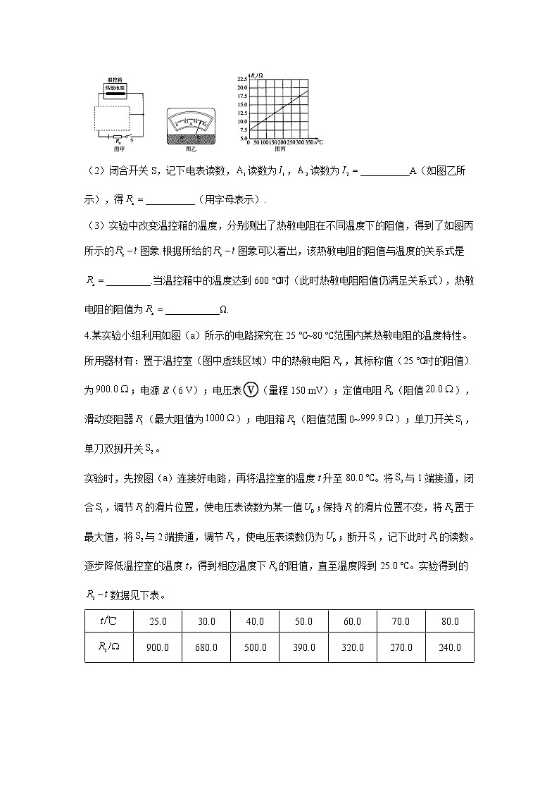
2021届高考物理二轮复习实验精解训练(13)特殊方法测电阻1.用伏安法测电阻,不论是电流表内接法,还是电流表外接法,都有系统误差.(1)如图(a)所示,如果电压表和电流表的读数分别为和,待测电阻的测量值________真实值(填“大于”“等于”或“小于”);如果已知电压表的内阻为,则待测电阻的阻值______.(2)由于电压表的内阻未知,小明设计了如图(b)所示的电路测量待测电阻.具体步骤如下:①闭合开关S,调节滑动变阻器R,使电流计的读数为零;②记录电压表的读数U和电流表的读数I;③待测电阻的阻值___________.(3)小华设计了如图(c)所示的电路测量待测电阻.具体步骤如下:①断开开关,闭合,调节滑动变阻器,使电流表的读数恰好为电流表的读数的一半;②闭合,并保持滑动变阻器的滑动触头位置不变,记录电压表的读数和电流表的读数;③待测电阻的阻值____________.2.从以下器材中选取适当的器材,设计一个测量阻值约为的电阻的电路,要求方法简捷,两端的电压从零开始变化,要尽可能提高测量的精度。电流表:量程,内阻为;电流表:量程,内阻为;电压表:量程10 V,内阻约为;电压表:量程3 V,内阻约为;电阻:阻值约为,作保护电阻用,额定电流为1 A;滑动变阻器:阻值约为,额定电流为1 A;滑动变阻器:阻值约为,额定电流为1 A;电池组E:电压为4.5 V;开关及导线若干。(1)应选用的电流表、电压表、滑动变阻器分别是______、________、______(填器材代号)。(2)在虚线框中画出实验电路图。(3)用所测数据对应的物理量计算,计算表达式为___________。3.一物理兴趣小组想通过实验探究某热敏电阻的阻值与温度的关系.实验中有如下器材:A.热敏电阻B.定值电阻C.考生电源(通过调节可输出0~12 V的电压)D.电流表(0.6 A,内阻)E.电流表(0.6 A,内阻为)F.温控箱(能显示温度并可调温度)G.开关S,导线若干(1)为了比较准确地测量电阻,请完成虚线框内电路图的设计.(2)闭合开关S,记下电表读数,读数为,读数为__________A(如图乙所示),得__________(用字母表示).(3)实验中改变温控箱的温度,分别测出了热敏电阻在不同温度下的阻值,得到了如图丙所示的图象.根据所给的图象可以看出,该热敏电阻的阻值与温度的关系式是_________.当温控箱中的温度达到600 ℃时(此时热敏电阻阻值仍满足关系式),热敏电阻的阻值为___________Ω.4.某实验小组利用如图(a)所示的电路探究在25 ℃~80 ℃范围内某热敏电阻的温度特性。所用器材有:置于温控室(图中虚线区域)中的热敏电阻,其标称值(25 ℃时的阻值)为;电源E(6 V);电压表(量程150 mV);定值电阻(阻值),滑动变阻器(最大阻值为);电阻箱(阻值范围0~);单刀开关,单刀双掷开关。实验时,先按图(a)连接好电路,再将温控室的温度t升至80.0 ℃。将与1端接通,闭合,调节的滑片位置,使电压表读数为某一值;保持的滑片位置不变,将置于最大值,将与2端接通,调节,使电压表读数仍为;断开,记下此时的读数。逐步降低温控室的温度t,得到相应温度下的阻值,直至温度降到25.0 ℃。实验得到的数据见下表。25.030.040.050.060.070.080.0900.0680.0500.0390.0320.0270.0240.0回答下列问题:(1)在闭合前,图(a)中的滑片应移动到________(填“a”或“b”)端;(2)在图(b)的坐标纸上补齐数据表中所给数据点,并作出曲线;(3)由图(b)可得到在25 ℃~80 ℃范围内的温度特性,当℃时,可得________Ω;(4)将握于手心,手心温度下的相应读数如图(c)所示,该读数为_____Ω,则手心温度为________℃。5.某研究性学习小组先用多用电表粗测待测电阻的阻值,后用伏安法精确测量待测电阻的阻值。(1)用多用电表欧姆挡倍率粗测的阻值,指针稳定时表盘如图甲所示,则的阻值约为________Ω。(2)实验要求尽可能准确地测量的阻值,实验室提供的器材如下,电流表应选_______,电压表应选_______。(填所选仪器的字母代号)电源E:电动势3 V,内阻忽略不计。电流表:量程0~15 mA,内阻为100 Ω。电流表:量程0~0.6 A,内阻约为0.3 Ω。电压表:量程0~3 V,内阻约为3 kΩ。电压表:量程0~15 V,内阻约为15 kΩ。滑动变阻器R:阻值范围0~10 Ω。定值电阻:阻值为10 Ω。定值电阻:阻值为100 Ω。开关S、导线若干。(3)在图乙的虚线框中补全测量阻值的电路图,并在图中标明所用器材代号。(4)调节滑动变阻器R的阻值,当电压表的示数为2.60 V时,电流表的示数是8.0 mA,则待测电阻的阻值为________Ω。6.某实验小组测量两个定值电阻和的阻值,首先利用多用电表进行测量,测量时,将“选择开关”置于“”挡,测量时,将“选择开关”置于“”挡,两次测量结果表盘上指针在同一个刻度,如图甲所示.(1)通过多用电表粗测电阻数值,电阻_____________Ω,_________Ω.(2)为了较精确的测量,设计了如图乙所示电路,实验室提供了以下器材:A.电压表V,量程0~2 V,内阻约2 kΩB.电流表,量程0~10 mA,内阻约2 ΩC.电流表,量程0~0.6 A,内阻约0.5 ΩD.电源:电动势E.滑动变阻器R,最大阻值10 Ω,最大电流为1 A F.导线、开关若干①将电阻接入两点时,要使测量误差较小,应选择电流表________(填仪器前序号),开关应连接________.②将电阻接入两点时,选择合适电流表,开关连接_________时测量误差较小;连接好电路,测出多组电压表、电流表的数值,做出图象如图丙,则电阻_______Ω;当电流为0.50 A时,电阻消耗的功率_______W.7.某同学通过实验测定一个阻值约为的电阻的阻值。(1)现有电源(电压为4 V)、滑动变阻器(0~,额定电流2 A)、开关和导线若干,以及下列电表:A.电流表(0~3 A,内阻约)B.电流表(0~0.6 A,内阻约)C.电压表(0~3 V,内阻约)D.电压表(0~15 V,内阻约)为减小测量误差,在实验中,电流表应选用_______,电压表应选用___________(选填器材前的字母),实验电路应采用图1中的_________(选填“甲”或“乙”)。(2)图2是测量的实验器材实物图,图中已连接了部分导线。请根据在(1)问中所选的电路图,补充完成图中实物间的连线。(3)接通开关,改变滑动变阻器滑片P的位置,并记录对应的电流表示数I、电压表示数U。某次两电表示数如图3所示,可得该电阻的测量值________Ω(保留2位有效数字)。(4)若在(1)问中选用甲电路,产生误差的主要原因是_________;若在(1)问中选用乙电路,产生误差的主要原因是__________。(选填选项前的字母)A.电流表测量值小于流经的电流值 B.电流表测量值大于流经的电流值C.电压表测量值小于两端的电压值 D.电压表测量值大于两端的电压值8.半导体压力传感器的工作原理是半导体材料的“压阻效应”,压阻效应是指半导体材料沿某一方向受到外力作用时,其电阻随外力变化的现象。某实验小组利用如图1所示的实验装置测量一半导体压力传感器的电阻随外力变化的关系。实验时将传感器固定在铁架台上,通过在传感器下方悬挂钩码的方式来改变传感器受到的拉力,然后通过计算机直接记录压力传感器的电阻值。已知每个钩码的重力为0.50 N。(1)该小组通过实验得到悬挂钩码的个数与传感器电阻值的关系如下表所示:悬挂钩码个数(个)12345传感器的电阻值(Ω)27.725.022.220.317.5①请根据表中的数据在图2所示的坐标系中描点并作出传感器电阻值R与受到的拉力F的图像;②根据图像写出传感器的电阻值R随拉力F变化的关系式为_______。(2)该小组将该压力传感器接入图3所示的电路,其中E是内阻不计、电动势为6 V的电源,是阻值为20 Ω的定值电阻,电流表A的内阻为5 Ω,C是用来保护电流表的电容器,能承受两端可加的最大电压为5 V。据此判断:①该电路能够测量的最大压力为________N;②该电路中电流表的示数I与压力传感器受到的压力F的关系式为_______;③如果将该电流表表盘上的电流刻度转换成能直接显示压力传感器所受压力的压力刻度,则压力刻度是________(填“均匀”或“不均匀”)的。
答案以及解析1.答案:(1)小于;(2)(3)解析:(1)如题图(a)所示,测量的是电压表和待测电阻并联后的电阻,则待测电阻的测量值小于真实值;如果电压表和电流表的读数分别为和,已知电压表的内阻为,则有,解得待测电阻的阻值.(2)由于电流计的读数为零,则电流表的示数即通过的电流,则待测电阻的阻值.(3)题图(c)中,断开开关,闭合,调节滑动变阻器,使电流表的读数恰好为电流表的读数的一半,则与所在的支路电阻相等,闭合,并保持滑动变阻器的滑动触头位置不变,记录电压表的读数和电流表的读数,则待测电阻的阻值.2.答案:(1);;(2)如图所示(3)(表示的读数,表示的读数)解析:(1)电源电压为4.5 V,所以电压表量程太大,误差太大,故选电压表;电路中的电流最大约为,故选电表,为了便于操作,选较小的滑动变阻器,故选。(2)题中要求被测电路两端的电压从零开始,故采用滑动变阻器的分压接法,由于电压表的内阻和被测电阻的阻值接近,故采用电流表的内接法。电压表量程为3 V,使用作为保护电阻。(3)电压表读数为,电流表的读数为,而电阻的电压为的读数减去电流表的分压,则由欧姆定律可知。3.答案:(1)如图所示(2)0.50;(3);27.5解析:(1)测电阻阻值需要测出电阻两端的电压与通过电阻的电流,所给实验器材没有电压表,可以用已知内阻的电流表与待测电阻并联,间接测出电阻两端的电压,另一个电流表串联在电路中测电路电流.(2)量程为0.6 A的电流表最小分度为0.02 A,故电流表的读数为0.50 A;电阻两端电压,通过电阻的电流,电阻阻值.(3)由图象可知,该热敏电阻的阻值与温度呈线性关系,为求图线的斜率,可在图线上找两个距离较远的点,如、,图线的斜率为,所以该热敏电阻的阻值与温度的关系式是.当温控箱中的温度达到600 ℃时,该热敏电阻的阻值为.4.答案:(1)b(2)如图(3)450(4)620.0;33解析:(1)题图(a)的电路滑动变阻器采用限流接法,在闭合前,应该调节到接入电路部分的阻值最大,使电路中电流最小,即题图(a)中的滑片应移到b端。(2)将和对应的两组数据画在坐标图上,然后用平滑曲线过尽可能多的数据点画出曲线。(3)根据题述实验过程可知,测量的的数据等于对应的热敏电阻的阻值。由画出的曲线可知,当 ℃时,对应的。(4)由画出的曲线可知,当时,手心温度。5.答案:(1)120(2);(3)如图所示(4)112.5解析:(1)由题图甲可知,所测电阻阻值约为。(2)通过的最大电流约为,可用电流表与定值电阻并联,改装成一个量程为30 mA的电流表;电源电动势为3 V,则电压表选择。(3)因改装后电流表的内阻已知,故电流表采用内接法;滑动变阻器用分压式接法。(4)电流表的示数是8.0 mA,此时通过待测电阻的电流为16 mA,则待测电阻的阻值为。6.答案:(1)300;3.0(2)①B;b②a;2.80;0.70解析:(1)由题图甲可知.(2)①将电阻接入两点时,最大电流,电流表应选量程0~10 mA,电流表应选B,此时测量电流时误差小;,电流表应内接,开关连接b时测量误差小.②将电阻接入两点时,最大电流,电流表应选,电流表应采用外接法,即开关连接a时测量误差小;由图象得,斜率;当电流为0.50 A时,电阻消耗的功率.7.答案:(1)B;C;甲(2)连接的实物图如图所示(3)5.2(4)B;D解析:(1)因电源的电压为4 V,因此电压表选择3 V量程;由于电阻的阻值约为,根据欧姆定律可知,电流的最大值为0.8 A,从精确角度来说,电流表选择0.6 A的量程;根据待测电阻的阻值与电压表及电流表的阻值关系,可知应选择电流表外接法,故选择题图1中的甲电路。(2)连接的实物图如图所示。(3)电压表的示数为,电流表的示数为,电阻阻值。(4)题图1中甲电路采用的是电流表外接法,实际上电压表并不是理想电表,所以电压表也有电流通过,电流表测量的电流是流经和电压表的电流之和,所以产生误差的主要原因是电流表测量值大于流经的电流值,选B;题图1中乙电路采用的是电流表内接法,实际上电流表并不是理想电表,所以电流表两端也有电压,电压表测量的电压是和电流表两端的电压之和,所以产生误差的主要原因是电压表测量值大于两端的电压值,选D。8.答案:(1)①图像见解题思路②(2)①5②③不均匀解析:(1)①根据表中数据描点作出图像如图所示;②由作出的图像可知,R与F之间的关系为一次函数关系,该图线的斜率为,故传感器电阻值R随拉力F变化的关系式为。(2)①由可知,压力传感器上的压力越大,压力传感器的电阻值越小,又压力传感器和定值电阻、电流表A串联,故当电容器两端电压达到最大5 V时,压力传感器可以测得的压力最大,此时压力传感器两端的电压为1 V,设此时压力传感器的电阻值为,则有,解得,再由可得该电路能够测量的最大压力为;②由闭合电路欧姆定律可得电流表的示数,因,代入数据并整理可得;③由可以看出,待测压力F与电流I不是一次函数关系,所以将电流表表盘的刻度转换为压力刻度后,压力刻度是不均匀的。
相关试卷
这是一份2021届高考物理二轮复习实验精解训练(2)实验:探究弹力和弹簧伸长量的关系,共10页。试卷主要包含了8 N/kg)等内容,欢迎下载使用。
这是一份2021届高考物理二轮复习实验精解训练(11)实验:电源电动势和内阻的测量,共13页。试卷主要包含了6 A,内阻小于,某一充电宝的产品参数如图甲所示等内容,欢迎下载使用。
这是一份2021届高考物理二轮复习实验精解训练(5)实验:研究平抛运动,共10页。试卷主要包含了在“研究平抛运动”实验中,45等内容,欢迎下载使用。

