所属成套资源:初中中考物理专题训练(含解析)
中考物理专题复习 分类集训14 欧姆定律(含解析)
展开
这是一份中考物理专题复习 分类集训14 欧姆定律(含解析),共17页。
命题点1 动态电路分析
Ι.滑动变阻器滑片移动引起的动态电路分析
1. (2019安徽)如图所示的电路中,电源电压保持不变,R为定值电阻.闭合开关,向左移动滑片P,则( )
第1题图
A. 电压表的示数变大,电流表的示数变大
B. 电压表的示数变大,电流表的示数变小
C. 电压表的示数不变,电流表的示数变大
D. 电压表的示数变小,电流表的示数变大
2. (2019滨州)如图所示电路,电源电压保持不变,R1为定值电阻.闭合开关S,滑动变阻器R2的滑片P向右滑动的过程中,关于电压表和电流表的示数变化,判断正确的是( )
第2题图
A. 电压表示数变小,电流表示数不变
B. 电压表示数不变,电流表示数变大
C. 电压表示数变大,电流表示数不变
D. 电压表示数不变,电流表示数变小
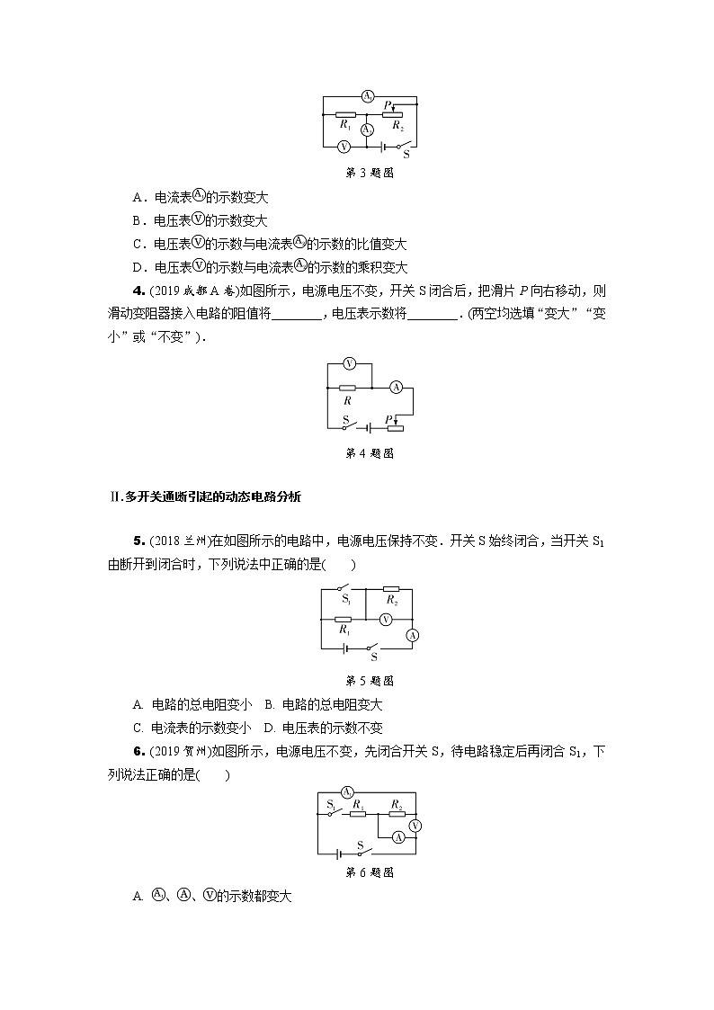
3. (2019襄阳)如图所示,电源电压保持不变.闭合开关S,当滑动变阻器滑片P向右滑动过程中,下列说法正确的是( )
第3题图
A.电流表的示数变大
B.电压表的示数变大
C.电压表的示数与电流表的示数的比值变大
D.电压表的示数与电流表的示数的乘积变大
4. (2019成都A卷)如图所示,电源电压不变,开关S闭合后,把滑片P向右移动,则滑动变阻器接入电路的阻值将________,电压表示数将________.(两空均选填“变大”“变小”或“不变”).
第4题图
Ⅱ.多开关通断引起的动态电路分析
5. (2018兰州)在如图所示的电路中,电源电压保持不变.开关S始终闭合,当开关S1由断开到闭合时,下列说法中正确的是( )
第5题图
A. 电路的总电阻变小 B. 电路的总电阻变大
C. 电流表的示数变小 D. 电压表的示数不变
6. (2019贺州)如图所示,电源电压不变,先闭合开关S,待电路稳定后再闭合S1,下列说法正确的是( )
第6题图
A. 、、的示数都变大
B. 的示数不变,的示数变大,的示数不变
C. 的示数变小,的示数变小,的示数不变
D. 的示数不变,的示数不变,的示数变大
7. (2019武汉)如图所示,电源电压保持不变.只闭合开关S1,电流表和电压表均有示数,若再闭合开关S2,则下列说法正确的是( )
第7题图
A. 电流表示数变大,电压表示数变小
B. 电流表示数变小,电压表示数不变
C. 电压表示数与电流表示数的比值变小
D. 电压表示数与电流表示数的比值不变
Ⅲ.敏感电阻引起的动态电路分析
8. (2019玉林)光敏电阻的阻值随光照强度的增大而减小.如图所示,闭合开关,逐渐减弱光敏电阻的光照强度,下列说法正确的是( )
第8题图
A. 电流表和电压表的示数均变小
B. 电流表和电压表的示数均变大
C. 电流表的示数变小,电压表的示数变大
D. 电流表的示数变大,电压表的示数变小
9. (2019青岛)如图甲是某酒精浓度检测仪的原理图.电源电压保持不变,R1为定值电阻,R2为酒精气体敏感电阻,它的阻值随酒精气体浓度的变化曲线如图乙所示.闭合开关,驾驶员呼出的气体中酒精浓度越大,R2的阻值________,电压表示数________.当电压表示数达到一定值时,检测仪发出报警信号.
第9题图
命题点2 欧姆定律相关计算
Ι.文字表述类
10. (2018哈尔滨)电阻R1、R2串联,电源电压是10 V,R1两端电压为8 V,R1为10 Ω,则R1中的电流等于________A,R2等于________Ω.
11. (2018天津)当某导体两端电压是3 V时,通过它的电流是 0.2 A,该导体的电阻是________Ω;当它两端电压为0时,该导体的电阻为________Ω.
Ⅱ.简单电路类
12. (2019广东省卷)如图所示,灯泡L1、L2的电阻分别为10 Ω、20 Ω,闭合开关S,通过L1、L2的电流分别为I1、I2,它们两端的电压分别为U1、U2,则( )
第12题图
A. I1∶I2=1∶1,U1∶U2=2∶1
B. I1∶I2=1∶2,U1∶U2=1∶1
C. I1∶I2=1∶1,U1∶U2=1∶2
D. I1∶I2=1∶2,U1∶U2=1∶2
13. (2018眉山)如图所示,电源电压保持不变.闭合开关S后,两灯都能正常工作.灯L1、L2的电阻之比为R1∶R2=1∶2,此时甲、乙两电表的示数之比为( )
第13题图
A. 2∶1
B. 1∶2
C. 3∶2
D. 2∶3
14. (2019泰州)如图甲,定值电阻R2的阻值为40 Ω.闭合开关,电流表、的指针偏转均如图乙所示.则电流表的读数为______A,电流表的读数为______A,电源电压为______V,R1的阻值为______Ω.
第14题图
Ⅲ.动态电路类
15. (2019福建)如图电路,电源电压恒定,R1=12 Ω,R2=6 Ω,R3是定值电阻.闭合开关S1,单刀双掷开关S2接a时电流表的示数为0.6 A,接b时电流表的示数可能为( )
第15题图
A. 0.3 A B. 0.6 A C. 0.9 A D. 1.2 A
16. (2018广安)如图所示的电路,电源电压恒为4.5 V,电流表的量程为0~0.6 A,电压表的量程为0~3 V,定值电阻阻值5 Ω,滑动变阻器R的最大阻值为50 Ω. 闭合开关S,移动滑片P的过程中,下列说法正确的是( )
第16题图
A. 若滑片P向左移,电流表的示数变小
B. 电压表与电流表的比值不变
C. 滑动变阻器允许的调节范围是2.5 Ω~50 Ω
D. 电流表的变化范围是0.3 A~0.6 A
17. (2019衡阳)如图所示,R为定值电阻,R′为滑动变阻器,闭合开关S,将滑动变阻器的滑片从a端逐渐滑动到b端,发现表示数从2 V变化到6 V,而表示数从4 V变化到0,则电流表示数从0.2 A变化到________A,R=________Ω.
第17题图
18. (2019襄阳)如图所示,电源电压保持不变,电阻R1=R2=R3=10 Ω.若只使R2、R3并联接入电路,则应闭合开关________,此时电流表的示数为I1;要使R1、R2串联,应断开开关S1、S2,此时电流表的示数为I2,则I1∶I2=________.
第18题图
Ⅳ .U-I图像类
19. (2019淮安)如图(a)所示是电阻甲和乙的I-U图像;(b)、(c)是它们的部分电路连接示意图,下列说法错误的是( )
第19题图
A. 当电阻乙两端电压为2.5 V时,它的阻值和甲的阻值相等
B. 图(b)中,当电压U为3 V时,乙的电阻为5 Ω
C. 图(c)中,当电压U为2 V时,干路总电流为 0.6 A
D. 图(c)中,在电压U从0增大到2.5 V的过程中,通过甲、乙两电阻的电流之差先变大后变小
20. (2019安徽)图示为电阻A和B的I-U图像.若将A、B串联接入某电源两端,则闭合开关后,它们两端的电压UA、UB之比是________;若将A、B并联接入电源两端,闭合开关后,测得干路电流为0.6 A,则电源电压是________V.
第20题图
命题点3 探究电流与电压的关系
21. (2018广东省卷)(7分)在“探究电流跟电压关系”的实验中.
(1)如图甲所示,甲为________,乙为________.(选填“电流表”或“电压表”)
(2)用笔画线代替导线将图乙中电路连接完整,要求实验过程中滑动变阻器的滑片P从右向左移动.(导线不能交叉)
(3)在实验操作过程中保持________不变,闭合开关时,调节滑动变阻器的滑片P做了三组实验数据,如图丙表所示,请根据该图表中数据在图丁中进行描点连线.
(4)对实验数据进行分析,归纳出结论是__________________________________________
________________________________________________________________________.
甲 乙
丙
eq \a\vs4\al(, 丁)
第21题图
命题点4 探究电流与电阻的关系
22. (2019龙东)(6分)某学习小组在“探究通电导体电流与电阻的关系”的实验中,小明连接了如图甲所示的电路(电源电压保持4.5 V不变).
第22题图
(1)用笔画线代替导线将图甲实物电路连接完整(要求:滑动变阻器的滑片P向左移动,电路中电流变大,导线不得交叉).
(2)连接好电路,闭合开关,发现电压表示数接近于电源电压,电流表几乎无示数,则故障为定值电阻R________(选填“短路”或“断路”).
(3)图乙是小组根据测得的实验数据所绘制的电流I随电阻R变化的图像,由图像可知R两端的电压为______V;当R的电阻由5 Ω更换为10 Ω时,闭合开关后.为了使R两端的电压________(选填“改变”或“不变”),滑动变阻器的滑片应向________(选填“左”或“右”)端滑动;若实验中R的阻值分别是5 Ω、10 Ω、15 Ω,则滑动变阻器的阻值至少是________Ω.
命题点5 测量定值电阻的阻值
Ι.常规方法
23. (2019重庆B卷)(8分)小明同学在“伏安法测电阻”的实验中:
第23题图
(1)在连接电路时,开关S应处于________状态,滑动变阻器的滑片P应放在电阻最________的位置.
(2)小明同学连接了如图甲所示的电路,闭合开关,电流表________示数,电压表________示数.(两空均选填“有”或“无”)
(3)他仔细检查电路,发现有一根导线连接错误,请你在图甲中错误的导线上画“×”,并用笔画线代替导线画出正确的一根连接导线.
(4)正确连接电路后,闭合开关,调节滑动变阻器滑片P,当电压表的示数为2 V时,观察到电流表示数如图乙所示,他记下数据并算出电阻R的阻值为________Ω.
(5)同组小斌同学继续向________(选填“A”或“B”)端移动滑片P,适当增大电阻R两端的电压,并进行了多次测量计算电阻的平均值从而减小实验误差.
Ⅱ.特殊方法
24. (2019南京)(9分)有两只阻值未知的定值电阻R1、R2.
(1)图甲是用伏安法测R1阻值的实物电路,电源电压恒为3 V,滑动变阻器最大阻值为10 Ω.
第24题图
①甲图中有一根导线连接错误,请在该导线上画“×”并在图上改正(所画的导线用实线且不能交叉).
②改正电路后,闭合开关,发现无论怎样移动滑动变阻器滑片,两电表均无示数,其原因可能是________(填字母).
A. 滑动变阻器断路 B. R1断路 C. R1短路
③故障排除后,正确操作实验器材,移动滑片,当电压表示数为1.2 V时,电流表示数如图乙所示,则待测电阻R1=________Ω.
④现有以下三组数据,分析可知,不可能通过以上实验获得的数据有______(填序号).
第24题图丙
(2)图丙是能巧测R2阻值的实验电路.图中R为电阻箱,R0为定值电阻(阻值未知).要求仅利用电阻箱读数表达R2的阻值,请在空白处填上适当内容.
①将开关接a,调节电阻箱和滑动变阻器滑片P至适当位置,记下__________________;
②将开关接b,调节________,保持________不变,记下________________;
③则R2=________________.
命题点6 测量小灯泡的电阻
Ι.常规方法
25. (2019岳阳)(8分)利用图甲测小灯泡的电阻,小灯泡的额定电压为2.5 V,电源电压恒定不变.
第25题图
(1)闭合开关前,应将滑动变阻器的滑片P置于________端(选填“A”或“B”),目的是保护电路.
(2)闭合开关后,发现小灯泡不亮,则接下来合理的操作是________(填字母代号).
A. 断开开关,更换小灯泡
B. 移动滑动变阻器,观察小灯泡是否发光
(3)当小灯泡正常发光时,电流表示数如图乙,则小灯泡正常发光时的电流为________A,小灯泡正常发光时的电阻为________Ω(计算结果保留一位小数).
(4)某同学根据记录的部分实验数据,计算出小灯泡的电阻,发现有一组测量数据存在错误.请指出错误数据的序号并说明判断依据________________________________________.
Ⅱ.特殊方法
26. (2018北部湾经济区)(7分)在测量小灯泡电阻的实验中, 小灯泡的额定电压为2.5 V.
第26题图
(1)为了测量更精确,电压表应选择的量程是0~______(选填“3”或“15”)V.
(2)小明按图甲连接好电路后,闭合开关,无论怎样移动滑动变阻器的滑片,发现小灯泡都不亮,电流表有示数,电压表无示数.则故障原因可能是小灯泡________(选填“短路”或“断路”).
(3)排除故障后,调节滑动变阻器滑片,使电压表示数为2.5 V,此时电流表的示数如图乙所示,为________A.
(4)接着调节滑动变阻器滑片,让电压逐次下调,使灯丝温度不断降低,小灯泡变暗直至完全不发光,测量数据如下表所示.
综合分析可知,实验中滑动变阻器的滑片逐渐向________(选填“左”或“右”)端滑动;随着灯丝温度降低,小灯泡的电阻值变________(选填“大”或“小”).
第26题图丙
(5)小明还设计了如图丙所示的电路,测出了另一小灯泡的额定功率.已知滑动变阻器R1的最大阻值为R0,小灯泡的额定电压为U额,请完成下列的实验步骤:
①只闭合开关S、S1,调节R1的滑片,使电压表的示数为U额.
②接着____________________________________________________________________.
③再将R1的滑片调至最左端,记下电压表的示数为U1;将R1的滑片调至最右端,记下电压表的示数为U2,小灯泡额定功率的表达式:P额=______(用R0、U额、U1、U2表示).
分类集训14 欧姆定律
命题点分类集训
1. A 【解析】由电路图知定值电阻R与滑动变阻器串联,电压表测定值电阻R两端的电压,当滑片P向左移动时,滑动变阻器接入电路的电阻减小,电路中的总电阻变小,电流变大,即电流表示数变大,由U=IR可知R两端的电压变大,即电压表示数变大.A正确.故选A.
2. D 【解析】由电路图可知,定值电阻R1和滑动变阻器R2并联,电流表测干路中的电流,电压表测电源电压所以电压表的示数不变,A、C错误;当滑片P向右滑动时,滑动变阻器R2接入电路中的电阻变大,由欧姆定律可知,通过滑动变阻器的电流变小,由于定值电阻R1的阻值及两端电压不变,因此通过R1的电流不变,由于电流表的示数等于两条支路电流之和,所以电流表的示数会变小,B错误,D正确.故选D.
3. C 【解析】由电路图可知,R1与R2并联,电流表测R1支路的电流,电流表测干路电流,电压表测电源电压.因电源电压保持不变,所以滑片移动时,电压表的示数不变,B错误;因并联电路中各支路独立工作、互不影响,所以,滑片移动时,通过R1的电流不变,即电流表的示数不变,A错误;将滑动变阻器的滑片P向右移动,R2接入电路中的电阻变大,由I=eq \f(U,R)可知,通过R2的电流变小,因并联电路中干路电流等于各支路电流之和,所以,干路电流变小,即电流表的示数变小,电压表的示数与电流表的示数的比值变大,C正确;电压表的示数与电流表的示数的乘积变小,D错误.故选C.
4. 变大 变小 【解析】由电路图可知,变阻器和定值电阻串联,电流表测量串联电路电流,电压表测量定值电阻两端电压.滑片右移时,变阻器接入电路中的电阻变大,电路中总电阻变大,根据欧姆定律I=eq \f(U,R)可得串联电路的电流减小,而定值电阻的阻值不变,通过它的电流减小,由U=IR可知其两端电压变小,因此电压表示数变小.
5. A 【解析】由电路图可知,开关S始终闭合,S1断开时,R1与R2串联,电压表测R2两端的电压,电流表测电路中的电流.当S1由断开到闭合时,R1被短路,电路中的总电阻减小,A正确、B错误;由I=eq \f(U,R)可知,电源电压不变,电路中的电阻减小,电流表的示数变大,C错误;S1闭合后电压表测电源电压,电压表的示数变大,D错误.故选A.
6. B
7. D 【解析】由电路图可知,只闭合S1时,R1与R2串联,电压表测R1两端的电压,电流表测电路中的电流;若再闭合S2时,R2被短路,电路为R1的简单电路,电压表测R1两端的电压,电流表测电路中的电流,因串联电路中总电阻等于各分电阻之和,所以电路中的总电阻变小,由I=eq \f(U,R)可知,电路中的电流变大,即电流表的示数变大,B错误;由U=IR知,R1两端的电压变大,即电压表的示数变大,A错误;由R=eq \f(U,I)可知,电压表与电流表示数比值等于R1的阻值,则其比值不变,C错误,D正确.故选D.
8. C 【解析】减弱光敏电阻光照强度,光敏电阻的阻值变大,电源电压不变,根据欧姆定律I=eq \f(U,R)得,电路电流减小,即电流表示数变小;光敏电阻的阻值变大,根据串联电路电压规律可知,光敏电阻两端的电压变大,即电压表示数变大,故选C.
9. 越小 越大 【解析】由题图乙可知,R2随酒精气体的浓度的增大而减小,驾驶员呼出的气体中酒精浓度越大,R2的阻值越小,由题图甲可知,R1与R2串联接入电路,电压表测R1两端电压,根据欧姆定律,R2减小时,电路中电流I变大,由于R1为定值电阻,根据U=IR1可知,I变大,R1不变,所以电压表的示数变大.
10. 0.8 2.5
11. 15 15 【解析】根据欧姆定律可知,导体的电阻为R=eq \f(U,I)=eq \f(3 V,0.2 A)=15 Ω;电阻是导体本身的一种性质,与导体的长度、材料、横截面积和温度有关,与导体两端的电压、通过导体的电流无关,因此当导体两端的电压为零时,导体的电阻仍为15 Ω.
12. C 【解析】 两个灯泡串联,串联电路各处的电流相等,所以I1∶I2=1∶1;串联电路电压的分配和电阻成正比,eq \f(U1,U2)=eq \f(R1,R2)=eq \f(10 Ω,20 Ω)=eq \f(1,2),C正确.故选C.
13. D 【解析】如果甲、乙任何一个为电流表,都将会形成短路,因此甲、乙都为电压表,此时灯L1、L2串联,电压表甲测量L2两端电压,电压表乙测量电源电压;因为串联电路电流处处相等,所以灯L1、L2两端电压之比为U1∶U2=IR1∶IR2=R1∶R2=1∶2,即U甲=U2=2U1,又因为串联电路中总电压等于各用电器两端电压之和,则电源电压U乙=U1+U2=3U1,则U甲∶U乙=2U1∶3U1=2∶3.故选D.
14. 1.5 0.3 12 10 【解析】由图可知,两电阻并联,电流表测量干路电流,测量通过R2的电流;由并联电路的电流特点可知,I1>I2,则电流表的读数为1.5 A,电流表的读数为0.3 A,电源电压为U=I2R2=0.3 A×40 Ω=12 V,R1=eq \f(U,I1-I2)=eq \f(12 V,1.5 A-0.3 A)=10 Ω.
15. C 【解析】由题意得:eq \f(U,12 Ω+R3)=0.6 A①,eq \f(U,6 Ω+R3)=I′②,eq \f(②,①)得:I′=eq \f(12 Ω+R3,6 Ω+R3)×0.6 A,因为1
相关试卷
这是一份中考物理专题复习分类集训(真题版) 分类集训:14 欧姆定律(含答案),共25页。
这是一份中考物理专题复习 中考冲刺集训--欧姆定律(含解析),共20页。试卷主要包含了选择题,填空题,实验探究题,计算题等内容,欢迎下载使用。
这是一份中考物理专题复习 分类集训17 电与磁(含解析),共12页。

