高中物理人教版 (新课标)选修3选修3-2第五章 交变电流4 变压器学案设计
展开
这是一份高中物理人教版 (新课标)选修3选修3-2第五章 交变电流4 变压器学案设计,共4页。学案主要包含了预习目标,预习内容,提出疑惑等内容,欢迎下载使用。
课前预习学案
一、预习目标
预习变压器的工作原理以及变压变流的规律和功率关系。
二、预习内容
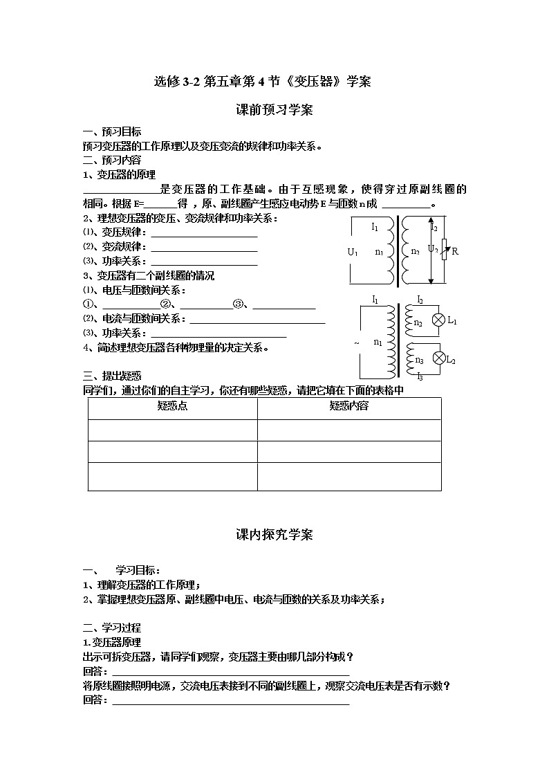
1、变压器的原理
是变压器的工作基础。由于互感现象,使得穿过原副线圈的 相同。根据E= 得 ,原、副线圈产生感应电动势E与匝数n成 。
I1
I2
U1
n1
n2
R
U2
2、理想变压器的变压、变流规律和功率关系:
= 1 \* GB2 ⑴、变压规律:
= 2 \* GB2 ⑵、变流规律:
= 3 \* GB2 ⑶、功率关系:
3、变压器有二个副线圈的情况
I2
I1
= 1 \* GB2 ⑴、电压与匝数间关系:
~
n1
n2
n3
I3
L1
L2
= 1 \* GB3 ①、 = 2 \* GB3 ②、 = 3 \* GB3 ③、
= 2 \* GB2 ⑵、电流与匝数间关系:
= 3 \* GB2 ⑶、功率关系:
4、简述理想变压器各种物理量的决定关系。
三、提出疑惑
同学们,通过你们的自主学习,你还有哪些疑惑,请把它填在下面的表格中
课内探究学案
学习目标:
1、理解变压器的工作原理;
2、掌握理想变压器原、副线圈中电压、电流与匝数的关系及功率关系;
二、学习过程
1.变压器原理
出示可拆变压器,请同学们观察,变压器主要由哪几部分构成?
回答:
将原线圈接照明电源,交流电压表接到不同的副线圈上,观察交流电压表是否有示数?
回答:
副线圈两端的交流电压是如何产生的?请同学们从电磁感应的角度去思考
回答:
变压器的铁芯起什么作用?
回答:
2.实验探究得出理想变压器得变比关系,推导理想变压器的变压比公式.
推到过程:
3.请同学们阅读教材,回答下列问题:
(1)什么叫理想变压器?
(2)什么叫升压变压器?
(3)什么叫降压变压器?
(4)电视机里的变压器和复读机里的变压器各属于哪一类变压器?
4.几种常见的变压器
变压器的种类很多,请同学们阅读教材,了解几种常见的变压器,并回答下列问题:
(1)自耦变压器有何特点?
(2)自耦变压器如何作升压变压器?又如何作降压变压器?
(3)互感器分为哪几类?
(4)电压互感器的作用是什么?
(5)电流互感器的作用是什么?
(三)反思总结:
(四)当堂检测
1.关于只有一只副线圈的理想变压器,下列说法中正确的是
A.输出功率由输入功率的大小而决定
B.输入功率的大小由输出功率的大小而决定
C.输出端负载越大原线圈中的电流越小
D.输出端负载电阻的阻值越大输入功率越大
a
b
c
d
e
f
g
h
2.如图所示,左右两个电路中,当a、b两端和e、f两端分别接220V的交变电压时,测得c、d两端和g、h两端的电压均为110V.若分别在c、d两端和g、h两端加上110V交变电压,则a、b两端和e、f两端测得的电压将分别是
A.220V,220V B.220V,110V
C.110V,110V D.220V, 0V
M
N
R
L1
L2
S
~
3.如图所示,理想变压器的副线圈上通过电阻为R的输电线后接有两只相同的白炽灯泡L1、L2.开始时,电键S断开.现将S接通,下列说法中错误的是
A.副线圈两端M、N间的电压将减小
B.副线圈输电线上的电压降将增大
C.灯泡L1的亮度将减小
D.通过原线圈的电流将增大
4.如图所示,理想变压器的原线圈匝数为n1=1000匝,副线圈匝数为n2=200匝,交变电源的电动势e=311sin314tV,电阻R=88Ω,电流表和电压表对电路的影响忽略不计.下列结论正确的是
A1
V1
V2
A2
R
n1 n2
A.电流表A1的示数为0.10A
B.电压表V1的示数为311V
C.电流表A1的示数为0.75A
D.电压表V2的示数为62.2V
课后练习与提高
A1
V1
V2
A2
R
n1 n2
1.如图所示,理想变压器给负载R供电.保持输入的交变电压不变,各交流电表对电路的影响不计.当负载电阻的滑动触头向下移动时,图中各交流电表的示数及变压器的输入功率P的变化情况是
A.V1和V2不变,A1增大,A2减小,P增大
B.V1和V2不变,A1和A2增大,P增大
C.V1和V2不变,A1和A2减小,P减小
D.V1不变,V2增大,A1减小,A2增大,P减小
K
a
b
R
U1
2.如图所示,理想变压器输入的交变电压为U1,原线圈中的电流为I1.下列说法中正确的是
A.保持U1及R不变,将K由a改接到b时,I1将减小
B.保持U1及R不变,将K由b改接到a时,R的功率将增大
C.保持U1及K不变,将R增大时,I1将增大
D.K不变,U1增大,I1将增大
图(a)
A
铁芯
图(b)
3.钳形电流表的外形和结构如图(a)所示。图(a)中电流表的读数为1.2A 。图(b)中用同一电缆线绕了3匝,则
A.这种电流表能测直流电流,图(b)的读数为2.4A
B.这种电流表能测交流电流,图(b)的读数为0.4A
C.这种电流表能测交流电流,图(b)的读数为3.6A
D.这种电流表既能测直流电流,又能测交流电流,图 (b)的读数为3.6A
u
a
b
4.如图所示,理想变压器初级线圈接交变电压u,次级线圈a仅有1匝,外电路是一匝同样材料,同样大小的线圈b,且a的横截面积是b的2倍.此时测得次级线圈和外电路连接处两点间的电压为3.2V.若将a、b线圈的位置对调后,再测次级线圈和外电路连接处两点间的电压将是多少伏?
当堂检测参考答案:1.B 2.B 3.A 4.A
课后练习与提高答案: 1.B 2.D 3.C 4. 1.6V
、
预习内容答案:1电磁感应定律 nΔψ/Δt 正比
2.U1:U2=N1:N2 I1:I2=N2:N1 P1=P2
3.疑惑点
疑惑内容
相关学案
这是一份2020-2021学年4 变压器学案设计
这是一份高中物理人教版 (新课标)选修34 变压器学案
这是一份人教版 (新课标)选修34 变压器学案设计

