- 中考物理实验专题实验十三、粗略测算大气压强的实验 试卷 12 次下载
- 中考物理实验专题实验十四、探究影响浮力大小的因素实验 试卷 12 次下载
- 中考物理实验专题实验十六、测定滑轮组的机械效率实验 试卷 12 次下载
- 中考物理实验专题实验十七、探究决定动能大小的因素实验 试卷 12 次下载
- 中考物理实验专题实验十八、探究电阻大小的影响因素的实验 试卷 15 次下载
中考物理实验专题实验十五 探究杠杆平衡条件的实验
展开实验十五 探究杠杆平衡条件的实验
【探究目的】:
杠杆的平衡条件
【实验器材】:
杠杆、钩码盒一套、弹簧测力计、 细线、 刻度尺;
【探究假设】:
杠杆的平衡可能与“动力和力臂的乘积”、“阻力和阻力臂的乘积”有关。
【实验步骤】:
①调节杠杆两端的 平衡螺母 ,使横梁平衡。
②在杠杆的左右两端分别用细线依次悬挂个数不同钩码【每一个钩50g=0.05kg,重为:G=mg=0.05kg×10N/kg=0.5N】,(假设左端砝码的重力产生的拉力为阻力F2,右端钩码的重力产生的拉力为动力F1,)先固定F1大小和动力臂l1的大小,再选择适当的阻力F2,然后移动阻力作用点,改变阻力臂l 2大小,直至杠杆平衡,分别记录下此时动力F1、动力臂l1、阻力F2和阻力臂l 2的数值,并将实验数据记录在表格中。
③固定F1大小和动力臂l1的大小,改变阻力F2的大小,在移动阻力作用点,改变阻力臂l 2大小,直至杠杆平衡,记录下此时的阻力F2和阻力臂l 2的数值,并填入到实验记录表格中。
④改变动力F1的大小,保持动力臂l1的大小以及阻力F2大小不变,再改变阻力F2作用点,直至杠杆重新平衡,记录下此时动力F1大小和阻力臂l 2的大小,并填入到实验数据记录表。
⑤整理实验器材。
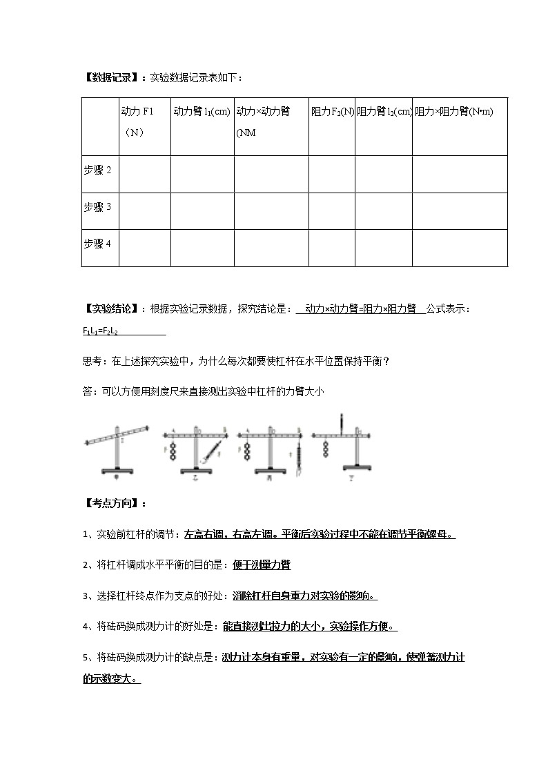
【数据记录】:实验数据记录表如下:
| 动力F1(N) | 动力臂l1(cm) | 动力×动力臂(NM | 阻力F2(N) | 阻力臂l2(cm) | 阻力×阻力臂(N•m) |
步骤2 |
|
|
|
|
|
|
步骤3 |
|
|
|
|
|
|
步骤4 |
|
|
|
|
|
|
【实验结论】:根据实验记录数据,探究结论是: 动力×动力臂=阻力×阻力臂 公式表示: F1L1=F2L2
思考:在上述探究实验中,为什么每次都要使杠杆在水平位置保持平衡?
答:可以方便用刻度尺来直接测出实验中杠杆的力臂大小
【考点方向】:
1、实验前杠杆的调节:左高右调,右高左调。平衡后实验过程中不能在调节平衡螺母。
2、将杠杆调成水平平衡的目的是:便于测量力臂
3、选择杠杆终点作为支点的好处:消除杠杆自身重力对实验的影响。
4、将砝码换成测力计的好处是:能直接测出拉力的大小,实验操作方便。
5、将砝码换成测力计的缺点是:测力计本身有重量,对实验有一定的影响,使弹簧测力计的示数变大。
6、如上图,乙图和丙图中,弹簧测力计的示数作怎样变化:由大变小,原因是力臂由小变大。
7、你认为哪个图更合理?答:丁图,实验不受弹簧测力计的重力的影响。
8、使用弹簧测力计代替钩码最终目的是:更能正确认识力臂。
9、多次实验的目的是:避免实验的偶然性,是结论具有普遍规律。
【经典例题】:
【母题】:小红和小明利用如图所示装置探究杠杆的平衡条件.
(1)若实验前杠杆静止如图甲所示,此时杠杆处于 (选填“平衡状态”或“不平衡状态”),可将杠杆两端的平衡螺母向________(填“左”或“右”)调节,使杠杆在水平位置平衡.目的是 .
(2)在实验过程中,调节杠杆在水平位置平衡的目的是________________.
(3)在杠杆两端加挂钩码,并移动钩码,使杠杆在水平位置平衡,测出力臂,多次实验并把数据记录在表格中.
次序 | F1/N | l1/cm | F2/N | l2/cm |
1 | 1 | 10 | 2 | 5 |
2 | 2 | 10 | 1 | 20 |
3 | 2 | 15 | 3 | 10 |
小明根据以上数据得出杠杆平衡条件是: ____________________________。
(4)杠杆调节平衡后,小红在杠杆上的A点处挂4个钩码,如图乙所示,为使杠杆在水平位置重新平衡,应在B点挂 个钩码.如果将B处的钩码换成弹簧测力计,那么手对弹簧测力计的拉力 (选填“大于”“等于”“小于”)六个钩码的重力。
(5)当杠杆平衡后,将A点和B点下方所挂的钩码同时向支点O靠近移一格,杠杆____________(填“左侧下降”“右侧下降”或“仍水平平衡”).
(6)如图丙所示,用弹簧测力计在C处竖直向上拉,使杠杆在水平位置平衡,当弹簧测力计在原位置逐渐向左倾斜时,使杠杆仍然在水平位置平衡,则弹簧测力计的示数将________(填“变大”“变小”或“不变”),原因是 。
(7)小明实验时改变钩码的个数和位置进行了多次实验,其目的是________.
【答案】
(1)平衡状态;右;消除杠杆自身重力对实验的影响,水平位置便于直接读出力臂。
(2)便于测量力臂;
(3)F1L1=F2L2;
(4)6;小于;
(5)左侧下降;
(6)变大;根据平衡条件,动力臂变小。
(7)避免实验的偶然性,使结论更具普遍性。

